Поиск подшипника
Статьи
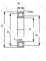
219W — Подшипник однорядный шариковый радиальный, модификация основного исполнения 219, выпускается производителями: FAFNIR, TIMKEN.
Размер подшипника: 95x170x32 мм.
Радиальный подшипник. тип заправочного паза.
Международная стандартизации ISO
219W
В наличии
| Обозначение | Конструктивные изменения |
|---|---|
| 2-19 | |
| 219V | Snap Ring Is On Seal Side. |
| 219Z | щит из листовой прессованной стали с одной стороны подшипника. |
| 219S-HYB#1 | Single Row Radial Conrad-Type Bearings. Number Of Carriages Per Rail Track. Керамические шарики. |
| 219M | Твердый латунный сепаратор. Шариковые направляющие. |
| 2MM219WI CR DUL | Дуплексная пара подшипников. Универсальная установка. Лёгкий преднатяг. 15° Low Угол контакта. Super Precision Abec-7 (Iso P4).. Фенол (состав) cтандарт Fafnir. Низкий буртик на наружном кольце. |
| 219DN | Double Row Angular Contact Ball Bearing With A Two-Piece Inner Ring. Канавка под стопорное кольцо на внешнем кольце. |
| 2MM219WI CR DUM | Дуплексная пара подшипников. Универсальная установка. Средний преднатяг. 15° Low Угол контакта. Superprecision Abec-7 (Iso P4).. (TB-Segment) Phenolic (Composition) Fafnir Standard. Low Shoulder On Outer RIng (Standard Cage!!! (Molded Reinforced Nylon Cage)). |
| 219M.C4 | Внутренний зазор подшипника больше. чем C3. Твердый латунный сепаратор. Шариковые направляющие. |
| 219HE | Закрепительная втулка. |
| NJ 219 ECM | Однорядный цилиндрический роликовый подшипник. |
| NU 219 ECML | Однорядный цилиндрический роликовый подшипник. |
| NUP 219 ECML | Однорядный цилиндрический роликовый подшипник. |
| NUP 219 ECM | Однорядный цилиндрический роликовый подшипник. |
| NJ 219 ECML | Однорядный цилиндрический роликовый подшипник. |
| 219-2Z | Защитные металлические шайбы с обеих сторон подшипника. |
| 219 NR | Канавка под стопорное кольцо на наружном кольце с соответствующим стопорным кольцом. |
| BL 219 ZZ | Защитные металлические шайбы с обеих сторон. |
Модификации шарикового подшипника 219W — это измененное основное конструктивное исполнение 219, основные размеры (95x170x32) не отличаются.
| Обозначение | Гост | Конструктивные особенности |
|---|---|---|
| 6219LLU | ISO | Резиновые уплотнения с каждой стороны подшипника. |
| TMB219NR C4 | ISO | Внутренний зазор подшипника больше. чем C3. Канавка под стопорное кольцо на наружном кольце с соответствующим стопорным кольцом. |
| 6219/C3VL2071 | ISO | Внутренний зазор больше нормального. Электрическое сопротивление/мин. 50 МОм. Напряжение пробоя/Макс. Рабочее напряжение 1000 В постоянного тока. |
| 6219LLU/2AS | ISO | Резиновые уплотнения с каждой стороны подшипника. LUBRICANT. SHELL OIL CO.. ALVANIA #2 GREASE. MIL-G-18709A. |
| 6219MA.C3 | ISO | Внутренний зазор больше нормального. Механически обработанный латунный сепаратор. Центрирование по внешнему кольцу. |
| M219Z MB | ISO | Machined Brass Cage Inner Ring Guided. Одна защитная металлическая шайба. |
| 6219ZZ C3/5K | ISO | Внутренний зазор больше нормального. Защитные стальные шайбы с обеих сторон. Grease/ Kyodo Yushi / Multemp SRL (-40°C to +150°C). |
| 6219MB C3 | ISO | Внутренний зазор больше нормального. Механически обработанный латунный сепаратор. направляющий по внутреннему кольцу. |
| 6219-M-P6-C4 | ISO | Внутренний зазор подшипника больше. чем C3. Твердый латунный сепаратор. Шариковые направляющие. Размерные и геометрические допуски соответствуют классу точности P6. |
| 6219EE | ISO | Резиновые уплотнения с каждой стороны подшипника. |
| 6219EE J30 | ISO | Внутренний зазор больше нормального. Резиновые уплотнения с каждой стороны подшипника. |
| 6219 J30 | ISO | Внутренний зазор больше нормального. |
| 6219ZZ J30 | ISO | Защитные металлические шайбы с обеих сторон. Внутренний зазор больше нормального. |
| 6219-MA-P5-S1-C4 | ISO | Внутренний зазор подшипника больше. чем C3. Кольца подшипников или шайбы, стабилизированные по размерам для использования при рабочих температурах до +200°C (392°F).. Размерная и рабочая точность соответствует классу допуска ISO 5. Механически обработанный латунный сепаратор. Центрирование по внешнему кольцу. |
| HC6219-C3 | ISO | Внутренний зазор больше нормального. |
| 6219-J20AA | ISO | Электроизоляция. наружное кольцо с керамическим покрытием. |
| 6219-M-J20AA | ISO | Твердый латунный сепаратор. Шариковые направляющие. Электроизоляция. наружное кольцо с керамическим покрытием. |
| 6219-MA-P5-S1 | ISO | Кольца подшипников или шайбы, стабилизированные по размерам для использования при рабочих температурах до +200°C (392°F).. Размерная и рабочая точность соответствует классу допуска ISO 5. Механически обработанный латунный сепаратор. Центрирование по внешнему кольцу. |
| 6219DDU | ISO | Резиновые уплотнения с каждой стороны подшипника. |
| 6219/HC5C3 | ISO | Внутренний зазор больше нормального. Тела качения из нитрида кремния. |
Аналог шарикового подшипника 219W — это подшипник такого же размера dx95,Dx170,Bx32, типа и конструкции.
| Обозначение | Конструктивные особенности | Внутренний (d) | Наружный (D) | Ширина (B) |
|---|---|---|---|---|
| 7219A | Роликовый радиальный-упорный однорядный подшипник. Двухрядный радиально-упорный шарикоподшипник без отверстия для смазки. | 95.00 | 170.00 | 32.00 |
| 6219ZZNR | Шариковый радиальный однорядный подшипник. Стальная шайба. Канавка и стопорное кольцо на наружном кольце. | 95.00 | 170.00 | 32.00 |
| 6219LLB | Шариковый радиальный однорядный подшипник. Уплотнение бесконтактного типа из синтетического каучука. | 95.00 | 170.00 | 32.00 |
| QJ 219 | Шариковый радиальный однорядный подшипник. Штампованный сепаратор из стального листа. Шариковый подшипник с четырех-точечным контактом. | 95.00 | 170.00 | 32.00 |
| 1219 K + H 219 | Шариковый сферический двухрядный подшипник. Коническое внутреннее отверстие. Pressed Snap-Type Steel Cage. Hardened. 1.3/16. | 95.00 | 170.00 | 32.00 |
| 42219-Д | Роликовый радиальный однорядный подшипник. Сепаратор из алюминиевого сплава.. | 95.00 | 170.00 | 32.00 |
| 42219-Д1Т | Роликовый радиальный однорядный подшипник. Температура отпуска. 160°. Сепаратор из алюминиевого сплава.. | 95.00 | 170.00 | 32.00 |
| 42219-ДТ | Роликовый радиальный однорядный подшипник. Сепаратор из алюминиевого сплава.. Температура отпуска. 160°. | 95.00 | 170.00 | 32.00 |
| 42219-КМ | Роликовый радиальный однорядный подшипник. Модифицированный контакт.. | 95.00 | 170.00 | 32.00 |
| 42219-Л | Роликовый радиальный однорядный подшипник. Сепаратор из латуни.. | 95.00 | 170.00 | 32.00 |
| 5-36219 Е | Шариковый радиально-упорный однорядный подшипник. Сепаратор из текстолита.. | 95.00 | 170.00 | 32.00 |
| 5-36219 Е5 | Шариковый радиально-упорный однорядный подшипник. Сепаратор из текстолита.. | 95.00 | 170.00 | 32.00 |
| 5-36219 Л | Шариковый радиально-упорный однорядный подшипник. Сепаратор из латуни.. | 95.00 | 170.00 | 32.00 |
| 5-46219 Е5 | Шариковый радиально-упорный однорядный подшипник. Сепаратор из текстолита.. | 95.00 | 170.00 | 32.00 |
| 5АВ-92219 Д1 | Роликовый радиальный однорядный подшипник. Сепаратор из алюминиевого сплава.. | 95.00 | 170.00 | 32.00 |
Способы доставки
Отправка через ведущие транспортные и курьерские компании: ПЭК, Деловые Линии, СДЭК, Байкал-Сервис, Энергия, КИТ, ЖелДорЭкспедиция.
Самовывоз возможен напрямую со склада в Москве.
Сроки доставки
Срок зависит от региона и выбранной транспортной компании. Все заказы комплектуются и отправляются в кратчайшие сроки со склада в Москве.
Надёжность и сохранность
Вся продукция упаковывается с учётом требований транспортировки. Мы гарантируем, что подшипники и комплектующие прибудут к заказчику в полной сохранности.
Доставка в страны ЕАЭС
Мы работаем с проверенными логистическими партнёрами, что позволяет оперативно доставлять заказы в Беларусь, Казахстан, Армению и другие страны ЕАЭС.
Варианты оплаты:
Минимальная сумма заказа и скидки:
Документы и гарантии:
Да, конечно! Наши технические специалисты готовы помочь вам с подбором точного аналога или замены подшипника. Просто позвоните нам по телефону +7 (495) 104-99-04 или напишите на почту zakaz@podsnab.ru.
Для оперативной консультации подготовьте, пожалуйста, имеющиеся данные: маркировку, размеры, тип оборудования или артикул старого подшипника.
Да, конечно! Мы высоко ценим долгосрочное сотрудничество и доверие клиентов по всей России. Для постоянных клиентов действует персональная система скидок.
Условия формируются индивидуально и зависят от:
Чтобы узнать свои условия и получить максимально выгодное предложение, свяжитесь с персональным менеджером или напишите нам на почту zakaz@podsnab.ru.
Вы можете оформить заказ несколькими способами:
Для оформления заказа от юридического лица свяжитесь с нашим отделом по работе с корпоративными клиентами по телефону +7 (495) 104-99-04 или напишите на email zakaz@podsnab.ru, прикрепив реквизиты вашей организации.
Мы оперативно подготовим коммерческое предложение и выставим счет.
Возврат товара надлежащего качества возможен в течение 10 дней с момента получения, если товар не был в употреблении, сохранен товарный вид, упаковка не вскрывалась и присутствуют все сопроводительные документы.
Возврат денежных средств осуществляется в течение 10 рабочих дней после проверки товара складом.
В соответствии с законодательством возврату не подлежат подшипники надлежащего качества, если отсутствует оригинальная упаковка или имеются следы монтажа.
В случае выявления брака или гарантийного случая мы гарантируем возврат или обмен товара.
Да, гарантийный срок хранения устанавливается заводом-изготовителем и в среднем составляет 2 года при соблюдении условий хранения: сухое помещение, оригинальная упаковка и смазка.
Точный срок для конкретного типа подшипника уточняйте у наших менеджеров.
Пн–Пт: с 8:00 до 17:00 (МСК).
Сб–Вс: выходные дни.
Заказы на сайте принимаются круглосуточно. Заявки, поступившие после окончания рабочего дня, обрабатываются на следующий рабочий день.
Минимальная сумма заказа для доставки составляет 3000 рублей. Самовывоз со склада возможен на любую сумму при наличии товара.
ООО «УралТехГрупп»
ИНН: 7415093830
КПП: 772401001
ОГРН: 1167456069021
Банк: ПАО Сбербанк
Р/с: 40702810838000475273
К/с: 30101810400000000225
БИК: 044525225
У подшипника 219W пока нет отзывов. Вы можете стать первым покупателем, поделившимся своим мнением.