Поиск подшипника
Статьи
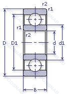
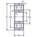
2-19 — Подшипник для корпуса, основное исполнение, выпускается производителями: GPZ, MCGILL, NEW DEPARTURE, SEALMASTER, SKF.
Размер подшипника: 95x170x49 мм.
Альтернативное обозначение: YAR208-2F.
Аналоги: 1040-1.9/16G RHP.
Международная стандартизации ISO
219
В наличии
| Обозначение | Конструктивные изменения |
|---|---|
| 219V | Snap Ring Is On Seal Side. |
| 219Z | щит из листовой прессованной стали с одной стороны подшипника. |
| 219S-HYB#1 | Single Row Radial Conrad-Type Bearings. Number Of Carriages Per Rail Track. Керамические шарики. |
| 219M | Твердый латунный сепаратор. Шариковые направляющие. |
| 2MM219WI CR DUL | Дуплексная пара подшипников. Универсальная установка. Лёгкий преднатяг. 15° Low Угол контакта. Super Precision Abec-7 (Iso P4).. Фенол (состав) cтандарт Fafnir. Низкий буртик на наружном кольце. |
| 219DN | Double Row Angular Contact Ball Bearing With A Two-Piece Inner Ring. Канавка под стопорное кольцо на внешнем кольце. |
| 2MM219WI CR DUM | Дуплексная пара подшипников. Универсальная установка. Средний преднатяг. 15° Low Угол контакта. Superprecision Abec-7 (Iso P4).. (TB-Segment) Phenolic (Composition) Fafnir Standard. Low Shoulder On Outer RIng (Standard Cage!!! (Molded Reinforced Nylon Cage)). |
| 219M.C4 | Внутренний зазор подшипника больше. чем C3. Твердый латунный сепаратор. Шариковые направляющие. |
| 219HE | Закрепительная втулка. |
| 219W | Радиальный подшипник. Тип заправочного паза. |
| NJ 219 ECM | Однорядный цилиндрический роликовый подшипник. |
| NU 219 ECML | Однорядный цилиндрический роликовый подшипник. |
| NUP 219 ECML | Однорядный цилиндрический роликовый подшипник. |
| NUP 219 ECM | Однорядный цилиндрический роликовый подшипник. |
| NJ 219 ECML | Однорядный цилиндрический роликовый подшипник. |
| 219-2Z | Защитные металлические шайбы с обеих сторон подшипника. |
| 219 NR | Канавка под стопорное кольцо на наружном кольце с соответствующим стопорным кольцом. |
| BL 219 ZZ | Защитные металлические шайбы с обеих сторон. |
Модификации подшипника для корпуса 2-19 — это измененное основное конструктивное исполнение , основные размеры (95x170x49) не отличаются.
| Обозначение | Гост | Конструктивные особенности |
|---|---|---|
| 1040-1.9/16G | ISO | Largest Fill. Вкладыш подшипника с возможностью повторной смазки. Number Of Carriages Per Rail Track. |
| YAR208-2RF/HVA | ISO | Стандартное контактное уплотнение с дополнительным прорезиненным кольцом с обеих сторон подшипника. Подшипник или компонент подшипника из закаленной нержавеющей стали. |
| UC208-25J | ISO | Сепаратор из стали. |
| UC208G2 | ISO | Cистема повторного смазывания для корпусных подшипников. |
| RB208PPB | ISO | Подшипник со сферическим наружным кольцом. Манжетные уплотнения с обеих сторон (Тип P — две шайбы из оцинкованной листовой стали с промежуточной частью из NBR. Кромка уплотнения предварительно нагружена в осевом направлении). |
| GY1108KRRBW | ISO | Подшипник со сферическим наружным кольцом. Эксцентриковая стопорная втулка. Манжетные уплотнения с обеих сторон (уплотнение типа R - имеет оцинкованные внутреннюю и внешнюю крышки. Между крышками имеется уплотнительная кромка NBR. идущая по шлифованному буртику). |
| GY1108-KRR-B-AS2/V | ISO | Подшипник со сферическим наружным кольцом. Манжетные уплотнения с обеих сторон (уплотнение типа R - имеет оцинкованные внутреннюю и внешнюю крышки. Между крышками имеется уплотнительная кромка NBR. идущая по шлифованному буртику). Наружное кольцо подшипника с двумя смазочными отверстиями в смещенных плоскостях. |
| YAR208-2FW/VA201 | ISO | Измененная или модифицированная внутренняя конструкция при неизменных основных размерах. Стандартное контактное уплотнение с дополнительным плоским маслоотражателем на обеих сторонах подшипника без смазочных отверстий в наружном кольце. Подшипник для высокотемпературных применений (например. печных тележек). |
| YAR208-108-2FW/VA228 | ISO | Измененная или модифицированная внутренняя конструкция при неизменных основных размерах. Bearing With A “Coronet” Cage Of Graphite For Temperatures -150°C/+350°C. Стандартное контактное уплотнение с дополнительным плоским маслоотражателем на обеих сторонах подшипника без смазочных отверстий в наружном кольце. 1.1/2. |
| YAR208-108-2FW/VA201 | ISO | Измененная или модифицированная внутренняя конструкция при неизменных основных размерах. Стандартное контактное уплотнение с дополнительным плоским маслоотражателем на обеих сторонах подшипника без смазочных отверстий в наружном кольце. Подшипник для высокотемпературных применений (например. печных тележек). 1.1/2. |
| YAR208-108-2F/AH | ISO | Стандартное контактное уплотнение с дополнительным маслоотражательным кольцом с обеих сторон. Противовращающийся штырь. Массивные ножки и свободный момент выравнивания. 1.1/2. |
| YAR208-109-2F/AH | ISO | Стандартное контактное уплотнение с дополнительным маслоотражательным кольцом с обеих сторон. Противовращающийся штырь. Массивные ножки и свободный момент выравнивания. 1.9/16. |
| UC208-108D1 | ISO | Стандартная консистентная смазка Alvania Grease 3. |
| UC208-109 | ISO | 1.9/16. |
| 1140-1.1/2 | ISO | ISO Tolerance Class ABEC.9. Number Of Carriages Per Rail Track. |
| UC208-24.G2 | ISO | Cистема повторного смазывания для корпусных подшипников. 1.1/2. |
| UC208D1X | ISO | Стандартная консистентная смазка Alvania Grease 3. |
| J1040-40GCR | ISO | Вкладыш подшипника с возможностью повторной смазки. Нержавеющая сталь. |
| LE208-108.2F.Y | ISO | Двойное уплотнение. Защитная крышка, размещенная на внутреннем кольце. Используется с подшипниками типа Y. Сепаратор из прессованной латуни. Центрирование шарика. 1.1/2. |
| LE208-108.2F | ISO | Двойное уплотнение. Защитная крышка, размещенная на внутреннем кольце. Используется с подшипниками типа Y. 1.1/2. |
Аналог подшипника для корпуса 2-19 — это подшипник такого же размера dx95,Dx170,Bx49, типа и конструкции.
| Обозначение | Конструктивные особенности | Внутренний (d) | Наружный (D) | Ширина (B) |
|---|---|---|---|---|
| YARAG208 | Корпусный подшипник однорядный. Измененная или модифицированная внутренняя конструкция при неизменных основных размерах. | 40.00 | 80.00 | 49.20 |
| YARAG 208-108 | Шариковый радиальный подшипник. 1.1/2. | 38.10 | 80.00 | 49.20 |
| RB208 | Шариковый радиальный однорядный подшипник. Угол контакта 40 градусов. | 40.00 | 80.00 | 49.20 |
| RB208-25 | Шариковый радиальный однорядный подшипник. Distance Between Beginning Of The Rail And First Hole In MM. | 39.69 | 80.00 | 49.20 |
| RB208-24 | Шариковый радиальный однорядный подшипник. 1.1/2. | 38.10 | 80.00 | 49.20 |
| ER208-25 | Шариковый радиальный однорядный подшипник. Distance Between Beginning Of The Rail And First Hole In MM. | 39.69 | 80.00 | 49.20 |
| UC208-25L3 | Шариковый радиальный однорядный подшипник. | 39.69 | 80.00 | 49.20 |
| UCS208LD1N | Шариковый радиальный однорядный подшипник. Канавка для стопорного кольца на наружном кольце. | 40.00 | 80.00 | 49.20 |
| UC208-3L | Шариковый радиальный однорядный подшипник. | 40.00 | 80.00 | 49.20 |
| E2.YAR208-2F | Шариковый радиальный однорядный подшипник. | 40.00 | 80.00 | 49.20 |
| ER24DD | Шариковый радиальный однорядный подшипник. Два уплотнения из PTFE. | 38.10 | 80.00 | 49.21 |
| GY1108KRRB SGT | Шариковый радиальный однорядный подшипник. Shaft Guarding Technology™. | 38.10 | 80.00 | 49.22 |
| GY1109KRRB | Шариковый радиальный однорядный подшипник. | 39.69 | 80.00 | 49.22 |
| GYE40KRRB SGT | Шариковый радиальный однорядный подшипник. Shaft Guarding Technology™. | 40.00 | 80.00 | 49.22 |
| 480208К | Шариковый радиальный однорядный подшипник. | 40.00 | 80.00 | 49.20 |
Способы доставки
Отправка через ведущие транспортные и курьерские компании: ПЭК, Деловые Линии, СДЭК, Байкал-Сервис, Энергия, КИТ, ЖелДорЭкспедиция.
Самовывоз возможен напрямую со склада в Москве.
Сроки доставки
Срок зависит от региона и выбранной транспортной компании. Все заказы комплектуются и отправляются в кратчайшие сроки со склада в Москве.
Надёжность и сохранность
Вся продукция упаковывается с учётом требований транспортировки. Мы гарантируем, что подшипники и комплектующие прибудут к заказчику в полной сохранности.
Доставка в страны ЕАЭС
Мы работаем с проверенными логистическими партнёрами, что позволяет оперативно доставлять заказы в Беларусь, Казахстан, Армению и другие страны ЕАЭС.
Варианты оплаты:
Минимальная сумма заказа и скидки:
Документы и гарантии:
Да, конечно! Наши технические специалисты готовы помочь вам с подбором точного аналога или замены подшипника. Просто позвоните нам по телефону +7 (495) 104-99-04 или напишите на почту zakaz@podsnab.ru.
Для оперативной консультации подготовьте, пожалуйста, имеющиеся данные: маркировку, размеры, тип оборудования или артикул старого подшипника.
Да, конечно! Мы высоко ценим долгосрочное сотрудничество и доверие клиентов по всей России. Для постоянных клиентов действует персональная система скидок.
Условия формируются индивидуально и зависят от:
Чтобы узнать свои условия и получить максимально выгодное предложение, свяжитесь с персональным менеджером или напишите нам на почту zakaz@podsnab.ru.
Вы можете оформить заказ несколькими способами:
Для оформления заказа от юридического лица свяжитесь с нашим отделом по работе с корпоративными клиентами по телефону +7 (495) 104-99-04 или напишите на email zakaz@podsnab.ru, прикрепив реквизиты вашей организации.
Мы оперативно подготовим коммерческое предложение и выставим счет.
Возврат товара надлежащего качества возможен в течение 10 дней с момента получения, если товар не был в употреблении, сохранен товарный вид, упаковка не вскрывалась и присутствуют все сопроводительные документы.
Возврат денежных средств осуществляется в течение 10 рабочих дней после проверки товара складом.
В соответствии с законодательством возврату не подлежат подшипники надлежащего качества, если отсутствует оригинальная упаковка или имеются следы монтажа.
В случае выявления брака или гарантийного случая мы гарантируем возврат или обмен товара.
Да, гарантийный срок хранения устанавливается заводом-изготовителем и в среднем составляет 2 года при соблюдении условий хранения: сухое помещение, оригинальная упаковка и смазка.
Точный срок для конкретного типа подшипника уточняйте у наших менеджеров.
Пн–Пт: с 8:00 до 17:00 (МСК).
Сб–Вс: выходные дни.
Заказы на сайте принимаются круглосуточно. Заявки, поступившие после окончания рабочего дня, обрабатываются на следующий рабочий день.
Минимальная сумма заказа для доставки составляет 3000 рублей. Самовывоз со склада возможен на любую сумму при наличии товара.
ООО «УралТехГрупп»
ИНН: 7415093830
КПП: 772401001
ОГРН: 1167456069021
Банк: ПАО Сбербанк
Р/с: 40702810838000475273
К/с: 30101810400000000225
БИК: 044525225
У подшипника 2-19 пока нет отзывов. Вы можете стать первым покупателем, поделившимся своим мнением.