Поиск подшипника
Статьи
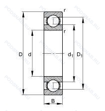
63004 — Подшипник однорядный шариковый радиальный, основное исполнение, выпускается производителями: NIS, SNR.
Размер подшипника: 20x42x16 мм.
Международная стандартизации ISO
63004
В наличии
| Обозначение | Конструктивные изменения |
|---|---|
| 63004 2RS C3 | Внутренний зазор больше нормального. Резиновые уплотнения с каждой стороны подшипника. |
| 63004-2RS1/W64 | Усиленные листовой сталью контактные уплотнения из акрилонитрил-бутадиенового каучука (NBR) с обеих сторон подшипника. Антифрикционный заполнитель. твердая смазка. |
| 63004 2RS | Резиновые уплотнения с каждой стороны подшипника. |
| 63004-2Z | Защитные металлические шайбы с обеих сторон подшипника. |
| 63004-2RS1 | Усиленные листовой сталью контактные уплотнения из акрилонитрил-бутадиенового каучука (NBR) с обеих сторон подшипника. |
| 63004-2RSR | Резиновые уплотнения с каждой стороны подшипника. |
| 63004-2RS1/C3 | Внутренний зазор больше нормального. Усиленные листовой сталью контактные уплотнения из акрилонитрил-бутадиенового каучука (NBR) с обеих сторон подшипника. |
| 63004-2RSR-C3 | Внутренний зазор больше нормального. Резиновые уплотнения с каждой стороны подшипника. |
| 63004.2RSR.C3.L166F | Внутренний зазор больше нормального. Резиновые уплотнения с каждой стороны подшипника. Смазка. |
| 63004.C3 | Внутренний зазор больше нормального. |
| 63004.EEC3 | Резиновые уплотнения с каждой стороны подшипника. |
| 63004LLUA C3 | Внутренний зазор больше нормального. Полиакриловое резиновое уплотнение. |
| 63004LLU C3 | Внутренний зазор больше нормального. Резиновые уплотнения с каждой стороны подшипника. |
| 63004-2RSR-M | Механически обработанный латунный сепаратор .Расположенный на элементах качения. Резиновые уплотнения с каждой стороны подшипника. |
| 63004-A-2RSR | Модификация внутренней конструкции. Резиновые уплотнения с каждой стороны подшипника. |
| 63004-A-2RSR-C3 | Внутренний зазор больше нормального. Модификация внутренней конструкции. Резиновые уплотнения с каждой стороны подшипника. |
| 63004EE J30 | Внутренний зазор больше нормального. Резиновые уплотнения с каждой стороны подшипника. |
| 63004EE | Резиновые уплотнения с каждой стороны подшипника. |
Модификации шарикового подшипника 63004 — это измененное основное конструктивное исполнение 63004, основные размеры (20x42x16) не отличаются.
| Обозначение | Конструктивные особенности | Внутренний (d) | Наружный (D) | Ширина (B) |
|---|---|---|---|---|
| 4T-32004XP5 | Однорядный конический роликовый подшипник. Размерная и рабочая точность соответствует классу допуска ISO 5. Размеры границ изменены в соответствии со стандартами ISO. | 20.00 | 42.00 | 15.00 |
| U004+ER | Подшипник для корпуса. Эксцентриковое кольцо. | 20.00 | 42.00 | 16.50 |
| 10R32004VC12UA | однорядный конический роликовый подшипник. Конический роликовый подшипник. Модификация внутренней конструкции. Design Change Indices. | 20.00 | 42.00 | 15.00 |
| 2007104A | Роликовый радиальный-упорный однорядный подшипник. Двухрядный радиально-упорный шарикоподшипник без отверстия для смазки. | 20.00 | 42.00 | 15.00 |
| E32004J | Роликовый радиальный-упорный однорядный подшипник. Дорожки качения наружного кольца. угол контакта и ширина наружного кольца в соответствии с ISO. | 20.00 | 42.00 | 15.00 |
| X32004X/YAA32004X | Роликовый радиальный-упорный однорядный подшипник. Измененные размеры границ. введенные пересмотренными стандартами ISO. | 20.00 | 42.00 | 15.00 |
| X32004X/Y32004X | Роликовый радиальный-упорный однорядный подшипник. Измененные размеры границ. введенные пересмотренными стандартами ISO. | 20.00 | 42.00 | 15.00 |
| XAA32004X/YAA32004X | Роликовый радиальный-упорный однорядный подшипник. Измененные размеры границ. введенные пересмотренными стандартами ISO. | 20.00 | 42.00 | 15.00 |
| XAA32004X/Y32004X | Роликовый радиальный-упорный однорядный подшипник. Измененные размеры границ. введенные пересмотренными стандартами ISO. | 20.00 | 42.00 | 15.00 |
| 3004-B-2Z-TVH | Шариковый радиально-упорный подшипник. Модифицированная внутренняя конструкция. Защитные металлические шайбы с обеих сторон подшипника. Твердая клетка из полиамида. | 20.00 | 42.00 | 16.00 |
| 3004-B-2RSR-TVH | Шариковый радиально-упорный подшипник. Модифицированная внутренняя конструкция. Твердая клетка из полиамида. Резиновые уплотнения с каждой стороны подшипника. | 20.00 | 42.00 | 16.00 |
| MU004+ER | Шариковый радиальный однорядный подшипник. Эксцентриковое кольцо. | 20.00 | 42.00 | 16.50 |
| 5-2007104 А | Роликовый радиальный-упорный однорядный подшипник. Повышенная грузоподъемность. | 20.00 | 42.00 | 15.00 |
| 5-502704 Р | Роликовый радиальный однорядный подшипник. Детали из теплоустойчивой (быстрорежущие) стали.. | 20.00 | 42.00 | 16.00 |
| 6-2007104 А | Роликовый радиальный-упорный однорядный подшипник. Повышенная грузоподъемность. | 20.00 | 42.00 | 15.00 |
Способы доставки
Отправка через ведущие транспортные и курьерские компании: ПЭК, Деловые Линии, СДЭК, Байкал-Сервис, Энергия, КИТ, ЖелДорЭкспедиция.
Самовывоз возможен напрямую со склада в Москве.
Сроки доставки
Срок зависит от региона и выбранной транспортной компании. Все заказы комплектуются и отправляются в кратчайшие сроки со склада в Москве.
Надёжность и сохранность
Вся продукция упаковывается с учётом требований транспортировки. Мы гарантируем, что подшипники и комплектующие прибудут к заказчику в полной сохранности.
Доставка в страны ЕАЭС
Мы работаем с проверенными логистическими партнёрами, что позволяет оперативно доставлять заказы в Беларусь, Казахстан, Армению и другие страны ЕАЭС.
Варианты оплаты:
Минимальная сумма заказа и скидки:
Документы и гарантии:
Да, конечно! Наши технические специалисты готовы помочь вам с подбором точного аналога или замены подшипника. Просто позвоните нам по телефону +7 (495) 104-99-04 или напишите на почту zakaz@podsnab.ru.
Для оперативной консультации подготовьте, пожалуйста, имеющиеся данные: маркировку, размеры, тип оборудования или артикул старого подшипника.
Да, конечно! Мы высоко ценим долгосрочное сотрудничество и доверие клиентов по всей России. Для постоянных клиентов действует персональная система скидок.
Условия формируются индивидуально и зависят от:
Чтобы узнать свои условия и получить максимально выгодное предложение, свяжитесь с персональным менеджером или напишите нам на почту zakaz@podsnab.ru.
Вы можете оформить заказ несколькими способами:
Для оформления заказа от юридического лица свяжитесь с нашим отделом по работе с корпоративными клиентами по телефону +7 (495) 104-99-04 или напишите на email zakaz@podsnab.ru, прикрепив реквизиты вашей организации.
Мы оперативно подготовим коммерческое предложение и выставим счет.
Возврат товара надлежащего качества возможен в течение 10 дней с момента получения, если товар не был в употреблении, сохранен товарный вид, упаковка не вскрывалась и присутствуют все сопроводительные документы.
Возврат денежных средств осуществляется в течение 10 рабочих дней после проверки товара складом.
В соответствии с законодательством возврату не подлежат подшипники надлежащего качества, если отсутствует оригинальная упаковка или имеются следы монтажа.
В случае выявления брака или гарантийного случая мы гарантируем возврат или обмен товара.
Да, гарантийный срок хранения устанавливается заводом-изготовителем и в среднем составляет 2 года при соблюдении условий хранения: сухое помещение, оригинальная упаковка и смазка.
Точный срок для конкретного типа подшипника уточняйте у наших менеджеров.
Пн–Пт: с 8:00 до 17:00 (МСК).
Сб–Вс: выходные дни.
Заказы на сайте принимаются круглосуточно. Заявки, поступившие после окончания рабочего дня, обрабатываются на следующий рабочий день.
Минимальная сумма заказа для доставки составляет 3000 рублей. Самовывоз со склада возможен на любую сумму при наличии товара.
ООО «УралТехГрупп»
ИНН: 7415093830
КПП: 772401001
ОГРН: 1167456069021
Банк: ПАО Сбербанк
Р/с: 40702810838000475273
К/с: 30101810400000000225
БИК: 044525225
У подшипника 63004 пока нет отзывов. Вы можете стать первым покупателем, поделившимся своим мнением.