Поиск подшипника
Статьи
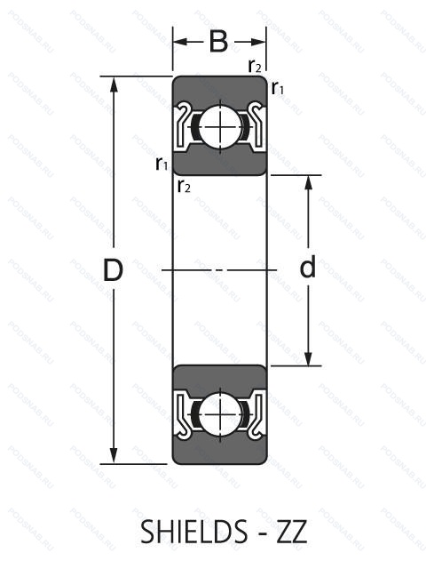
R1340 ZZ — Подшипник однорядный шариковый радиальный, модификация основного исполнения R1340, производство NIS.
Размер подшипника: 4x13x5 мм.
Защитные металлические шайбы с обеих сторон.
Международная стандартизации ISO
R1340ZZ
В наличии
| Обозначение | Конструктивные изменения |
|---|---|
| R1340 2RS | Резиновые уплотнения с каждой стороны подшипника. |
| R1340 | Подшипник однорядный шариковый радиальный. Основное конструктивное исполнение. |
| R-1340HH | Double Shield. Non Removable. |
| R-1340HH MT R | Прессованный стальной сепаратор. Soundproof E-motor Quality. Стальное уплотнение с двух сторон подшипника. |
| R-1340DDB18MTRA1P58LY | Ribbon Type Retainer. Резиновые уплотнения с каждой стороны подшипника. Soundproof E-motor Quality. ABEC.1. Indicates Radial Play Of 12.5μm ~ 20.0μm (Can Be Used As Standard C3 Range). |
| R1340DD | Резиновые уплотнения с каждой стороны подшипника. |
Модификации шарикового подшипника R1340 ZZ — это измененное основное конструктивное исполнение R1340, основные размеры (4x13x5) не отличаются.
| Обозначение | Гост | Конструктивные особенности |
|---|---|---|
| 605ZZMC3E/PS2S | ISO | Стандартное заполнение. Тихая работа. Защитные металлические шайбы с обеих сторон. Улучшенный нормальный зазор (без латунного сепаратора). Multemp PS No. 2. Thickener = Lithium. Oil Base = Synthetic Oil + Mineral Oil. Operating Temperature = -50°C / + 110°C. Applications/ Ball Screws And Linear Guides Used Under Low Temperatures And Heavy Operating Conditions. |
| 6/5130-2Z | ISO | Защитные металлические шайбы с обеих сторон. |
| 619/5-2RS1 | ISO | Резиновые уплотнения с каждой стороны подшипника. Distance Between Beginning Of The Rail And First Hole In MM. |
| R2A-2Z | ISO | Защитные металлические шайбы с обеих сторон. |
| 624-2RS2 | ISO | Два контактных уплотнения из фторкаучука (FPM) с усилением из листовой стали (высокотемпературные). |
| 695-2RSR-HLN | ISO | Резиновые уплотнения с каждой стороны подшипника. Код местонахождения завода. может использоваться в стандартной комплектации. |
| F604-2Z-HLC | ISO | Защитные металлические шайбы с обеих сторон. Код местонахождения завода. может использоваться в стандартной комплектации. |
| F624-2Z-HLC | ISO | Защитные металлические шайбы с обеих сторон. Код местонахождения завода. может использоваться в стандартной комплектации. |
| 604-2Z-CO7 | ISO | Защитные металлические шайбы с обеих сторон. Код местонахождения завода. может использоваться в стандартной комплектации. |
| 695-2Z-HLN | ISO | Защитные металлические шайбы с обеих сторон. Код местонахождения завода. может использоваться в стандартной комплектации. |
| 624-2RSR | ISO | Резиновые уплотнения с каждой стороны подшипника. |
| 3/16A | ISO | Двухрядный радиально-упорный шарикоподшипник без отверстия для смазки. |
| 624ZZ+6 | ISO | Защитные металлические шайбы с обеих сторон. Exxon Aviation Instrument Oil. |
| 695ZZ+6 | ISO | Защитные металлические шайбы с обеих сторон. Exxon Aviation Instrument Oil. |
| 638/5-2Z/F | ISO | Защитные металлические шайбы с обеих сторон. Фланец. Distance Between Beginning Of The Rail And First Hole In MM. |
| 604-2RSR-HLC | ISO | Резиновые уплотнения с каждой стороны подшипника. Код местонахождения завода. может использоваться в стандартной комплектации. |
| F624-2Z-HLA | ISO | Зазорные уплотнения с обеих сторон подшипника.. Код местонахождения завода. может использоваться в стандартной комплектации. |
| 605-2RSR-HLC | ISO | Резиновые уплотнения с каждой стороны подшипника. Код местонахождения завода. может использоваться в стандартной комплектации. |
| 695-HLC | ISO | Код местонахождения завода. может использоваться в стандартной комплектации. |
| 624-2Z-HLA | ISO | Зазорные уплотнения с обеих сторон подшипника.. Код местонахождения завода. может использоваться в стандартной комплектации. |
Аналог шарикового подшипника R1340 ZZ — это подшипник такого же размера dx4,Dx13,Bx5, типа и конструкции.
| Обозначение | Конструктивные особенности | Внутренний (d) | Наружный (D) | Ширина (B) |
|---|---|---|---|---|
| 5-640095-К | Шариковый радиальный однорядный подшипник. «Замок» (скос) на внутреннем кольце плюс массивный сепаратор из текстолита. | 5.00 | 13.00 | 4.00 |
| 5-640095-У | Шариковый радиальный однорядный подшипник. Дополнительные технические требования. | 5.00 | 13.00 | 4.00 |
| 5-740063 К | Шариковый радиальный однорядный подшипник. «Замок» (скос) на внутреннем кольце плюс массивный сепаратор из текстолита. | 3.00 | 12.00 | 4.00 |
| 5-80024 С1 | Шариковый радиальный однорядный подшипник. Смазка ОКБ 122-7. | 4.00 | 13.00 | 5.00 |
| 5-80024 ЮТ | Шариковый радиальный однорядный подшипник. Температура отпуска. 160°. Все детали или часть деталей из нержавеющей стали.. | 4.00 | 13.00 | 5.00 |
| 5-80024 ЮТС2 | Шариковый радиальный однорядный подшипник. Температура отпуска. 160°. Все детали или часть деталей из нержавеющей стали.. Смазка ЦИАТИМ-221. | 4.00 | 13.00 | 5.00 |
| 5-80024 ЮТС21 | Шариковый радиальный однорядный подшипник. Температура отпуска. 160°. Смазка ЭРА. Все детали или часть деталей из нержавеющей стали.. | 4.00 | 13.00 | 5.00 |
| 6-1000095 К | Шариковый радиальный однорядный подшипник. «Замок» (скос) на внутреннем кольце плюс массивный сепаратор из текстолита. | 5.00 | 13.00 | 4.00 |
| 6-1000095 Ю | Шариковый радиальный однорядный подшипник. Все детали или часть деталей из нержавеющей стали.. | 5.00 | 13.00 | 4.00 |
| 6-1000095 Ю2Т | Шариковый радиальный однорядный подшипник. Температура отпуска. 160°. Все детали или часть деталей из нержавеющей стали.. | 5.00 | 13.00 | 4.00 |
| 6-1000095 ЮТ | Шариковый радиальный однорядный подшипник. Температура отпуска. 160°. Все детали или часть деталей из нержавеющей стали.. | 5.00 | 13.00 | 4.00 |
| 6-1000095 Я | Шариковый радиальный однорядный подшипник. Детали (кольца. | 5.00 | 13.00 | 4.00 |
| 6-1000095 Я1 | Шариковый радиальный однорядный подшипник. Детали (кольца. | 5.00 | 13.00 | 4.00 |
| 6-1006095 Е | Шариковый радиально-упорный однорядный подшипник. Сепаратор из текстолита.. | 5.00 | 13.00 | 4.00 |
| 6-1008094 Б | Шариковый упорный однорядный подшипник. Сепаратор из безоловянистой бронзы.. | 4.00 | 12.00 | 6.00 |
Способы доставки
Отправка через ведущие транспортные и курьерские компании: ПЭК, Деловые Линии, СДЭК, Байкал-Сервис, Энергия, КИТ, ЖелДорЭкспедиция.
Самовывоз возможен напрямую со склада в Москве.
Сроки доставки
Срок зависит от региона и выбранной транспортной компании. Все заказы комплектуются и отправляются в кратчайшие сроки со склада в Москве.
Надёжность и сохранность
Вся продукция упаковывается с учётом требований транспортировки. Мы гарантируем, что подшипники и комплектующие прибудут к заказчику в полной сохранности.
Доставка в страны ЕАЭС
Мы работаем с проверенными логистическими партнёрами, что позволяет оперативно доставлять заказы в Беларусь, Казахстан, Армению и другие страны ЕАЭС.
Варианты оплаты:
Минимальная сумма заказа и скидки:
Документы и гарантии:
Да, конечно! Наши технические специалисты готовы помочь вам с подбором точного аналога или замены подшипника. Просто позвоните нам по телефону +7 (495) 104-99-04 или напишите на почту zakaz@podsnab.ru.
Для оперативной консультации подготовьте, пожалуйста, имеющиеся данные: маркировку, размеры, тип оборудования или артикул старого подшипника.
Да, конечно! Мы высоко ценим долгосрочное сотрудничество и доверие клиентов по всей России. Для постоянных клиентов действует персональная система скидок.
Условия формируются индивидуально и зависят от:
Чтобы узнать свои условия и получить максимально выгодное предложение, свяжитесь с персональным менеджером или напишите нам на почту zakaz@podsnab.ru.
Вы можете оформить заказ несколькими способами:
Для оформления заказа от юридического лица свяжитесь с нашим отделом по работе с корпоративными клиентами по телефону +7 (495) 104-99-04 или напишите на email zakaz@podsnab.ru, прикрепив реквизиты вашей организации.
Мы оперативно подготовим коммерческое предложение и выставим счет.
Возврат товара надлежащего качества возможен в течение 10 дней с момента получения, если товар не был в употреблении, сохранен товарный вид, упаковка не вскрывалась и присутствуют все сопроводительные документы.
Возврат денежных средств осуществляется в течение 10 рабочих дней после проверки товара складом.
В соответствии с законодательством возврату не подлежат подшипники надлежащего качества, если отсутствует оригинальная упаковка или имеются следы монтажа.
В случае выявления брака или гарантийного случая мы гарантируем возврат или обмен товара.
Да, гарантийный срок хранения устанавливается заводом-изготовителем и в среднем составляет 2 года при соблюдении условий хранения: сухое помещение, оригинальная упаковка и смазка.
Точный срок для конкретного типа подшипника уточняйте у наших менеджеров.
Пн–Пт: с 8:00 до 17:00 (МСК).
Сб–Вс: выходные дни.
Заказы на сайте принимаются круглосуточно. Заявки, поступившие после окончания рабочего дня, обрабатываются на следующий рабочий день.
Минимальная сумма заказа для доставки составляет 3000 рублей. Самовывоз со склада возможен на любую сумму при наличии товара.
ООО «УралТехГрупп»
ИНН: 7415093830
КПП: 772401001
ОГРН: 1167456069021
Банк: ПАО Сбербанк
Р/с: 40702810838000475273
К/с: 30101810400000000225
БИК: 044525225
У подшипника R1340 ZZ пока нет отзывов. Вы можете стать первым покупателем, поделившимся своим мнением.