Поиск подшипника
Статьи
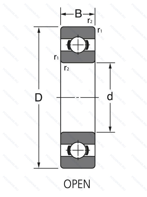
SS6910 — Подшипник однорядный шариковый радиальный, основное исполнение, производство NIS.
Размер подшипника: 50x72x12 мм.
Материал: Нержавеющая сталь.
Международная стандартизации ISO
SS6910
В наличии
| Обозначение | Конструктивные изменения |
|---|---|
| SS6910 2RS | Резиновые уплотнения с каждой стороны подшипника. |
| SS6910ZZ | Защитные металлические шайбы с обеих сторон. |
Модификации шарикового подшипника SS6910 — это измененное основное конструктивное исполнение SS6910, основные размеры (50x72x12) не отличаются.
| Обозначение | Гост | Конструктивные особенности |
|---|---|---|
| 61910TNH | ISO | Подшипник с защелкиваемым сепаратором из пластмассы. |
| 9310K | ISO | Conrad (Non-Filling Slot) Type. |
| 6910C3 | ISO | Внутренний зазор больше нормального. |
| 6910LLU/5K | ISO | Резиновые уплотнения с каждой стороны подшипника. Grease/ Kyodo Yushi / Multemp SRL (-40°C to +150°C). |
| 6910 2RU | ISO | Non Contact Type Friction Torque = Small High Speed Performance = Good Grease Sealing = Better Than ZZ-Type Dirt Resistance = Better Than ZZ-Type Water Resistance = Better Than ZZ / Inferior To 2RS Operating Temp. -30°C To + 100°C. |
| 6910LLU/2AS | ISO | Резиновые уплотнения с каждой стороны подшипника. LUBRICANT. SHELL OIL CO.. ALVANIA #2 GREASE. MIL-G-18709A. |
| 6910LLU | ISO | Резиновые уплотнения с каждой стороны подшипника. |
| 6910DDU | ISO | Резиновые уплотнения с каждой стороны подшипника. |
| 1910S | ISO | Single Row Radial Conrad-Type Bearings. |
| 6910ZZ Y | ISO | Защитные металлические шайбы с обеих сторон. Штампованный латунный фиксатор. Направляемые элементы качения. |
| 61910LLU | ISO | Резиновые уплотнения с каждой стороны подшипника. |
| 6910ZZ C3 | ISO | Внутренний зазор больше нормального. Защитные стальные шайбы с обеих сторон. |
| 6910Z | ISO | щит из листовой прессованной стали с одной стороны подшипника. |
| 6910CM | ISO | Шариковый подшипник. Специальный радиальный внутренний зазор для электродвигателей. |
| 6910DDU C3 | ISO | Внутренний зазор больше нормального. Резиновые уплотнения с каждой стороны подшипника. |
| 6910ZZ NR | ISO | Защитные металлические шайбы с обеих сторон. Канавка под стопорное кольцо на наружном кольце с соответствующим стопорным кольцом. |
| 6910UG | ISO | Канавки на внутренней стороне наружного кольца. |
| 61910-2Z-C3 | ISO | Внутренний зазор больше нормального. Защитные стальные шайбы с обеих сторон. |
| 61910 2NSE | ISO | Резиновые уплотнения с каждой стороны подшипника. |
| 6910ZZ CM | ISO | Два боковых защитных уплотнения. Шариковый подшипник. Специальный радиальный внутренний зазор для электродвигателей. |
Аналог шарикового подшипника SS6910 — это подшипник такого же размера dx50,Dx72,Bx12, типа и конструкции.
| Обозначение | Конструктивные особенности | Внутренний (d) | Наружный (D) | Ширина (B) |
|---|---|---|---|---|
| 6910L11-H-20 | Шариковый радиальный однорядный подшипник. Pressed Snap-Type Steel Cage. Hardened. Distance Between Beginning Of The Rail And First Hole In MM. Molded Oil™ General Use. | 50.00 | 72.00 | 12.00 |
| 6910L11-H-20ZZ | Шариковый радиальный однорядный подшипник. Pressed Snap-Type Steel Cage. Hardened. Molded Oil™ General Use. | 50.00 | 72.00 | 12.00 |
| 6910L11-H-20DDU | Шариковый радиальный однорядный подшипник. Pressed Snap-Type Steel Cage. Hardened. Molded Oil™ General Use. | 50.00 | 72.00 | 12.00 |
| 6910VV | Шариковый радиальный однорядный подшипник. Защитные металлические шайбы. с обеих сторон подшипника. Бесконтактное уплотнение. (лучше. чем ZZ. Можно использовать в умеренно запыленной среде). | 50.00 | 72.00 | 12.00 |
| 6910L11 | Шариковый радиальный однорядный подшипник. Molded Oil™ General Use. | 50.00 | 72.00 | 12.00 |
| 6910LLB | Шариковый радиальный однорядный подшипник. Уплотнение бесконтактного типа из синтетического каучука. | 50.00 | 72.00 | 12.00 |
| W 61910 R-2Z | Шариковый радиальный однорядный подшипник. Защитные металлические шайбы с обеих сторон подшипника. Нержавеющая сталь. С выпуклыми асимметричными роликами и обработанным сепаратором. | 50.00 | 72.00 | 12.00 |
| AB40320 | Шариковый радиальный однорядный подшипник. Однорядный радиально-упорный шариковый подшипник с полиамидным сепаратором. | 50.00 | 72.00 | 13.00 |
| 3NC HAR910C FT | Шариковый радиальный однорядный подшипник. Угол контакта 20 градусов. REINFORCED PHENOLIC CAGE. | 50.00 | 72.00 | 12.00 |
| 3NCHAC910CA | Шариковый радиальный однорядный подшипник. Угол контакта 20 градусов. Латунный сепаратор с симметричными роликами. | 50.00 | 72.00 | 12.00 |
| 3NCHAC910C | Шариковый радиальный однорядный подшипник. Угол контакта 20 градусов. | 50.00 | 72.00 | 12.00 |
| 3NCHAF910CA | Шариковый радиальный однорядный подшипник. Угол контакта 20 градусов. Латунный сепаратор с симметричными роликами. | 50.00 | 72.00 | 12.00 |
| 3NCHAR910 | Шариковый радиальный однорядный подшипник. Угол контакта 20 градусов. | 50.00 | 72.00 | 12.00 |
| 3NCHAR910C | Шариковый радиальный однорядный подшипник. Угол контакта 20 градусов. | 50.00 | 72.00 | 12.00 |
| 3NCHAR910CA | Шариковый радиальный однорядный подшипник. Угол контакта 20 градусов. Латунный сепаратор с симметричными роликами. | 50.00 | 72.00 | 12.00 |
Способы доставки
Отправка через ведущие транспортные и курьерские компании: ПЭК, Деловые Линии, СДЭК, Байкал-Сервис, Энергия, КИТ, ЖелДорЭкспедиция.
Самовывоз возможен напрямую со склада в Москве.
Сроки доставки
Срок зависит от региона и выбранной транспортной компании. Все заказы комплектуются и отправляются в кратчайшие сроки со склада в Москве.
Надёжность и сохранность
Вся продукция упаковывается с учётом требований транспортировки. Мы гарантируем, что подшипники и комплектующие прибудут к заказчику в полной сохранности.
Доставка в страны ЕАЭС
Мы работаем с проверенными логистическими партнёрами, что позволяет оперативно доставлять заказы в Беларусь, Казахстан, Армению и другие страны ЕАЭС.
Варианты оплаты:
Минимальная сумма заказа и скидки:
Документы и гарантии:
Да, конечно! Наши технические специалисты готовы помочь вам с подбором точного аналога или замены подшипника. Просто позвоните нам по телефону +7 (495) 104-99-04 или напишите на почту zakaz@podsnab.ru.
Для оперативной консультации подготовьте, пожалуйста, имеющиеся данные: маркировку, размеры, тип оборудования или артикул старого подшипника.
Да, конечно! Мы высоко ценим долгосрочное сотрудничество и доверие клиентов по всей России. Для постоянных клиентов действует персональная система скидок.
Условия формируются индивидуально и зависят от:
Чтобы узнать свои условия и получить максимально выгодное предложение, свяжитесь с персональным менеджером или напишите нам на почту zakaz@podsnab.ru.
Вы можете оформить заказ несколькими способами:
Для оформления заказа от юридического лица свяжитесь с нашим отделом по работе с корпоративными клиентами по телефону +7 (495) 104-99-04 или напишите на email zakaz@podsnab.ru, прикрепив реквизиты вашей организации.
Мы оперативно подготовим коммерческое предложение и выставим счет.
Возврат товара надлежащего качества возможен в течение 10 дней с момента получения, если товар не был в употреблении, сохранен товарный вид, упаковка не вскрывалась и присутствуют все сопроводительные документы.
Возврат денежных средств осуществляется в течение 10 рабочих дней после проверки товара складом.
В соответствии с законодательством возврату не подлежат подшипники надлежащего качества, если отсутствует оригинальная упаковка или имеются следы монтажа.
В случае выявления брака или гарантийного случая мы гарантируем возврат или обмен товара.
Да, гарантийный срок хранения устанавливается заводом-изготовителем и в среднем составляет 2 года при соблюдении условий хранения: сухое помещение, оригинальная упаковка и смазка.
Точный срок для конкретного типа подшипника уточняйте у наших менеджеров.
Пн–Пт: с 8:00 до 17:00 (МСК).
Сб–Вс: выходные дни.
Заказы на сайте принимаются круглосуточно. Заявки, поступившие после окончания рабочего дня, обрабатываются на следующий рабочий день.
Минимальная сумма заказа для доставки составляет 3000 рублей. Самовывоз со склада возможен на любую сумму при наличии товара.
ООО «УралТехГрупп»
ИНН: 7415093830
КПП: 772401001
ОГРН: 1167456069021
Банк: ПАО Сбербанк
Р/с: 40702810838000475273
К/с: 30101810400000000225
БИК: 044525225
У подшипника SS6910 пока нет отзывов. Вы можете стать первым покупателем, поделившимся своим мнением.