Поиск подшипника
Статьи
61900 — Подшипник однорядный шариковый радиальный, основное исполнение, выпускается производителями: AKN, CCVI, CHINA, CRAFT, CX, ELGES, FAG, FELSTROM, INA, ISB, ISO, KOYO, NEUTRAL, NKE, SAPPORO, SKF, ZEN.
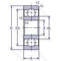
Размер подшипника: 10x22x6 мм.
Альтернативное обозначение: 61900-HLC.
Аналоги: 61900 INA,61900-HLU INA,61900-HLC FAG,61900 SKF,6900 Koyo,6900 NSK,6900CM NSK,6900 LYC,AY10 ADR,61900 Neutral.
Международная стандартизации ISO
61900
В наличии
| Обозначение | Конструктивные изменения |
|---|---|
| 61900RS | Резиновое уплотнение с одной стороны. |
| 61900Y | Штампованный латунный фиксатор. Направляемые элементы качения. |
| 61900 2RU | Non Contact Type Friction Torque = Small High Speed Performance = Good Grease Sealing = Better Than ZZ-Type Dirt Resistance = Better Than ZZ-Type Water Resistance = Better Than ZZ / Inferior To 2RS Operating Temp. -30°C To + 100°C. |
| 61900ZZC3 | Внутренний зазор больше нормального. Защитные стальные шайбы с обеих сторон. |
| 61900-2Z-HLU | Зазорные уплотнения с обеих сторон подшипника.. Код местонахождения завода. может использоваться в стандартной комплектации. |
| 61900H ZZ | Защитные металлические шайбы с обеих сторон. Нержавеющая сталь. |
| 61900H | Нержавеющая сталь. |
| 61900HLU | Код местонахождения завода. может использоваться в стандартной комплектации. |
| 61900E G15 | Шарикоподшипник. Стандартное одиночное уплотнение. Литой сепаратор из полиамида 6.6. армированного стекловолокном. Элемент качения по центру. |
| 61900T9H | Glass-Fibre Reinforced (25%) Thermoplastic Polyamide PA 6.6. 1-Piece. Operating Temperature 120°C. |
| 61900-2RSR | Резиновые уплотнения с каждой стороны подшипника. |
| 61900-2RZ-HLC | Шарикоподшипник. С уплотнением и низким коэффициентом трения с обеих сторон. Уплотнение состоит из шайбы из листовой стали с вулканизированной резиной. Код местонахождения завода. может использоваться в стандартной комплектации. |
| 61900-2Z-L077/20-HLN- | Защитные металлические шайбы с обеих сторон. High Temperature Grease For High Loads. -40 To +260°. Fill Factor %. Код местонахождения завода. может использоваться в стандартной комплектации. |
| 61900-H-2RSR | Стандартное качество. Резиновые уплотнения с каждой стороны подшипника. |
| 61900-2Z-VA | Защитные металлические шайбы с обеих сторон подшипника. Нержавеющая сталь. |
| W 61900-2RS1 | Усиленные листовой сталью контактные уплотнения из акрилонитрил-бутадиенового каучука (NBR) с обеих сторон подшипника. Нержавеющая сталь. |
| W 61900-2RZ | Шарикоподшипник. С уплотнением и низким коэффициентом трения с обеих сторон. Уплотнение состоит из шайбы из листовой стали с вулканизированной резиной. Нержавеющая сталь. |
| 61900 2BRS | Бесконтактные лабиринтные уплотнения с обеих сторон. |
| 61900 2URS | Специальное манжетное уплотнение с обеих сторон подшипника. |
| 61900 BRS | Бесконтактные лабиринтные уплотнения с одной стороны. |
| 61900 Z | щит из листовой прессованной стали с одной стороны подшипника. |
| W 61900 R-2Z | Защитные металлические шайбы с обеих сторон подшипника. Нержавеющая сталь. С выпуклыми асимметричными роликами и обработанным сепаратором. |
| W 61900 R | Нержавеющая сталь. С выпуклыми асимметричными роликами и обработанным сепаратором. |
| W 61900 R-2RS1 | Усиленные листовой сталью контактные уплотнения из акрилонитрил-бутадиенового каучука (NBR) с обеих сторон подшипника. Нержавеющая сталь. С выпуклыми асимметричными роликами и обработанным сепаратором. |
| 61900-Z.T9H.C3 | Внутренний зазор больше нормального. щит из листовой прессованной стали с одной стороны подшипника. Защелкивающийся сепаратор. Усиленный стекловолокном полиамид. Шариковые тела качения. |
Модификации шарикового подшипника 61900 — это измененное основное конструктивное исполнение 61900, основные размеры (10x22x6) не отличаются.
| Обозначение | Гост | Конструктивные особенности |
|---|---|---|
| 6900 | ISO | Подшипник однорядный шариковый радиальный. |
| 6900VV AV2S | ISO | Lubricant. Shell Oil Co.. Alvania #2 Grease. 1/4 Full. Temperature Range = -10°C / + 110°C (Normal Temperature Grease). Защитные металлические шайбы. с обеих сторон подшипника. Бесконтактное уплотнение. (лучше. чем ZZ. Можно использовать в умеренно запыленной среде). |
| 6900DDC3 EA3S | ISO | Стандартное заполнение. Внутренний зазор больше нормального. Контактное уплотнение с двух сторон. Working Temperature Range/ -40°C / +150°C. |
| 6900LLU | ISO | Резиновые уплотнения с каждой стороны подшипника. |
| 6900ZZ AV2 | ISO | Защитные металлические шайбы с обеих сторон. Lubricant. Shell Oil Co.. Alvania #2 Grease. 1/4 Full. Temperature Range = -10°C / + 110°C (Normal Temperature Grease). |
| 21481-01 | ISO | Design. |
| 400-6 | ISO | Exxon Aviation Instrument Oil. |
| 1900S | ISO | Single Row Radial Conrad-Type Bearings. |
| 1900SZZ | ISO | Однорядный радиальный подшипник. С двумя уплотнениями. |
| 6900DD NS7S | ISO | Стандартное заполнение. Резиновые уплотнения с каждой стороны подшипника. NS Hi Lube Grease. (NS7/ Inside With Grease. Up Than 35%. Temperature Resistance -40°C To +140°C). |
| 6900ZZV2L21 | ISO | Защитные металлические шайбы с обеих сторон. Designation For Noise Value. |
| S3KD Z1 | ISO | Металлическая защитная шайба с одной стороны. Conrad (Non-Filling Slot) Type. One Stainless Steel Shield. |
| 6900VV CM P5 | ISO | Размерная и рабочая точность соответствует классу допуска ISO 5. Шариковый подшипник. Специальный радиальный внутренний зазор для электродвигателей. Защитные металлические шайбы. с обеих сторон подшипника. Бесконтактное уплотнение. (лучше. чем ZZ. Можно использовать в умеренно запыленной среде). |
| EE3RS | ISO | One Seal. Buna-N Rubber. |
| 6900VV | ISO | Защитные металлические шайбы. с обеих сторон подшипника. Бесконтактное уплотнение. (лучше. чем ZZ. Можно использовать в умеренно запыленной среде). |
| F63800 2RS SRL | ISO | Резиновые уплотнения с каждой стороны подшипника. Multemp SRL Grease. - 40° + 150° Celsius. |
| 3/8/002-2Z GPR Y | ISO | Защитные металлические шайбы с обеих сторон. Подшипник с сепаратором из латуни центрированный по телам качения. Испытание на шум. |
| 609ZZD22 | ISO | Защитные металлические шайбы с обеих сторон. Outer Diameter Is 22mm. |
| 6900LLU/5K | ISO | Резиновые уплотнения с каждой стороны подшипника. Grease/ Kyodo Yushi / Multemp SRL (-40°C to +150°C). |
| 6900ZZ NR | ISO | Защитные металлические шайбы с обеих сторон. Канавка под стопорное кольцо на наружном кольце с соответствующим стопорным кольцом. |
| 6900T1XDDWC4E EA3K | ISO | Внутренний зазор подшипника больше. чем C3. Шарикоподшипник. Однорядный электродвигатель. Уровень шума. Полиамидный фиксатор. Working Temperature Range/ -40°C / +150°C. Двойное резиновые уплотнения со сверхлегким контактов. метрические радиальные шарикоподшипники малого диаметра. |
| 6900 | ГОСТ | Подшипник однорядный шариковый радиальный. |
Аналог шарикового подшипника 61900 — это подшипник такого же размера dx10,Dx22,Bx6, типа и конструкции.
| Обозначение | Конструктивные особенности | Внутренний (d) | Наружный (D) | Ширина (B) |
|---|---|---|---|---|
| 3NCHAC900C | Шариковый радиальный однорядный подшипник. Угол контакта 20 градусов. | 10.00 | 22.00 | 6.00 |
| 06-1000900 ЮТ | Шариковый радиальный однорядный подшипник. Температура отпуска. 160°. Все детали или часть деталей из нержавеющей стали.. | 10.00 | 22.00 | 6.00 |
| 06-1000900 ЮТП | Шариковый радиальный однорядный подшипник. Температура отпуска. 160°. Все детали или часть деталей из нержавеющей стали.. | 10.00 | 22.00 | 6.00 |
| 1000900-ZZ | Шариковый радиальный однорядный подшипник. Защитные металлические шайбы с обеих сторон. | 10.00 | 22.00 | 6.00 |
| 1000900-Л | Шариковый радиальный однорядный подшипник. Сепаратор из латуни.. | 10.00 | 22.00 | 6.00 |
| 1000900.2RS | Шариковый радиальный однорядный подшипник. Резиновые уплотнения с каждой стороны подшипника. | 10.00 | 22.00 | 6.00 |
| 126-1000900-ЮТ | Шариковый радиальный однорядный подшипник. Температура отпуска. 160°. Все детали или часть деталей из нержавеющей стали.. | 10.00 | 22.00 | 6.00 |
| 25-1000900 ЮТ | Шариковый радиальный однорядный подшипник. Температура отпуска. 160°. Все детали или часть деталей из нержавеющей стали.. | 10.00 | 22.00 | 6.00 |
| 4-1000900 ЮТ | Шариковый радиальный однорядный подшипник. Температура отпуска. 160°. Все детали или часть деталей из нержавеющей стали.. | 10.00 | 22.00 | 6.00 |
| 4-80089 КС1 | Шариковый радиальный однорядный подшипник. «Замок» (скос) на внутреннем кольце плюс массивный сепаратор из текстолита. Смазка ОКБ 122-7. | 9.00 | 22.00 | 7.00 |
| 4-880089 КС1 | Шариковый радиальный однорядный подшипник. «Замок» (скос) на внутреннем кольце плюс массивный сепаратор из текстолита. Смазка ОКБ 122-7. | 9.00 | 22.00 | 7.00 |
| 5-1000900 ЮТ | Шариковый радиальный однорядный подшипник. Температура отпуска. 160°. Все детали или часть деталей из нержавеющей стали.. | 10.00 | 22.00 | 6.00 |
| 5-1000900 ЮУТ | Шариковый радиальный однорядный подшипник. Дополнительные технические требования. Температура отпуска. 160°. Все детали или часть деталей из нержавеющей стали.. | 10.00 | 22.00 | 6.00 |
| 6-1000900 Ю1Т | Шариковый радиальный однорядный подшипник. Температура отпуска. 160°. Все детали или часть деталей из нержавеющей стали.. | 10.00 | 22.00 | 6.00 |
| 6-1000900 ЮТ | Шариковый радиальный однорядный подшипник. Температура отпуска. 160°. Все детали или часть деталей из нержавеющей стали.. | 10.00 | 22.00 | 6.00 |
Способы доставки
Отправка через ведущие транспортные и курьерские компании: ПЭК, Деловые Линии, СДЭК, Байкал-Сервис, Энергия, КИТ, ЖелДорЭкспедиция.
Самовывоз возможен напрямую со склада в Москве.
Сроки доставки
Срок зависит от региона и выбранной транспортной компании. Все заказы комплектуются и отправляются в кратчайшие сроки со склада в Москве.
Надёжность и сохранность
Вся продукция упаковывается с учётом требований транспортировки. Мы гарантируем, что подшипники и комплектующие прибудут к заказчику в полной сохранности.
Доставка в страны ЕАЭС
Мы работаем с проверенными логистическими партнёрами, что позволяет оперативно доставлять заказы в Беларусь, Казахстан, Армению и другие страны ЕАЭС.
Варианты оплаты:
Минимальная сумма заказа и скидки:
Документы и гарантии:
Да, конечно! Наши технические специалисты готовы помочь вам с подбором точного аналога или замены подшипника. Просто позвоните нам по телефону +7 (495) 104-99-04 или напишите на почту zakaz@podsnab.ru.
Для оперативной консультации подготовьте, пожалуйста, имеющиеся данные: маркировку, размеры, тип оборудования или артикул старого подшипника.
Да, конечно! Мы высоко ценим долгосрочное сотрудничество и доверие клиентов по всей России. Для постоянных клиентов действует персональная система скидок.
Условия формируются индивидуально и зависят от:
Чтобы узнать свои условия и получить максимально выгодное предложение, свяжитесь с персональным менеджером или напишите нам на почту zakaz@podsnab.ru.
Вы можете оформить заказ несколькими способами:
Для оформления заказа от юридического лица свяжитесь с нашим отделом по работе с корпоративными клиентами по телефону +7 (495) 104-99-04 или напишите на email zakaz@podsnab.ru, прикрепив реквизиты вашей организации.
Мы оперативно подготовим коммерческое предложение и выставим счет.
Возврат товара надлежащего качества возможен в течение 10 дней с момента получения, если товар не был в употреблении, сохранен товарный вид, упаковка не вскрывалась и присутствуют все сопроводительные документы.
Возврат денежных средств осуществляется в течение 10 рабочих дней после проверки товара складом.
В соответствии с законодательством возврату не подлежат подшипники надлежащего качества, если отсутствует оригинальная упаковка или имеются следы монтажа.
В случае выявления брака или гарантийного случая мы гарантируем возврат или обмен товара.
Да, гарантийный срок хранения устанавливается заводом-изготовителем и в среднем составляет 2 года при соблюдении условий хранения: сухое помещение, оригинальная упаковка и смазка.
Точный срок для конкретного типа подшипника уточняйте у наших менеджеров.
Пн–Пт: с 8:00 до 17:00 (МСК).
Сб–Вс: выходные дни.
Заказы на сайте принимаются круглосуточно. Заявки, поступившие после окончания рабочего дня, обрабатываются на следующий рабочий день.
Минимальная сумма заказа для доставки составляет 3000 рублей. Самовывоз со склада возможен на любую сумму при наличии товара.
ООО «УралТехГрупп»
ИНН: 7415093830
КПП: 772401001
ОГРН: 1167456069021
Банк: ПАО Сбербанк
Р/с: 40702810838000475273
К/с: 30101810400000000225
БИК: 044525225
У подшипника 61900 пока нет отзывов. Вы можете стать первым покупателем, поделившимся своим мнением.