Поиск подшипника
Статьи
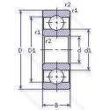
126-1000900-ЮТ — Шариковый радиальный однорядный подшипник, модификация основного исполнения 126, производство ГПЗ.
Размер подшипника: 10x22x6 мм.
160°, температура отпуска, все детали или часть деталей из нержавеющей стали.
Государственный стандарт ГОСТ
1261000900ЮТ
В наличии
| Обозначение | Конструктивные изменения |
|---|---|
| 76-126 Т | Температура отпуска. 160°. |
| 6-126-АЛШ1 | Сепаратор из латуни.. Повышенная грузоподъемность. Нормы шумности. |
| 6-126-АЛШ | Сепаратор из латуни.. Повышенная грузоподъемность. Нормы шумности. |
| 6-126-АШ1 | Повышенная грузоподъемность. Нормы шумности. |
| 6-126-АШ | Повышенная грузоподъемность. Нормы шумности. |
| 6-126-Ш | Нормы шумности. |
| 76126 | Шариковый радиальный однорядный подшипник. |
| 126 | Шариковый радиальный однорядный подшипник. Основное конструктивное исполнение. |
| 126-АЛ | Сепаратор из латуни.. Повышенная грузоподъемность. |
| 126-Л | Сепаратор из латуни.. |
| 6126 | Шариковый радиальный однорядный подшипник. |
| 6-126-Л | Сепаратор из латуни.. |
Модификации шарикового подшипника 126-1000900-ЮТ — это измененное основное конструктивное исполнение 126, основные размеры (10x22x6) не отличаются.
| Обозначение | Гост | Конструктивные особенности |
|---|---|---|
| P6900-SB | ISO | Double Row. Angular Contact. Non-Filling Notch Bearing. With Outwardly Convergent Угол контактаs. Rigid Design. |
| SF61900-2RS | ISO | Резиновые уплотнения с каждой стороны подшипника. |
| SF61900-2Z | ISO | Защитные металлические шайбы с обеих сторон подшипника. |
| 61900-Z.T9H.C3 | ISO | Внутренний зазор больше нормального. щит из листовой прессованной стали с одной стороны подшипника. Защелкивающийся сепаратор. Усиленный стекловолокном полиамид. Шариковые тела качения. |
| F61900-2Z | ISO | Защитные металлические шайбы с обеих сторон подшипника. |
| 3NCHAC900CA | ISO | Угол контакта 20 градусов. Латунный сепаратор с симметричными роликами. |
| 3NCHAC900C | ISO | Угол контакта 20 градусов. |
| 06-1000900 ЮТ | ГОСТ | Температура отпуска. 160°. Все детали или часть деталей из нержавеющей стали.. |
| 06-1000900 ЮТП | ГОСТ | Температура отпуска. 160°. Все детали или часть деталей из нержавеющей стали.. |
| 1000900-ZZ | ГОСТ | Защитные металлические шайбы с обеих сторон. |
| 1000900-Л | ГОСТ | Сепаратор из латуни.. |
| 1000900.2RS | ГОСТ | Резиновые уплотнения с каждой стороны подшипника. |
| 25-1000900 ЮТ | ГОСТ | Температура отпуска. 160°. Все детали или часть деталей из нержавеющей стали.. |
| 4-1000900 ЮТ | ГОСТ | Температура отпуска. 160°. Все детали или часть деталей из нержавеющей стали.. |
| 4-80089 КС1 | ГОСТ | «Замок» (скос) на внутреннем кольце плюс массивный сепаратор из текстолита. Смазка ОКБ 122-7. |
| 4-880089 КС1 | ГОСТ | «Замок» (скос) на внутреннем кольце плюс массивный сепаратор из текстолита. Смазка ОКБ 122-7. |
| 5-1000900 ЮТ | ГОСТ | Температура отпуска. 160°. Все детали или часть деталей из нержавеющей стали.. |
| 5-1000900 ЮУТ | ГОСТ | Дополнительные технические требования. Температура отпуска. 160°. Все детали или часть деталей из нержавеющей стали.. |
| 6-1000900 Ю1Т | ГОСТ | Температура отпуска. 160°. Все детали или часть деталей из нержавеющей стали.. |
| 6-1000900 ЮТ | ГОСТ | Температура отпуска. 160°. Все детали или часть деталей из нержавеющей стали.. |
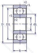
Аналог шарикового подшипника 126-1000900-ЮТ — это подшипник такого же размера dx10,Dx22,Bx6, типа и конструкции.
| Обозначение | Конструктивные особенности | Внутренний (d) | Наружный (D) | Ширина (B) |
|---|---|---|---|---|
| ML71900CVUJ74S | Шариковый радиально-упорный однорядный подшипник. Угол контакта 15°. Универсальные подшпники. Высокопрецизионные радиально-упорные подшипники с высокой скоростью вращения. Преднатяг (Лёгкий. | 10.00 | 22.00 | 6.00 |
| MLE71900CVUJ74S | Шариковый радиально-упорный однорядный подшипник. Угол контакта 15°. Универсальные подшпники. Преднатяг (Лёгкий. Высокопрецизионные радиально-упорные подшипники с высокой скоростью вращения с бесконтактным уплотнением с обеих сторон. | 10.00 | 22.00 | 6.00 |
| 71900 C | Шариковый радиально-упорный однорядный подшипник. 15° Угол контакта. | 10.00 | 22.00 | 6.00 |
| HSS71900-E-T-P4S | Шариковый радиально-упорный однорядный подшипник. Повышенная грузоподъемность. Textile Laminated Phenolic Resin. Outer Ring Guided. The Cage Is Suitable For Long-Term Operation At Temperatures Up To 100°C. Класс точности. стандарт FAG лучше чем P4. | 10.00 | 22.00 | 6.00 |
| 71900 A | Шариковый радиально-упорный однорядный подшипник. Двухрядный радиально-упорный шарикоподшипник без отверстия для смазки. | 10.00 | 22.00 | 6.00 |
| 7900 C | Шариковый радиально-упорный однорядный подшипник. Угол контакта 15 градусов. | 10.00 | 22.00 | 6.00 |
| 7900CPA | Шариковый радиально-упорный однорядный подшипник. Угол контакта 15 градусов. | 10.00 | 22.00 | 6.00 |
| 7900AC | Шариковый радиально-упорный однорядный подшипник. Суффикс для радиально-упорного шарикоподшипника. | 10.00 | 22.00 | 6.00 |
| 7900 A5 | Шариковый радиально-упорный однорядный подшипник. 25° Угол контакта. | 10.00 | 22.00 | 6.00 |
| 1036900К | Шариковый радиально-упорный однорядный подшипник. «Замок» (скос) на внутреннем кольце плюс массивный сепаратор из текстолита. | 10.00 | 22.00 | 6.00 |
| 1046900К | Шариковый радиально-упорный однорядный подшипник. «Замок» (скос) на внутреннем кольце плюс массивный сепаратор из текстолита. | 10.00 | 22.00 | 6.00 |
| 4-1036900 К | Шариковый радиально-упорный однорядный подшипник. «Замок» (скос) на внутреннем кольце плюс массивный сепаратор из текстолита. | 10.00 | 22.00 | 6.00 |
| W 61900-2RS1 | Шариковый радиальный подшипник. Усиленные листовой сталью контактные уплотнения из акрилонитрил-бутадиенового каучука (NBR) с обеих сторон подшипника. Нержавеющая сталь. | 10.00 | 22.00 | 6.00 |
| W 61900-2RZ | Шариковый радиальный подшипник. Шарикоподшипник. С уплотнением и низким коэффициентом трения с обеих сторон. Уплотнение состоит из шайбы из листовой стали с вулканизированной резиной. Нержавеющая сталь. | 10.00 | 22.00 | 6.00 |
| 6-89 Л | Шариковый радиальный подшипник. Сепаратор из латуни.. | 9.00 | 22.00 | 7.00 |
Способы доставки
Отправка через ведущие транспортные и курьерские компании: ПЭК, Деловые Линии, СДЭК, Байкал-Сервис, Энергия, КИТ, ЖелДорЭкспедиция.
Самовывоз возможен напрямую со склада в Москве.
Сроки доставки
Срок зависит от региона и выбранной транспортной компании. Все заказы комплектуются и отправляются в кратчайшие сроки со склада в Москве.
Надёжность и сохранность
Вся продукция упаковывается с учётом требований транспортировки. Мы гарантируем, что подшипники и комплектующие прибудут к заказчику в полной сохранности.
Доставка в страны ЕАЭС
Мы работаем с проверенными логистическими партнёрами, что позволяет оперативно доставлять заказы в Беларусь, Казахстан, Армению и другие страны ЕАЭС.
Варианты оплаты:
Минимальная сумма заказа и скидки:
Документы и гарантии:
Да, конечно! Наши технические специалисты готовы помочь вам с подбором точного аналога или замены подшипника. Просто позвоните нам по телефону +7 (495) 104-99-04 или напишите на почту zakaz@podsnab.ru.
Для оперативной консультации подготовьте, пожалуйста, имеющиеся данные: маркировку, размеры, тип оборудования или артикул старого подшипника.
Да, конечно! Мы высоко ценим долгосрочное сотрудничество и доверие клиентов по всей России. Для постоянных клиентов действует персональная система скидок.
Условия формируются индивидуально и зависят от:
Чтобы узнать свои условия и получить максимально выгодное предложение, свяжитесь с персональным менеджером или напишите нам на почту zakaz@podsnab.ru.
Вы можете оформить заказ несколькими способами:
Для оформления заказа от юридического лица свяжитесь с нашим отделом по работе с корпоративными клиентами по телефону +7 (495) 104-99-04 или напишите на email zakaz@podsnab.ru, прикрепив реквизиты вашей организации.
Мы оперативно подготовим коммерческое предложение и выставим счет.
Возврат товара надлежащего качества возможен в течение 10 дней с момента получения, если товар не был в употреблении, сохранен товарный вид, упаковка не вскрывалась и присутствуют все сопроводительные документы.
Возврат денежных средств осуществляется в течение 10 рабочих дней после проверки товара складом.
В соответствии с законодательством возврату не подлежат подшипники надлежащего качества, если отсутствует оригинальная упаковка или имеются следы монтажа.
В случае выявления брака или гарантийного случая мы гарантируем возврат или обмен товара.
Да, гарантийный срок хранения устанавливается заводом-изготовителем и в среднем составляет 2 года при соблюдении условий хранения: сухое помещение, оригинальная упаковка и смазка.
Точный срок для конкретного типа подшипника уточняйте у наших менеджеров.
Пн–Пт: с 8:00 до 17:00 (МСК).
Сб–Вс: выходные дни.
Заказы на сайте принимаются круглосуточно. Заявки, поступившие после окончания рабочего дня, обрабатываются на следующий рабочий день.
Минимальная сумма заказа для доставки составляет 3000 рублей. Самовывоз со склада возможен на любую сумму при наличии товара.
ООО «УралТехГрупп»
ИНН: 7415093830
КПП: 772401001
ОГРН: 1167456069021
Банк: ПАО Сбербанк
Р/с: 40702810838000475273
К/с: 30101810400000000225
БИК: 044525225
У подшипника 126-1000900-ЮТ пока нет отзывов. Вы можете стать первым покупателем, поделившимся своим мнением.