Поиск подшипника
Статьи
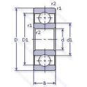
126-АЛ — Шариковый радиальный однорядный подшипник, модификация основного исполнения 126, производство ГПЗ.
Размер подшипника: 130x200x33 мм.
Сепаратор из латуни, повышенная грузоподъемность.
Государственный стандарт ГОСТ
126АЛ
В наличии
| Обозначение | Конструктивные изменения |
|---|---|
| 76-126 Т | Температура отпуска. 160°. |
| 6-126-АЛШ1 | Сепаратор из латуни.. Повышенная грузоподъемность. Нормы шумности. |
| 6-126-АЛШ | Сепаратор из латуни.. Повышенная грузоподъемность. Нормы шумности. |
| 6-126-АШ1 | Повышенная грузоподъемность. Нормы шумности. |
| 6-126-АШ | Повышенная грузоподъемность. Нормы шумности. |
| 6-126-Ш | Нормы шумности. |
| 76126 | Шариковый радиальный однорядный подшипник. |
| 126 | Шариковый радиальный однорядный подшипник. Основное конструктивное исполнение. |
| 126-Л | Сепаратор из латуни.. |
| 126-1000900-ЮТ | Температура отпуска. 160°. Все детали или часть деталей из нержавеющей стали.. |
| 6126 | Шариковый радиальный однорядный подшипник. |
| 6-126-Л | Сепаратор из латуни.. |
Модификации шарикового подшипника 126-АЛ — это измененное основное конструктивное исполнение 126, основные размеры (130x200x33) не отличаются.
| Обозначение | Гост | Конструктивные особенности |
|---|---|---|
| 6-80126-АШ1 | ГОСТ | Повышенная грузоподъемность. Нормы шумности. |
| 6-80126-АШ | ГОСТ | Повышенная грузоподъемность. Нормы шумности. |
| 6-80126-АW24Ш1 | ГОСТ | Повышенная грузоподъемность. Нормы шумности. Смазка пластичная Shell Alvania Greases G2. |
| 6-80126-АW24Ш | ГОСТ | Повышенная грузоподъемность. Нормы шумности. Смазка пластичная Shell Alvania Greases G2. |
| 6026-RS | ISO | Резиновое уплотнение с одной стороны. |
| 6026ZX | ISO | Съемная защитная шайба с одной стороны. |
| 6026-2RU | ISO | Non Contact Type Friction Torque = Small High Speed Performance = Good Grease Sealing = Better Than ZZ-Type Dirt Resistance = Better Than ZZ-Type Water Resistance = Better Than ZZ / Inferior To 2RS Operating Temp. -30°C To + 100°C. |
| 6026ZZX | ISO | Шариковый радиальный однорядный подшипник. |
| 6026N | ISO | Канавка для стопорного кольца на наружном кольце. |
| 6026DDU | ISO | Резиновые уплотнения с каждой стороны подшипника. |
| 6026ZZNR | ISO | Стальная шайба. Канавка и стопорное кольцо на наружном кольце. |
| 6026LLB | ISO | Уплотнение бесконтактного типа из синтетического каучука. |
| 6026LLU | ISO | Контактное резиновое уплотнение с двух сторон. |
| 3NCHAC026CA | ISO | Угол контакта 20 градусов. Латунный сепаратор с симметричными роликами. |
| 3NCHAC026C | ISO | Угол контакта 20 градусов. |
| 3NCHAD026CA | ISO | Угол контакта 20 градусов. Латунный сепаратор с симметричными роликами. |
| 3NCHAR026 | ISO | Угол контакта 20 градусов. |
| 3NCHAR026C | ISO | Угол контакта 20 градусов. |
| 3NCHAR026CA | ISO | Угол контакта 20 градусов. Латунный сепаратор с симметричными роликами. |
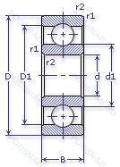
Аналог шарикового подшипника 126-АЛ — это подшипник такого же размера dx130,Dx200,Bx33, типа и конструкции.
| Обозначение | Конструктивные особенности | Внутренний (d) | Наружный (D) | Ширина (B) |
|---|---|---|---|---|
| 46126-Е1 | Шариковый радиально-упорный однорядный подшипник. Сепаратор из текстолита.. | 130.00 | 200.00 | 33.00 |
| 46126-Л | Шариковый радиально-упорный однорядный подшипник. Сепаратор из латуни.. | 130.00 | 200.00 | 33.00 |
| 46126К | Шариковый радиально-упорный однорядный подшипник. «Замок» (скос) на внутреннем кольце плюс массивный сепаратор из текстолита. | 130.00 | 200.00 | 33.00 |
| 5-176126 Р3 | Шариковый радиально-упорный однорядный подшипник. Детали из теплоустойчивой (быстрорежущие) стали.. | 130.00 | 200.00 | 33.00 |
| 5-176126 Р5У | Шариковый радиально-упорный однорядный подшипник. Дополнительные технические требования. Детали из теплоустойчивой (быстрорежущие) стали.. | 130.00 | 200.00 | 33.00 |
| 5-176126 Р6У | Шариковый радиально-упорный однорядный подшипник. Дополнительные технические требования. Детали из теплоустойчивой (быстрорежущие) стали.. | 130.00 | 200.00 | 33.00 |
| 5-1761266 Р7У | Шариковый радиально-упорный однорядный подшипник. Дополнительные технические требования. Детали из теплоустойчивой (быстрорежущие) стали.. | 130.00 | 200.00 | 33.00 |
| 5-32126 Р1 | Роликовый радиальный однорядный подшипник. Детали из теплоустойчивой (быстрорежущие) стали.. | 130.00 | 200.00 | 33.00 |
| 5-36126 Е1 | Шариковый радиально-упорный однорядный подшипник. Сепаратор из текстолита.. | 130.00 | 200.00 | 33.00 |
| 5-36126 К | Шариковый радиально-упорный однорядный подшипник. «Замок» (скос) на внутреннем кольце плюс массивный сепаратор из текстолита. | 130.00 | 200.00 | 33.00 |
| 5-46126 Е | Шариковый радиально-упорный однорядный подшипник. Сепаратор из текстолита.. | 130.00 | 200.00 | 33.00 |
| 5-46126 К | Шариковый радиально-упорный однорядный подшипник. «Замок» (скос) на внутреннем кольце плюс массивный сепаратор из текстолита. | 130.00 | 200.00 | 33.00 |
| 5-46126 Л | Шариковый радиально-упорный однорядный подшипник. Сепаратор из латуни.. | 130.00 | 200.00 | 33.00 |
| 56-32126 Б1Т2 | Роликовый радиальный однорядный подшипник. 200°. Температура отпуска. Сепаратор из безоловянистой бронзы.. | 130.00 | 200.00 | 33.00 |
| 6-116126-Л | Шариковый радиально-упорный однорядный подшипник. Сепаратор из латуни.. | 130.00 | 200.00 | 33.00 |
Способы доставки
Отправка через ведущие транспортные и курьерские компании: ПЭК, Деловые Линии, СДЭК, Байкал-Сервис, Энергия, КИТ, ЖелДорЭкспедиция.
Самовывоз возможен напрямую со склада в Москве.
Сроки доставки
Срок зависит от региона и выбранной транспортной компании. Все заказы комплектуются и отправляются в кратчайшие сроки со склада в Москве.
Надёжность и сохранность
Вся продукция упаковывается с учётом требований транспортировки. Мы гарантируем, что подшипники и комплектующие прибудут к заказчику в полной сохранности.
Доставка в страны ЕАЭС
Мы работаем с проверенными логистическими партнёрами, что позволяет оперативно доставлять заказы в Беларусь, Казахстан, Армению и другие страны ЕАЭС.
Варианты оплаты:
Минимальная сумма заказа и скидки:
Документы и гарантии:
Да, конечно! Наши технические специалисты готовы помочь вам с подбором точного аналога или замены подшипника. Просто позвоните нам по телефону +7 (495) 104-99-04 или напишите на почту zakaz@podsnab.ru.
Для оперативной консультации подготовьте, пожалуйста, имеющиеся данные: маркировку, размеры, тип оборудования или артикул старого подшипника.
Да, конечно! Мы высоко ценим долгосрочное сотрудничество и доверие клиентов по всей России. Для постоянных клиентов действует персональная система скидок.
Условия формируются индивидуально и зависят от:
Чтобы узнать свои условия и получить максимально выгодное предложение, свяжитесь с персональным менеджером или напишите нам на почту zakaz@podsnab.ru.
Вы можете оформить заказ несколькими способами:
Для оформления заказа от юридического лица свяжитесь с нашим отделом по работе с корпоративными клиентами по телефону +7 (495) 104-99-04 или напишите на email zakaz@podsnab.ru, прикрепив реквизиты вашей организации.
Мы оперативно подготовим коммерческое предложение и выставим счет.
Возврат товара надлежащего качества возможен в течение 10 дней с момента получения, если товар не был в употреблении, сохранен товарный вид, упаковка не вскрывалась и присутствуют все сопроводительные документы.
Возврат денежных средств осуществляется в течение 10 рабочих дней после проверки товара складом.
В соответствии с законодательством возврату не подлежат подшипники надлежащего качества, если отсутствует оригинальная упаковка или имеются следы монтажа.
В случае выявления брака или гарантийного случая мы гарантируем возврат или обмен товара.
Да, гарантийный срок хранения устанавливается заводом-изготовителем и в среднем составляет 2 года при соблюдении условий хранения: сухое помещение, оригинальная упаковка и смазка.
Точный срок для конкретного типа подшипника уточняйте у наших менеджеров.
Пн–Пт: с 8:00 до 17:00 (МСК).
Сб–Вс: выходные дни.
Заказы на сайте принимаются круглосуточно. Заявки, поступившие после окончания рабочего дня, обрабатываются на следующий рабочий день.
Минимальная сумма заказа для доставки составляет 3000 рублей. Самовывоз со склада возможен на любую сумму при наличии товара.
ООО «УралТехГрупп»
ИНН: 7415093830
КПП: 772401001
ОГРН: 1167456069021
Банк: ПАО Сбербанк
Р/с: 40702810838000475273
К/с: 30101810400000000225
БИК: 044525225
У подшипника 126-АЛ пока нет отзывов. Вы можете стать первым покупателем, поделившимся своим мнением.