Поиск подшипника
Статьи
6411C3 — Подшипник однорядный шариковый радиальный, модификация основного исполнения 6411, выпускается производителями: FAG, FELSTROM, FLT, KOYO, NBR, NKE, NSK, NTN, SKF, TORRINGTON WUXI BRAND, ZKL, ZVL.
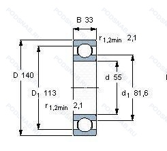
Размер подшипника: 55x140x33 мм.
Внутренний зазор больше нормального.
Аналоги: 6411.C3 FAG,6411-C3 FAG.
Международная стандартизации ISO
6411C3
В наличии
| Обозначение | Конструктивные изменения |
|---|---|
| 6411ZZ | Защитные металлические шайбы с обеих сторон. |
| 6411-2RS | Резиновые уплотнения с каждой стороны подшипника. |
| 6411-C4 | Внутренний зазор подшипника больше. чем C3. |
| 6411-2Z/C3 | Внутренний зазор больше нормального. Защитные металлические шайбы с обеих сторон подшипника. |
| 6411NR C3 | Внутренний зазор больше нормального. Канавка под стопорное кольцо на наружном кольце с соответствующим стопорным кольцом. |
| 6411/W64 | Антифрикционный заполнитель. твердая смазка. |
| 6411 ZNR | Подшипник однорядный шариковый радиальный. |
| 6411 | Подшипник однорядный шариковый радиальный. Основное конструктивное исполнение. |
| 6411NR | Канавка под стопорное кольцо на наружном кольце с соответствующим стопорным кольцом. |
| 6411N | Канавка на наружном кольце. |
| 6411-2Z | Защитные металлические шайбы с обеих сторон подшипника. |
| 6411K | Коническое отверстие. конус 1/12. |
| 6411ZZ C3 | Внутренний зазор больше нормального. Защитные металлические шайбы с обеих сторон. |
| 6411-C | Модифицированная внутренняя конструкция. |
| 6411NR RDYC | Канавка под стопорное кольцо на наружном кольце с соответствующим стопорным кольцом. Двухкомпонентный роликовый элемент с центрированием из прессованной латуни с клиновидным (когтевым) типом сепаратора. |
| 6411-2RS/C3 | Внутренний зазор больше нормального. Резиновые уплотнения с каждой стороны подшипника. |
| 6411-2RS1 | Усиленные листовой сталью контактные уплотнения из акрилонитрил-бутадиенового каучука (NBR) с обеих сторон подшипника. |
| 6411-2RS1/C3 | Внутренний зазор больше нормального. Усиленные листовой сталью контактные уплотнения из акрилонитрил-бутадиенового каучука (NBR) с обеих сторон подшипника. |
| 6411-2ZNR | Защитные металлические шайбы с обеих сторон подшипника. Канавка под стопорное кольцо на наружном кольце с соответствующим стопорным кольцом. |
| 6411J30 | Внутренний зазор больше нормального. |
| 6411-C-C3 | Модифицированная внутренняя конструкция. Внутренний зазор больше нормального. |
| 6411-C-2Z | Модифицированная внутренняя конструкция. Зазорные уплотнения с обеих сторон.. |
| 6411.2RSR.C3 | Внутренний зазор больше нормального. Резиновые уплотнения с каждой стороны подшипника. |
Модификации шарикового подшипника 6411C3 — это измененное основное конструктивное исполнение 6411, основные размеры (55x140x33) не отличаются.
| Обозначение | Гост | Конструктивные особенности |
|---|---|---|
| 411K | ISO | Коническое отверстие. конус 1/12. |
| 411 | ISO | Подшипник однорядный шариковый радиальный. |
| 411-SQ127 | ISO | Подшипник однорядный шариковый радиальный. |
Аналог шарикового подшипника 6411C3 — это подшипник такого же размера dx55,Dx140,Bx33, типа и конструкции.
| Обозначение | Конструктивные особенности | Внутренний (d) | Наружный (D) | Ширина (B) |
|---|---|---|---|---|
| 7411PW | Шариковый радиально-упорный однорядный подшипник. Контактная поверхность скольжения Сталь/PTFE. | 55.00 | 140.00 | 33.00 |
| 7411 A | Шариковый радиально-упорный однорядный подшипник. Двухрядный радиально-упорный шарикоподшипник без отверстия для смазки. | 55.00 | 140.00 | 33.00 |
| 6-50411 А | Шариковый радиальный однорядный подшипник. Повышенная грузоподъемность. | 55.00 | 140.00 | 33.00 |
| 50411-А | Шариковый радиальный однорядный подшипник. Повышенная грузоподъемность. | 55.00 | 140.00 | 33.00 |
| 6-50411 АШ1 | Шариковый радиальный однорядный подшипник. Повышенная грузоподъемность. Нормы шумности. | 55.00 | 140.00 | 33.00 |
| 6-50411 АШ | Шариковый радиальный однорядный подшипник. Повышенная грузоподъемность. Нормы шумности. | 55.00 | 140.00 | 33.00 |
| 6-50411 Ш | Шариковый радиальный однорядный подшипник. Нормы шумности. | 55.00 | 140.00 | 33.00 |
| 76-50411 АШ | Шариковый радиальный однорядный подшипник. Повышенная грузоподъемность. Нормы шумности. | 55.00 | 140.00 | 33.00 |
| 692411-КМ | Роликовый радиальный цилиндрический однорядный подшипник. Кольцевая проточка на середине цилиндрической наружной поверхности наружного кольца плюс три отверстия для смазки. Модифицированный контакт.. | 55.00 | 140.00 | 33.00 |
| 402411-КМУ | Роликовый радиальный цилиндрический подшипник. Кольцевая проточка на середине цилиндрической наружной поверхности наружного кольца плюс три отверстия для смазки. Дополнительные технические требования. Модифицированный контакт.. | 55.00 | 140.00 | 33.00 |
| 402411KMУ | Роликовый радиальный однорядный подшипник. Type Of Model. Дополнительные технические требования. | 55.00 | 140.00 | 33.00 |
| 411-У | Шариковый радиальный однорядный подшипник. Дополнительные технические требования. | 55.00 | 140.00 | 33.00 |
| 42411M | Роликовый радиальный однорядный подшипник. Подшипник с латунным сепаратором. центрированный по телам качения. | 55.00 | 140.00 | 33.00 |
| 42411-М | Роликовый радиальный однорядный подшипник. Модифицированный контакт.. | 55.00 | 140.00 | 33.00 |
| 50411-У | Шариковый радиальный однорядный подшипник. Дополнительные технические требования. | 55.00 | 140.00 | 33.00 |
Способы доставки
Отправка через ведущие транспортные и курьерские компании: ПЭК, Деловые Линии, СДЭК, Байкал-Сервис, Энергия, КИТ, ЖелДорЭкспедиция.
Самовывоз возможен напрямую со склада в Москве.
Сроки доставки
Срок зависит от региона и выбранной транспортной компании. Все заказы комплектуются и отправляются в кратчайшие сроки со склада в Москве.
Надёжность и сохранность
Вся продукция упаковывается с учётом требований транспортировки. Мы гарантируем, что подшипники и комплектующие прибудут к заказчику в полной сохранности.
Доставка в страны ЕАЭС
Мы работаем с проверенными логистическими партнёрами, что позволяет оперативно доставлять заказы в Беларусь, Казахстан, Армению и другие страны ЕАЭС.
Варианты оплаты:
Минимальная сумма заказа и скидки:
Документы и гарантии:
Да, конечно! Наши технические специалисты готовы помочь вам с подбором точного аналога или замены подшипника. Просто позвоните нам по телефону +7 (495) 104-99-04 или напишите на почту zakaz@podsnab.ru.
Для оперативной консультации подготовьте, пожалуйста, имеющиеся данные: маркировку, размеры, тип оборудования или артикул старого подшипника.
Да, конечно! Мы высоко ценим долгосрочное сотрудничество и доверие клиентов по всей России. Для постоянных клиентов действует персональная система скидок.
Условия формируются индивидуально и зависят от:
Чтобы узнать свои условия и получить максимально выгодное предложение, свяжитесь с персональным менеджером или напишите нам на почту zakaz@podsnab.ru.
Вы можете оформить заказ несколькими способами:
Для оформления заказа от юридического лица свяжитесь с нашим отделом по работе с корпоративными клиентами по телефону +7 (495) 104-99-04 или напишите на email zakaz@podsnab.ru, прикрепив реквизиты вашей организации.
Мы оперативно подготовим коммерческое предложение и выставим счет.
Возврат товара надлежащего качества возможен в течение 10 дней с момента получения, если товар не был в употреблении, сохранен товарный вид, упаковка не вскрывалась и присутствуют все сопроводительные документы.
Возврат денежных средств осуществляется в течение 10 рабочих дней после проверки товара складом.
В соответствии с законодательством возврату не подлежат подшипники надлежащего качества, если отсутствует оригинальная упаковка или имеются следы монтажа.
В случае выявления брака или гарантийного случая мы гарантируем возврат или обмен товара.
Да, гарантийный срок хранения устанавливается заводом-изготовителем и в среднем составляет 2 года при соблюдении условий хранения: сухое помещение, оригинальная упаковка и смазка.
Точный срок для конкретного типа подшипника уточняйте у наших менеджеров.
Пн–Пт: с 8:00 до 17:00 (МСК).
Сб–Вс: выходные дни.
Заказы на сайте принимаются круглосуточно. Заявки, поступившие после окончания рабочего дня, обрабатываются на следующий рабочий день.
Минимальная сумма заказа для доставки составляет 3000 рублей. Самовывоз со склада возможен на любую сумму при наличии товара.
ООО «УралТехГрупп»
ИНН: 7415093830
КПП: 772401001
ОГРН: 1167456069021
Банк: ПАО Сбербанк
Р/с: 40702810838000475273
К/с: 30101810400000000225
БИК: 044525225
У подшипника 6411C3 пока нет отзывов. Вы можете стать первым покупателем, поделившимся своим мнением.