Поиск подшипника
Статьи
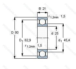
6405C3 — Подшипник однорядный шариковый радиальный, модификация основного исполнения 6405, выпускается производителями: FAG, FELSTROM, KOYO, NEUTRAL, NKE, NSK, SKF, SNR, ZKL.
Размер подшипника: 25x80x21 мм.
Внутренний зазор больше нормального.
Альтернативное обозначение: 6405J30.
Аналоги: 6405-A-C3 FAG,6405/C3 SKF,6405C3 NTN,6405-C3 NKE.
Международная стандартизации ISO
6405C3
В наличии
| Обозначение | Конструктивные изменения |
|---|---|
| 6405-2Z | Защитные металлические шайбы с обеих сторон подшипника. |
| 6405-2Z/C3 | Внутренний зазор больше нормального. Защитные металлические шайбы с обеих сторон подшипника. |
| 6405/W64 | Антифрикционный заполнитель. твердая смазка. |
| 6405 ZNR | Подшипник однорядный шариковый радиальный. |
| 6405 NR | Канавка под стопорное кольцо на наружном кольце с соответствующим стопорным кольцом. |
| 6405 | Подшипник однорядный шариковый радиальный. Основное конструктивное исполнение. |
| 6405C4 | Внутренний зазор подшипника больше. чем C3. |
| 6405ZZ C3 | Внутренний зазор больше нормального. Защитные металлические шайбы с обеих сторон. |
| 6405ZZ | Защитные металлические шайбы (бесконтактные уплотнения) с обеих сторон подшипника. |
| 6405N | Канавка под стопорное кольцо на внешнем кольце. |
| 6405 2RS | Резиновые уплотнения с каждой стороны подшипника. |
| 6405 2RS C3 | Внутренний зазор больше нормального. Резиновые уплотнения с каждой стороны подшипника. |
| 6405.2ZR.C3 | Внутренний зазор больше нормального. Защитные металлические шайбы с обеих сторон. |
| 6405ZZC3 GA2 | INTERNAL CLEARANCE LARGER THAN NORMAL.. 2Z (SKF)=Two Shields.. Смазка. Shell Oil Co. Alvania #2 Grease. |
| 6405ZZ/2A | Защитные металлические шайбы с обеих сторон. Lubricant. Shell Oil Co.. Alvania #2 Grease. Mil-G-18709A. |
| 6405C6 | Reduced Vibration Level Lower Than Normal. |
| 6405 2RS Y | Резиновые уплотнения с каждой стороны подшипника. Штампованный латунный фиксатор. Направляемые элементы качения. |
| 6405TB | Сепаратор оконного типа из фенольной смолы. армированной тканью. Центрирование по внутреннему кольцу. |
| 6405-2RS1 | Усиленные листовой сталью контактные уплотнения из акрилонитрил-бутадиенового каучука (NBR) с обеих сторон подшипника. |
| 6405-2RS1/C3 | Внутренний зазор больше нормального. Усиленные листовой сталью контактные уплотнения из акрилонитрил-бутадиенового каучука (NBR) с обеих сторон подшипника. |
| 6405.2RSR | Резиновые уплотнения с каждой стороны подшипника. |
| 6405J30 | Внутренний зазор больше нормального. |
| 6405ZZ AS2S | Стандартное заполнение. Защитные металлические шайбы с обеих сторон. 1/4 Full. Смазка Aeroshell 7. |
| 6405ZZ C3/D4MS | Стандартное заполнение. Внутренний зазор больше нормального. Защитные стальные шайбы с обеих сторон. Toray Silicone SH44M - Base Oil/ Phlorosilicon - Thickener/ Lithium - Min. Temp/ -40°C - Max. Temp/ +180°C - High Temperature Grease. |
| 6405Z | Стальная шайба. |
Модификации шарикового подшипника 6405C3 — это измененное основное конструктивное исполнение 6405, основные размеры (25x80x21) не отличаются.
| Обозначение | Гост | Конструктивные особенности |
|---|---|---|
| 3405 | ISO | Подшипник однорядный шариковый радиальный. |
| 405A | ISO | Двухрядный радиально-упорный шарикоподшипник без отверстия для смазки. |
| 405SF | ISO | Bogie Carriage_ Clearance-Free. |
| 405S | ISO | Single Row Radial Conrad-Type Bearings. |
Аналог шарикового подшипника 6405C3 — это подшипник такого же размера dx25,Dx80,Bx21, типа и конструкции.
| Обозначение | Конструктивные особенности | Внутренний (d) | Наружный (D) | Ширина (B) |
|---|---|---|---|---|
| 7405BM | Подшипник шариковый однорядный радиально-упорный. 40° Угол контакта. Механически обработанный латунный сепаратор. центрируемый по шарикам. Разные конструкции или материалы обозначаются цифрой после буквы М. например. М2. | 25.00 | 80.00 | 21.00 |
| NU405W | Однорядный цилиндрический роликовый подшипник. Подшипник без смазочных отверстий в наружном кольце. | 25.00 | 80.00 | 21.00 |
| NF405W | Однорядный цилиндрический роликовый подшипник. Цельный прессованный сепаратор. | 25.00 | 80.00 | 21.00 |
| NJ405C3 FY | Однорядный цилиндрический роликовый подшипник. Внутренний зазор больше нормального. Обработанный латунный сепаратор. | 25.00 | 80.00 | 21.00 |
| NJ405-M+HJ405 | Роликовый радиальный однорядный подшипник. Подшипник с латунным сепаратором. центрированный по телам качения. | 25.00 | 80.00 | 21.00 |
| 7405A | Шариковый радиально-упорный однорядный подшипник. Двухрядный радиально-упорный шарикоподшипник без отверстия для смазки. | 25.00 | 80.00 | 21.00 |
| 7405B | Шариковый радиально-упорный однорядный подшипник. Угол контакта 40 градусов. | 25.00 | 80.00 | 21.00 |
| 2-405 40К ЮТ | Шариковый радиальный однорядный подшипник. Температура отпуска. 160°. Все детали или часть деталей из нержавеющей стали.. | 25.00 | 80.00 | 21.00 |
| 405-АК | Шариковый радиальный однорядный подшипник. Повышенная грузоподъемность. | 25.00 | 80.00 | 21.00 |
| 6-405 А | Шариковый радиальный однорядный подшипник. Повышенная грузоподъемность. | 25.00 | 80.00 | 21.00 |
| 7-405 А | Шариковый радиальный однорядный подшипник. Повышенная грузоподъемность. | 25.00 | 80.00 | 21.00 |
| 6-405 АШ1 | Шариковый радиальный однорядный подшипник. Повышенная грузоподъемность. Нормы шумности. | 25.00 | 80.00 | 21.00 |
| 6-405 АШ | Шариковый радиальный однорядный подшипник. Повышенная грузоподъемность. Нормы шумности. | 25.00 | 80.00 | 21.00 |
| 260705АТ | Шариковый радиальный однорядный подшипник. Температура отпуска. 160°. Повышенная грузоподъемность. | 25.00 | 80.00 | 21.00 |
| 405-А | Шариковый радиальный однорядный подшипник. Повышенная грузоподъемность. | 25.00 | 80.00 | 21.00 |
Способы доставки
Отправка через ведущие транспортные и курьерские компании: ПЭК, Деловые Линии, СДЭК, Байкал-Сервис, Энергия, КИТ, ЖелДорЭкспедиция.
Самовывоз возможен напрямую со склада в Москве.
Сроки доставки
Срок зависит от региона и выбранной транспортной компании. Все заказы комплектуются и отправляются в кратчайшие сроки со склада в Москве.
Надёжность и сохранность
Вся продукция упаковывается с учётом требований транспортировки. Мы гарантируем, что подшипники и комплектующие прибудут к заказчику в полной сохранности.
Доставка в страны ЕАЭС
Мы работаем с проверенными логистическими партнёрами, что позволяет оперативно доставлять заказы в Беларусь, Казахстан, Армению и другие страны ЕАЭС.
Варианты оплаты:
Минимальная сумма заказа и скидки:
Документы и гарантии:
Да, конечно! Наши технические специалисты готовы помочь вам с подбором точного аналога или замены подшипника. Просто позвоните нам по телефону +7 (495) 104-99-04 или напишите на почту zakaz@podsnab.ru.
Для оперативной консультации подготовьте, пожалуйста, имеющиеся данные: маркировку, размеры, тип оборудования или артикул старого подшипника.
Да, конечно! Мы высоко ценим долгосрочное сотрудничество и доверие клиентов по всей России. Для постоянных клиентов действует персональная система скидок.
Условия формируются индивидуально и зависят от:
Чтобы узнать свои условия и получить максимально выгодное предложение, свяжитесь с персональным менеджером или напишите нам на почту zakaz@podsnab.ru.
Вы можете оформить заказ несколькими способами:
Для оформления заказа от юридического лица свяжитесь с нашим отделом по работе с корпоративными клиентами по телефону +7 (495) 104-99-04 или напишите на email zakaz@podsnab.ru, прикрепив реквизиты вашей организации.
Мы оперативно подготовим коммерческое предложение и выставим счет.
Возврат товара надлежащего качества возможен в течение 10 дней с момента получения, если товар не был в употреблении, сохранен товарный вид, упаковка не вскрывалась и присутствуют все сопроводительные документы.
Возврат денежных средств осуществляется в течение 10 рабочих дней после проверки товара складом.
В соответствии с законодательством возврату не подлежат подшипники надлежащего качества, если отсутствует оригинальная упаковка или имеются следы монтажа.
В случае выявления брака или гарантийного случая мы гарантируем возврат или обмен товара.
Да, гарантийный срок хранения устанавливается заводом-изготовителем и в среднем составляет 2 года при соблюдении условий хранения: сухое помещение, оригинальная упаковка и смазка.
Точный срок для конкретного типа подшипника уточняйте у наших менеджеров.
Пн–Пт: с 8:00 до 17:00 (МСК).
Сб–Вс: выходные дни.
Заказы на сайте принимаются круглосуточно. Заявки, поступившие после окончания рабочего дня, обрабатываются на следующий рабочий день.
Минимальная сумма заказа для доставки составляет 3000 рублей. Самовывоз со склада возможен на любую сумму при наличии товара.
ООО «УралТехГрупп»
ИНН: 7415093830
КПП: 772401001
ОГРН: 1167456069021
Банк: ПАО Сбербанк
Р/с: 40702810838000475273
К/с: 30101810400000000225
БИК: 044525225
У подшипника 6405C3 пока нет отзывов. Вы можете стать первым покупателем, поделившимся своим мнением.