Поиск подшипника
Статьи
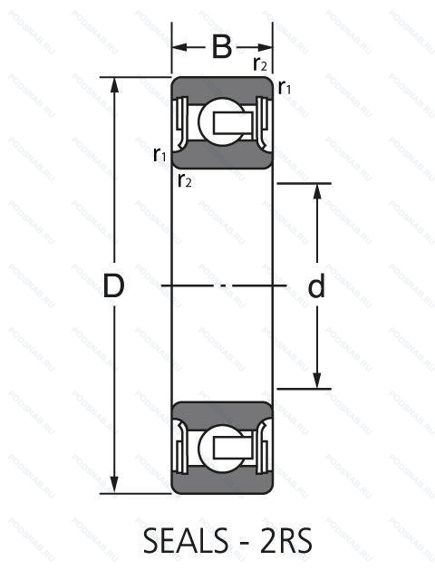
1621 2RS — Подшипник однорядный шариковый радиальный, модификация основного исполнения 1621, выпускается производителями: KSK, NEUTRAL, NIS, NIS, SLB, TRANS LINK.
Размер подшипника: 12x34x11 мм.
Резиновые уплотнения с каждой стороны подшипника.
Международная стандартизации ISO
16212RS
В наличии
| Обозначение | Конструктивные изменения |
|---|---|
| 1621-793-10 | Distance Between Beginning Of The Rail And First Hole In MM. |
| 1621-122-10 | Distance Between Beginning Of The Rail And First Hole In MM. |
| 1621ZZ | Защитные металлические шайбы с обеих сторон. |
| 1621DC | Резиновые уплотнения с каждой стороны подшипника. |
| 1621DCTN | Отлитый под давлением защелкивающийся сепаратор из полиамида. Центрированные тела качения. Резиновые уплотнения с каждой стороны подшипника. |
| 1621 | Подшипник однорядный шариковый радиальный. Основное конструктивное исполнение. |
| 1621-SQ155 | Подшипник однорядный шариковый радиальный. |
| 1621RS | Резиновое уплотнение с одной стороны. |
| 1621 DSSR12 | Защитная металлическая шайба с двух сторон подшипника. |
| 1621 2RS C3 | Внутренний зазор больше нормального. Резиновые уплотнения с каждой стороны подшипника. |
| 1621 2RS NR | Резиновые уплотнения с каждой стороны подшипника. Канавка под стопорное кольцо на наружном кольце с соответствующим стопорным кольцом. |
| 1621DSTN | Отлитый под давлением защелкивающийся сепаратор из полиамида. Центрированные тела качения. Защитная металлическая шайба с двух сторон подшипника. |
| 1621DS | Защитная металлическая шайба с двух сторон подшипника. |
Модификации шарикового подшипника 1621 2RS — это измененное основное конструктивное исполнение 1621, основные размеры (12x34x11) не отличаются.
| Обозначение | Гост | Конструктивные особенности |
|---|---|---|
| 1620ZZ | ISO | Защитные металлические шайбы с обеих сторон. |
| 6202-1/2 2RS | ISO | Резиновые уплотнения с каждой стороны подшипника. ISO Tolerance Class ABEC.9. Number Of Carriages Per Rail Track. |
| 1620 2RS | ISO | Резиновые уплотнения с каждой стороны подшипника. |
| 6202-1/2ZZ | ISO | Защитные металлические шайбы с обеих сторон. Number Of Carriages Per Rail Track. |
| 1620DC | ISO | Резиновые уплотнения с каждой стороны подшипника. |
| 1620DS | ISO | Защитная металлическая шайба с двух сторон подшипника. |
| 13BSW01A | ISO | Внутренняя конструкция отличается от стандартной. |
| 6202/12,7 2RS | ISO | Резиновые уплотнения с каждой стороны подшипника. Небольшая предварительная нагрузка. 3/4. |
| BR7720 | ISO | Подшипник однорядный шариковый радиальный. |
| 13BSW01 | ISO | Подшипник однорядный шариковый радиальный. |
| 6202 2RS D12 C3 | ISO | Внутренний зазор больше нормального. Резиновые уплотнения с каждой стороны подшипника. |
| 5881 | ISO | Подшипник однорядный шариковый радиальный. |
| 6202-1/2DDU | ISO | Резиновые уплотнения с каждой стороны подшипника. Number Of Carriages Per Rail Track. |
| 6202-8 2RS | ISO | Резиновые уплотнения с каждой стороны подшипника. Средний предварительный натяг. |
| 6202-1/2 2RS C3 | ISO | Внутренний зазор больше нормального. Резиновые уплотнения с каждой стороны подшипника. ISO Tolerance Class ABEC.9. Number Of Carriages Per Rail Track. |
| L12-35-AH01 | ISO | Размеры могут отличаться от базового номера детали. Внутренний зазор равен C3 (больше обычного) и защищен от коррозии специальным покрытием Corrotect®. 2.3/16. |
| 408-28 | ISO | 1.3/4. |
| 22213-01 | ISO | Design. |
| 22208-77 | ISO | Защитная металлическая шайба с двух сторон подшипника. |
| 22208-88 | ISO | Two Synthetic Contact Seals. |
Аналог шарикового подшипника 1621 2RS — это подшипник такого же размера dx12,Dx34,Bx11, типа и конструкции.
| Обозначение | Конструктивные особенности | Внутренний (d) | Наружный (D) | Ширина (B) |
|---|---|---|---|---|
| LR201RRU | Опорный ролик. Crowned Outside Surface (No 'X' in Base Number). Защищен от коррозии специальным покрытием Corrotect®.. | 12.00 | 35.00 | 10.00 |
| GIR12ES | Сферический шарнирный подшипник. Сталь. Масляные отверстия и канавки. | 12.00 | 35.00 | 10.00 |
| LR201-2RSR-X | Опорный ролик. Rubber Seals At Each Side Of The Bearing. Temperature Range -30℃/+120℃. Цилиндрическая рабочая поверхность. | 12.00 | 35.00 | 10.00 |
| LR201-KRRU-AH02 | Опорный ролик. Conrad. Non-Filling Slot Type. Crowned Outside Surface. Sealed On Extended Inner. Внутренний диаметр отличается от базового номера детали. | 12.00 | 35.00 | 10.00 |
| LR201 2RS | Опорный ролик. Резиновые уплотнения с каждой стороны подшипника. | 12.00 | 35.00 | 10.00 |
| EAL12D | Сферический шарнирный подшипник. Сталь/PTFE. | 12.00 | 35.00 | 10.00 |
| GIR12C | Сферический шарнирный подшипник. 15° Угол контакта. | 12.00 | 35.00 | 10.00 |
| LR201-NPPU-AH20 | Опорный ролик. Шарикоподшипник. С уплотнением и низким коэффициентом трения с обеих сторон. Уплотнение состоит из шайбы из листовой стали с вулканизированной резиной. Crowned Outside Surface (No 'X' in Base Number). | 12.00 | 35.00 | 10.00 |
| LD201-2RS | Шариковый радиальный подшипник. Резиновые уплотнения с каждой стороны подшипника. | 12.00 | 35.00 | 10.00 |
| L12/35AH01C3 | Шариковый радиальный однорядный подшипник. Радиальный внутренний зазор C3 (больше нормы). | 12.00 | 35.00 | 12.00 |
| AB12305.S1 | Шариковый радиальный однорядный подшипник. Кольца подшипников или шайбы, стабилизированные по размерам для использования при рабочих температурах до +200°C (392°F).. | 12.00 | 34.00 | 10.00 |
| S1621-2Z | Шариковый радиальный однорядный подшипник. Защитные металлические шайбы с обеих сторон подшипника. | 12.70 | 34.92 | 11.11 |
| S1620-2Z | Шариковый радиальный однорядный подшипник. Защитные металлические шайбы с обеих сторон подшипника. | 11.11 | 34.92 | 11.11 |
| S1620-2RS | Шариковый радиальный однорядный подшипник. Резиновые уплотнения с каждой стороны подшипника. | 11.11 | 34.92 | 11.11 |
| S1621-2RS | Шариковый радиальный однорядный подшипник. Резиновые уплотнения с каждой стороны подшипника. | 12.70 | 34.92 | 11.11 |
Способы доставки
Отправка через ведущие транспортные и курьерские компании: ПЭК, Деловые Линии, СДЭК, Байкал-Сервис, Энергия, КИТ, ЖелДорЭкспедиция.
Самовывоз возможен напрямую со склада в Москве.
Сроки доставки
Срок зависит от региона и выбранной транспортной компании. Все заказы комплектуются и отправляются в кратчайшие сроки со склада в Москве.
Надёжность и сохранность
Вся продукция упаковывается с учётом требований транспортировки. Мы гарантируем, что подшипники и комплектующие прибудут к заказчику в полной сохранности.
Доставка в страны ЕАЭС
Мы работаем с проверенными логистическими партнёрами, что позволяет оперативно доставлять заказы в Беларусь, Казахстан, Армению и другие страны ЕАЭС.
Варианты оплаты:
Минимальная сумма заказа и скидки:
Документы и гарантии:
Да, конечно! Наши технические специалисты готовы помочь вам с подбором точного аналога или замены подшипника. Просто позвоните нам по телефону +7 (495) 104-99-04 или напишите на почту zakaz@podsnab.ru.
Для оперативной консультации подготовьте, пожалуйста, имеющиеся данные: маркировку, размеры, тип оборудования или артикул старого подшипника.
Да, конечно! Мы высоко ценим долгосрочное сотрудничество и доверие клиентов по всей России. Для постоянных клиентов действует персональная система скидок.
Условия формируются индивидуально и зависят от:
Чтобы узнать свои условия и получить максимально выгодное предложение, свяжитесь с персональным менеджером или напишите нам на почту zakaz@podsnab.ru.
Вы можете оформить заказ несколькими способами:
Для оформления заказа от юридического лица свяжитесь с нашим отделом по работе с корпоративными клиентами по телефону +7 (495) 104-99-04 или напишите на email zakaz@podsnab.ru, прикрепив реквизиты вашей организации.
Мы оперативно подготовим коммерческое предложение и выставим счет.
Возврат товара надлежащего качества возможен в течение 10 дней с момента получения, если товар не был в употреблении, сохранен товарный вид, упаковка не вскрывалась и присутствуют все сопроводительные документы.
Возврат денежных средств осуществляется в течение 10 рабочих дней после проверки товара складом.
В соответствии с законодательством возврату не подлежат подшипники надлежащего качества, если отсутствует оригинальная упаковка или имеются следы монтажа.
В случае выявления брака или гарантийного случая мы гарантируем возврат или обмен товара.
Да, гарантийный срок хранения устанавливается заводом-изготовителем и в среднем составляет 2 года при соблюдении условий хранения: сухое помещение, оригинальная упаковка и смазка.
Точный срок для конкретного типа подшипника уточняйте у наших менеджеров.
Пн–Пт: с 8:00 до 17:00 (МСК).
Сб–Вс: выходные дни.
Заказы на сайте принимаются круглосуточно. Заявки, поступившие после окончания рабочего дня, обрабатываются на следующий рабочий день.
Минимальная сумма заказа для доставки составляет 3000 рублей. Самовывоз со склада возможен на любую сумму при наличии товара.
ООО «УралТехГрупп»
ИНН: 7415093830
КПП: 772401001
ОГРН: 1167456069021
Банк: ПАО Сбербанк
Р/с: 40702810838000475273
К/с: 30101810400000000225
БИК: 044525225
У подшипника 1621 2RS пока нет отзывов. Вы можете стать первым покупателем, поделившимся своим мнением.