Поиск подшипника
Статьи
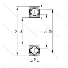
62206 2RSR — Подшипник однорядный шариковый радиальный, модификация основного исполнения 62206, выпускается производителями: DEUTSCHE KUGELLAG FABR LEIPZIG, FAG, NIS, NKE, SLF FRAUREUTH.
Размер подшипника: 30x62x20 мм.
Резиновые уплотнения с каждой стороны подшипника.
Альтернативное обозначение: 62206-2RS1.
Аналоги: 62206.2RSR FAG,62206 2RS INA,62206-A-2RSR FAG,62206 2RS IBB Fiedler,62206 2RS IBU Fiedler,62206 2RS Neutral.
Международная стандартизации ISO
622062RSR
В наличии
| Обозначение | Конструктивные изменения |
|---|---|
| 62206C4 | Внутренний зазор подшипника больше. чем C3. |
| 62206-2RS1/W64 | Усиленные листовой сталью контактные уплотнения из акрилонитрил-бутадиенового каучука (NBR) с обеих сторон подшипника. Антифрикционный заполнитель. твердая смазка. |
| 62206-A-2RSR#E | Модификация внутренней конструкции. Повышенная грузоподъемность. Резиновые уплотнения с каждой стороны подшипника. |
| 62206 2RS | Контактные уплотнения типа RS с обеих сторон игольчатого роликоподшипника. |
| 62206 2RS1 | Усиленные листовой сталью контактные уплотнения из акрилонитрил-бутадиенового каучука (NBR) с обеих сторон подшипника. |
| 62206T C4 | RADIAL CLEARANCE GREATER THAN C3. Textile Laminated Phenolic Resin. Outer Ring Guided. The Cage Is Suitable For Long-Term Operation At Temperatures Up To 100°C. |
| 62206.803107 | Подшипник однорядный шариковый радиальный. |
| 62206 | Подшипник однорядный шариковый радиальный. Основное конструктивное исполнение. |
| 62206 2RS C3 | Внутренний зазор больше нормального. Резиновые уплотнения с каждой стороны подшипника. |
| 62206-2RS1/C3 | Внутренний зазор больше нормального. Усиленные листовой сталью контактные уплотнения из акрилонитрил-бутадиенового каучука (NBR) с обеих сторон подшипника. |
| 62206-2RSR-C3 | Внутренний зазор больше нормального. Резиновые уплотнения с каждой стороны подшипника. |
| 62206TVHB | Moulded Polyamide Cage Snap-Type. Rolling Element Riding. Guidance By The Inner Ring. |
| 62206-2RS1N | Усиленные листовой сталью контактные уплотнения из акрилонитрил-бутадиенового каучука (NBR) с обеих сторон подшипника. Канавка под стопорное кольцо на внешнем кольце. |
| 62206-2RS1NR | Усиленные листовой сталью контактные уплотнения из акрилонитрил-бутадиенового каучука (NBR) с обеих сторон подшипника. Канавка под стопорное кольцо на наружном кольце с соответствующим стопорным кольцом. |
| 62206-A-2RSR | Модификация внутренней конструкции. Резиновые уплотнения с каждой стороны подшипника. |
| 62206-A-2RSR-C3 | Внутренний зазор больше нормального. Модификация внутренней конструкции. Резиновые уплотнения с каждой стороны подшипника. |
| 62206.EE | Резиновые уплотнения с каждой стороны подшипника. |
| 62206-2RS2 | Два контактных уплотнения из фторкаучука (FPM) с усилением из листовой стали (высокотемпературные). |
Модификации шарикового подшипника 62206 2RSR — это измененное основное конструктивное исполнение 62206, основные размеры (30x62x20) не отличаются.
| Обозначение | Гост | Конструктивные особенности |
|---|---|---|
| 360250 | ISO | Подшипник однорядный шариковый радиальный. |
| 8506 | ISO | Подшипник однорядный шариковый радиальный. |
| 4206 ATN | ISO | Подшипник однорядный шариковый радиальный. |
| 415662C | ISO | Внутренние изменения в конструкции. |
| 37/130PP | ISO | Уплотнения на каждой стороне подшипника. |
| 531458.Z27CX | ISO | Подшипник однорядный шариковый радиальный. |
| 531458 | ISO | Подшипник однорядный шариковый радиальный. |
| 415952 | ISO | Подшипник однорядный шариковый радиальный. |
| 361711 | ISO | Подшипник однорядный шариковый радиальный. |
| 416476C | ISO | Внутренние изменения в конструкции. |
| 415696B | ISO | Измененный внутренний дизайн. |
| 515712.Z27CX.F54 | ISO | Подшипник с герметичным уплотнением. Bearings for Adam Opel and General Motors (All Plants)_ Preservation And Packaging Specifications_ Restricted Width Tolerance. |
| AL30 | ISO | Подшипник однорядный шариковый радиальный. |
| 362226B | ISO | Измененный внутренний дизайн. |
| 412971BTN/E101 | ISO | Измененный внутренний дизайн. литой под давлением сепаратор из полиамида 6.6. центрированный роликовый элемент. E Combined With A Two Or Three-Figure Number Identifies Variants Of The Standard Design Which Cannot Be Identified By Generally Applicable Suffixes. |
| 415662B | ISO | Измененный внутренний дизайн. |
| 531458.H42CX | ISO | Подшипник однорядный шариковый радиальный. |
| 87506 | ISO | Подшипник однорядный шариковый радиальный. |
| 515712 | ISO | Подшипник однорядный шариковый радиальный. |
| KH1334 | ISO | Подшипник однорядный шариковый радиальный. |
Аналог шарикового подшипника 62206 2RSR — это подшипник такого же размера dx30,Dx62,Bx20, типа и конструкции.
| Обозначение | Конструктивные особенности | Внутренний (d) | Наружный (D) | Ширина (B) |
|---|---|---|---|---|
| 76-180506 ЮТС15 | Шариковый радиальный однорядный подшипник. Температура отпуска. 160°. Все детали или часть деталей из нержавеющей стали.. Смазка ВНИИНП-207. | 30.00 | 62.00 | 20.00 |
| 76-180506 ЮТС4 | Шариковый радиальный однорядный подшипник. Температура отпуска. 160°. Все детали или часть деталей из нержавеющей стали.. Смазка ЦИАТИМ-221С. | 15.00 | 28.00 | 20.00 |
| 7А-180506 Е | Шариковый радиальный однорядный подшипник. Сепаратор из текстолита.. | 30.00 | 62.00 | 20.00 |
| LG30=5 | Шариковый радиальный однорядный подшипник. Distance Between Beginning Of The Rail And First Hole In MM. | 30.00 | 62.00 | 21.00 |
| CUC206-19 | Шариковый радиальный однорядный подшипник. 1.3/16. | 30.16 | 62.00 | 19.00 |
| CUC206 | Шариковый радиальный однорядный подшипник. Радиальный внутренний зазор С2. | 30.00 | 62.00 | 19.00 |
| 2-80506 ЕС9 | Шариковый радиальный однорядный подшипник. Сепаратор из текстолита.. Смазка ЛЗ-31. | 30.00 | 62.00 | 20.00 |
| 2206-K-2RS+H306 | Шариковый сферический двухрядный подшипник. Коническое внутреннее отверстие. Контактные уплотнения типа RS с обеих сторон игольчатого роликоподшипника. | 30.00 | 62.00 | 20.00 |
| 2206 TN9 | Шариковый сферический двухрядный подшипник. Литой защелкивающийся сепаратор из полиамида. армированного стекловолокном 6.6. | 30.00 | 62.00 | 20.00 |
| NU 2206 ECPH | Роликовый радиальный однорядный подшипник. Однорядный цилиндрический роликовый подшипник. | 30.00 | 62.00 | 20.00 |
| 42506-А1 | Роликовый радиальный однорядный подшипник. Повышенная грузоподъемность. | 30.00 | 62.00 | 20.00 |
| 42506-Б1 | Роликовый радиальный однорядный подшипник. Сепаратор из безоловянистой бронзы.. | 30.00 | 62.00 | 20.00 |
| 42506-Д1 | Роликовый радиальный однорядный подшипник. Сепаратор из алюминиевого сплава.. | 30.00 | 62.00 | 20.00 |
| 5-32506 Б | Роликовый радиальный подшипник. Сепаратор из безоловянистой бронзы.. | 30.00 | 62.00 | 20.00 |
| 6-102506-М | Роликовый радиальный однорядный подшипник. Модифицированный контакт.. | 30.00 | 62.00 | 20.00 |
Способы доставки
Отправка через ведущие транспортные и курьерские компании: ПЭК, Деловые Линии, СДЭК, Байкал-Сервис, Энергия, КИТ, ЖелДорЭкспедиция.
Самовывоз возможен напрямую со склада в Москве.
Сроки доставки
Срок зависит от региона и выбранной транспортной компании. Все заказы комплектуются и отправляются в кратчайшие сроки со склада в Москве.
Надёжность и сохранность
Вся продукция упаковывается с учётом требований транспортировки. Мы гарантируем, что подшипники и комплектующие прибудут к заказчику в полной сохранности.
Доставка в страны ЕАЭС
Мы работаем с проверенными логистическими партнёрами, что позволяет оперативно доставлять заказы в Беларусь, Казахстан, Армению и другие страны ЕАЭС.
Варианты оплаты:
Минимальная сумма заказа и скидки:
Документы и гарантии:
Да, конечно! Наши технические специалисты готовы помочь вам с подбором точного аналога или замены подшипника. Просто позвоните нам по телефону +7 (495) 104-99-04 или напишите на почту zakaz@podsnab.ru.
Для оперативной консультации подготовьте, пожалуйста, имеющиеся данные: маркировку, размеры, тип оборудования или артикул старого подшипника.
Да, конечно! Мы высоко ценим долгосрочное сотрудничество и доверие клиентов по всей России. Для постоянных клиентов действует персональная система скидок.
Условия формируются индивидуально и зависят от:
Чтобы узнать свои условия и получить максимально выгодное предложение, свяжитесь с персональным менеджером или напишите нам на почту zakaz@podsnab.ru.
Вы можете оформить заказ несколькими способами:
Для оформления заказа от юридического лица свяжитесь с нашим отделом по работе с корпоративными клиентами по телефону +7 (495) 104-99-04 или напишите на email zakaz@podsnab.ru, прикрепив реквизиты вашей организации.
Мы оперативно подготовим коммерческое предложение и выставим счет.
Возврат товара надлежащего качества возможен в течение 10 дней с момента получения, если товар не был в употреблении, сохранен товарный вид, упаковка не вскрывалась и присутствуют все сопроводительные документы.
Возврат денежных средств осуществляется в течение 10 рабочих дней после проверки товара складом.
В соответствии с законодательством возврату не подлежат подшипники надлежащего качества, если отсутствует оригинальная упаковка или имеются следы монтажа.
В случае выявления брака или гарантийного случая мы гарантируем возврат или обмен товара.
Да, гарантийный срок хранения устанавливается заводом-изготовителем и в среднем составляет 2 года при соблюдении условий хранения: сухое помещение, оригинальная упаковка и смазка.
Точный срок для конкретного типа подшипника уточняйте у наших менеджеров.
Пн–Пт: с 8:00 до 17:00 (МСК).
Сб–Вс: выходные дни.
Заказы на сайте принимаются круглосуточно. Заявки, поступившие после окончания рабочего дня, обрабатываются на следующий рабочий день.
Минимальная сумма заказа для доставки составляет 3000 рублей. Самовывоз со склада возможен на любую сумму при наличии товара.
ООО «УралТехГрупп»
ИНН: 7415093830
КПП: 772401001
ОГРН: 1167456069021
Банк: ПАО Сбербанк
Р/с: 40702810838000475273
К/с: 30101810400000000225
БИК: 044525225
У подшипника 62206 2RSR пока нет отзывов. Вы можете стать первым покупателем, поделившимся своим мнением.