Поиск подшипника
Статьи
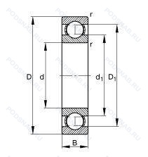
63002-2RSR — Подшипник однорядный шариковый радиальный, модификация основного исполнения 63002, выпускается производителями: FAG, INA, NKE.
Размер подшипника: 15x32x13 мм.
Резиновые уплотнения с каждой стороны подшипника.
Альтернативное обозначение: 63002-2RS1, 63002.EE.
Аналоги: 63002-A-2RSR FAG,63002-2RS1 SKF,63002-2RS1 AKN,63002 2RS KBS,63002 2RS ISB.
Международная стандартизации ISO
630022RSR
В наличии
| Обозначение | Конструктивные изменения |
|---|---|
| 63002-2RS1 | Усиленные листовой сталью контактные уплотнения из акрилонитрил-бутадиенового каучука (NBR) с обеих сторон подшипника. |
| 63002-2RS1/W64 | Усиленные листовой сталью контактные уплотнения из акрилонитрил-бутадиенового каучука (NBR) с обеих сторон подшипника. Антифрикционный заполнитель. твердая смазка. |
| 63002-A-2RSR#E | Модификация внутренней конструкции. Повышенная грузоподъемность. Резиновые уплотнения с каждой стороны подшипника. |
| 63002 | Подшипник однорядный шариковый радиальный. Основное конструктивное исполнение. |
| 63002-2RS | Резиновые уплотнения с каждой стороны подшипника. |
| 63002.2RSR.C3 | Внутренний зазор больше нормального. Резиновые уплотнения с каждой стороны подшипника. |
| 63002-2RSR-OEM | Резиновые уплотнения с каждой стороны подшипника. Производитель оригинального оборудования. |
| 63002-2RSR-J22R | Резиновые уплотнения с каждой стороны подшипника. Сделано в Корее. |
| 63002.EE | Резиновые уплотнения с каждой стороны подшипника. |
| 63002-A-2RSR | Модификация внутренней конструкции. Резиновые уплотнения с каждой стороны подшипника. |
| 63002-2RSR-HLM | Резиновые уплотнения с каждой стороны подшипника. Код местонахождения завода. может использоваться в стандартной комплектации. |
| 63002-2RS1/C3 | Внутренний зазор больше нормального. Усиленные листовой сталью контактные уплотнения из акрилонитрил-бутадиенового каучука (NBR) с обеих сторон подшипника. |
Модификации шарикового подшипника 63002-2RSR — это измененное основное конструктивное исполнение 63002, основные размеры (15x32x13) не отличаются.
| Обозначение | Гост | Конструктивные особенности |
|---|---|---|
| LJ15WRD | ISO | Подшипник однорядный шариковый радиальный. |
| 15BCS3ZNS | ISO | Подшипник однорядный шариковый радиальный. |
| S63002 2RS | ISO | Резиновые уплотнения с каждой стороны подшипника. |
Аналог шарикового подшипника 63002-2RSR — это подшипник такого же размера dx15,Dx32,Bx13, типа и конструкции.
| Обозначение | Конструктивные особенности | Внутренний (d) | Наружный (D) | Ширина (B) |
|---|---|---|---|---|
| 3002B-2ZRTNG | Подшипник шариковый двухрядный радиально-упорный. Конический роликовый подшипник. Угол контакта 20 градусов. Metal Shields At Each Side Of The Bearing. Прочный сепаратор из полиамида. армированного стекловолокном. | 15.00 | 32.00 | 13.00 |
| KRVE32PP SK | Кулачковый ролик толкатель. Кулачковый толкатель штифтового типа. С шестигранной головкой. Манжетные уплотнения с обеих сторон (тип P - две шайбы из оцинкованной листовой стали с промежуточной частью NBR. Кромка уплотнения предварительно нагружена в осевом направлении). Диапазон температур -30℃/+100℃. | 15.00 | 32.00 | 14.00 |
| NK15/12-TV-XL | Роликовый игольчатый подшипник. Серия X-Life премиум-класс. увеличиный срок службы. Сепаратор из полиамида. | 15.00 | 32.00 | 12.00 |
| KRE32-NMT | Кулачковый ролик толкатель. Шестигранная гайка. | 15.00 | 32.00 | 14.00 |
| NAO15X32X12-IS1 | Роликовый игольчатый подшипник. Одно смазочное отверстие во внутреннем кольце. | 15.00 | 32.00 | 12.00 |
| 8-202 А | Шариковый упорный однорядный подшипник. Повышенная грузоподъемность. | 15.00 | 32.00 | 12.00 |
| 8202-К | Шариковый упорный однорядный подшипник. «Замок» (скос) на внутреннем кольце плюс массивный сепаратор из текстолита. | 15.00 | 32.00 | 12.00 |
| 8202Н | Шариковый упорный однорядный подшипник. Детали из теплостойкой стали. | 15.00 | 32.00 | 12.00 |
| 3002-B-TVH | Шариковый радиально-упорный подшипник. Модифицированная внутренняя конструкция. Твердая клетка из полиамида. | 15.00 | 32.00 | 13.00 |
| 3002-B-2Z-TVH | Шариковый радиально-упорный подшипник. Модифицированная внутренняя конструкция. Защитные металлические шайбы с обеих сторон подшипника. Твердая клетка из полиамида. | 15.00 | 32.00 | 13.00 |
| 3002-B-2RSR-TVH | Шариковый радиально-упорный подшипник. Модифицированная внутренняя конструкция. Твердая клетка из полиамида. Резиновые уплотнения с каждой стороны подшипника. | 15.00 | 32.00 | 13.00 |
| U002+ER | Шариковый радиальный однорядный подшипник. Эксцентриковое кольцо. | 15.00 | 32.00 | 12.00 |
| 51202 V/HR22Q2 | Шариковый упорный однорядный подшипник. Подшипник без сепаратора. С полным комплектом тел качения. | 15.00 | 32.00 | 12.00 |
| 51202 V/HR22T2 | Шариковый упорный однорядный подшипник. Подшипник без сепаратора. С полным комплектом тел качения. | 15.00 | 32.00 | 12.00 |
| 51202 V/HR11Q1 | Шариковый упорный однорядный подшипник. Подшипник без сепаратора. С полным комплектом тел качения. | 15.00 | 32.00 | 12.00 |
Способы доставки
Отправка через ведущие транспортные и курьерские компании: ПЭК, Деловые Линии, СДЭК, Байкал-Сервис, Энергия, КИТ, ЖелДорЭкспедиция.
Самовывоз возможен напрямую со склада в Москве.
Сроки доставки
Срок зависит от региона и выбранной транспортной компании. Все заказы комплектуются и отправляются в кратчайшие сроки со склада в Москве.
Надёжность и сохранность
Вся продукция упаковывается с учётом требований транспортировки. Мы гарантируем, что подшипники и комплектующие прибудут к заказчику в полной сохранности.
Доставка в страны ЕАЭС
Мы работаем с проверенными логистическими партнёрами, что позволяет оперативно доставлять заказы в Беларусь, Казахстан, Армению и другие страны ЕАЭС.
Варианты оплаты:
Минимальная сумма заказа и скидки:
Документы и гарантии:
Да, конечно! Наши технические специалисты готовы помочь вам с подбором точного аналога или замены подшипника. Просто позвоните нам по телефону +7 (495) 104-99-04 или напишите на почту zakaz@podsnab.ru.
Для оперативной консультации подготовьте, пожалуйста, имеющиеся данные: маркировку, размеры, тип оборудования или артикул старого подшипника.
Да, конечно! Мы высоко ценим долгосрочное сотрудничество и доверие клиентов по всей России. Для постоянных клиентов действует персональная система скидок.
Условия формируются индивидуально и зависят от:
Чтобы узнать свои условия и получить максимально выгодное предложение, свяжитесь с персональным менеджером или напишите нам на почту zakaz@podsnab.ru.
Вы можете оформить заказ несколькими способами:
Для оформления заказа от юридического лица свяжитесь с нашим отделом по работе с корпоративными клиентами по телефону +7 (495) 104-99-04 или напишите на email zakaz@podsnab.ru, прикрепив реквизиты вашей организации.
Мы оперативно подготовим коммерческое предложение и выставим счет.
Возврат товара надлежащего качества возможен в течение 10 дней с момента получения, если товар не был в употреблении, сохранен товарный вид, упаковка не вскрывалась и присутствуют все сопроводительные документы.
Возврат денежных средств осуществляется в течение 10 рабочих дней после проверки товара складом.
В соответствии с законодательством возврату не подлежат подшипники надлежащего качества, если отсутствует оригинальная упаковка или имеются следы монтажа.
В случае выявления брака или гарантийного случая мы гарантируем возврат или обмен товара.
Да, гарантийный срок хранения устанавливается заводом-изготовителем и в среднем составляет 2 года при соблюдении условий хранения: сухое помещение, оригинальная упаковка и смазка.
Точный срок для конкретного типа подшипника уточняйте у наших менеджеров.
Пн–Пт: с 8:00 до 17:00 (МСК).
Сб–Вс: выходные дни.
Заказы на сайте принимаются круглосуточно. Заявки, поступившие после окончания рабочего дня, обрабатываются на следующий рабочий день.
Минимальная сумма заказа для доставки составляет 3000 рублей. Самовывоз со склада возможен на любую сумму при наличии товара.
ООО «УралТехГрупп»
ИНН: 7415093830
КПП: 772401001
ОГРН: 1167456069021
Банк: ПАО Сбербанк
Р/с: 40702810838000475273
К/с: 30101810400000000225
БИК: 044525225
У подшипника 63002-2RSR пока нет отзывов. Вы можете стать первым покупателем, поделившимся своим мнением.