Поиск подшипника
Статьи
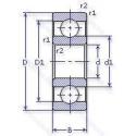
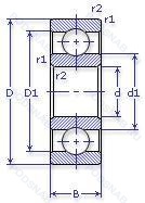
312 — Подшипник однорядный шариковый радиальный, основное исполнение, выпускается производителями: FAFNIR, FAG, RIV, SKF.
Размер подшипника: 60x130x31 мм.
Альтернативное обозначение: 6312.
Аналоги: 312 SKF,BL312 NTN,312K Fafnir.
Международная стандартизации ISO
312
В наличии
| Обозначение | Конструктивные изменения |
|---|---|
| 312WDGN | Канавка под стопорное кольцо на наружном кольце с соответствующим стопорным кольцом. Защитная шайба из штампованной стали с одной стороны. |
| 312R | Расточенное наружное кольцо. Подшипник однорядный радиального типа. Угол контакта 15°. |
| 312M | Максимальная производительность. Канавка для ввода тел качения. |
| 312MF | Миниатюрный метрический подшипник со специальными размерами и фланцевым наружным кольцом. |
| 312S | Single Row Radial Conrad-Type Bearings. |
| 312SZZC | Однорядный радиальный подшипник, ширина картриджа, с двумя уплотнениями. |
| 312SF | Bogie Carriage_ Clearance-Free. |
| 312SZZ | Однорядный радиальный подшипник. С двумя уплотнениями. |
| 312SFG | Single Row Radial Conrad-Type Bearings. Однорядный радиальный шарикоподшипник с защитной шайбой с одной стороны. Канавка под стопорное кольцо на наружном кольце с соответствующим стопорным кольцом. |
| 312NRMB | Канавка стопорного кольца на наружном кольце подшипника и соответствующим стопорным кольцом. |
| 312ACD | 25° Угол контакта. |
| NJ 312 ECML | Однорядный цилиндрический роликовый подшипник. |
| NU 312 ECML | Однорядный цилиндрический роликовый подшипник. |
| NUP 312 ECML | Однорядный цилиндрический роликовый подшипник. |
| NUP 312 ECM | Однорядный цилиндрический роликовый подшипник. |
| QJ 312 N2MA | Измененная или модифицированная внутренняя конструкция при неизменных основных размерах. Шариковый подшипник с четырехточечным контактом. |
| QJ 312 N2 M | Подшипник с латунным сепаратором. центрированный по телам качения. Два установочных паза (выемки), расположенных под углом 180° друг от друга в одной боковой поверхности наружного кольца или шайбе корпуса.. |
| NJ 312 ECPH | Однорядный цилиндрический роликовый подшипник. |
| NU 312 ECPH | Однорядный цилиндрический роликовый подшипник. |
| GEZ 312 ES-2LS | Контактное уплотнение с обеих сторон подшипника. Разъемное наружное кольцо со смазочными отверстиями. |
| GEZ 312 TXE-2LS | Контактное уплотнение с обеих сторон подшипника. Закаленная и шлифованная сталь. Скользящая поверхность покрыта твердым хромом и отполирована. |
| GEZH 312 ES | Разъемное наружное кольцо со смазочными отверстиями. |
| GEZH 312 ES-2RS | Резиновые уплотнения с каждой стороны подшипника. Разъемное наружное кольцо со смазочными отверстиями. |
| GEZM 312 ES | Разъемное наружное кольцо со смазочными отверстиями. |
| GEZM 312 ES-2RS | Резиновые уплотнения с каждой стороны подшипника. Разъемное наружное кольцо со смазочными отверстиями. |
Модификации шарикового подшипника 312 — это измененное основное конструктивное исполнение 312, основные размеры (60x130x31) не отличаются.
| Обозначение | Гост | Конструктивные особенности |
|---|---|---|
| 6312 | ISO | Подшипник однорядный шариковый радиальный. |
| BL312 | ISO | Подшипник однорядный шариковый радиальный. |
| 6312-NSL | ISO | Резиновое уплотнение с одной стороны. |
| 6312NS | ISO | RS1 BALL BEARING WITH RUBBING SEAL AT ONE SIDE. SEAL NORMALLY CONSISTS OS SHEET STEEL WASHER AND RUBBERISED FABRIC. |
| 6312ZZD C3 V2 | ISO | Внутренний зазор больше нормального. Уровень вибрации. Качество электродвигателя. Защитные металлические шайбы с двух сторон. |
| 6312-B-2BRS-GQK1-L365-R18-28 | ISO | Модифицированная внутренняя конструкция. Бесконтактные лабиринтные уплотнения с обеих сторон. Radial Clearance In μm. |
| 6312-C-2BRS | ISO | Модифицированная внутренняя конструкция. Бесконтактные лабиринтные уплотнения с обеих сторон. |
| 6312-C-2BRS-C3 | ISO | Модифицированная внутренняя конструкция. Внутренний зазор больше нормального. Бесконтактные лабиринтные уплотнения с обеих сторон. |
| 6312-J20AA | ISO | Электроизоляция. наружное кольцо с керамическим покрытием. |
| 6312-M-J20AA | ISO | Твердый латунный сепаратор. Шариковые направляющие. Электроизоляция. наружное кольцо с керамическим покрытием. |
| 6312 LLBC3 | ISO | Внутренний зазор больше нормального. Уплотнение бесконтактного типа из синтетического каучука. |
| 6312.EEC3 | ISO | Резиновые уплотнения с каждой стороны подшипника. |
| 6312 2RS P53 | ISO | Резиновые уплотнения с каждой стороны подшипника. Комбинация P5 = (Размерная и рабочая точность соответствует классу 5 допусков ISO) и С3 = (Внутренний зазор больше обычного). |
| 6312-C-2Z-L138-C3 | ISO | Модифицированная внутренняя конструкция. Внутренний зазор больше нормального. Зазорные уплотнения с обеих сторон.. NS Hi-Lube Grease Lithium Soap. Temperature Range -40°C/+130°C. |
| 6312-2RS1/C4 | ISO | Внутренний зазор подшипника больше. чем C3. Усиленные листовой сталью контактные уплотнения из акрилонитрил-бутадиенового каучука (NBR) с обеих сторон подшипника. |
| 6312ZZ NR | ISO | Защитные металлические шайбы с обеих сторон. Канавка под стопорное кольцо на наружном кольце с соответствующим стопорным кольцом. |
| 6312LLB CM | ISO | Уплотнение бесконтактного типа из синтетического каучука. Шариковый подшипник. Специальный радиальный внутренний зазор для электродвигателей. |
| 6312/C3S0 | ISO | Внутренний зазор больше нормального. Кольца или шайбы подшипников, стабилизированные по размерам для использования при рабочих температурах до +150°C (302°F). |
| 6312-2Z/C3/SQ77/L237 | ISO | Внутренний зазор больше нормального. Защитные металлические шайбы с обеих сторон. Высокотемпературная смазка. Изолированный до 500 Вольт. |
| 6312-2Z/JEM | ISO | Защитные металлические шайбы с обеих сторон подшипника. Сепаратор из штампованной стали. Элемент качения отцентрирован. Тихий ход. Зазор C3 (не обозначается на подшипнике). |
| 6312ZZ NR C3E | ISO | Защитные металлические шайбы с обеих сторон. Канавка под стопорное кольцо на наружном кольце с соответствующим стопорным кольцом. Внутренний зазор больше нормы. Класс электродвигателя. |
| 6312DDU C3 | ISO | Внутренний зазор больше нормального. Резиновые уплотнения с каждой стороны подшипника. |
Аналог шарикового подшипника 312 — это подшипник такого же размера dx60,Dx130,Bx31, типа и конструкции.
| Обозначение | Конструктивные особенности | Внутренний (d) | Наружный (D) | Ширина (B) |
|---|---|---|---|---|
| 402312-М1 | Роликовый радиальный цилиндрический подшипник. Модифицированный контакт.. | 60.00 | 130.00 | 31.00 |
| 42312-К1У | Роликовый радиальный однорядный подшипник. Кольцевая проточка на середине цилиндрической наружной поверхности наружного кольца плюс три отверстия для смазки. Дополнительные технические требования. | 60.00 | 130.00 | 31.00 |
| 42312-КМ | Роликовый радиальный однорядный подшипник. Кольцевая проточка на середине цилиндрической наружной поверхности наружного кольца плюс три отверстия для смазки. Модифицированный контакт.. | 60.00 | 130.00 | 31.00 |
| 42312-Л | Роликовый радиальный однорядный подшипник. Сепаратор из латуни.. | 60.00 | 130.00 | 31.00 |
| 42312-М1 | Роликовый радиальный однорядный подшипник. Модифицированный контакт.. | 60.00 | 130.00 | 31.00 |
| 42312ЛM | Роликовый радиальный однорядный подшипник. Подшипник с латунным сепаратором. центрированный по телам качения. Сепаратор из латуни.. | 60.00 | 130.00 | 31.00 |
| 46312-Е | Шариковый радиально-упорный однорядный подшипник. Сепаратор из текстолита.. | 60.00 | 130.00 | 31.00 |
| 46312-Л | Шариковый радиально-упорный однорядный подшипник. Сепаратор из латуни.. | 60.00 | 130.00 | 31.00 |
| 46312К | Шариковый радиально-упорный однорядный подшипник. «Замок» (скос) на внутреннем кольце плюс массивный сепаратор из текстолита. | 60.00 | 130.00 | 31.00 |
| 46312Л1 | Шариковый радиально-упорный однорядный подшипник. Сепаратор из латуни.. | 60.00 | 130.00 | 31.00 |
| 5-46312 Л | Шариковый радиально-упорный однорядный подшипник. Сепаратор из латуни.. | 60.00 | 130.00 | 31.00 |
| 50312-А | Шариковый радиальный однорядный подшипник. Повышенная грузоподъемность. | 60.00 | 130.00 | 31.00 |
| 50312-АW2 | Шариковый радиальный однорядный подшипник. Детали из вакуумированной стали.. Повышенная грузоподъемность. | 60.00 | 130.00 | 31.00 |
| 50312-М1 | Шариковый радиальный однорядный подшипник. Модифицированный контакт.. | 60.00 | 130.00 | 31.00 |
| 6-12312 КМ | Роликовый радиальный однорядный подшипник. Модифицированный контакт.. | 60.00 | 130.00 | 31.00 |
Способы доставки
Отправка через ведущие транспортные и курьерские компании: ПЭК, Деловые Линии, СДЭК, Байкал-Сервис, Энергия, КИТ, ЖелДорЭкспедиция.
Самовывоз возможен напрямую со склада в Москве.
Сроки доставки
Срок зависит от региона и выбранной транспортной компании. Все заказы комплектуются и отправляются в кратчайшие сроки со склада в Москве.
Надёжность и сохранность
Вся продукция упаковывается с учётом требований транспортировки. Мы гарантируем, что подшипники и комплектующие прибудут к заказчику в полной сохранности.
Доставка в страны ЕАЭС
Мы работаем с проверенными логистическими партнёрами, что позволяет оперативно доставлять заказы в Беларусь, Казахстан, Армению и другие страны ЕАЭС.
Варианты оплаты:
Минимальная сумма заказа и скидки:
Документы и гарантии:
Да, конечно! Наши технические специалисты готовы помочь вам с подбором точного аналога или замены подшипника. Просто позвоните нам по телефону +7 (495) 104-99-04 или напишите на почту zakaz@podsnab.ru.
Для оперативной консультации подготовьте, пожалуйста, имеющиеся данные: маркировку, размеры, тип оборудования или артикул старого подшипника.
Да, конечно! Мы высоко ценим долгосрочное сотрудничество и доверие клиентов по всей России. Для постоянных клиентов действует персональная система скидок.
Условия формируются индивидуально и зависят от:
Чтобы узнать свои условия и получить максимально выгодное предложение, свяжитесь с персональным менеджером или напишите нам на почту zakaz@podsnab.ru.
Вы можете оформить заказ несколькими способами:
Для оформления заказа от юридического лица свяжитесь с нашим отделом по работе с корпоративными клиентами по телефону +7 (495) 104-99-04 или напишите на email zakaz@podsnab.ru, прикрепив реквизиты вашей организации.
Мы оперативно подготовим коммерческое предложение и выставим счет.
Возврат товара надлежащего качества возможен в течение 10 дней с момента получения, если товар не был в употреблении, сохранен товарный вид, упаковка не вскрывалась и присутствуют все сопроводительные документы.
Возврат денежных средств осуществляется в течение 10 рабочих дней после проверки товара складом.
В соответствии с законодательством возврату не подлежат подшипники надлежащего качества, если отсутствует оригинальная упаковка или имеются следы монтажа.
В случае выявления брака или гарантийного случая мы гарантируем возврат или обмен товара.
Да, гарантийный срок хранения устанавливается заводом-изготовителем и в среднем составляет 2 года при соблюдении условий хранения: сухое помещение, оригинальная упаковка и смазка.
Точный срок для конкретного типа подшипника уточняйте у наших менеджеров.
Пн–Пт: с 8:00 до 17:00 (МСК).
Сб–Вс: выходные дни.
Заказы на сайте принимаются круглосуточно. Заявки, поступившие после окончания рабочего дня, обрабатываются на следующий рабочий день.
Минимальная сумма заказа для доставки составляет 3000 рублей. Самовывоз со склада возможен на любую сумму при наличии товара.
ООО «УралТехГрупп»
ИНН: 7415093830
КПП: 772401001
ОГРН: 1167456069021
Банк: ПАО Сбербанк
Р/с: 40702810838000475273
К/с: 30101810400000000225
БИК: 044525225
У подшипника 312 пока нет отзывов. Вы можете стать первым покупателем, поделившимся своим мнением.