Поиск подшипника
Статьи
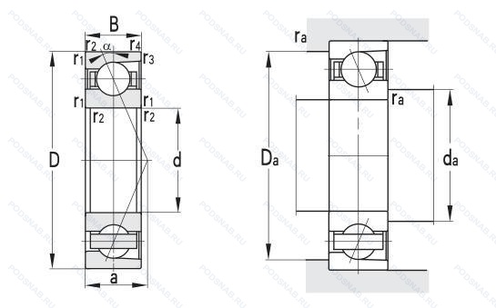
7315BM — Подшипник шариковый однорядный радиально-упорный, модификация основного исполнения 7315, выпускается производителями: NEUTRAL, ZWZ.
Размер подшипника: 75x160x37 мм.
Аналоги: 7315B.MP FAG,7315-B-MP FAG.
Международная стандартизации ISO
7315BM
В наличии
| Обозначение | Конструктивные изменения |
|---|---|
| 7315 B-UD | Конический роликовый подшипник. Угол контакта 20 градусов. |
| 7315 C-UO | 15° Угол контакта. Универсальный монтаж. Для установки по O- и X- образной схеме - беззазорные.. |
| 7315 C-UX | 15° Угол контакта. Универсальный монтаж, сверхлегкая предварительная нагрузка.. |
| 7315 A-UO | Двухрядный радиально-упорный шарикоподшипник без отверстия для смазки. Универсальный монтаж. Для установки по O- и X- образной схеме - беззазорные.. |
| 7315 B-UO | Конический роликовый подшипник. Угол контакта 20 градусов. Универсальный монтаж. Для установки по O- и X- образной схеме - беззазорные.. |
| 7315 A-UD | Двухрядный радиально-упорный шарикоподшипник без отверстия для смазки. |
| 7315DB | Two Single Row Deep Groove Ball Bearings. Single Row Angular Contact Ball Bearings Or Single Row Tapered Roller Bearings Matched For Mounting In A Back-To-Back Arrangement. |
| 7315BDT | Угол контакта 40°. Механически обработанный сепаратор из текстолита. |
| 7315BDF | Угол контакта 40°. Механически обработанный сепаратор из стали или специального чугуна. |
| 7315CDF | Механически обработанный сепаратор из стали или специального чугуна. Однорядный радиально-упорный шарикоподшипник улучшенной конструкции с углом контакта 15°. |
| 7315CDT | Механически обработанный сепаратор из текстолита. Однорядный радиально-упорный шарикоподшипник улучшенной конструкции с углом контакта 15°. |
| 7315CDB | Однорядный радиально-упорный шарикоподшипник улучшенной конструкции с углом контакта 15°. |
| 7315DT | Дуплексные подшипники для установки в тандеме. |
| 7315DF | Комплект из двух подшипников. согласованных для установки по Х-образной схеме. Число. следующее непосредственно после букв DF. обозначает конструкцию промежуточного кольца. |
| 7315 ADF | Механически обработанный сепаратор из стали или специального чугуна. |
| 7315 ADB | Modified Snap Ring Grooves In The Outer Ring_ Two-Piece Inner Ring Held Together By A Retaining Ring. |
| 7315 ADT | Механически обработанный сепаратор из текстолита. |
| 7315BBG | Универсальный подшипник. |
| 7315WN | Sizes 7201K Through 7203WN Have A 20° Угол контакта And A Nylon Cage. Sizes 7204WN through 7218WN have a 40° Угол контакта And A One-Piece. Ball Piloted. Pressed Brass Cage. Larger Sizes 7219WN Through 7230WN Have A 40° Угол контакта And A One-Piece. Outer Ring Piloted High-Strength Machined Bronze Cage. |
| 7315C | Угол контакта 15°. |
| 7315AC | Суффикс для радиально-упорного шарикоподшипника. |
| 7315-BECB-MP | Массивный латунный сепаратор. центрированный по телам качения. |
| 7315-BE-J | Дорожки качения наружного кольца. угол контакта и ширина наружного кольца в соответствии с ISO. Single Row Angular Contact Ball Bearing With A 40° Угол контакта And Optimized Internal Design. |
| 7315-BE-MP | Single Row Angular Contact Ball Bearing With A 40° Угол контакта And Optimized Internal Design. Массивный латунный сепаратор. центрированный по телам качения. |
| 7315BEA | 40° Угол контакта. High Capacity. All Four Corners Equal. |
Модификации шарикового подшипника 7315BM — это измененное основное конструктивное исполнение 7315, основные размеры (75x160x37) не отличаются.
| Обозначение | Конструктивные особенности | Внутренний (d) | Наружный (D) | Ширина (B) |
|---|---|---|---|---|
| 315-Ш | Шариковый радиальный однорядный подшипник. Нормы шумности. | 75.00 | 160.00 | 37.00 |
| 315-Ш1 | Шариковый радиальный однорядный подшипник. Нормы шумности. | 75.00 | 160.00 | 37.00 |
| 315-Ш2У | Шариковый радиальный однорядный подшипник. Дополнительные технические требования. Нормы шумности. | 75.00 | 160.00 | 37.00 |
| 1315 K + H 315 | Шариковый сферический двухрядный подшипник. Коническое внутреннее отверстие. Pressed Snap-Type Steel Cage. Hardened. 75mm. | 75.00 | 160.00 | 37.00 |
| 42315-К1М | Роликовый радиальный однорядный подшипник. Кольцевая проточка на середине цилиндрической наружной поверхности наружного кольца плюс три отверстия для смазки. Модифицированный контакт.. | 75.00 | 160.00 | 37.00 |
| 42315-К3М | Роликовый радиальный однорядный подшипник. Кольцевая проточка на середине цилиндрической наружной поверхности наружного кольца плюс три отверстия для смазки. Модифицированный контакт.. | 75.00 | 160.00 | 37.00 |
| 42315-КМ | Роликовый радиальный однорядный подшипник. Кольцевая проточка на середине цилиндрической наружной поверхности наружного кольца плюс три отверстия для смазки. Модифицированный контакт.. | 75.00 | 160.00 | 37.00 |
| 42315-Л | Роликовый радиальный однорядный подшипник. Сепаратор из латуни.. | 75.00 | 160.00 | 37.00 |
| 42315-ЛМ | Роликовый радиальный однорядный подшипник. Сепаратор из латуни.. Модифицированный контакт.. | 75.00 | 160.00 | 37.00 |
| 42315-М | Роликовый радиальный однорядный подшипник. Модифицированный контакт.. | 75.00 | 160.00 | 37.00 |
| 42315KM | Роликовый радиальный однорядный подшипник. Type Of Model. | 75.00 | 160.00 | 37.00 |
| 46315-E | Шариковый радиально-упорный однорядный подшипник. Повышенная грузоподъемность. | 75.00 | 160.00 | 37.00 |
| 46315-Л | Шариковый радиально-упорный однорядный подшипник. Сепаратор из латуни.. | 75.00 | 160.00 | 37.00 |
| 46315К | Шариковый радиально-упорный однорядный подшипник. «Замок» (скос) на внутреннем кольце плюс массивный сепаратор из текстолита. | 75.00 | 160.00 | 37.00 |
| 50315-А | Шариковый радиальный однорядный подшипник. Повышенная грузоподъемность. | 75.00 | 160.00 | 37.00 |
Способы доставки
Отправка через ведущие транспортные и курьерские компании: ПЭК, Деловые Линии, СДЭК, Байкал-Сервис, Энергия, КИТ, ЖелДорЭкспедиция.
Самовывоз возможен напрямую со склада в Москве.
Сроки доставки
Срок зависит от региона и выбранной транспортной компании. Все заказы комплектуются и отправляются в кратчайшие сроки со склада в Москве.
Надёжность и сохранность
Вся продукция упаковывается с учётом требований транспортировки. Мы гарантируем, что подшипники и комплектующие прибудут к заказчику в полной сохранности.
Доставка в страны ЕАЭС
Мы работаем с проверенными логистическими партнёрами, что позволяет оперативно доставлять заказы в Беларусь, Казахстан, Армению и другие страны ЕАЭС.
Варианты оплаты:
Минимальная сумма заказа и скидки:
Документы и гарантии:
Да, конечно! Наши технические специалисты готовы помочь вам с подбором точного аналога или замены подшипника. Просто позвоните нам по телефону +7 (495) 104-99-04 или напишите на почту zakaz@podsnab.ru.
Для оперативной консультации подготовьте, пожалуйста, имеющиеся данные: маркировку, размеры, тип оборудования или артикул старого подшипника.
Да, конечно! Мы высоко ценим долгосрочное сотрудничество и доверие клиентов по всей России. Для постоянных клиентов действует персональная система скидок.
Условия формируются индивидуально и зависят от:
Чтобы узнать свои условия и получить максимально выгодное предложение, свяжитесь с персональным менеджером или напишите нам на почту zakaz@podsnab.ru.
Вы можете оформить заказ несколькими способами:
Для оформления заказа от юридического лица свяжитесь с нашим отделом по работе с корпоративными клиентами по телефону +7 (495) 104-99-04 или напишите на email zakaz@podsnab.ru, прикрепив реквизиты вашей организации.
Мы оперативно подготовим коммерческое предложение и выставим счет.
Возврат товара надлежащего качества возможен в течение 10 дней с момента получения, если товар не был в употреблении, сохранен товарный вид, упаковка не вскрывалась и присутствуют все сопроводительные документы.
Возврат денежных средств осуществляется в течение 10 рабочих дней после проверки товара складом.
В соответствии с законодательством возврату не подлежат подшипники надлежащего качества, если отсутствует оригинальная упаковка или имеются следы монтажа.
В случае выявления брака или гарантийного случая мы гарантируем возврат или обмен товара.
Да, гарантийный срок хранения устанавливается заводом-изготовителем и в среднем составляет 2 года при соблюдении условий хранения: сухое помещение, оригинальная упаковка и смазка.
Точный срок для конкретного типа подшипника уточняйте у наших менеджеров.
Пн–Пт: с 8:00 до 17:00 (МСК).
Сб–Вс: выходные дни.
Заказы на сайте принимаются круглосуточно. Заявки, поступившие после окончания рабочего дня, обрабатываются на следующий рабочий день.
Минимальная сумма заказа для доставки составляет 3000 рублей. Самовывоз со склада возможен на любую сумму при наличии товара.
ООО «УралТехГрупп»
ИНН: 7415093830
КПП: 772401001
ОГРН: 1167456069021
Банк: ПАО Сбербанк
Р/с: 40702810838000475273
К/с: 30101810400000000225
БИК: 044525225
У подшипника 7315BM пока нет отзывов. Вы можете стать первым покупателем, поделившимся своим мнением.