Поиск подшипника
Статьи
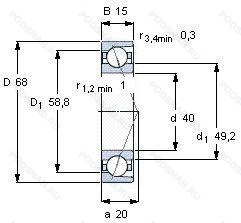
HS7008C.T.P4S.UL — Подшипник шариковый однорядный радиально-упорный, модификация основного исполнения HS7008, производство FAG.
Размер подшипника: 40x68x15 мм.
Высокоскоростной шпиндельный подшипник, класс точности. стандарт fag лучше чем p4, универсальный монтаж и легкий преднатяг, 15° угол контакта, textile laminated phenolic resin. outer ring guided. the cage is suitable for long-term operation at temperatures up to 100°c.
Альтернативное обозначение: 2MMV9108HX CR SUL, 40BNC10TRLP3, 7008CEGA/P4A, VEX40 7CE1 UL, ZSB108HCUL.
Аналоги: HS7008-C-T-P4S-UL FAG.
Международная стандартизации ISO
HS7008CTP4SUL
В наличии
| Обозначение | Конструктивные изменения |
|---|---|
| HS7008E.T.P4S.UL | Универсальный монтаж и легкий преднатяг. 25° Угол контакта. Textile Laminated Phenolic Resin. Outer Ring Guided. The Cage Is Suitable For Long-Term Operation At Temperatures Up To 100°C. Класс точности. стандарт FAG лучше чем P4. |
| HS7008-C-T-P4S-DUL | 15° Угол контакта. Textile Laminated Phenolic Resin. Outer Ring Guided. The Cage Is Suitable For Long-Term Operation At Temperatures Up To 100°C. Класс точности. стандарт FAG лучше чем P4. Комплект из 2 универсальных подшипников. Небольшой предварительный натяг. |
| HS7008-C-T-P4S-K5-UL | 15° Угол контакта. Универсальный монтаж и легкий преднатяг. Textile Laminated Phenolic Resin. Outer Ring Guided. The Cage Is Suitable For Long-Term Operation At Temperatures Up To 100°C. Комбинация P4S (граничные размеры ISO 4. ABEC-7. Точность вращения ISO 2. ABEC-9) и K5 (то же. что и P4S. но со средней сортировкой отверстия и наружного диаметра). |
| HS7008-C-T-P4S-K5-UM | 15° Угол контакта. Textile Laminated Phenolic Resin. Outer Ring Guided. The Cage Is Suitable For Long-Term Operation At Temperatures Up To 100°C. Однорядный. Универсальный. Средний преднатяг. Комбинация P4S (граничные размеры ISO 4. ABEC-7. Точность вращения ISO 2. ABEC-9) и K5 (то же. что и P4S. но со средней сортировкой отверстия и наружного диаметра). |
| HS7008-E-T-P4S-DUL | 25° Угол контакта. Textile Laminated Phenolic Resin. Outer Ring Guided. The Cage Is Suitable For Long-Term Operation At Temperatures Up To 100°C. Класс точности. стандарт FAG лучше чем P4. Комплект из 2 универсальных подшипников. Небольшой предварительный натяг. |
| HS7008-C-T-P4-UL | 15° Угол контакта. Универсальный монтаж и легкий преднатяг. Textile Laminated Phenolic Resin. Outer Ring Guided. The Cage Is Suitable For Long-Term Operation At Temperatures Up To 100°C. Класс точности Р4 по ISO (точнее. чем P5) - Abec.7. |
| HS7008-E-T-P4S | Повышенная грузоподъемность. Textile Laminated Phenolic Resin. Outer Ring Guided. The Cage Is Suitable For Long-Term Operation At Temperatures Up To 100°C. Класс точности. стандарт FAG лучше чем P4. |
| HS7008-C-T-P4S | 15° Угол контакта. Textile Laminated Phenolic Resin. Outer Ring Guided. The Cage Is Suitable For Long-Term Operation At Temperatures Up To 100°C. Класс точности. стандарт FAG лучше чем P4. |
Модификации шарикового подшипника HS7008C.T.P4S.UL — это измененное основное конструктивное исполнение HS7008, основные размеры (40x68x15) не отличаются.
| Обозначение | Гост | Конструктивные особенности |
|---|---|---|
| HCM7008-C-T-P4S-UL-XL | ISO | 15° Угол контакта. Универсальный монтаж и легкий преднатяг. Серия X-Life премиум-класс. увеличиный срок службы. Textile Laminated Phenolic Resin. Outer Ring Guided. The Cage Is Suitable For Long-Term Operation At Temperatures Up To 100°C. Класс точности. стандарт FAG лучше чем P4. |
| 801588A.L74T | ISO | 30° Угол контакта. Isoflex NBU15 Low Temperature Grease -50°C/+130°C. |
| VEX40 7CE2DL | ISO | Фенольная смола. One Bearing For A Back-To-Back Arrangement. Расположение внешнего сепаратора. P4 (SKF)=Abec.7. Легкий преднатяг. 18° Угол контакта. |
| 108BX48D22 0-67P2P003 | ISO | Angular Contact Bearing With Separable Relieved Inner Ring. |
| 7008ACEGA/P4A | ISO | Точность размеров в соответствии с классом допуска ISO 4. точность вращения лучше чем класс допуска ISO 4. Однорядный радиально-упорный шарикоподшипник для универсальной установки. Два подшипника. расположенных «спина к спине» или «лицом к лицу». будут иметь небольшой преднатяг. 25° Угол контакта And (E) Small Size Steel Balls. |
| S7008ACEGA/P4A | ISO | Точность размеров в соответствии с классом допуска ISO 4. точность вращения лучше чем класс допуска ISO 4. Однорядный радиально-упорный шарикоподшипник для универсальной установки. Два подшипника. расположенных «спина к спине» или «лицом к лицу». будут иметь небольшой преднатяг. 25° Угол контакта And (E) Small Size Steel Balls. |
| HCM7008-E-T-P4S-UL-XL | ISO | Универсальный монтаж и легкий преднатяг. 25° Угол контакта. Серия X-Life премиум-класс. увеличиный срок службы. Textile Laminated Phenolic Resin. Outer Ring Guided. The Cage Is Suitable For Long-Term Operation At Temperatures Up To 100°C. Класс точности. стандарт FAG лучше чем P4. |
| B7008-C-TVP-P4-UL | ISO | 15° Угол контакта. Универсальный монтаж и легкий преднатяг. Формованный полиамидный сепаратор оконного типа. Роликовые тела качения. Класс точности Р4 по ISO (точнее. чем P5) - Abec.7. |
| B7008-E-TVP-P4-UL | ISO | Универсальный монтаж и легкий преднатяг. 25° Угол контакта. Формованный полиамидный сепаратор оконного типа. Роликовые тела качения. Класс точности Р4 по ISO (точнее. чем P5) - Abec.7. |
| B7008-E-2RSD-T-P4S-K5-UH | ISO | Повышенная грузоподъемность. Textile Laminated Phenolic Resin. Outer Ring Guided. The Cage Is Suitable For Long-Term Operation At Temperatures Up To 100°C. Класс точности. стандарт FAG лучше чем P4. Lip Seals On Both Sides. Non-Contact. Ближе к стандартным допускам. Универсальный одиночный подшипник. Высокий преднатяг. |
| BNT008/GNP2 | ISO | Класс точности ISO. Нормальный преднатяг. |
| 7008CTYP5 | ISO | 15° Угол контакта. Размерная и рабочая точность соответствует классу допуска ISO 5. Шарикоподшипник. Радиально-упорный. Сверхточный. Сепаратор из полиамида. усиленного стекловолокном. |
| 7008ACEGA/HCP4AL1 | ISO | Точность размеров в соответствии с классом допуска ISO 4. точность вращения лучше чем класс допуска ISO 4. Однорядный радиально-упорный шарикоподшипник для универсальной установки. Два подшипника. расположенных «спина к спине» или «лицом к лицу». будут иметь небольшой преднатяг. Подшипник или компоненты подшипника из керамики. 25° Угол контакта And (E) Small Size Steel Balls. Annular Groove With Two Lubrication Holes And Two Annular Grooves Fitted With O-Rings In The Outer Ring (Optimized Position) For Direct Oil Lubrication. |
| S7008CEGA/HCP4A | ISO | Точность размеров в соответствии с классом допуска ISO 4. точность вращения лучше чем класс допуска ISO 4. Однорядный радиально-упорный шарикоподшипник для универсальной установки. Два подшипника. расположенных «спина к спине» или «лицом к лицу». будут иметь небольшой преднатяг. Подшипник или компоненты подшипника из керамики. 15° Угол контакта And (E) Small Size Steel Balls. |
| B7008C.TPA.HG.UM | ISO | 15° Угол контакта. Сепаратор из текстильной ламинированной фенольной смолы. Класс допуска (FAG) для подшипников шпинделя (аналог P2). Однорядный. Универсальный. Средний преднатяг. |
| 7008-B-XL-2RS-TVP-UL | ISO | Универсальный монтаж и легкий преднатяг. Резиновые уплотнения с каждой стороны подшипника. 40° Угол контакта. Серия X-Life премиум-класс. увеличиный срок службы. Формованный полиамидный сепаратор оконного типа. Роликовые тела качения. |
| CH7008HVUJ74 | ISO | Ламинированный фенольный сепаратор с центрированием на внешнем кольце. 25° Угол контакта. Небольшая предварительная нагрузка. Точность размеров и хода соответствует классу допусков 4 (более высокая. чем P5)-ABEC7. |
| 7008B FY | ISO | 40° Угол контакта. Обработанный латунный сепаратор. |
| 7008DB FY | ISO | Механически обработанный латунный сепаратор. Two Single Row Deep Groove Ball Bearings. Single Row Angular Contact Ball Bearings Or Single Row Tapered Roller Bearings Matched For Mounting In A Back-To-Back Arrangement. |
| H7008C T 2RSZ P4A UL | ISO | 15° Угол контакта. Универсальный монтаж и легкий преднатяг. Сепаратор из обработанной фенольной смолы. Расположен на элементах качения. Подшипник с чрезвычайно высокой точностью вращения (Abec9) и допуском формы (Abec7). Бесконтактное уплотнение с обеих сторон подшипника. |
Аналог шарикового подшипника HS7008C.T.P4S.UL — это подшипник такого же размера dx40,Dx68,Bx15, типа и конструкции.
| Обозначение | Конструктивные особенности | Внутренний (d) | Наружный (D) | Ширина (B) |
|---|---|---|---|---|
| 46108-Е5 | Шариковый радиально-упорный однорядный подшипник. Сепаратор из текстолита.. | 40.00 | 68.00 | 15.00 |
| 46108-Л | Шариковый радиально-упорный однорядный подшипник. Сепаратор из латуни.. | 40.00 | 68.00 | 15.00 |
| 46108E5 | Шариковый радиально-упорный однорядный подшипник. Смазочные отверстия и канавки во внутреннем кольце. | 40.00 | 68.00 | 15.00 |
| 46108К | Шариковый радиально-упорный однорядный подшипник. «Замок» (скос) на внутреннем кольце плюс массивный сепаратор из текстолита. | 40.00 | 68.00 | 15.00 |
| 5-108 Б | Шариковый радиальный однорядный подшипник. Сепаратор из безоловянистой бронзы.. | 40.00 | 68.00 | 15.00 |
| 5-108 Л | Шариковый радиальный однорядный подшипник. Сепаратор из латуни.. | 40.00 | 68.00 | 15.00 |
| 5-108 Р | Шариковый радиальный однорядный подшипник. Детали из теплоустойчивой (быстрорежущие) стали.. | 40.00 | 68.00 | 15.00 |
| 5-36108 Е | Шариковый радиально-упорный однорядный подшипник. Сепаратор из текстолита.. | 40.00 | 68.00 | 15.00 |
| 5-36108 К | Шариковый радиально-упорный однорядный подшипник. «Замок» (скос) на внутреннем кольце плюс массивный сепаратор из текстолита. | 40.00 | 68.00 | 15.00 |
| 5-46108 Е | Шариковый радиально-упорный однорядный подшипник. Сепаратор из текстолита.. | 40.00 | 68.00 | 15.00 |
| 5-46108 Е2 | Шариковый радиально-упорный однорядный подшипник. Сепаратор из пластических материалов.. | 40.00 | 68.00 | 15.00 |
| 5-46108 Е5 | Шариковый радиально-упорный однорядный подшипник. Сепаратор из текстолита.. | 40.00 | 68.00 | 15.00 |
| 5-46108 К | Шариковый радиально-упорный однорядный подшипник. «Замок» (скос) на внутреннем кольце плюс массивный сепаратор из текстолита. | 40.00 | 68.00 | 15.00 |
| 5-46108 Л | Шариковый радиально-упорный однорядный подшипник. Сепаратор из латуни.. | 40.00 | 68.00 | 15.00 |
| 6-108 А | Шариковый радиальный однорядный подшипник. Повышенная грузоподъемность. | 40.00 | 68.00 | 15.00 |
Способы доставки
Отправка через ведущие транспортные и курьерские компании: ПЭК, Деловые Линии, СДЭК, Байкал-Сервис, Энергия, КИТ, ЖелДорЭкспедиция.
Самовывоз возможен напрямую со склада в Москве.
Сроки доставки
Срок зависит от региона и выбранной транспортной компании. Все заказы комплектуются и отправляются в кратчайшие сроки со склада в Москве.
Надёжность и сохранность
Вся продукция упаковывается с учётом требований транспортировки. Мы гарантируем, что подшипники и комплектующие прибудут к заказчику в полной сохранности.
Доставка в страны ЕАЭС
Мы работаем с проверенными логистическими партнёрами, что позволяет оперативно доставлять заказы в Беларусь, Казахстан, Армению и другие страны ЕАЭС.
Варианты оплаты:
Минимальная сумма заказа и скидки:
Документы и гарантии:
Да, конечно! Наши технические специалисты готовы помочь вам с подбором точного аналога или замены подшипника. Просто позвоните нам по телефону +7 (495) 104-99-04 или напишите на почту zakaz@podsnab.ru.
Для оперативной консультации подготовьте, пожалуйста, имеющиеся данные: маркировку, размеры, тип оборудования или артикул старого подшипника.
Да, конечно! Мы высоко ценим долгосрочное сотрудничество и доверие клиентов по всей России. Для постоянных клиентов действует персональная система скидок.
Условия формируются индивидуально и зависят от:
Чтобы узнать свои условия и получить максимально выгодное предложение, свяжитесь с персональным менеджером или напишите нам на почту zakaz@podsnab.ru.
Вы можете оформить заказ несколькими способами:
Для оформления заказа от юридического лица свяжитесь с нашим отделом по работе с корпоративными клиентами по телефону +7 (495) 104-99-04 или напишите на email zakaz@podsnab.ru, прикрепив реквизиты вашей организации.
Мы оперативно подготовим коммерческое предложение и выставим счет.
Возврат товара надлежащего качества возможен в течение 10 дней с момента получения, если товар не был в употреблении, сохранен товарный вид, упаковка не вскрывалась и присутствуют все сопроводительные документы.
Возврат денежных средств осуществляется в течение 10 рабочих дней после проверки товара складом.
В соответствии с законодательством возврату не подлежат подшипники надлежащего качества, если отсутствует оригинальная упаковка или имеются следы монтажа.
В случае выявления брака или гарантийного случая мы гарантируем возврат или обмен товара.
Да, гарантийный срок хранения устанавливается заводом-изготовителем и в среднем составляет 2 года при соблюдении условий хранения: сухое помещение, оригинальная упаковка и смазка.
Точный срок для конкретного типа подшипника уточняйте у наших менеджеров.
Пн–Пт: с 8:00 до 17:00 (МСК).
Сб–Вс: выходные дни.
Заказы на сайте принимаются круглосуточно. Заявки, поступившие после окончания рабочего дня, обрабатываются на следующий рабочий день.
Минимальная сумма заказа для доставки составляет 3000 рублей. Самовывоз со склада возможен на любую сумму при наличии товара.
ООО «УралТехГрупп»
ИНН: 7415093830
КПП: 772401001
ОГРН: 1167456069021
Банк: ПАО Сбербанк
Р/с: 40702810838000475273
К/с: 30101810400000000225
БИК: 044525225
У подшипника HS7008C.T.P4S.UL пока нет отзывов. Вы можете стать первым покупателем, поделившимся своим мнением.