Поиск подшипника
Статьи
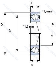
7201CD/P4A — Подшипник шариковый однорядный радиально-упорный, модификация основного исполнения 7201, производство SKF.
Размер подшипника: 12x32x10 мм.
Точность размеров в соответствии с классом допуска iso 4. точность вращения лучше чем класс допуска iso 4, 15° угол контакта.
Альтернативное обозначение: 7201X2 TA EP7, E212 7 CE1.
Аналоги: 7201C/P4 SKF.
Международная стандартизации ISO
7201CDP4A
В наличии
| Обозначение | Конструктивные изменения |
|---|---|
| 7201 C-UO | 15° Угол контакта. Универсальный монтаж. Для установки по O- и X- образной схеме - беззазорные.. |
| 7201 B-UD | Конический роликовый подшипник. Угол контакта 20 градусов. |
| 7201 C-UX | 15° Угол контакта. Универсальный монтаж, сверхлегкая предварительная нагрузка.. |
| 7201 C-UD | 15° Угол контакта. |
| 7201 A-UO | Двухрядный радиально-упорный шарикоподшипник без отверстия для смазки. Универсальный монтаж. Для установки по O- и X- образной схеме - беззазорные.. |
| 7201CDB | Однорядный радиально-упорный шарикоподшипник улучшенной конструкции с углом контакта 15°. |
| 7201CDF | Механически обработанный сепаратор из стали или специального чугуна. Однорядный радиально-упорный шарикоподшипник улучшенной конструкции с углом контакта 15°. |
| 7201CDT | Механически обработанный сепаратор из текстолита. Однорядный радиально-упорный шарикоподшипник улучшенной конструкции с углом контакта 15°. |
| 7201BDB | Угол контакта 40°. |
| 7201DT | Дуплексные подшипники для установки в тандеме. |
| 7201DB | Two Single Row Deep Groove Ball Bearings. Single Row Angular Contact Ball Bearings Or Single Row Tapered Roller Bearings Matched For Mounting In A Back-To-Back Arrangement. |
| 7201DF | Комплект из двух подшипников. согласованных для установки по Х-образной схеме. Число. следующее непосредственно после букв DF. обозначает конструкцию промежуточного кольца. |
| 7201BDF | Угол контакта 40°. Механически обработанный сепаратор из стали или специального чугуна. |
| 7201BDT | Угол контакта 40°. Механически обработанный сепаратор из текстолита. |
| 7201 ADF | Механически обработанный сепаратор из стали или специального чугуна. |
| 7201 ADT | Механически обработанный сепаратор из текстолита. |
| 5S-7201UCG/GNP42 | Угол контакта 15°. Универсальный подшипник. Класс точности JIS4 для размеров и JIS 2 для точности вращения. Гибридный подшипник. |
| 7201CGD2/GLP4 | Угол контакта 15°. Универсальный подшипник. Класс точности JIS4 / ISO 4. |
| 7201UCG/GNP42 | Угол контакта 15°. Универсальный подшипник. Класс точности JIS4 для размеров и JIS 2 для точности вращения. |
| 7201HG1UJ74 | Угол контакта 25°. Преднатяг (Лёгкий. Универсальные подшпники. |
| 7201C | Угол контакта 15°. |
| 7201 A | Двухрядный радиально-упорный шарикоподшипник без отверстия для смазки. |
| 7201CPA | Угол контакта 15 градусов. |
| 7201AC | Суффикс для радиально-упорного шарикоподшипника. |
| 7201BEA | 40° Угол контакта. High Capacity. All Four Corners Equal. |
Модификации шарикового подшипника 7201CD/P4A — это измененное основное конструктивное исполнение 7201, основные размеры (12x32x10) не отличаются.
| Обозначение | Гост | Конструктивные особенности |
|---|---|---|
| B7201CA TB P4 | ISO | 12° Угол контакта. Textite (Fabric Reïnforced Phenolic Resin) Cage Guided On The Inner Ring. Класс точности Р4 по ISO (точнее. чем P5) - Abec.7. |
| 201R | ISO | Расточенное наружное кольцо. Подшипник однорядный радиального типа. Угол контакта 15°. |
| SV7201C P4 TA X UL L0 | ISO | 15° Угол контакта. Универсальный монтаж и легкий преднатяг. Bore And Outer Diameter In 2 Groups. Цельный. центрированный по внешнему кольцу. механически обработанный. ламинированный. фенольный сепаратор. Класс точности Р4 по ISO (точнее. чем P5) - Abec.7. |
| SV7201E P4 TA X UL L0 | ISO | Универсальный монтаж и легкий преднатяг. 25° Угол контакта. Bore And Outer Diameter In 2 Groups. Цельный. центрированный по внешнему кольцу. механически обработанный. ламинированный. фенольный сепаратор. Класс точности Р4 по ISO (точнее. чем P5) - Abec.7. |
| 2MM201WI SUL | ISO | Одиночный подшипник. Универсальный. Легкий преднатяг. 15° Low Угол контакта. Superprecision Abec-7 (Iso P4).. Низкий борт на наружном кольце, стандартный сепаратор - формованный армированный нейлоновый. |
| E212 7 CE1 UL | ISO | Подшипник для универсального монтажа. Два подшипника. установленные по О-образной или Х-образной схеме. имеют лёгкий преднатяг. Расположение внешнего сепаратора. P4 (SKF)=Abec.7. CD (SKF)=15° Угол контакта. C-Phenolic Resin. E-External Cage Location. 1-15° Угол контакта. |
| 2MMV201WI CR SUL | ISO | Одиночный подшипник. Универсальный. Легкий преднатяг. 15° Low Угол контакта. Superprecision Abec-7 (Iso P4).. 15° Low Угол контакта. High Grade (HG) Between Abec-7 (ISO P4) And Abec-9 (ISO P2).. (TB-Segment) Phenolic (Composition) Fafnir Standard. Low Shoulder On Outer RIng (Standard Cage!!! (Molded Reinforced Nylon Cage)). |
| B7201A P4 | ISO | 25° Угол контакта. Класс точности Р4 по ISO (точнее. чем P5) - Abec.7. |
| B7201CA TB P5 | ISO | 12° Угол контакта. Размерная и рабочая точность соответствует классу допуска ISO 5. Textite (Fabric Reïnforced Phenolic Resin) Cage Guided On The Inner Ring. |
| B7201CB TB P4 | ISO | 10° Угол контакта. Textite (Fabric Reïnforced Phenolic Resin) Cage Guided On The Inner Ring. Класс точности Р4 по ISO (точнее. чем P5) - Abec.7. |
| B7201CB TB | ISO | 10° Угол контакта. Сепаратор оконного типа из фенольной смолы. армированной тканью. Центрирование по внутреннему кольцу. |
| B7201-E-T-P4S-UM | ISO | 25° Угол контакта. Textile Laminated Phenolic Resin. Outer Ring Guided. The Cage Is Suitable For Long-Term Operation At Temperatures Up To 100°C. Класс точности. стандарт FAG лучше чем P4. Однорядный. Универсальный. Средний преднатяг. |
| MM203KCR | ISO | Глубокая канавка радиальная. (TB-Segment) Phenolic (Composition) Fafnir Standard. |
| B7201E.TPA.P4.UL | ISO | Универсальный монтаж и легкий преднатяг. Сепаратор из текстильной ламинированной фенольной смолы. 25° Угол контакта. Точность размеров и хода соответствует классу допуска ISO 4 (точнее. чем P5) — Abec-7. |
| B7201C.TPA.HG.UL | ISO | 15° Угол контакта. Универсальный монтаж и легкий преднатяг. Сепаратор из текстильной ламинированной фенольной смолы. Класс допуска (FAG) для подшипников шпинделя (аналог P2). |
| B7201E.TPA.P4.UM | ISO | Сепаратор из текстильной ламинированной фенольной смолы. 25° Угол контакта. Точность размеров и хода соответствует классу допуска ISO 4 (точнее. чем P5) — Abec-7. Однорядный. Универсальный. Средний преднатяг. |
| B7201C.TPA.P2 | ISO | 15° Угол контакта. Сепаратор из текстильной ламинированной фенольной смолы. P2 класс точности - соответствует классу точности ABEC-9. |
| 201HCRRDUL G-75P2PF21 | ISO | 15° Угол контакта. Сепаратор из фенольной смолы с текстильным ламинированием. Внешнее кольцо центрировано. Устройство повторного смазывания со смазочной канавкой и отверстием на внешнем кольце. Комплект из 2 универсальных подшипников. Небольшой предварительный натяг. Double Seal. |
| B7201-C-T-P4S-UL | ISO | 15° Угол контакта. Универсальный монтаж и легкий преднатяг. Textile Laminated Phenolic Resin. Outer Ring Guided. The Cage Is Suitable For Long-Term Operation At Temperatures Up To 100°C. Класс точности. стандарт FAG лучше чем P4. |
| B7201-E-T-P4S-UL | ISO | Универсальный монтаж и легкий преднатяг. 25° Угол контакта. Textile Laminated Phenolic Resin. Outer Ring Guided. The Cage Is Suitable For Long-Term Operation At Temperatures Up To 100°C. Класс точности. стандарт FAG лучше чем P4. |
Аналог шарикового подшипника 7201CD/P4A — это подшипник такого же размера dx12,Dx32,Bx10, типа и конструкции.
| Обозначение | Конструктивные особенности | Внутренний (d) | Наружный (D) | Ширина (B) |
|---|---|---|---|---|
| 5-60201 Т2Ш2У | Шариковый радиальный однорядный подшипник. Дополнительные технические требования. 200°. Температура отпуска. Нормы шумности. | 12.00 | 32.00 | 10.00 |
| 5-80201 С2 | Шариковый радиальный однорядный подшипник. Смазка ЦИАТИМ-221. | 12.00 | 32.00 | 10.00 |
| 5-80201 С9 | Шариковый радиальный однорядный подшипник. Смазка ЛЗ-31. | 12.00 | 32.00 | 10.00 |
| 5-80201 С9Ш2У | Шариковый радиальный однорядный подшипник. Дополнительные технические требования. Нормы шумности. Смазка ЛЗ-31. | 12.00 | 32.00 | 10.00 |
| 5-80201 Ш2УС9 | Шариковый радиальный однорядный подшипник. Дополнительные технические требования. Нормы шумности. Смазка ЛЗ-31. | 12.00 | 32.00 | 10.00 |
| 6-180201 АС17 | Шариковый радиальный однорядный подшипник. Смазка Литол-24. Повышенная грузоподъемность. | 12.00 | 32.00 | 10.00 |
| 6-180201 С17 | Шариковый радиальный однорядный подшипник. Смазка Литол-24. | 12.00 | 32.00 | 10.00 |
| 6-180201 С9 | Шариковый радиальный однорядный подшипник. Смазка ЛЗ-31. | 12.00 | 32.00 | 10.00 |
| 6-180201 С9Ш1 | Шариковый радиальный однорядный подшипник. Нормы шумности. Смазка ЛЗ-31. | 12.00 | 32.00 | 10.00 |
| 6-180201 У2 | Шариковый радиальный однорядный подшипник. Дополнительные технические требования. | 12.00 | 32.00 | 10.00 |
| 6-180201 У2С21 | Шариковый радиальный однорядный подшипник. Смазка ЭРА. Дополнительные технические требования. | 12.00 | 32.00 | 10.00 |
| 6-180201 У2С9 | Шариковый радиальный однорядный подшипник. Дополнительные технические требования. Смазка ЛЗ-31. | 12.00 | 32.00 | 10.00 |
| 6-180201 У2С9Ш1 | Шариковый радиальный однорядный подшипник. Нормы шумности. Дополнительные технические требования. Смазка ЛЗ-31. | 12.00 | 32.00 | 10.00 |
| 6-180201 У3С9Ш1 | Шариковый радиальный однорядный подшипник. Нормы шумности. Дополнительные технические требования. Смазка ЛЗ-31. | 12.00 | 32.00 | 10.00 |
| 6-180201 Ш1С9 | Шариковый радиальный однорядный подшипник. Нормы шумности. Смазка ЛЗ-31. | 12.00 | 32.00 | 10.00 |
Способы доставки
Отправка через ведущие транспортные и курьерские компании: ПЭК, Деловые Линии, СДЭК, Байкал-Сервис, Энергия, КИТ, ЖелДорЭкспедиция.
Самовывоз возможен напрямую со склада в Москве.
Сроки доставки
Срок зависит от региона и выбранной транспортной компании. Все заказы комплектуются и отправляются в кратчайшие сроки со склада в Москве.
Надёжность и сохранность
Вся продукция упаковывается с учётом требований транспортировки. Мы гарантируем, что подшипники и комплектующие прибудут к заказчику в полной сохранности.
Доставка в страны ЕАЭС
Мы работаем с проверенными логистическими партнёрами, что позволяет оперативно доставлять заказы в Беларусь, Казахстан, Армению и другие страны ЕАЭС.
Варианты оплаты:
Минимальная сумма заказа и скидки:
Документы и гарантии:
Да, конечно! Наши технические специалисты готовы помочь вам с подбором точного аналога или замены подшипника. Просто позвоните нам по телефону +7 (495) 104-99-04 или напишите на почту zakaz@podsnab.ru.
Для оперативной консультации подготовьте, пожалуйста, имеющиеся данные: маркировку, размеры, тип оборудования или артикул старого подшипника.
Да, конечно! Мы высоко ценим долгосрочное сотрудничество и доверие клиентов по всей России. Для постоянных клиентов действует персональная система скидок.
Условия формируются индивидуально и зависят от:
Чтобы узнать свои условия и получить максимально выгодное предложение, свяжитесь с персональным менеджером или напишите нам на почту zakaz@podsnab.ru.
Вы можете оформить заказ несколькими способами:
Для оформления заказа от юридического лица свяжитесь с нашим отделом по работе с корпоративными клиентами по телефону +7 (495) 104-99-04 или напишите на email zakaz@podsnab.ru, прикрепив реквизиты вашей организации.
Мы оперативно подготовим коммерческое предложение и выставим счет.
Возврат товара надлежащего качества возможен в течение 10 дней с момента получения, если товар не был в употреблении, сохранен товарный вид, упаковка не вскрывалась и присутствуют все сопроводительные документы.
Возврат денежных средств осуществляется в течение 10 рабочих дней после проверки товара складом.
В соответствии с законодательством возврату не подлежат подшипники надлежащего качества, если отсутствует оригинальная упаковка или имеются следы монтажа.
В случае выявления брака или гарантийного случая мы гарантируем возврат или обмен товара.
Да, гарантийный срок хранения устанавливается заводом-изготовителем и в среднем составляет 2 года при соблюдении условий хранения: сухое помещение, оригинальная упаковка и смазка.
Точный срок для конкретного типа подшипника уточняйте у наших менеджеров.
Пн–Пт: с 8:00 до 17:00 (МСК).
Сб–Вс: выходные дни.
Заказы на сайте принимаются круглосуточно. Заявки, поступившие после окончания рабочего дня, обрабатываются на следующий рабочий день.
Минимальная сумма заказа для доставки составляет 3000 рублей. Самовывоз со склада возможен на любую сумму при наличии товара.
ООО «УралТехГрупп»
ИНН: 7415093830
КПП: 772401001
ОГРН: 1167456069021
Банк: ПАО Сбербанк
Р/с: 40702810838000475273
К/с: 30101810400000000225
БИК: 044525225
У подшипника 7201CD/P4A пока нет отзывов. Вы можете стать первым покупателем, поделившимся своим мнением.