Поиск подшипника
Статьи
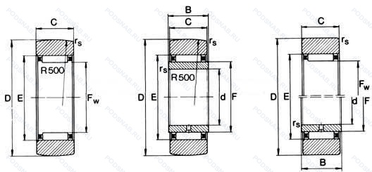
NAST40ZZUUR — Опорный ролик, модификация основного исполнения NAST40ZZ, производство IKO.
Размер ролика: 40x80x26 мм.
Rubber seals at each side of the bearing. with crowned outer race.
Международная стандартизации ISO
NAST40ZZUUR
В наличии
| Обозначение | Конструктивные изменения |
|---|---|
| NAST40ZZ | Защитные металлические шайбы с обеих сторон. Основное конструктивное исполнение. |
| NAST40ZZR | Две металлические защитные шайбы, наружное кольцо со сферической наружной поверхностью. |
Модификации опорного ролика NAST40ZZUUR — это измененное основное конструктивное исполнение NAST40ZZ, основные размеры (40x80x26) не отличаются.
| Обозначение | Гост | Конструктивные особенности |
|---|---|---|
| NAST40ZZ | ISO | Защитные металлические шайбы с обеих сторон. |
Аналог опорного ролика NAST40ZZUUR — это ролик такого же размера dx40,Dx80,Bx26, типа и конструкции.
| Обозначение | Конструктивные особенности | Внутренний (d) | Наружный (D) | Ширина (B) |
|---|---|---|---|---|
| RW508BR | Подшипник однорядный шариковый радиальный. Обработанный латунный сепаратор. | 39.69 | 80.00 | 25.00 |
| 88508 H401 C3 ABEC1 | Подшипник роликовый конический двухрядный. Внутренний зазор больше нормального. Класс точности. Внутренний суффикс-код MRC. | 40.00 | 80.00 | 27.00 |
| 3382/3324 | Однорядный конический роликовый подшипник. | 39.69 | 80.17 | 26.99 |
| 344A/3320 | Однорядный конический роликовый подшипник. Двухрядный радиально-упорный шарикоподшипник без отверстия для смазки. | 40.00 | 80.17 | 26.99 |
| 208KRR | Подшипник для корпуса. Манжетные уплотнения с обеих сторон (уплотнение типа R - имеет оцинкованные внутреннюю и внешнюю крышки. Между крышками имеется уплотнительная кромка NBR. идущая по шлифованному буртику). | 40.00 | 80.00 | 27.00 |
| 26881/26820 | однорядный конический роликовый подшипник. | 39.69 | 80.17 | 25.40 |
| 208-XL-KRR | Подшипник для корпуса. Серия X-Life премиум-класс. увеличиный срок службы. Манжетные уплотнения с обеих сторон (уплотнение типа R - имеет оцинкованные внутреннюю и внешнюю крышки. Между крышками имеется уплотнительная кромка NBR. идущая по шлифованному буртику). | 40.00 | 80.00 | 27.00 |
| 885082RS | Подшипник однорядный шариковый радиальный. Резиновые уплотнения с каждой стороны подшипника. | 40.00 | 80.00 | 27.00 |
| RW508ER | Подшипник однорядный шариковый радиальный. Эксцентриковое кольцо. | 39.69 | 80.00 | 25.00 |
| 88508 2RS C3 | Роликовый игольчатый подшипник. Внутренний зазор больше нормального. Резиновые уплотнения с каждой стороны подшипника. | 40.00 | 80.00 | 26.99 |
| 365208A | Сферический подшипник скольжения. Двухрядный радиально-упорный шарикоподшипник без отверстия для смазки. | 40.00 | 80.00 | 25.00 |
| 6-7508 А1 | Роликовый радиальный-упорный однорядный подшипник. Повышенная грузоподъемность. | 40.00 | 80.00 | 26.05 |
| 3007208А | Роликовый радиальный-упорный однорядный подшипник. Повышенная грузоподъемность. | 40.00 | 80.00 | 25.00 |
| 3067208А | Роликовый радиальный-упорный однорядный подшипник. Повышенная грузоподъемность. | 40.00 | 80.00 | 25.00 |
| 4T-26881/26822 | Роликовый радиальный-упорный конический однорядный подшипник. Цементованная сталь. | 39.69 | 79.38 | 25.40 |
Способы доставки
Отправка через ведущие транспортные и курьерские компании: ПЭК, Деловые Линии, СДЭК, Байкал-Сервис, Энергия, КИТ, ЖелДорЭкспедиция.
Самовывоз возможен напрямую со склада в Москве.
Сроки доставки
Срок зависит от региона и выбранной транспортной компании. Все заказы комплектуются и отправляются в кратчайшие сроки со склада в Москве.
Надёжность и сохранность
Вся продукция упаковывается с учётом требований транспортировки. Мы гарантируем, что подшипники и комплектующие прибудут к заказчику в полной сохранности.
Доставка в страны ЕАЭС
Мы работаем с проверенными логистическими партнёрами, что позволяет оперативно доставлять заказы в Беларусь, Казахстан, Армению и другие страны ЕАЭС.
Варианты оплаты:
Минимальная сумма заказа и скидки:
Документы и гарантии:
Да, конечно! Наши технические специалисты готовы помочь вам с подбором точного аналога или замены подшипника. Просто позвоните нам по телефону +7 (495) 104-99-04 или напишите на почту zakaz@podsnab.ru.
Для оперативной консультации подготовьте, пожалуйста, имеющиеся данные: маркировку, размеры, тип оборудования или артикул старого подшипника.
Да, конечно! Мы высоко ценим долгосрочное сотрудничество и доверие клиентов по всей России. Для постоянных клиентов действует персональная система скидок.
Условия формируются индивидуально и зависят от:
Чтобы узнать свои условия и получить максимально выгодное предложение, свяжитесь с персональным менеджером или напишите нам на почту zakaz@podsnab.ru.
Вы можете оформить заказ несколькими способами:
Для оформления заказа от юридического лица свяжитесь с нашим отделом по работе с корпоративными клиентами по телефону +7 (495) 104-99-04 или напишите на email zakaz@podsnab.ru, прикрепив реквизиты вашей организации.
Мы оперативно подготовим коммерческое предложение и выставим счет.
Возврат товара надлежащего качества возможен в течение 10 дней с момента получения, если товар не был в употреблении, сохранен товарный вид, упаковка не вскрывалась и присутствуют все сопроводительные документы.
Возврат денежных средств осуществляется в течение 10 рабочих дней после проверки товара складом.
В соответствии с законодательством возврату не подлежат подшипники надлежащего качества, если отсутствует оригинальная упаковка или имеются следы монтажа.
В случае выявления брака или гарантийного случая мы гарантируем возврат или обмен товара.
Да, гарантийный срок хранения устанавливается заводом-изготовителем и в среднем составляет 2 года при соблюдении условий хранения: сухое помещение, оригинальная упаковка и смазка.
Точный срок для конкретного типа подшипника уточняйте у наших менеджеров.
Пн–Пт: с 8:00 до 17:00 (МСК).
Сб–Вс: выходные дни.
Заказы на сайте принимаются круглосуточно. Заявки, поступившие после окончания рабочего дня, обрабатываются на следующий рабочий день.
Минимальная сумма заказа для доставки составляет 3000 рублей. Самовывоз со склада возможен на любую сумму при наличии товара.
ООО «УралТехГрупп»
ИНН: 7415093830
КПП: 772401001
ОГРН: 1167456069021
Банк: ПАО Сбербанк
Р/с: 40702810838000475273
К/с: 30101810400000000225
БИК: 044525225
У подшипника NAST40ZZUUR пока нет отзывов. Вы можете стать первым покупателем, поделившимся своим мнением.