Поиск подшипника
Статьи
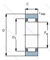
RNA2200 2RS — Опорный ролик, модификация основного исполнения RNA2200, выпускается производителями: FAG, INA, KOYO, NEUTRAL, SKF, TORRINGTON.
Размер ролика: 14x30x13 мм.
Игольчатый подшипник без внутреннего кольца, смазочное отверстие в наружном кольце, резиновые уплотнения с каждой стороны подшипника.
Аналоги: RNA2200 2RS INA,RNA2200-2RSR INA,RNA2200.2RS SKF.
Международная стандартизации ISO
RNA22002RS
В наличии
| Обозначение | Конструктивные изменения |
|---|---|
| RNA2200.2RSR | Резиновые уплотнения с каждой стороны подшипника. |
| RNA2200 2RSX | Rubber Seals At Each Side Of The Bearing. Temperature Range -30℃/+120℃. Цилиндрическая рабочая поверхность. |
| RNA2200LL/3AS | Контактное. синтетические. резиновое уплотнение с двух сторон. Смазка. Shell Oil Co. Смазка Alvania #3, стандартная заливка.. |
| RNA2200PPX | Скользящие уплотнительные кольца из полиамида с обеих сторон, улучшенный корончатый профиль рабочей поверхности наружного кольца. |
| RNA2200LL | Контактное. синтетические. резиновое уплотнение с двух сторон. |
| RNA2200-X-2RSR | Rubber Seals At Each Side Of The Bearing. Temperature Range -30℃/+120℃. Цилиндрическая рабочая поверхность. |
| RNA2200 | Опорный ролик. Основное конструктивное исполнение. |
| RNA2200XLL | Два уплотнения. |
Модификации опорного ролика RNA2200 2RS — это измененное основное конструктивное исполнение RNA2200, основные размеры (14x30x13) не отличаются.
| Обозначение | Конструктивные особенности | Внутренний (d) | Наружный (D) | Ширина (B) |
|---|---|---|---|---|
| KRVE30PP | Кулачковый ролик толкатель. Уплотнения на каждой стороне подшипника. | 15.00 | 30.00 | 14.00 |
| KRE30PPA | Кулачковый ролик толкатель. Скользящие уплотнительные кольца из полиамида с обеих сторон, улучшенный корончатый профиль рабочей поверхности наружного кольца. | 15.00 | 30.00 | 14.00 |
| GCR30EE | Кулачковый ролик толкатель. Пластиковые уплотнения с каждой стороны подшипника. | 15.00 | 30.00 | 14.00 |
| GCRL30EE | Кулачковый ролик толкатель. Пластиковые уплотнения с каждой стороны подшипника. | 15.00 | 30.00 | 14.00 |
| KRE30B | Кулачковый ролик толкатель. Конический роликовый подшипник. Угол контакта 20 градусов. | 15.00 | 30.00 | 14.00 |
| GCR30EEM | Кулачковый ролик толкатель. Металлические уплотнения с двух сторон подшипника. | 15.00 | 30.00 | 14.00 |
| KRE30PP | Кулачковый ролик толкатель. Манжетные уплотнения с обеих сторон (тип P - две шайбы из оцинкованной листовой стали с промежуточной частью NBR. Кромка уплотнения предварительно нагружена в осевом направлении). Диапазон температур -30℃/+100℃. | 15.00 | 30.00 | 14.00 |
| KRE30PPX | Кулачковый ролик толкатель. Скользящие уплотнительные кольца из полиамида с обеих сторон, улучшенный корончатый профиль рабочей поверхности наружного кольца. | 15.00 | 30.00 | 14.00 |
| KRE30X | Кулачковый ролик толкатель. Цилиндрическая рабочая поверхность. | 15.00 | 30.00 | 14.00 |
| KRE30-B-NMT | Кулачковый ролик толкатель. Внутренняя модификация конструкции. Может использоваться в качестве стандартного. Шестигранная гайка. | 15.00 | 30.00 | 14.00 |
| KRVE30PPX | Кулачковый ролик толкатель. Цилиндрическая рабочая поверхность. Манжетные уплотнения с обеих сторон (тип P - две шайбы из оцинкованной листовой стали с промежуточной частью NBR. Кромка уплотнения предварительно нагружена в осевом направлении). Диапазон температур -30℃/+100℃. | 15.00 | 30.00 | 14.00 |
| KRVE30LL | Кулачковый ролик толкатель. Контактное. синтетические. резиновое уплотнение с двух сторон. | 15.00 | 30.00 | 14.00 |
| GCR30EE SK | Кулачковый ролик толкатель. Кулачковый толкатель штифтового типа. С шестигранной головкой. Пластиковые уплотнения с каждой стороны подшипника. | 15.00 | 30.00 | 14.00 |
| В0-422902 У | Роликовый радиальный цилиндрический однорядный подшипник. Дополнительные технические требования. | 14.00 | 30.00 | 14.00 |
| ARX15X30X12 | Роликовый игольчатый подшипник однорядный. Изменённая фаска. | 15.00 | 30.00 | 12.00 |
Способы доставки
Отправка через ведущие транспортные и курьерские компании: ПЭК, Деловые Линии, СДЭК, Байкал-Сервис, Энергия, КИТ, ЖелДорЭкспедиция.
Самовывоз возможен напрямую со склада в Москве.
Сроки доставки
Срок зависит от региона и выбранной транспортной компании. Все заказы комплектуются и отправляются в кратчайшие сроки со склада в Москве.
Надёжность и сохранность
Вся продукция упаковывается с учётом требований транспортировки. Мы гарантируем, что подшипники и комплектующие прибудут к заказчику в полной сохранности.
Доставка в страны ЕАЭС
Мы работаем с проверенными логистическими партнёрами, что позволяет оперативно доставлять заказы в Беларусь, Казахстан, Армению и другие страны ЕАЭС.
Варианты оплаты:
Минимальная сумма заказа и скидки:
Документы и гарантии:
Да, конечно! Наши технические специалисты готовы помочь вам с подбором точного аналога или замены подшипника. Просто позвоните нам по телефону +7 (495) 104-99-04 или напишите на почту zakaz@podsnab.ru.
Для оперативной консультации подготовьте, пожалуйста, имеющиеся данные: маркировку, размеры, тип оборудования или артикул старого подшипника.
Да, конечно! Мы высоко ценим долгосрочное сотрудничество и доверие клиентов по всей России. Для постоянных клиентов действует персональная система скидок.
Условия формируются индивидуально и зависят от:
Чтобы узнать свои условия и получить максимально выгодное предложение, свяжитесь с персональным менеджером или напишите нам на почту zakaz@podsnab.ru.
Вы можете оформить заказ несколькими способами:
Для оформления заказа от юридического лица свяжитесь с нашим отделом по работе с корпоративными клиентами по телефону +7 (495) 104-99-04 или напишите на email zakaz@podsnab.ru, прикрепив реквизиты вашей организации.
Мы оперативно подготовим коммерческое предложение и выставим счет.
Возврат товара надлежащего качества возможен в течение 10 дней с момента получения, если товар не был в употреблении, сохранен товарный вид, упаковка не вскрывалась и присутствуют все сопроводительные документы.
Возврат денежных средств осуществляется в течение 10 рабочих дней после проверки товара складом.
В соответствии с законодательством возврату не подлежат подшипники надлежащего качества, если отсутствует оригинальная упаковка или имеются следы монтажа.
В случае выявления брака или гарантийного случая мы гарантируем возврат или обмен товара.
Да, гарантийный срок хранения устанавливается заводом-изготовителем и в среднем составляет 2 года при соблюдении условий хранения: сухое помещение, оригинальная упаковка и смазка.
Точный срок для конкретного типа подшипника уточняйте у наших менеджеров.
Пн–Пт: с 8:00 до 17:00 (МСК).
Сб–Вс: выходные дни.
Заказы на сайте принимаются круглосуточно. Заявки, поступившие после окончания рабочего дня, обрабатываются на следующий рабочий день.
Минимальная сумма заказа для доставки составляет 3000 рублей. Самовывоз со склада возможен на любую сумму при наличии товара.
ООО «УралТехГрупп»
ИНН: 7415093830
КПП: 772401001
ОГРН: 1167456069021
Банк: ПАО Сбербанк
Р/с: 40702810838000475273
К/с: 30101810400000000225
БИК: 044525225
У подшипника RNA2200 2RS пока нет отзывов. Вы можете стать первым покупателем, поделившимся своим мнением.