Поиск подшипника
Статьи
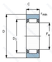
RNA2204 2RS — Опорный ролик, модификация основного исполнения RNA2204, выпускается производителями: FAG, INA, KOYO, NEUTRAL, SKF, TORRINGTON.
Размер ролика: 25x47x17 мм.
Игольчатый подшипник без внутреннего кольца, смазочное отверстие в наружном кольце, резиновые уплотнения с каждой стороны подшипника.
Аналоги: RNA2204-2RSR-A INA,RNA2204 2RSA INA,RNA2204-2RSR INA,RNA2204.2RS SKF.
Международная стандартизации ISO
RNA22042RS
В наличии
| Обозначение | Конструктивные изменения |
|---|---|
| RNA2204-2RSR | Резиновые уплотнения с каждой стороны подшипника. |
| RNA2204 2RSXA | Переделка во внутренней конструкции. Идентичен старой нотации. Rubber Seals At Each Side Of The Bearing. Temperature Range -30℃/+120℃. Цилиндрическая рабочая поверхность. |
| RNA2204-2RSR-A | Переделка во внутренней конструкции. Идентичен старой нотации. Rubber Seals At Each Side Of The Bearing. Temperature Range -30℃/+120℃. |
| RNA2204 | Опорный ролик. Основное конструктивное исполнение. |
| RNA2204XLL | Два уплотнения. |
Модификации опорного ролика RNA2204 2RS — это измененное основное конструктивное исполнение RNA2204, основные размеры (25x47x17) не отличаются.
| Обозначение | Конструктивные особенности | Внутренний (d) | Наружный (D) | Ширина (B) |
|---|---|---|---|---|
| 63005-A-2RSR-L055/80 | Подшипник однорядный шариковый радиальный. Модификация внутренней конструкции. Резиновые уплотнения с каждой стороны подшипника. Смазка (в зависимости от заказчика). Fill Factor %. | 25.00 | 47.00 | 16.00 |
| NCF 3005 CV | Роликовый радиальный цилиндрический однорядный подшипник. Полноразмерный цилиндрический роликоподшипник с модифицированной внутренней конструкцией. Однорядный без сепараторный цилиндрический роликовый подшипник. | 25.00 | 47.00 | 16.00 |
| 6-3007105 А | Роликовый радиальный-упорный однорядный подшипник. Повышенная грузоподъемность. | 25.00 | 47.00 | 17.00 |
| 3007105A | Роликовый радиальный-упорный однорядный подшипник. Двухрядный радиально-упорный шарикоподшипник без отверстия для смазки. | 25.00 | 47.00 | 17.00 |
| NN3005K | Роликовый радиальный цилиндрический двухрядный подшипник. Коническое внутреннее отверстие. Двухрядный цилиндрический роликовый подшипник. | 25.00 | 47.00 | 16.00 |
| NN3005 | Роликовый радиальный цилиндрический двухрядный подшипник. Канавка под стопорное кольцо на наружном кольце подшипника. Двухрядный цилиндрический роликовый подшипник. | 25.00 | 47.00 | 16.00 |
| RN2205-E-MPBX | Роликовый радиальный однорядный подшипник. Повышенная грузоподъемность. | 25.00 | 46.50 | 18.00 |
| NN 3005/SP | Роликовый радиальный цилиндрический двухрядный подшипник. Точность размеров примерно соответствует классу точности Р5. биения — классу точности Р4. Двухрядный цилиндрический роликовый подшипник. | 25.00 | 47.00 | 16.00 |
| E33005J | Роликовый радиальный-упорный однорядный подшипник. Дорожки качения наружного кольца. угол контакта и ширина наружного кольца в соответствии с ISO. | 25.00 | 47.00 | 17.00 |
| 958705-К | Шариковый упорный однорядный подшипник. «Замок» (скос) на внутреннем кольце плюс массивный сепаратор из текстолита. | 25.00 | 47.00 | 16.00 |
| 3005-B-TVH | Шариковый радиально-упорный подшипник. Модифицированная внутренняя конструкция. Твердая клетка из полиамида. | 25.00 | 47.00 | 16.00 |
| 3005-B-2RSR-TVH | Шариковый радиально-упорный подшипник. Модифицированная внутренняя конструкция. Твердая клетка из полиамида. Резиновые уплотнения с каждой стороны подшипника. | 25.00 | 47.00 | 16.00 |
| 3005-B-2Z-TVH | Шариковый радиально-упорный подшипник. Модифицированная внутренняя конструкция. Защитные металлические шайбы с обеих сторон подшипника. Твердая клетка из полиамида. | 25.00 | 47.00 | 16.00 |
| RNA4906R+IR25X35X17 | Роликовый игольчатый подшипник однорядный. Изменённая фаска. | 25.00 | 47.00 | 17.00 |
| 33005A | Роликовый радиальный-упорный однорядный подшипник. Двухрядный радиально-упорный шарикоподшипник без отверстия для смазки. | 25.00 | 47.00 | 17.00 |
Способы доставки
Отправка через ведущие транспортные и курьерские компании: ПЭК, Деловые Линии, СДЭК, Байкал-Сервис, Энергия, КИТ, ЖелДорЭкспедиция.
Самовывоз возможен напрямую со склада в Москве.
Сроки доставки
Срок зависит от региона и выбранной транспортной компании. Все заказы комплектуются и отправляются в кратчайшие сроки со склада в Москве.
Надёжность и сохранность
Вся продукция упаковывается с учётом требований транспортировки. Мы гарантируем, что подшипники и комплектующие прибудут к заказчику в полной сохранности.
Доставка в страны ЕАЭС
Мы работаем с проверенными логистическими партнёрами, что позволяет оперативно доставлять заказы в Беларусь, Казахстан, Армению и другие страны ЕАЭС.
Варианты оплаты:
Минимальная сумма заказа и скидки:
Документы и гарантии:
Да, конечно! Наши технические специалисты готовы помочь вам с подбором точного аналога или замены подшипника. Просто позвоните нам по телефону +7 (495) 104-99-04 или напишите на почту zakaz@podsnab.ru.
Для оперативной консультации подготовьте, пожалуйста, имеющиеся данные: маркировку, размеры, тип оборудования или артикул старого подшипника.
Да, конечно! Мы высоко ценим долгосрочное сотрудничество и доверие клиентов по всей России. Для постоянных клиентов действует персональная система скидок.
Условия формируются индивидуально и зависят от:
Чтобы узнать свои условия и получить максимально выгодное предложение, свяжитесь с персональным менеджером или напишите нам на почту zakaz@podsnab.ru.
Вы можете оформить заказ несколькими способами:
Для оформления заказа от юридического лица свяжитесь с нашим отделом по работе с корпоративными клиентами по телефону +7 (495) 104-99-04 или напишите на email zakaz@podsnab.ru, прикрепив реквизиты вашей организации.
Мы оперативно подготовим коммерческое предложение и выставим счет.
Возврат товара надлежащего качества возможен в течение 10 дней с момента получения, если товар не был в употреблении, сохранен товарный вид, упаковка не вскрывалась и присутствуют все сопроводительные документы.
Возврат денежных средств осуществляется в течение 10 рабочих дней после проверки товара складом.
В соответствии с законодательством возврату не подлежат подшипники надлежащего качества, если отсутствует оригинальная упаковка или имеются следы монтажа.
В случае выявления брака или гарантийного случая мы гарантируем возврат или обмен товара.
Да, гарантийный срок хранения устанавливается заводом-изготовителем и в среднем составляет 2 года при соблюдении условий хранения: сухое помещение, оригинальная упаковка и смазка.
Точный срок для конкретного типа подшипника уточняйте у наших менеджеров.
Пн–Пт: с 8:00 до 17:00 (МСК).
Сб–Вс: выходные дни.
Заказы на сайте принимаются круглосуточно. Заявки, поступившие после окончания рабочего дня, обрабатываются на следующий рабочий день.
Минимальная сумма заказа для доставки составляет 3000 рублей. Самовывоз со склада возможен на любую сумму при наличии товара.
ООО «УралТехГрупп»
ИНН: 7415093830
КПП: 772401001
ОГРН: 1167456069021
Банк: ПАО Сбербанк
Р/с: 40702810838000475273
К/с: 30101810400000000225
БИК: 044525225
У подшипника RNA2204 2RS пока нет отзывов. Вы можете стать первым покупателем, поделившимся своим мнением.