Поиск подшипника
Статьи
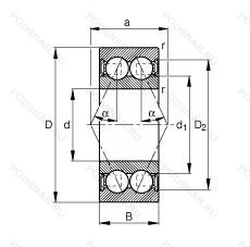
3005-B-2RSR-TVH — Шариковый радиально-упорный подшипник, модификация основного исполнения 3005, производство FAG.
Размер подшипника: 25x47x16 мм.
Резиновые уплотнения с каждой стороны подшипника, твердая клетка из полиамида, модифицированная внутренняя конструкция.
Международная стандартизации ISO
3005B2RSRTVH
В наличии
| Обозначение | Конструктивные изменения |
|---|---|
| 3005-2Z-L091 | Защитные металлические шайбы с обеих сторон подшипника. Optimized Grease For All Purposes. Temperature Range Approximately -50°C / +120°C - Description/ Isoflex® LDS 18 Special A)-Is A Dynamically Light Long-Term Grease For Plain And Rolling Bearings. It Consists Of Ester Oil. Mineral Oil And Lithium Soap. The Product Is Resistant To Ageing. Oxidation And Water. And It Protects Reliably Against Corrosion. Application/ Isoflex® LDS 18 Special A Is Suitable For Plain And Rolling Bearings Operating At Low Temperatures And/Or High Speeds. For Example In Grinding Spindles. Machine Tool Spindles. Spindle Bearings. Textile Spindles. Bearings In Oe-Spinning Turbines. Bearings In Precision And Optical Equipment. |
| 3005-2Z | Защитные металлические шайбы с обеих сторон подшипника. |
| 3005-2RS | Контактные уплотнения типа RS с обеих сторон игольчатого роликоподшипника. |
| 3005ZZ | Защитные металлические шайбы с обеих сторон. |
| 3005B 2RS | Резиновые уплотнения с каждой стороны подшипника. Конический роликовый подшипник. Угол контакта 20 градусов. |
| 3005B-2RSRTNG | 25° Угол контакта. Резиновые уплотнения с каждой стороны подшипника. Сепаратор из полиамида 66. армированного стекловолокном. |
| 3005 | Шариковый радиально-упорный подшипник. Основное конструктивное исполнение. |
| 3005B-2RSRTNH/YRLN | 25° Угол контакта. Подшипник с защелкиваемым сепаратором из пластмассы. Резиновые уплотнения с каждой стороны подшипника. |
| 3005TN | Пластиковый сепаратор. |
| NCF 3005 CV | Полноразмерный цилиндрический роликоподшипник с модифицированной внутренней конструкцией. Однорядный без сепараторный цилиндрический роликовый подшипник. |
| NN 3005/SP | Точность размеров примерно соответствует классу точности Р5. биения — классу точности Р4. Двухрядный цилиндрический роликовый подшипник. |
| 3005-B-TVH | Модифицированная внутренняя конструкция. Твердая клетка из полиамида. |
| 3005-B-2Z-TVH | Модифицированная внутренняя конструкция. Защитные металлические шайбы с обеих сторон подшипника. Твердая клетка из полиамида. |
Модификации шарикового подшипника 3005-B-2RSR-TVH — это измененное основное конструктивное исполнение 3005, основные размеры (25x47x16) не отличаются.
| Обозначение | Конструктивные особенности | Внутренний (d) | Наружный (D) | Ширина (B) |
|---|---|---|---|---|
| SF05A26 | Шариковый радиально-упорный однорядный подшипник. Coating With ATCoat. | 26.00 | 47.00 | 15.00 |
| SAC2547-2 | Шариковый радиально-упорный однорядный подшипник. ISO Tolerance Class ABEC.9. | 25.00 | 47.00 | 15.00 |
| SAC2547-1 | Шариковый радиально-упорный однорядный подшипник. Number Of Carriages Per Rail Track. | 25.00 | 47.00 | 15.00 |
| 6-60805 АК1Ш1 | Шариковый радиальный однорядный подшипник. Нормы шумности. Повышенная грузоподъемность. | 25.00 | 47.00 | 15.00 |
| 6-60805 АК1Ш | Шариковый радиальный однорядный подшипник. Повышенная грузоподъемность. Нормы шумности. | 25.00 | 47.00 | 15.00 |
| 6-60805 Ш | Шариковый радиальный однорядный подшипник. Нормы шумности. | 25.00 | 47.00 | 15.00 |
| RNA4906R+IR25X35X17 | Роликовый игольчатый подшипник однорядный. Изменённая фаска. | 25.00 | 47.00 | 17.00 |
| 33005A | Роликовый радиальный-упорный однорядный подшипник. Двухрядный радиально-упорный шарикоподшипник без отверстия для смазки. | 25.00 | 47.00 | 17.00 |
| HI-CAP 57218/32005J | Роликовый радиальный-упорный однорядный подшипник. Угол контакта 20 градусов. | 25.00 | 47.00 | 15.00 |
| В0-8205 К | Шариковый упорный однорядный подшипник. «Замок» (скос) на внутреннем кольце плюс массивный сепаратор из текстолита. | 25.00 | 47.00 | 15.00 |
| 51205 V/HR11Q1 | Шариковый упорный однорядный подшипник. Подшипник без сепаратора. С полным комплектом тел качения. | 25.00 | 47.00 | 15.00 |
| 51205 V/HR22T2 | Шариковый упорный однорядный подшипник. Подшипник без сепаратора. С полным комплектом тел качения. | 25.00 | 47.00 | 15.00 |
| 51205 V/HR11T1 | Шариковый упорный однорядный подшипник. Подшипник без сепаратора. С полным комплектом тел качения. | 25.00 | 47.00 | 15.00 |
| GAC25N | Шарнирный подшипник. Измененная или модифицированная внутренняя конструкция при неизменных основных размерах. Канавка под стопорное кольцо на внешнем кольце. | 25.00 | 47.00 | 15.00 |
| 6-2007105 А | Роликовый радиальный-упорный однорядный подшипник. Повышенная грузоподъемность. | 25.00 | 47.00 | 15.00 |
Способы доставки
Отправка через ведущие транспортные и курьерские компании: ПЭК, Деловые Линии, СДЭК, Байкал-Сервис, Энергия, КИТ, ЖелДорЭкспедиция.
Самовывоз возможен напрямую со склада в Москве.
Сроки доставки
Срок зависит от региона и выбранной транспортной компании. Все заказы комплектуются и отправляются в кратчайшие сроки со склада в Москве.
Надёжность и сохранность
Вся продукция упаковывается с учётом требований транспортировки. Мы гарантируем, что подшипники и комплектующие прибудут к заказчику в полной сохранности.
Доставка в страны ЕАЭС
Мы работаем с проверенными логистическими партнёрами, что позволяет оперативно доставлять заказы в Беларусь, Казахстан, Армению и другие страны ЕАЭС.
Варианты оплаты:
Минимальная сумма заказа и скидки:
Документы и гарантии:
Да, конечно! Наши технические специалисты готовы помочь вам с подбором точного аналога или замены подшипника. Просто позвоните нам по телефону +7 (495) 104-99-04 или напишите на почту zakaz@podsnab.ru.
Для оперативной консультации подготовьте, пожалуйста, имеющиеся данные: маркировку, размеры, тип оборудования или артикул старого подшипника.
Да, конечно! Мы высоко ценим долгосрочное сотрудничество и доверие клиентов по всей России. Для постоянных клиентов действует персональная система скидок.
Условия формируются индивидуально и зависят от:
Чтобы узнать свои условия и получить максимально выгодное предложение, свяжитесь с персональным менеджером или напишите нам на почту zakaz@podsnab.ru.
Вы можете оформить заказ несколькими способами:
Для оформления заказа от юридического лица свяжитесь с нашим отделом по работе с корпоративными клиентами по телефону +7 (495) 104-99-04 или напишите на email zakaz@podsnab.ru, прикрепив реквизиты вашей организации.
Мы оперативно подготовим коммерческое предложение и выставим счет.
Возврат товара надлежащего качества возможен в течение 10 дней с момента получения, если товар не был в употреблении, сохранен товарный вид, упаковка не вскрывалась и присутствуют все сопроводительные документы.
Возврат денежных средств осуществляется в течение 10 рабочих дней после проверки товара складом.
В соответствии с законодательством возврату не подлежат подшипники надлежащего качества, если отсутствует оригинальная упаковка или имеются следы монтажа.
В случае выявления брака или гарантийного случая мы гарантируем возврат или обмен товара.
Да, гарантийный срок хранения устанавливается заводом-изготовителем и в среднем составляет 2 года при соблюдении условий хранения: сухое помещение, оригинальная упаковка и смазка.
Точный срок для конкретного типа подшипника уточняйте у наших менеджеров.
Пн–Пт: с 8:00 до 17:00 (МСК).
Сб–Вс: выходные дни.
Заказы на сайте принимаются круглосуточно. Заявки, поступившие после окончания рабочего дня, обрабатываются на следующий рабочий день.
Минимальная сумма заказа для доставки составляет 3000 рублей. Самовывоз со склада возможен на любую сумму при наличии товара.
ООО «УралТехГрупп»
ИНН: 7415093830
КПП: 772401001
ОГРН: 1167456069021
Банк: ПАО Сбербанк
Р/с: 40702810838000475273
К/с: 30101810400000000225
БИК: 044525225
У подшипника 3005-B-2RSR-TVH пока нет отзывов. Вы можете стать первым покупателем, поделившимся своим мнением.