Поиск подшипника
Статьи
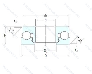
51205 V/HR11T1 — Шариковый упорный однорядный подшипник, модификация основного исполнения 51205, производство SKF.
Размер подшипника: 25x47x15 мм.
Подшипник без сепаратора. с полным комплектом тел качения.
Международная стандартизации ISO
51205VHR11T1
В наличии
| Обозначение | Конструктивные изменения |
|---|---|
| 51205A | Двухрядный радиально-упорный шарикоподшипник без отверстия для смазки. |
| 51205J9 | Прессованный стальной сепаратор. Вращающийся элемент по центру. Незакаленный. |
| 51205 | Шариковый упорный однорядный подшипник. Основное конструктивное исполнение. |
| 51205MG | Формованный сепаратор из полиамида. укрепленного стекловолокном. |
| 51205.P5 | Размерная и рабочая точность соответствует классу допуска ISO 5. |
| 51205P6 | Размерные и геометрические допуски соответствуют классу точности P6. |
| 51205 J91 | Шариковый упорный однорядный подшипник. |
| 51205J | Дорожки качения наружного кольца. угол контакта и ширина наружного кольца в соответствии с ISO. Только для тел качения. |
| 51205 V/HR22Q2 | Подшипник без сепаратора. С полным комплектом тел качения. |
| 51205 V/HR11Q1 | Подшипник без сепаратора. С полным комплектом тел качения. |
| 51205 V/HR22T2 | Подшипник без сепаратора. С полным комплектом тел качения. |
Модификации шарикового подшипника 51205 V/HR11T1 — это измененное основное конструктивное исполнение 51205, основные размеры (25x47x15) не отличаются.
| Обозначение | Гост | Конструктивные особенности |
|---|---|---|
| 8205-К | ГОСТ | «Замок» (скос) на внутреннем кольце плюс массивный сепаратор из текстолита. |
| 8205Н | ГОСТ | Детали из теплостойкой стали. |
| 958705-К | ГОСТ | «Замок» (скос) на внутреннем кольце плюс массивный сепаратор из текстолита. |
| 958705-С | ГОСТ | Шариковый упорный однорядный подшипник. |
| В0-8205 | ГОСТ | Шариковый упорный однорядный подшипник. |
| ВО-8205 К | ГОСТ | Шариковый упорный однорядный подшипник. |
| 6-8205 | ГОСТ | Шариковый упорный однорядный подшипник. |
| 6-8205 К | ГОСТ | Шариковый упорный однорядный подшипник. |
| 6-958705 | ГОСТ | Шариковый упорный однорядный подшипник. |
| 958705 | ГОСТ | Шариковый упорный однорядный подшипник. |
| 4-8205 | ГОСТ | Шариковый упорный однорядный подшипник. |
| В0-8205 К | ГОСТ | «Замок» (скос) на внутреннем кольце плюс массивный сепаратор из текстолита. |
| B0-8205 К | ГОСТ | Шариковый упорный однорядный подшипник. |
| S51205 | ISO | Шариковый упорный однорядный подшипник. |
| 8205 | ГОСТ | Шариковый упорный однорядный подшипник. |
| 5-8205 | ГОСТ | Шариковый упорный однорядный подшипник. |
Аналог шарикового подшипника 51205 V/HR11T1 — это подшипник такого же размера dx25,Dx47,Bx15, типа и конструкции.
| Обозначение | Конструктивные особенности | Внутренний (d) | Наружный (D) | Ширина (B) |
|---|---|---|---|---|
| X32005X/Y32005X | Роликовый радиальный-упорный однорядный подшипник. Измененные размеры границ. введенные пересмотренными стандартами ISO. | 25.00 | 47.00 | 15.00 |
| XAA32005X/Y32005X | Роликовый радиальный-упорный однорядный подшипник. Измененные размеры границ. введенные пересмотренными стандартами ISO. | 25.00 | 47.00 | 15.00 |
| XAA32005X/YAA32005X | Роликовый радиальный-упорный однорядный подшипник. Измененные размеры границ. введенные пересмотренными стандартами ISO. | 25.00 | 47.00 | 15.00 |
| 3005-B-TVH | Шариковый радиально-упорный подшипник. Модифицированная внутренняя конструкция. Твердая клетка из полиамида. | 25.00 | 47.00 | 16.00 |
| 3005-B-2RSR-TVH | Шариковый радиально-упорный подшипник. Модифицированная внутренняя конструкция. Твердая клетка из полиамида. Резиновые уплотнения с каждой стороны подшипника. | 25.00 | 47.00 | 16.00 |
| 3005-B-2Z-TVH | Шариковый радиально-упорный подшипник. Модифицированная внутренняя конструкция. Защитные металлические шайбы с обеих сторон подшипника. Твердая клетка из полиамида. | 25.00 | 47.00 | 16.00 |
| SF05A26 | Шариковый радиально-упорный однорядный подшипник. Coating With ATCoat. | 26.00 | 47.00 | 15.00 |
| SAC2547-2 | Шариковый радиально-упорный однорядный подшипник. ISO Tolerance Class ABEC.9. | 25.00 | 47.00 | 15.00 |
| SAC2547-1 | Шариковый радиально-упорный однорядный подшипник. Number Of Carriages Per Rail Track. | 25.00 | 47.00 | 15.00 |
| 6-60805 АК1Ш1 | Шариковый радиальный однорядный подшипник. Нормы шумности. Повышенная грузоподъемность. | 25.00 | 47.00 | 15.00 |
| 6-60805 АК1Ш | Шариковый радиальный однорядный подшипник. Повышенная грузоподъемность. Нормы шумности. | 25.00 | 47.00 | 15.00 |
| 6-60805 Ш | Шариковый радиальный однорядный подшипник. Нормы шумности. | 25.00 | 47.00 | 15.00 |
| HI-CAP 57218/32005J | Роликовый радиальный-упорный однорядный подшипник. Угол контакта 20 градусов. | 25.00 | 47.00 | 15.00 |
| GAC25N | Шарнирный подшипник. Измененная или модифицированная внутренняя конструкция при неизменных основных размерах. Канавка под стопорное кольцо на внешнем кольце. | 25.00 | 47.00 | 15.00 |
| 6-2007105 А | Роликовый радиальный-упорный однорядный подшипник. Повышенная грузоподъемность. | 25.00 | 47.00 | 15.00 |
Способы доставки
Отправка через ведущие транспортные и курьерские компании: ПЭК, Деловые Линии, СДЭК, Байкал-Сервис, Энергия, КИТ, ЖелДорЭкспедиция.
Самовывоз возможен напрямую со склада в Москве.
Сроки доставки
Срок зависит от региона и выбранной транспортной компании. Все заказы комплектуются и отправляются в кратчайшие сроки со склада в Москве.
Надёжность и сохранность
Вся продукция упаковывается с учётом требований транспортировки. Мы гарантируем, что подшипники и комплектующие прибудут к заказчику в полной сохранности.
Доставка в страны ЕАЭС
Мы работаем с проверенными логистическими партнёрами, что позволяет оперативно доставлять заказы в Беларусь, Казахстан, Армению и другие страны ЕАЭС.
Варианты оплаты:
Минимальная сумма заказа и скидки:
Документы и гарантии:
Да, конечно! Наши технические специалисты готовы помочь вам с подбором точного аналога или замены подшипника. Просто позвоните нам по телефону +7 (495) 104-99-04 или напишите на почту zakaz@podsnab.ru.
Для оперативной консультации подготовьте, пожалуйста, имеющиеся данные: маркировку, размеры, тип оборудования или артикул старого подшипника.
Да, конечно! Мы высоко ценим долгосрочное сотрудничество и доверие клиентов по всей России. Для постоянных клиентов действует персональная система скидок.
Условия формируются индивидуально и зависят от:
Чтобы узнать свои условия и получить максимально выгодное предложение, свяжитесь с персональным менеджером или напишите нам на почту zakaz@podsnab.ru.
Вы можете оформить заказ несколькими способами:
Для оформления заказа от юридического лица свяжитесь с нашим отделом по работе с корпоративными клиентами по телефону +7 (495) 104-99-04 или напишите на email zakaz@podsnab.ru, прикрепив реквизиты вашей организации.
Мы оперативно подготовим коммерческое предложение и выставим счет.
Возврат товара надлежащего качества возможен в течение 10 дней с момента получения, если товар не был в употреблении, сохранен товарный вид, упаковка не вскрывалась и присутствуют все сопроводительные документы.
Возврат денежных средств осуществляется в течение 10 рабочих дней после проверки товара складом.
В соответствии с законодательством возврату не подлежат подшипники надлежащего качества, если отсутствует оригинальная упаковка или имеются следы монтажа.
В случае выявления брака или гарантийного случая мы гарантируем возврат или обмен товара.
Да, гарантийный срок хранения устанавливается заводом-изготовителем и в среднем составляет 2 года при соблюдении условий хранения: сухое помещение, оригинальная упаковка и смазка.
Точный срок для конкретного типа подшипника уточняйте у наших менеджеров.
Пн–Пт: с 8:00 до 17:00 (МСК).
Сб–Вс: выходные дни.
Заказы на сайте принимаются круглосуточно. Заявки, поступившие после окончания рабочего дня, обрабатываются на следующий рабочий день.
Минимальная сумма заказа для доставки составляет 3000 рублей. Самовывоз со склада возможен на любую сумму при наличии товара.
ООО «УралТехГрупп»
ИНН: 7415093830
КПП: 772401001
ОГРН: 1167456069021
Банк: ПАО Сбербанк
Р/с: 40702810838000475273
К/с: 30101810400000000225
БИК: 044525225
У подшипника 51205 V/HR11T1 пока нет отзывов. Вы можете стать первым покупателем, поделившимся своим мнением.