Поиск подшипника
Статьи
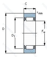
RNA22/6.2RS — Опорный ролик, модификация основного исполнения RNA22, выпускается производителями: FAG, INA, KOYO, NEUTRAL, SKF, TORRINGTON.
Размер ролика: 10x19x11 мм.
Игольчатый подшипник без внутреннего кольца, смазочное отверстие в наружном кольце, резиновые уплотнения с каждой стороны подшипника, exxon aviation instrument oil.
Аналоги: RNA22/6-2RSR INA,RNA22/6.2RS SKF.
Международная стандартизации ISO
RNA2262RS
В наличии
| Обозначение | Конструктивные изменения |
|---|---|
| RNA22/8 2RS | Резиновые уплотнения с каждой стороны подшипника. Средний предварительный натяг. |
| RNA22/6LL | Контактное. синтетические. резиновое уплотнение с двух сторон. |
| RNA22/8-X-2RSR | Rubber Seals At Each Side Of The Bearing. Temperature Range -30℃/+120℃. Цилиндрическая рабочая поверхность. Средний предварительный натяг. |
| RNA22/6-X-2RSR | Rubber Seals At Each Side Of The Bearing. Temperature Range -30℃/+120℃. Цилиндрическая рабочая поверхность. Exxon Aviation Instrument Oil. |
| RNA22/6XLL | Два уплотнения. |
| RNA22/8XLL | Два уплотнения. |
Модификации опорного ролика RNA22/6.2RS — это измененное основное конструктивное исполнение RNA22, основные размеры (10x19x11) не отличаются.
| Обозначение | Гост | Конструктивные особенности |
|---|---|---|
| RNA22/6.2RS.DZ | ISO | Опорный ролик. |
| RNA22/6-2RSR | ISO | Опорный ролик. |
| RNA22/6 2RSX | ISO | Rubber Seals At Each Side Of The Bearing. Temperature Range -30℃/+120℃. Цилиндрическая рабочая поверхность. |
Аналог опорного ролика RNA22/6.2RS — это ролик такого же размера dx10,Dx19,Bx11, типа и конструкции.
| Обозначение | Конструктивные особенности | Внутренний (d) | Наружный (D) | Ширина (B) |
|---|---|---|---|---|
| KRVE19PP A | Кулачковый ролик толкатель. Двухрядный радиально-упорный шарикоподшипник без отверстия для смазки. Манжетные уплотнения с обеих сторон (тип P - две шайбы из оцинкованной листовой стали с промежуточной частью NBR. Кромка уплотнения предварительно нагружена в осевом направлении). Диапазон температур -30℃/+100℃. | 11.00 | 19.00 | 11.00 |
| NKI9/12-XL | Роликовый игольчатый подшипник. Серия X-Life премиум-класс. увеличиный срок службы. | 9.00 | 19.00 | 12.00 |
| KRE19PP SK | Кулачковый ролик толкатель. Кулачковый толкатель штифтового типа. С шестигранной головкой. Манжетное уплотнение с обеих сторон. | 11.00 | 19.00 | 11.00 |
| NKI9/12-P5-XL | Роликовый игольчатый подшипник. Серия X-Life премиум-класс. увеличиный срок службы. Размерная и рабочая точность соответствует классу допуска ISO 5. | 9.00 | 19.00 | 12.00 |
| UL1019X9D750-480 | Подшипник шариковый из нержавеющей стали. AISI 440C Stainless Steel. Предварительная нагрузка. Two Piece Coated Ribbon Cage. Back To Back Mounting. | 10.00 | 19.00 | 10.00 |
| CFE8UUR | Кулачковый ролик толкатель. Манжетные уплотнения с обеих сторон (тип P - две шайбы из оцинкованной листовой стали с промежуточной частью NBR). Диапазон температур -30℃/+100℃. | 11.00 | 19.00 | 11.00 |
| KRE19-PP-SK-A | Кулачковый ролик толкатель. Двухрядный радиально-упорный шарикоподшипник без отверстия для смазки. Кулачковый толкатель штифтового типа. С шестигранной головкой. Манжетные уплотнения с обеих сторон (тип P - две шайбы из оцинкованной листовой стали с промежуточной частью NBR. Кромка уплотнения предварительно нагружена в осевом направлении). Диапазон температур -30℃/+100℃. | 11.00 | 19.00 | 11.00 |
| KRE19PP | Кулачковый ролик толкатель. Манжетные уплотнения с обеих сторон (тип P - две шайбы из оцинкованной листовой стали с промежуточной частью NBR. Кромка уплотнения предварительно нагружена в осевом направлении). Диапазон температур -30℃/+100℃. | 11.00 | 19.00 | 11.00 |
| SEA10 7CE1 DUM | Подшипник шариковый однорядный радиально-упорный. Фенольная смола. Расположение внешнего сепаратора. P4 (SKF)=Abec.7. CD (SKF)=15° Угол контакта. 2 bearings. Universal Matching - Medium Preload. | 10.00 | 19.00 | 10.00 |
| 2-994079 У | Роликовый радиальный игольчатый однорядный подшипник. Дополнительные технические требования. | 9.00 | 20.00 | 10.80 |
| 904700-К | Роликовый радиальный однорядный подшипник. Кольцевая проточка на середине цилиндрической наружной поверхности наружного кольца плюс три отверстия для смазки. | 10.00 | 19.00 | 11.00 |
| NK12/12+IR9X12X12 | Роликовый игольчатый подшипник однорядный. Изменённая фаска. | 9.00 | 19.00 | 12.00 |
| RNA0-10X20X12 | Роликовый игольчатый подшипник однорядный. Изменённая фаска. | 10.00 | 20.00 | 12.00 |
| NA499M | Роликовый игольчатый подшипник однорядный. Подшипник с латунным сепаратором. центрированный по телам качения. | 9.00 | 20.00 | 11.00 |
| RNA498M | Роликовый игольчатый подшипник однорядный. Подшипник с латунным сепаратором. центрированный по телам качения. | 10.00 | 19.00 | 11.00 |
Способы доставки
Отправка через ведущие транспортные и курьерские компании: ПЭК, Деловые Линии, СДЭК, Байкал-Сервис, Энергия, КИТ, ЖелДорЭкспедиция.
Самовывоз возможен напрямую со склада в Москве.
Сроки доставки
Срок зависит от региона и выбранной транспортной компании. Все заказы комплектуются и отправляются в кратчайшие сроки со склада в Москве.
Надёжность и сохранность
Вся продукция упаковывается с учётом требований транспортировки. Мы гарантируем, что подшипники и комплектующие прибудут к заказчику в полной сохранности.
Доставка в страны ЕАЭС
Мы работаем с проверенными логистическими партнёрами, что позволяет оперативно доставлять заказы в Беларусь, Казахстан, Армению и другие страны ЕАЭС.
Варианты оплаты:
Минимальная сумма заказа и скидки:
Документы и гарантии:
Да, конечно! Наши технические специалисты готовы помочь вам с подбором точного аналога или замены подшипника. Просто позвоните нам по телефону +7 (495) 104-99-04 или напишите на почту zakaz@podsnab.ru.
Для оперативной консультации подготовьте, пожалуйста, имеющиеся данные: маркировку, размеры, тип оборудования или артикул старого подшипника.
Да, конечно! Мы высоко ценим долгосрочное сотрудничество и доверие клиентов по всей России. Для постоянных клиентов действует персональная система скидок.
Условия формируются индивидуально и зависят от:
Чтобы узнать свои условия и получить максимально выгодное предложение, свяжитесь с персональным менеджером или напишите нам на почту zakaz@podsnab.ru.
Вы можете оформить заказ несколькими способами:
Для оформления заказа от юридического лица свяжитесь с нашим отделом по работе с корпоративными клиентами по телефону +7 (495) 104-99-04 или напишите на email zakaz@podsnab.ru, прикрепив реквизиты вашей организации.
Мы оперативно подготовим коммерческое предложение и выставим счет.
Возврат товара надлежащего качества возможен в течение 10 дней с момента получения, если товар не был в употреблении, сохранен товарный вид, упаковка не вскрывалась и присутствуют все сопроводительные документы.
Возврат денежных средств осуществляется в течение 10 рабочих дней после проверки товара складом.
В соответствии с законодательством возврату не подлежат подшипники надлежащего качества, если отсутствует оригинальная упаковка или имеются следы монтажа.
В случае выявления брака или гарантийного случая мы гарантируем возврат или обмен товара.
Да, гарантийный срок хранения устанавливается заводом-изготовителем и в среднем составляет 2 года при соблюдении условий хранения: сухое помещение, оригинальная упаковка и смазка.
Точный срок для конкретного типа подшипника уточняйте у наших менеджеров.
Пн–Пт: с 8:00 до 17:00 (МСК).
Сб–Вс: выходные дни.
Заказы на сайте принимаются круглосуточно. Заявки, поступившие после окончания рабочего дня, обрабатываются на следующий рабочий день.
Минимальная сумма заказа для доставки составляет 3000 рублей. Самовывоз со склада возможен на любую сумму при наличии товара.
ООО «УралТехГрупп»
ИНН: 7415093830
КПП: 772401001
ОГРН: 1167456069021
Банк: ПАО Сбербанк
Р/с: 40702810838000475273
К/с: 30101810400000000225
БИК: 044525225
У подшипника RNA22/6.2RS пока нет отзывов. Вы можете стать первым покупателем, поделившимся своим мнением.