Поиск подшипника
Статьи
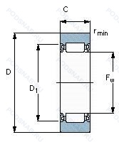
RNA22/8 2RS — Опорный ролик, модификация основного исполнения RNA22, выпускается производителями: FAG, INA, SKF, TORRINGTON.
Размер ролика: 12x24x11 мм.
Игольчатый подшипник без внутреннего кольца, смазочное отверстие в наружном кольце, резиновые уплотнения с каждой стороны подшипника, средний предварительный натяг.
Аналоги: RNA22/8-2RSR INA,RNA22/8.2RS SKF.
Международная стандартизации ISO
RNA2282RS
В наличии
| Обозначение | Конструктивные изменения |
|---|---|
| RNA22/6.2RS | Резиновые уплотнения с каждой стороны подшипника. Exxon Aviation Instrument Oil. |
| RNA22/6LL | Контактное. синтетические. резиновое уплотнение с двух сторон. |
| RNA22/8-X-2RSR | Rubber Seals At Each Side Of The Bearing. Temperature Range -30℃/+120℃. Цилиндрическая рабочая поверхность. Средний предварительный натяг. |
| RNA22/6-X-2RSR | Rubber Seals At Each Side Of The Bearing. Temperature Range -30℃/+120℃. Цилиндрическая рабочая поверхность. Exxon Aviation Instrument Oil. |
| RNA22/6XLL | Два уплотнения. |
| RNA22/8XLL | Два уплотнения. |
Модификации опорного ролика RNA22/8 2RS — это измененное основное конструктивное исполнение RNA22, основные размеры (12x24x11) не отличаются.
| Обозначение | Гост | Конструктивные особенности |
|---|---|---|
| RNA22/8.2RSX | ISO | Опорный ролик. |
| RNA22/8-2RSR | ISO | Опорный ролик. |
| RNA22/8.2RS.DZ | ISO | Резиновые уплотнения с каждой стороны подшипника. Опорные ролики игольчатого типа. Цилиндрический наружный диаметр. Литой сепаратор оконного типа из полиамида. усиленного стекловолокном. |
Аналог опорного ролика RNA22/8 2RS — это ролик такого же размера dx12,Dx24,Bx11, типа и конструкции.
| Обозначение | Конструктивные особенности | Внутренний (d) | Наружный (D) | Ширина (B) |
|---|---|---|---|---|
| 7901C TYN DUL P4 | Подшипник шариковый однорядный радиально-упорный. 15° Угол контакта. Комплект из 2 универсальных подшипников. Небольшой предварительный натяг. Класс ISO 4. Это специальная конструкция сепараторов которая позволяет подшипнику иметь более низкое трение и более низкий уровень шума. Превышение температуры подшипника с сепаратором из TYN ниже. чем с фенольным. | 12.00 | 24.00 | 12.00 |
| ML71901CVDUJ74S | Шариковый радиально-упорный двухрядный подшипник. Угол контакта 15°. Комплекты из 2. Высокопрецизионные радиально-упорные подшипники с высокой скоростью вращения. Преднатяг (Лёгкий. | 12.00 | 24.00 | 12.00 |
| ML71901HVDUJ74S | Шариковый радиально-упорный двухрядный подшипник. Угол контакта 25°. Комплекты из 2. Высокопрецизионные радиально-упорные подшипники с высокой скоростью вращения. Преднатяг (Лёгкий. | 12.00 | 24.00 | 12.00 |
| MLE71901CVDUJ74S | Шариковый радиально-упорный двухрядный подшипник. Угол контакта 15°. Комплекты из 2. Преднатяг (Лёгкий. Высокопрецизионные радиально-упорные подшипники с высокой скоростью вращения с бесконтактным уплотнением с обеих сторон. | 12.00 | 24.00 | 12.00 |
| MLE71901HVDUJ74S | Шариковый радиально-упорный двухрядный подшипник. Угол контакта 25°. Комплекты из 2. Преднатяг (Лёгкий. Высокопрецизионные радиально-упорные подшипники с высокой скоростью вращения с бесконтактным уплотнением с обеих сторон. | 12.00 | 24.00 | 12.00 |
| 71901HVDUJ74 | Шариковый радиально-упорный двухрядный подшипник. Угол контакта 25°. Преднатяг (Лёгкий. Комплекты из 2. | 12.00 | 24.00 | 12.00 |
| 71901 C-UD | Шариковый радиально-упорный двухрядный подшипник. 15° Угол контакта. | 12.00 | 24.00 | 12.00 |
| 71901 C-UO | Шариковый радиально-упорный двухрядный подшипник. 15° Угол контакта. Универсальный монтаж. Для установки по O- и X- образной схеме - беззазорные.. | 12.00 | 24.00 | 12.00 |
| 71901 C-UX | Шариковый радиально-упорный двухрядный подшипник. 15° Угол контакта. Универсальный монтаж, сверхлегкая предварительная нагрузка.. | 12.00 | 24.00 | 12.00 |
| 71901 CDB | Шариковый радиально-упорный двухрядный подшипник. Однорядный радиально-упорный шарикоподшипник улучшенной конструкции с углом контакта 15°. | 12.00 | 24.00 | 12.00 |
| 71901 CDF | Шариковый радиально-упорный двухрядный подшипник. Механически обработанный сепаратор из стали или специального чугуна. Однорядный радиально-упорный шарикоподшипник улучшенной конструкции с углом контакта 15°. | 12.00 | 24.00 | 12.00 |
| 71901 CDT | Шариковый радиально-упорный двухрядный подшипник. Механически обработанный сепаратор из текстолита. Однорядный радиально-упорный шарикоподшипник улучшенной конструкции с углом контакта 15°. | 12.00 | 24.00 | 12.00 |
| GEFZ11C | Шарнирный подшипник. 15° Угол контакта. | 11.11 | 23.02 | 11.10 |
| GEFZ11T | Шарнирный подшипник. Textile Laminated Phenolic Resin. Outer Ring Guided. The Cage Is Suitable For Long-Term Operation At Temperatures Up To 100°C. | 11.11 | 23.02 | 11.10 |
| GEFZ11S | Шарнирный подшипник. Запечатанная версия кулачкового ролика. | 11.11 | 23.02 | 11.10 |
Способы доставки
Отправка через ведущие транспортные и курьерские компании: ПЭК, Деловые Линии, СДЭК, Байкал-Сервис, Энергия, КИТ, ЖелДорЭкспедиция.
Самовывоз возможен напрямую со склада в Москве.
Сроки доставки
Срок зависит от региона и выбранной транспортной компании. Все заказы комплектуются и отправляются в кратчайшие сроки со склада в Москве.
Надёжность и сохранность
Вся продукция упаковывается с учётом требований транспортировки. Мы гарантируем, что подшипники и комплектующие прибудут к заказчику в полной сохранности.
Доставка в страны ЕАЭС
Мы работаем с проверенными логистическими партнёрами, что позволяет оперативно доставлять заказы в Беларусь, Казахстан, Армению и другие страны ЕАЭС.
Варианты оплаты:
Минимальная сумма заказа и скидки:
Документы и гарантии:
Да, конечно! Наши технические специалисты готовы помочь вам с подбором точного аналога или замены подшипника. Просто позвоните нам по телефону +7 (495) 104-99-04 или напишите на почту zakaz@podsnab.ru.
Для оперативной консультации подготовьте, пожалуйста, имеющиеся данные: маркировку, размеры, тип оборудования или артикул старого подшипника.
Да, конечно! Мы высоко ценим долгосрочное сотрудничество и доверие клиентов по всей России. Для постоянных клиентов действует персональная система скидок.
Условия формируются индивидуально и зависят от:
Чтобы узнать свои условия и получить максимально выгодное предложение, свяжитесь с персональным менеджером или напишите нам на почту zakaz@podsnab.ru.
Вы можете оформить заказ несколькими способами:
Для оформления заказа от юридического лица свяжитесь с нашим отделом по работе с корпоративными клиентами по телефону +7 (495) 104-99-04 или напишите на email zakaz@podsnab.ru, прикрепив реквизиты вашей организации.
Мы оперативно подготовим коммерческое предложение и выставим счет.
Возврат товара надлежащего качества возможен в течение 10 дней с момента получения, если товар не был в употреблении, сохранен товарный вид, упаковка не вскрывалась и присутствуют все сопроводительные документы.
Возврат денежных средств осуществляется в течение 10 рабочих дней после проверки товара складом.
В соответствии с законодательством возврату не подлежат подшипники надлежащего качества, если отсутствует оригинальная упаковка или имеются следы монтажа.
В случае выявления брака или гарантийного случая мы гарантируем возврат или обмен товара.
Да, гарантийный срок хранения устанавливается заводом-изготовителем и в среднем составляет 2 года при соблюдении условий хранения: сухое помещение, оригинальная упаковка и смазка.
Точный срок для конкретного типа подшипника уточняйте у наших менеджеров.
Пн–Пт: с 8:00 до 17:00 (МСК).
Сб–Вс: выходные дни.
Заказы на сайте принимаются круглосуточно. Заявки, поступившие после окончания рабочего дня, обрабатываются на следующий рабочий день.
Минимальная сумма заказа для доставки составляет 3000 рублей. Самовывоз со склада возможен на любую сумму при наличии товара.
ООО «УралТехГрупп»
ИНН: 7415093830
КПП: 772401001
ОГРН: 1167456069021
Банк: ПАО Сбербанк
Р/с: 40702810838000475273
К/с: 30101810400000000225
БИК: 044525225
У подшипника RNA22/8 2RS пока нет отзывов. Вы можете стать первым покупателем, поделившимся своим мнением.