Поиск подшипника
Статьи
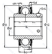
ER209-26 — Подшипник для корпуса, модификация основного исполнения ER209, выпускается производителями: FYH, KOYO.
Размер подшипника: 41x85x49 мм.
Тип подшипника: Дюймовый специальный тонкая серия, 1.5/8.
Международная стандартизации ISO
ER20926
В наличии
| Обозначение | Конструктивные изменения |
|---|---|
| ER209 | Подшипник для корпуса. Основное конструктивное исполнение. |
| ER209T | Textile Laminated Phenolic Resin. Outer Ring Guided. The Cage Is Suitable For Long-Term Operation At Temperatures Up To 100°C. |
| ER209-28T | Подшипник для корпуса. |
| ER209-28 | 1.3/4. |
| ER209-27 | 1.11/16. |
Модификации подшипника для корпуса ER209-26 — это измененное основное конструктивное исполнение ER209, основные размеры (41x85x49) не отличаются.
| Обозначение | Гост | Конструктивные особенности |
|---|---|---|
| UC209-110 | ISO | 1.5/8. |
| YAR209-110-2F | ISO | Стандартное контактное уплотнение с дополнительным маслоотражательным кольцом с обеих сторон. 1.5/8. |
| UC209-26 | ISO | 1.5/8. |
| UCX08 | ISO | Угол контакта 15°. Габаритные размеры отличаются от стандарта ISO или опорные ролики с цилиндрической наружной поверхностью. Открытый подшипник с канавками для установки плотнений. |
| 56209.110 | ISO | 1.5/8. |
| UK209D1 | ISO | Не требующий обслуживания тип. |
| UC209-26S | ISO | Подшипник для корпуса. |
| GY1110KRRB | ISO | Подшипник со сферическим наружным кольцом. Манжетные уплотнения с обеих сторон (уплотнение типа R - имеет оцинкованные внутреннюю и внешнюю крышки. Между крышками имеется уплотнительная кромка NBR. идущая по шлифованному буртику). |
| UC209-110D1 | ISO | Не требующий обслуживания тип. |
| 1045-1.5/8G | ISO | Вкладыш подшипника с возможностью повторной смазки. Number Of Carriages Per Rail Track. Distance Between Beginning Of The Rail And First Hole In MM. |
| UK209-J7 | ISO | Наилучшая посадка в корпусе. |
| UC209-26 G2 | ISO | Cистема повторного смазывания для корпусных подшипников. 1.5/8. |
| 479209-110 | ISO | 1.5/8. |
| UCR209-26 | ISO | 1.5/8. |
| 100M40BX | ISO | Подшипник для корпуса. |
| 1145-40 | ISO | 2.1/2. |
| 1045-40KG | ISO | Коническое отверстие. конус 1/12. Вкладыш подшипника с возможностью повторной смазки. |
| 1045-40D3M | ISO | High/Low Temperature Insert (-55 ̊C Min) - Same As Suffix MS33. |
| YAR209-110-2F/AH | ISO | Стандартное контактное уплотнение с дополнительным маслоотражательным кольцом с обеих сторон. Противовращающийся штырь. Массивные ножки и свободный момент выравнивания. 1.5/8. |
| YSA209/40-2F | ISO | Стандартное контактное уплотнение с дополнительным маслоотражательным кольцом с обеих сторон. 2.1/2. |
Аналог подшипника для корпуса ER209-26 — это подшипник такого же размера dx41,Dx85,Bx49, типа и конструкции.
| Обозначение | Конструктивные особенности | Внутренний (d) | Наружный (D) | Ширина (B) |
|---|---|---|---|---|
| UKFL209 | Корпус подшипника. | 40.00 | 85.00 | 50.00 |
| HUB111 | Шариковый радиально-упорный двухрядный подшипник. | 40.00 | 84.00 | 49.50 |
| TU0821-2LXL/L669 | Шариковый радиально-упорный двухрядный подшипник. | 41.00 | 85.00 | 50.00 |
| YARAG 209-110 | Шариковый радиальный подшипник. 1.5/8. | 41.27 | 85.00 | 49.20 |
| YSA 209-2FK + H 2309 | Шариковый радиальный подшипник. Pressed Snap-Type Steel Cage. Hardened. | 40.00 | 85.00 | 50.00 |
| UC209-26L3 | Шариковый радиальный однорядный подшипник. | 41.27 | 85.00 | 49.20 |
| UCX08L3 | Шариковый радиальный однорядный подшипник. Тройное манжетное уплотнение для вкладыша подшипника. | 40.00 | 85.00 | 49.20 |
| E2.YAR 209-110-2F | Шариковый радиальный однорядный подшипник. | 41.27 | 85.00 | 49.20 |
| UK209+H | Шариковый радиальный однорядный подшипник. Pressed Snap-Type Steel Cage. Hardened. | 40.00 | 85.00 | 50.00 |
| GY1110KRRB SGT | Шариковый радиальный однорядный подшипник. Shaft Guarding Technology™. | 41.27 | 85.00 | 49.22 |
| SUCX08 | Шариковый радиальный однорядный подшипник. | 40.00 | 85.00 | 49.20 |
Способы доставки
Отправка через ведущие транспортные и курьерские компании: ПЭК, Деловые Линии, СДЭК, Байкал-Сервис, Энергия, КИТ, ЖелДорЭкспедиция.
Самовывоз возможен напрямую со склада в Москве.
Сроки доставки
Срок зависит от региона и выбранной транспортной компании. Все заказы комплектуются и отправляются в кратчайшие сроки со склада в Москве.
Надёжность и сохранность
Вся продукция упаковывается с учётом требований транспортировки. Мы гарантируем, что подшипники и комплектующие прибудут к заказчику в полной сохранности.
Доставка в страны ЕАЭС
Мы работаем с проверенными логистическими партнёрами, что позволяет оперативно доставлять заказы в Беларусь, Казахстан, Армению и другие страны ЕАЭС.
Варианты оплаты:
Минимальная сумма заказа и скидки:
Документы и гарантии:
Да, конечно! Наши технические специалисты готовы помочь вам с подбором точного аналога или замены подшипника. Просто позвоните нам по телефону +7 (495) 104-99-04 или напишите на почту zakaz@podsnab.ru.
Для оперативной консультации подготовьте, пожалуйста, имеющиеся данные: маркировку, размеры, тип оборудования или артикул старого подшипника.
Да, конечно! Мы высоко ценим долгосрочное сотрудничество и доверие клиентов по всей России. Для постоянных клиентов действует персональная система скидок.
Условия формируются индивидуально и зависят от:
Чтобы узнать свои условия и получить максимально выгодное предложение, свяжитесь с персональным менеджером или напишите нам на почту zakaz@podsnab.ru.
Вы можете оформить заказ несколькими способами:
Для оформления заказа от юридического лица свяжитесь с нашим отделом по работе с корпоративными клиентами по телефону +7 (495) 104-99-04 или напишите на email zakaz@podsnab.ru, прикрепив реквизиты вашей организации.
Мы оперативно подготовим коммерческое предложение и выставим счет.
Возврат товара надлежащего качества возможен в течение 10 дней с момента получения, если товар не был в употреблении, сохранен товарный вид, упаковка не вскрывалась и присутствуют все сопроводительные документы.
Возврат денежных средств осуществляется в течение 10 рабочих дней после проверки товара складом.
В соответствии с законодательством возврату не подлежат подшипники надлежащего качества, если отсутствует оригинальная упаковка или имеются следы монтажа.
В случае выявления брака или гарантийного случая мы гарантируем возврат или обмен товара.
Да, гарантийный срок хранения устанавливается заводом-изготовителем и в среднем составляет 2 года при соблюдении условий хранения: сухое помещение, оригинальная упаковка и смазка.
Точный срок для конкретного типа подшипника уточняйте у наших менеджеров.
Пн–Пт: с 8:00 до 17:00 (МСК).
Сб–Вс: выходные дни.
Заказы на сайте принимаются круглосуточно. Заявки, поступившие после окончания рабочего дня, обрабатываются на следующий рабочий день.
Минимальная сумма заказа для доставки составляет 3000 рублей. Самовывоз со склада возможен на любую сумму при наличии товара.
ООО «УралТехГрупп»
ИНН: 7415093830
КПП: 772401001
ОГРН: 1167456069021
Банк: ПАО Сбербанк
Р/с: 40702810838000475273
К/с: 30101810400000000225
БИК: 044525225
У подшипника ER209-26 пока нет отзывов. Вы можете стать первым покупателем, поделившимся своим мнением.