Поиск подшипника
Статьи
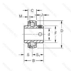
GY1110KRRB SGT — Шариковый радиальный однорядный подшипник, модификация основного исполнения GY1110, производство TIMKEN.
Размер подшипника: 41x85x49 мм.
Shaft guarding technology™.
Международная стандартизации ISO
GY1110KRRBSGT
В наличии
| Обозначение | Конструктивные изменения |
|---|---|
| GY1110KRRB | Подшипник со сферическим наружным кольцом. Манжетные уплотнения с обеих сторон (уплотнение типа R - имеет оцинкованные внутреннюю и внешнюю крышки. Между крышками имеется уплотнительная кромка NBR. идущая по шлифованному буртику). |
Модификации шарикового подшипника GY1110KRRB SGT — это измененное основное конструктивное исполнение GY1110, основные размеры (41x85x49) не отличаются.
| Обозначение | Гост | Конструктивные особенности |
|---|---|---|
| UC209-26L3 | ISO | Шариковый радиальный однорядный подшипник. |
| UCX08L3 | ISO | Тройное манжетное уплотнение для вкладыша подшипника. |
| E2.YAR 209-110-2F | ISO | Шариковый радиальный однорядный подшипник. |
| UK209+H | ISO | Pressed Snap-Type Steel Cage. Hardened. |
| SUCX08 | ISO | Шариковый радиальный однорядный подшипник. |
Аналог шарикового подшипника GY1110KRRB SGT — это подшипник такого же размера dx41,Dx85,Bx49, типа и конструкции.
| Обозначение | Конструктивные особенности | Внутренний (d) | Наружный (D) | Ширина (B) |
|---|---|---|---|---|
| UK209D1 | Подшипник для корпуса. Не требующий обслуживания тип. | 40.00 | 85.00 | 50.00 |
| UC209-110D1 | Подшипник для корпуса. Не требующий обслуживания тип. | 41.28 | 85.00 | 49.20 |
| 1045-1.5/8G | Подшипник для корпуса. Вкладыш подшипника с возможностью повторной смазки. Number Of Carriages Per Rail Track. Distance Between Beginning Of The Rail And First Hole In MM. | 41.28 | 85.00 | 49.20 |
| UK209-J7 | Подшипник для корпуса. Наилучшая посадка в корпусе. | 40.00 | 85.00 | 50.00 |
| ER209-26 | Подшипник для корпуса. 1.5/8. | 41.27 | 85.00 | 49.20 |
| UC209-26 G2 | Подшипник для корпуса. Cистема повторного смазывания для корпусных подшипников. 1.5/8. | 41.28 | 85.00 | 49.20 |
| 479209-110 | Подшипник для корпуса. 1.5/8. | 41.28 | 85.00 | 49.20 |
| UCR209-26 | Подшипник для корпуса. 1.5/8. | 41.28 | 85.00 | 49.20 |
| 1145-40 | Подшипник для корпуса. 2.1/2. | 40.00 | 85.00 | 49.23 |
| 1045-40KG | Подшипник для корпуса. Коническое отверстие. конус 1/12. Вкладыш подшипника с возможностью повторной смазки. | 40.00 | 85.00 | 49.23 |
| 1045-40D3M | Подшипник для корпуса. High/Low Temperature Insert (-55 ̊C Min) - Same As Suffix MS33. | 40.00 | 85.00 | 49.23 |
| YAR209-110-2F/AH | Подшипник для корпуса. Стандартное контактное уплотнение с дополнительным маслоотражательным кольцом с обеих сторон. Противовращающийся штырь. Массивные ножки и свободный момент выравнивания. 1.5/8. | 41.28 | 85.00 | 49.20 |
| YSA209/40-2F | Подшипник для корпуса. Стандартное контактное уплотнение с дополнительным маслоотражательным кольцом с обеих сторон. 2.1/2. | 40.00 | 85.00 | 50.00 |
| YARAG 209-110 | Шариковый радиальный подшипник. 1.5/8. | 41.27 | 85.00 | 49.20 |
| YSA 209-2FK + H 2309 | Шариковый радиальный подшипник. Pressed Snap-Type Steel Cage. Hardened. | 40.00 | 85.00 | 50.00 |
Способы доставки
Отправка через ведущие транспортные и курьерские компании: ПЭК, Деловые Линии, СДЭК, Байкал-Сервис, Энергия, КИТ, ЖелДорЭкспедиция.
Самовывоз возможен напрямую со склада в Москве.
Сроки доставки
Срок зависит от региона и выбранной транспортной компании. Все заказы комплектуются и отправляются в кратчайшие сроки со склада в Москве.
Надёжность и сохранность
Вся продукция упаковывается с учётом требований транспортировки. Мы гарантируем, что подшипники и комплектующие прибудут к заказчику в полной сохранности.
Доставка в страны ЕАЭС
Мы работаем с проверенными логистическими партнёрами, что позволяет оперативно доставлять заказы в Беларусь, Казахстан, Армению и другие страны ЕАЭС.
Варианты оплаты:
Минимальная сумма заказа и скидки:
Документы и гарантии:
Да, конечно! Наши технические специалисты готовы помочь вам с подбором точного аналога или замены подшипника. Просто позвоните нам по телефону +7 (495) 104-99-04 или напишите на почту zakaz@podsnab.ru.
Для оперативной консультации подготовьте, пожалуйста, имеющиеся данные: маркировку, размеры, тип оборудования или артикул старого подшипника.
Да, конечно! Мы высоко ценим долгосрочное сотрудничество и доверие клиентов по всей России. Для постоянных клиентов действует персональная система скидок.
Условия формируются индивидуально и зависят от:
Чтобы узнать свои условия и получить максимально выгодное предложение, свяжитесь с персональным менеджером или напишите нам на почту zakaz@podsnab.ru.
Вы можете оформить заказ несколькими способами:
Для оформления заказа от юридического лица свяжитесь с нашим отделом по работе с корпоративными клиентами по телефону +7 (495) 104-99-04 или напишите на email zakaz@podsnab.ru, прикрепив реквизиты вашей организации.
Мы оперативно подготовим коммерческое предложение и выставим счет.
Возврат товара надлежащего качества возможен в течение 10 дней с момента получения, если товар не был в употреблении, сохранен товарный вид, упаковка не вскрывалась и присутствуют все сопроводительные документы.
Возврат денежных средств осуществляется в течение 10 рабочих дней после проверки товара складом.
В соответствии с законодательством возврату не подлежат подшипники надлежащего качества, если отсутствует оригинальная упаковка или имеются следы монтажа.
В случае выявления брака или гарантийного случая мы гарантируем возврат или обмен товара.
Да, гарантийный срок хранения устанавливается заводом-изготовителем и в среднем составляет 2 года при соблюдении условий хранения: сухое помещение, оригинальная упаковка и смазка.
Точный срок для конкретного типа подшипника уточняйте у наших менеджеров.
Пн–Пт: с 8:00 до 17:00 (МСК).
Сб–Вс: выходные дни.
Заказы на сайте принимаются круглосуточно. Заявки, поступившие после окончания рабочего дня, обрабатываются на следующий рабочий день.
Минимальная сумма заказа для доставки составляет 3000 рублей. Самовывоз со склада возможен на любую сумму при наличии товара.
ООО «УралТехГрупп»
ИНН: 7415093830
КПП: 772401001
ОГРН: 1167456069021
Банк: ПАО Сбербанк
Р/с: 40702810838000475273
К/с: 30101810400000000225
БИК: 044525225
У подшипника GY1110KRRB SGT пока нет отзывов. Вы можете стать первым покупателем, поделившимся своим мнением.