Поиск подшипника
Статьи
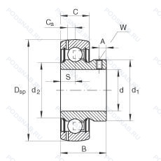
GAY12-NPP-B-FA164 — Подшипник для корпуса, модификация основного исполнения GAY12, производство INA.
Размер подшипника: 12x40x22 мм.
Высокотемпературная конструкция до +250°c, манжетные уплотнения с обеих сторон (тип p — две шайбы из оцинкованной листовой стали с промежуточной частью из nbr. кромка уплотнения предварительно нагружена в осевом направлении), подшипник со сферическим наружным кольцом.
Альтернативное обозначение: YAT203/12.
Аналоги: GAY12-XL-NPP-B-FA164 INA.
Международная стандартизации ISO
GAY12NPPBFA164
В наличии
| Обозначение | Конструктивные изменения |
|---|---|
| GAY12NPPB | Подшипник для корпуса. |
| GAY12-XL-NPP-B | Подшипник со сферическим наружным кольцом. Серия X-Life премиум-класс. увеличиный срок службы. Манжетные уплотнения с обеих сторон (Тип P — две шайбы из оцинкованной листовой стали с промежуточной частью из NBR. Кромка уплотнения предварительно нагружена в осевом направлении). |
| GAY12-XL-NPP-B-FA164 | Конический роликовый подшипник. Угол контакта 20 градусов. Серия X-Life премиум-класс. увеличиный срок службы. Манжетные уплотнения с обеих сторон (Тип P — две шайбы из оцинкованной листовой стали с промежуточной частью из NBR. Кромка уплотнения предварительно нагружена в осевом направлении). Высокотемпературная конструкция до +250°C. |
Модификации подшипника для корпуса GAY12-NPP-B-FA164 — это измененное основное конструктивное исполнение GAY12, основные размеры (12x40x22) не отличаются.
| Обозначение | Гост | Конструктивные особенности |
|---|---|---|
| SB201SS | ISO | Две резиновые защитные шайбы. |
| SB201 | ISO | Угол контакта 40 градусов. |
| AY12-XL-NPP-B | ISO | Подшипник со сферическим наружным кольцом. Серия X-Life премиум-класс. увеличиный срок службы. Манжетные уплотнения с обеих сторон (Тип P — две шайбы из оцинкованной листовой стали с промежуточной частью из NBR. Кромка уплотнения предварительно нагружена в осевом направлении). |
| AS201D1 | ISO | Не требующий обслуживания тип. |
| US201G2 | ISO | Cистема повторного смазывания для корпусных подшипников. |
| ASS201N | ISO | Паз в корпусе для крепления защитных колпачков. |
| CSB201-8 | ISO | Средний предварительный натяг. |
| 1217-12G | ISO | Вкладыш подшипника с возможностью повторной смазки. |
| AY12NPPB | ISO | Подшипник со сферическим наружным кольцом. Манжетные уплотнения с обеих сторон (Тип P — две шайбы из оцинкованной листовой стали с промежуточной частью из NBR. Кромка уплотнения предварительно нагружена в осевом направлении). |
| YAT203-008 | ISO | 1/2. |
| AS201-008 | ISO | 1/2. |
| SB201 2RS | ISO | Резиновые уплотнения с каждой стороны подшипника. |
| B250X1/2 | ISO | ISO Tolerance Class ABEC.9. Специальная фаска. |
| CSB201-8N | ISO | Non Re-Lubricatable. 1/2. |
| SB201-8N | ISO | Non Re-Lubricatable. 1/2. |
Аналог подшипника для корпуса GAY12-NPP-B-FA164 — это подшипник такого же размера dx12,Dx40,Bx22, типа и конструкции.
| Обозначение | Конструктивные особенности | Внутренний (d) | Наружный (D) | Ширина (B) |
|---|---|---|---|---|
| AY12TB | Подшипник однорядный шариковый радиальный. Сепаратор оконного типа из фенольной смолы. армированной тканью. Центрирование по внутреннему кольцу. | 12.00 | 40.00 | 22.00 |
| GAY008-NPP-B-AS2/V | Шариковый радиальный подшипник. Конический роликовый подшипник. Угол контакта 20 градусов. Манжетные уплотнения с обеих сторон (Тип P — две шайбы из оцинкованной листовой стали с промежуточной частью из NBR. Кромка уплотнения предварительно нагружена в осевом направлении). Наружное кольцо подшипника с двумя смазочными отверстиями в смещенных плоскостях. | 12.70 | 40.00 | 22.00 |
| SB201-8 | Шариковый радиальный однорядный подшипник. Средний предварительный натяг. | 12.70 | 40.00 | 22.00 |
Способы доставки
Отправка через ведущие транспортные и курьерские компании: ПЭК, Деловые Линии, СДЭК, Байкал-Сервис, Энергия, КИТ, ЖелДорЭкспедиция.
Самовывоз возможен напрямую со склада в Москве.
Сроки доставки
Срок зависит от региона и выбранной транспортной компании. Все заказы комплектуются и отправляются в кратчайшие сроки со склада в Москве.
Надёжность и сохранность
Вся продукция упаковывается с учётом требований транспортировки. Мы гарантируем, что подшипники и комплектующие прибудут к заказчику в полной сохранности.
Доставка в страны ЕАЭС
Мы работаем с проверенными логистическими партнёрами, что позволяет оперативно доставлять заказы в Беларусь, Казахстан, Армению и другие страны ЕАЭС.
Варианты оплаты:
Минимальная сумма заказа и скидки:
Документы и гарантии:
Да, конечно! Наши технические специалисты готовы помочь вам с подбором точного аналога или замены подшипника. Просто позвоните нам по телефону +7 (495) 104-99-04 или напишите на почту zakaz@podsnab.ru.
Для оперативной консультации подготовьте, пожалуйста, имеющиеся данные: маркировку, размеры, тип оборудования или артикул старого подшипника.
Да, конечно! Мы высоко ценим долгосрочное сотрудничество и доверие клиентов по всей России. Для постоянных клиентов действует персональная система скидок.
Условия формируются индивидуально и зависят от:
Чтобы узнать свои условия и получить максимально выгодное предложение, свяжитесь с персональным менеджером или напишите нам на почту zakaz@podsnab.ru.
Вы можете оформить заказ несколькими способами:
Для оформления заказа от юридического лица свяжитесь с нашим отделом по работе с корпоративными клиентами по телефону +7 (495) 104-99-04 или напишите на email zakaz@podsnab.ru, прикрепив реквизиты вашей организации.
Мы оперативно подготовим коммерческое предложение и выставим счет.
Возврат товара надлежащего качества возможен в течение 10 дней с момента получения, если товар не был в употреблении, сохранен товарный вид, упаковка не вскрывалась и присутствуют все сопроводительные документы.
Возврат денежных средств осуществляется в течение 10 рабочих дней после проверки товара складом.
В соответствии с законодательством возврату не подлежат подшипники надлежащего качества, если отсутствует оригинальная упаковка или имеются следы монтажа.
В случае выявления брака или гарантийного случая мы гарантируем возврат или обмен товара.
Да, гарантийный срок хранения устанавливается заводом-изготовителем и в среднем составляет 2 года при соблюдении условий хранения: сухое помещение, оригинальная упаковка и смазка.
Точный срок для конкретного типа подшипника уточняйте у наших менеджеров.
Пн–Пт: с 8:00 до 17:00 (МСК).
Сб–Вс: выходные дни.
Заказы на сайте принимаются круглосуточно. Заявки, поступившие после окончания рабочего дня, обрабатываются на следующий рабочий день.
Минимальная сумма заказа для доставки составляет 3000 рублей. Самовывоз со склада возможен на любую сумму при наличии товара.
ООО «УралТехГрупп»
ИНН: 7415093830
КПП: 772401001
ОГРН: 1167456069021
Банк: ПАО Сбербанк
Р/с: 40702810838000475273
К/с: 30101810400000000225
БИК: 044525225
У подшипника GAY12-NPP-B-FA164 пока нет отзывов. Вы можете стать первым покупателем, поделившимся своим мнением.