Поиск подшипника
Статьи
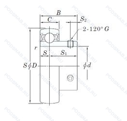
SB201 — Подшипник для корпуса, основное исполнение, выпускается производителями: CCVI, CHINA, CX, FS, FYH, IB, ISO, JAPANESE ORIGIN, KOYO, LDI, LDK, NBR, NEUTRAL, RHB, SIB.
Размер подшипника: 12x40x22 мм.
Цилиндрическое отверстие внутреннего кольца, с установочными винтами (легконагруженного типа), угол контакта 40 градусов.
Альтернативное обозначение: YAT203/12-2F.
Аналоги: GAY12NPPB INA,GAY12-NPP-B INA,SB201 Koyo,SB201 Nachi,GAY12-NPPB NKE,SB201 KDF,SB201 TR,SB201 FK,SB201 LDI.
Международная стандартизации ISO
SB201
В наличии
| Обозначение | Конструктивные изменения |
|---|---|
| SB201SS | Две резиновые защитные шайбы. |
| SB201 2RS | Резиновые уплотнения с каждой стороны подшипника. |
| SB201-8N | Non Re-Lubricatable. 1/2. |
| SB201-8 | Средний предварительный натяг. |
Модификации подшипника для корпуса SB201 — это измененное основное конструктивное исполнение SB201, основные размеры (12x40x22) не отличаются.
| Обозначение | Гост | Конструктивные особенности |
|---|---|---|
| GAY12NPPB | ISO | Подшипник для корпуса. |
| AY12-XL-NPP-B | ISO | Подшипник со сферическим наружным кольцом. Серия X-Life премиум-класс. увеличиный срок службы. Манжетные уплотнения с обеих сторон (Тип P — две шайбы из оцинкованной листовой стали с промежуточной частью из NBR. Кромка уплотнения предварительно нагружена в осевом направлении). |
| GAY12-XL-NPP-B | ISO | Подшипник со сферическим наружным кольцом. Серия X-Life премиум-класс. увеличиный срок службы. Манжетные уплотнения с обеих сторон (Тип P — две шайбы из оцинкованной листовой стали с промежуточной частью из NBR. Кромка уплотнения предварительно нагружена в осевом направлении). |
| GAY12-XL-NPP-B-FA164 | ISO | Конический роликовый подшипник. Угол контакта 20 градусов. Серия X-Life премиум-класс. увеличиный срок службы. Манжетные уплотнения с обеих сторон (Тип P — две шайбы из оцинкованной листовой стали с промежуточной частью из NBR. Кромка уплотнения предварительно нагружена в осевом направлении). Высокотемпературная конструкция до +250°C. |
| AS201D1 | ISO | Не требующий обслуживания тип. |
| GAY12-NPP-B-FA164 | ISO | Подшипник со сферическим наружным кольцом. Манжетные уплотнения с обеих сторон (Тип P — две шайбы из оцинкованной листовой стали с промежуточной частью из NBR. Кромка уплотнения предварительно нагружена в осевом направлении). Высокотемпературная конструкция до +250°C. |
| US201G2 | ISO | Cистема повторного смазывания для корпусных подшипников. |
| ASS201N | ISO | Паз в корпусе для крепления защитных колпачков. |
| CSB201-8 | ISO | Средний предварительный натяг. |
| 1217-12G | ISO | Вкладыш подшипника с возможностью повторной смазки. |
| AY12NPPB | ISO | Подшипник со сферическим наружным кольцом. Манжетные уплотнения с обеих сторон (Тип P — две шайбы из оцинкованной листовой стали с промежуточной частью из NBR. Кромка уплотнения предварительно нагружена в осевом направлении). |
| YAT203-008 | ISO | 1/2. |
| AS201-008 | ISO | 1/2. |
| B250X1/2 | ISO | ISO Tolerance Class ABEC.9. Специальная фаска. |
| CSB201-8N | ISO | Non Re-Lubricatable. 1/2. |
Аналог подшипника для корпуса SB201 — это подшипник такого же размера dx12,Dx40,Bx22, типа и конструкции.
| Обозначение | Конструктивные особенности | Внутренний (d) | Наружный (D) | Ширина (B) |
|---|---|---|---|---|
| AY12TB | Подшипник однорядный шариковый радиальный. Сепаратор оконного типа из фенольной смолы. армированной тканью. Центрирование по внутреннему кольцу. | 12.00 | 40.00 | 22.00 |
| GAY008-NPP-B-AS2/V | Шариковый радиальный подшипник. Конический роликовый подшипник. Угол контакта 20 градусов. Манжетные уплотнения с обеих сторон (Тип P — две шайбы из оцинкованной листовой стали с промежуточной частью из NBR. Кромка уплотнения предварительно нагружена в осевом направлении). Наружное кольцо подшипника с двумя смазочными отверстиями в смещенных плоскостях. | 12.70 | 40.00 | 22.00 |
Способы доставки
Отправка через ведущие транспортные и курьерские компании: ПЭК, Деловые Линии, СДЭК, Байкал-Сервис, Энергия, КИТ, ЖелДорЭкспедиция.
Самовывоз возможен напрямую со склада в Москве.
Сроки доставки
Срок зависит от региона и выбранной транспортной компании. Все заказы комплектуются и отправляются в кратчайшие сроки со склада в Москве.
Надёжность и сохранность
Вся продукция упаковывается с учётом требований транспортировки. Мы гарантируем, что подшипники и комплектующие прибудут к заказчику в полной сохранности.
Доставка в страны ЕАЭС
Мы работаем с проверенными логистическими партнёрами, что позволяет оперативно доставлять заказы в Беларусь, Казахстан, Армению и другие страны ЕАЭС.
Варианты оплаты:
Минимальная сумма заказа и скидки:
Документы и гарантии:
Да, конечно! Наши технические специалисты готовы помочь вам с подбором точного аналога или замены подшипника. Просто позвоните нам по телефону +7 (495) 104-99-04 или напишите на почту zakaz@podsnab.ru.
Для оперативной консультации подготовьте, пожалуйста, имеющиеся данные: маркировку, размеры, тип оборудования или артикул старого подшипника.
Да, конечно! Мы высоко ценим долгосрочное сотрудничество и доверие клиентов по всей России. Для постоянных клиентов действует персональная система скидок.
Условия формируются индивидуально и зависят от:
Чтобы узнать свои условия и получить максимально выгодное предложение, свяжитесь с персональным менеджером или напишите нам на почту zakaz@podsnab.ru.
Вы можете оформить заказ несколькими способами:
Для оформления заказа от юридического лица свяжитесь с нашим отделом по работе с корпоративными клиентами по телефону +7 (495) 104-99-04 или напишите на email zakaz@podsnab.ru, прикрепив реквизиты вашей организации.
Мы оперативно подготовим коммерческое предложение и выставим счет.
Возврат товара надлежащего качества возможен в течение 10 дней с момента получения, если товар не был в употреблении, сохранен товарный вид, упаковка не вскрывалась и присутствуют все сопроводительные документы.
Возврат денежных средств осуществляется в течение 10 рабочих дней после проверки товара складом.
В соответствии с законодательством возврату не подлежат подшипники надлежащего качества, если отсутствует оригинальная упаковка или имеются следы монтажа.
В случае выявления брака или гарантийного случая мы гарантируем возврат или обмен товара.
Да, гарантийный срок хранения устанавливается заводом-изготовителем и в среднем составляет 2 года при соблюдении условий хранения: сухое помещение, оригинальная упаковка и смазка.
Точный срок для конкретного типа подшипника уточняйте у наших менеджеров.
Пн–Пт: с 8:00 до 17:00 (МСК).
Сб–Вс: выходные дни.
Заказы на сайте принимаются круглосуточно. Заявки, поступившие после окончания рабочего дня, обрабатываются на следующий рабочий день.
Минимальная сумма заказа для доставки составляет 3000 рублей. Самовывоз со склада возможен на любую сумму при наличии товара.
ООО «УралТехГрупп»
ИНН: 7415093830
КПП: 772401001
ОГРН: 1167456069021
Банк: ПАО Сбербанк
Р/с: 40702810838000475273
К/с: 30101810400000000225
БИК: 044525225
У подшипника SB201 пока нет отзывов. Вы можете стать первым покупателем, поделившимся своим мнением.