Поиск подшипника
Статьи
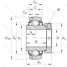
GE40-KRR-B-FA101 — Подшипник для корпуса, модификация основного исполнения GE40KRRB, производство INA.
Размер подшипника: 40x80x56 мм.
Высоко и низкотемпературная конструкция -40℃ / +180℃, манжетные уплотнения с обеих сторон (уплотнение типа r - имеет оцинкованные внутреннюю и внешнюю крышки. между крышками имеется уплотнительная кромка nbr. идущая по шлифованному буртику), подшипник со сферическим наружным кольцом.
Международная стандартизации ISO
GE40KRRBFA101
В наличии
| Обозначение | Конструктивные изменения |
|---|---|
| GE40KRRB+COL | Товар включает втулку. |
| GE40KRRB | Подшипник для корпуса. Основное конструктивное исполнение. |
| GE40-KRR-B-OSE | Подшипник со сферическим наружным кольцом. Манжетные уплотнения с обеих сторон (уплотнение типа R - имеет оцинкованные внутреннюю и внешнюю крышки. Между крышками имеется уплотнительная кромка NBR. идущая по шлифованному буртику). Подшипник без стопорного элемента ( эксцентриковая стопорная втулка). |
| GE40KRRBCC | Подшипник со сферическим наружным кольцом. Два стальных сепаратора оконного типа. Бесфланцевое внутреннее кольцо и направляющее кольцо центрировано на внутреннем кольце. Манжетные уплотнения с обеих сторон (уплотнение типа R - имеет оцинкованные внутреннюю и внешнюю крышки. Между крышками имеется уплотнительная кромка NBR. идущая по шлифованному буртику). |
Модификации подшипника для корпуса GE40-KRR-B-FA101 — это измененное основное конструктивное исполнение GE40KRRB, основные размеры (40x80x56) не отличаются.
| Обозначение | Гост | Конструктивные особенности |
|---|---|---|
| EX.208.G2.L3 | ISO | Cистема повторного смазывания для корпусных подшипников. Тройное манжетное уплотнение для вкладыша подшипника. |
| EX208G2 | ISO | Cистема повторного смазывания для корпусных подшипников. |
| E40-KRR-B-OSE | ISO | Подшипник со сферическим наружным кольцом. Манжетные уплотнения с обеих сторон (уплотнение типа R - имеет оцинкованные внутреннюю и внешнюю крышки. Между крышками имеется уплотнительная кромка NBR. идущая по шлифованному буртику). Подшипник без стопорного элемента ( эксцентриковая стопорная втулка). |
| NA208G | ISO | Вкладыш подшипника с возможностью повторной смазки. |
| G208V22 | ISO | Отверстия для смазки с обеих сторон наружного кольца подшипника. |
| 1040-40DEC | ISO | Эксцентриковая втулка удлиненным внутренним кольцом. |
| GE40-KTT-B | ISO | Подшипник со сферическим наружным кольцом. Тройные манжетные уплотнения с обеих сторон подшипника (Т-образное уплотнение). |
| GE40KRRB FA125.5 | ISO | Подшипник со сферическим наружным кольцом. Манжетные уплотнения с обеих сторон (уплотнение типа R - имеет оцинкованные внутреннюю и внешнюю крышки. Между крышками имеется уплотнительная кромка NBR. идущая по шлифованному буртику). С покрытием Corrotect®, защищено от коррозии. |
| GE40-KLL-B | ISO | Подшипник со сферическим наружным кольцом. BALL BEARING. CONRAD TYPE. INDUSTRIAL POWER TRANSMISSION. DOUBLE MECHANI-SEAL. |
| E40KLL AH01 | ISO | Conrad (Non-Filling Slot) Type. Лабиринтные уплотнения с обеих сторон (уплотнение типа L - все детали уплотнения типа L оцинкованы со всех сторон. чтобы улучшить защиту от коррозии - нет трения уплотнения). Размеры могут отличаться от базового номера детали. Внутренний зазор равен C3 (больше обычного) и защищен от коррозии специальным покрытием Corrotect®. |
| E40KRR | ISO | Манжетные уплотнения с обеих сторон (уплотнение типа R - имеет оцинкованные внутреннюю и внешнюю крышки. Между крышками имеется уплотнительная кромка NBR. идущая по шлифованному буртику). |
| EW208 AV2S | ISO | Lubricant. Shell Oil Co.. Alvania #2 Grease. 1/4 Full. Temperature Range = -10°C / + 110°C (Normal Temperature Grease). |
| M-UEL208D1 | ISO | Не требующий обслуживания тип. |
| YEL208-025-2F | ISO | Стандартное контактное уплотнение с дополнительным маслоотражательным кольцом с обеих сторон. |
| EW208-25S | ISO | Стандартное заполнение. |
| E40-KLL | ISO | BALL BEARING. CONRAD TYPE. INDUSTRIAL POWER TRANSMISSION. DOUBLE MECHANI-SEAL. |
| E40-KRR-B | ISO | Подшипник со сферическим наружным кольцом. Манжетные уплотнения с обеих сторон (уплотнение типа R - имеет оцинкованные внутреннюю и внешнюю крышки. Между крышками имеется уплотнительная кромка NBR. идущая по шлифованному буртику). |
| YEL208-2DW/AG | ISO | Bearing For Agricultural Applications. Insert Bearing With Set Screws. YAR 2-2DW/AG series. |
| LY208.2F.H | ISO | Двойное уплотнение. Защитная крышка, размещенная на внутреннем кольце. Используется с подшипниками типа Y. Pressed Snap-Type Steel Cage. Hardened. |
| GE40-XL-KRR-B-FA164 | ISO | Подшипник со сферическим наружным кольцом. Серия X-Life премиум-класс. увеличиный срок службы. Манжетные уплотнения с обеих сторон (уплотнение типа R - имеет оцинкованные внутреннюю и внешнюю крышки. Между крышками имеется уплотнительная кромка NBR. идущая по шлифованному буртику). Высокотемпературная конструкция до +250°C. |
Аналог подшипника для корпуса GE40-KRR-B-FA101 — это подшипник такого же размера dx40,Dx80,Bx56, типа и конструкции.
| Обозначение | Конструктивные особенности | Внутренний (d) | Наружный (D) | Ширина (B) |
|---|---|---|---|---|
| 11208ETG | Подшипник шариковый двухрядный самоустанавливающийся. Повышенная грузоподъемность. Прочный сепаратор из полиамида. армированного стекловолокном. | 40.00 | 80.00 | 56.00 |
| 11208-TVH | Подшипник шариковый двухрядный самоустанавливающийся. Массивный сепаратор из армированного стекловолокном полиамида PA66. | 40.00 | 80.00 | 56.00 |
| 11208ETN9 | Подшипник шариковый двухрядный самоустанавливающийся. Оптимизированный внутренний дизайн. Литая защелкивающаяся клетка из полиамида 6.6. армированного стекловолокном с шариковой центрировкой.. | 40.00 | 80.00 | 56.00 |
| 11208TN9 | Подшипник шариковый двухрядный самоустанавливающийся. Литой сепаратор из полиамида 6.6. армированного стекловолокном. Элемент качения по центру. | 40.00 | 80.00 | 56.00 |
| 11208E | Подшипник шариковый двухрядный самоустанавливающийся. Повышенная грузоподъемность. | 40.00 | 80.00 | 56.00 |
| 11208 TG | Подшипник шариковый двухрядный самоустанавливающийся. сепаратор из полиамида 6.6. армированного стекловолокном. | 40.00 | 80.00 | 56.00 |
| M-UELF208D1 | Корпус подшипника. Канавка и смазочные отверстия на наружном кольце. | 40.00 | 80.00 | 56.30 |
| 432208XU | Роликовый радиальный-упорный двухрядный подшипник. Spherical Seat Ring Type. | 40.00 | 80.00 | 55.00 |
| 4T-432208X | Роликовый радиальный-упорный конический двухрядный подшипник. Измененные размеры границ. введенные пересмотренными стандартами ISO. Цементованная сталь. | 40.00 | 80.00 | 55.00 |
| GE40-KRR-B-2C | Шариковый радиальный подшипник. Конический роликовый подшипник. Угол контакта 20 градусов. Манжетные уплотнения с обеих сторон (уплотнение типа R - имеет оцинкованные внутреннюю и внешнюю крышки. Между крышками имеется уплотнительная кромка NBR. идущая по шлифованному буртику). Защитные щиты с обеих сторон. | 40.00 | 80.00 | 56.50 |
| 101040/101080H | Роликовый радиальный-упорный двухрядный подшипник. Pressed Snap-Type Steel Cage. Hardened. | 40.00 | 80.00 | 57.00 |
| 101040/101080G | Роликовый радиальный-упорный двухрядный подшипник. Устройство повторного смазывания со смазочной канавкой и отверстием на внешнем кольце. | 40.00 | 80.00 | 57.00 |
| UEL208D1 | Шариковый радиальный однорядный подшипник. Не требующий обслуживания тип. | 40.00 | 80.00 | 56.30 |
| CEX208 | Шариковый радиальный однорядный подшипник. Контактное уплотнение с одной стороны. | 40.00 | 80.00 | 56.30 |
| EX208 | Шариковый радиальный однорядный подшипник. Контактное уплотнение с одной стороны. | 40.00 | 80.00 | 56.30 |
Способы доставки
Отправка через ведущие транспортные и курьерские компании: ПЭК, Деловые Линии, СДЭК, Байкал-Сервис, Энергия, КИТ, ЖелДорЭкспедиция.
Самовывоз возможен напрямую со склада в Москве.
Сроки доставки
Срок зависит от региона и выбранной транспортной компании. Все заказы комплектуются и отправляются в кратчайшие сроки со склада в Москве.
Надёжность и сохранность
Вся продукция упаковывается с учётом требований транспортировки. Мы гарантируем, что подшипники и комплектующие прибудут к заказчику в полной сохранности.
Доставка в страны ЕАЭС
Мы работаем с проверенными логистическими партнёрами, что позволяет оперативно доставлять заказы в Беларусь, Казахстан, Армению и другие страны ЕАЭС.
Варианты оплаты:
Минимальная сумма заказа и скидки:
Документы и гарантии:
Да, конечно! Наши технические специалисты готовы помочь вам с подбором точного аналога или замены подшипника. Просто позвоните нам по телефону +7 (495) 104-99-04 или напишите на почту zakaz@podsnab.ru.
Для оперативной консультации подготовьте, пожалуйста, имеющиеся данные: маркировку, размеры, тип оборудования или артикул старого подшипника.
Да, конечно! Мы высоко ценим долгосрочное сотрудничество и доверие клиентов по всей России. Для постоянных клиентов действует персональная система скидок.
Условия формируются индивидуально и зависят от:
Чтобы узнать свои условия и получить максимально выгодное предложение, свяжитесь с персональным менеджером или напишите нам на почту zakaz@podsnab.ru.
Вы можете оформить заказ несколькими способами:
Для оформления заказа от юридического лица свяжитесь с нашим отделом по работе с корпоративными клиентами по телефону +7 (495) 104-99-04 или напишите на email zakaz@podsnab.ru, прикрепив реквизиты вашей организации.
Мы оперативно подготовим коммерческое предложение и выставим счет.
Возврат товара надлежащего качества возможен в течение 10 дней с момента получения, если товар не был в употреблении, сохранен товарный вид, упаковка не вскрывалась и присутствуют все сопроводительные документы.
Возврат денежных средств осуществляется в течение 10 рабочих дней после проверки товара складом.
В соответствии с законодательством возврату не подлежат подшипники надлежащего качества, если отсутствует оригинальная упаковка или имеются следы монтажа.
В случае выявления брака или гарантийного случая мы гарантируем возврат или обмен товара.
Да, гарантийный срок хранения устанавливается заводом-изготовителем и в среднем составляет 2 года при соблюдении условий хранения: сухое помещение, оригинальная упаковка и смазка.
Точный срок для конкретного типа подшипника уточняйте у наших менеджеров.
Пн–Пт: с 8:00 до 17:00 (МСК).
Сб–Вс: выходные дни.
Заказы на сайте принимаются круглосуточно. Заявки, поступившие после окончания рабочего дня, обрабатываются на следующий рабочий день.
Минимальная сумма заказа для доставки составляет 3000 рублей. Самовывоз со склада возможен на любую сумму при наличии товара.
ООО «УралТехГрупп»
ИНН: 7415093830
КПП: 772401001
ОГРН: 1167456069021
Банк: ПАО Сбербанк
Р/с: 40702810838000475273
К/с: 30101810400000000225
БИК: 044525225
У подшипника GE40-KRR-B-FA101 пока нет отзывов. Вы можете стать первым покупателем, поделившимся своим мнением.