Поиск подшипника
Статьи
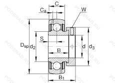
GRA103-NPP-B-AS2/V — Подшипник для корпуса, модификация основного исполнения GRA103, производство INA.
Размер подшипника: 30x62x35 мм.
Наружное кольцо подшипника с двумя смазочными отверстиями в смещенных плоскостях, манжетные уплотнения с обеих сторон (тип p — две шайбы из оцинкованной листовой стали с промежуточной частью из nbr. кромка уплотнения предварительно нагружена в осевом направлении), подшипник со сферическим наружным кольцом.
Альтернативное обозначение: YET206-103.
Аналоги: GRAE103NPPB AS2V INA,YET206-103 SKF,1230-1.3/16ECG RHP,1103EES SKF,AEL206-103D1W3 NTN,KH206-19ER Asahi.
Международная стандартизации ISO
GRA103NPPBAS2V
В наличии
| Обозначение | Конструктивные изменения |
|---|---|
| GRA103NPPBW | Подшипник со сферическим наружным кольцом. Эксцентриковая стопорная втулка. Манжетные уплотнения с обеих сторон (Тип P — две шайбы из оцинкованной листовой стали с промежуточной частью из NBR. Кромка уплотнения предварительно нагружена в осевом направлении). |
| GRA103NPPB AH02 | Подшипник со сферическим наружным кольцом. Манжетные уплотнения с обеих сторон (Тип P — две шайбы из оцинкованной листовой стали с промежуточной частью из NBR. Кромка уплотнения предварительно нагружена в осевом направлении). Внутренний диаметр отличается от базового номера детали. |
| GRA103NPPB | Подшипник для корпуса. |
| GRA103RRB+COL | Товар включает втулку. Два резиновых уплотнения Land Riding со сферическим наружным диаметром (B). |
| GRA103RRB2 + COL | Сферический внешний диаметр. Резиновое уплотнение с двух сторон. Втулка. |
| GRA103RRB2 | Подшипник для корпуса. |
| GRA103RR | С выпуклыми асимметричными роликами. Обработанный сепаратор штыревого типа из медного сплава. С центральным ребром. С ребрами с двух сторон (для предотвращения падения роликов). |
| GRA103RRB | Два резиновых уплотнения Land Riding со сферическим наружным диаметром (B). |
| GRA103RR2 | Резиновое уплотнение с двух сторон. |
Модификации подшипника для корпуса GRA103-NPP-B-AS2/V — это измененное основное конструктивное исполнение GRA103, основные размеры (30x62x35) не отличаются.
| Обозначение | Гост | Конструктивные особенности |
|---|---|---|
| YET206-103 | ISO | 1.3/16. |
| AEL206-103D1W3 | ISO | Подшипник для корпуса. |
| 1230-1.3/16ECG | ISO | Эксцентриковый кольцевой замок с внутренним кольцом заподлицо с одной стороны. Устройство повторного смазывания со смазочной канавкой и отверстием на внешнем кольце. Размерные и геометрические допуски соответствуют классу точности P6. Number Of Carriages Per Rail Track. |
| KH206-19ER | ISO | 1.3/16. Эксцентриковое кольцо. |
| FH206-30MM+R1 | ISO | Миллиметры. Radial Internal Clearance Less Than R2. |
| RA106C2RSA | ISO | Резиновые уплотнения с каждой стороны подшипника. |
| EN206 AV2S | ISO | Lubricant. Shell Oil Co.. Alvania #2 Grease. 1/4 Full. Temperature Range = -10°C / + 110°C (Normal Temperature Grease). |
| GRAE30NPPB FA125,5 | ISO | Подшипник со сферическим наружным кольцом. Манжетные уплотнения с обеих сторон (Тип P — две шайбы из оцинкованной листовой стали с промежуточной частью из NBR. Кромка уплотнения предварительно нагружена в осевом направлении). С покрытием Corrotect®, защищено от коррозии. |
| UE206PZ | ISO | Non-Standard Tolerance. |
| ES.206.G2 | ISO | Cистема повторного смазывания для корпусных подшипников. |
| RA103NPP | ISO | Манжетные уплотнения с обеих сторон (Тип P — две шайбы из оцинкованной листовой стали с промежуточной частью из NBR. Кромка уплотнения предварительно нагружена в осевом направлении). |
| GRAE30NPPB FA107 | ISO | Подшипник со сферическим наружным кольцом. Манжетные уплотнения с обеих сторон (Тип P — две шайбы из оцинкованной листовой стали с промежуточной частью из NBR. Кромка уплотнения предварительно нагружена в осевом направлении). Подшипник со смазочными отверстиями на опорной стороне. |
| AEL206W3 | ISO | Корпусной подшипник с установочным винтом. |
| 1230-1.3/16EC | ISO | Эксцентриковая втулка с внутренним кольцом заподлицо с одной стороны. Размерные и геометрические допуски соответствуют классу точности P6. Number Of Carriages Per Rail Track. |
| YET206W/VT307 | ISO | Y-Bearing Without Lubrication Hole(s) In Outer Ring. Специальная смазка. |
| RAE30NPPB FA140/170 | ISO | Подшипник со сферическим наружным кольцом. Манжетные уплотнения с обеих сторон (Тип P — две шайбы из оцинкованной листовой стали с промежуточной частью из NBR. Кромка уплотнения предварительно нагружена в осевом направлении). Длина направляющей. |
| RA103NPP AH02 | ISO | Манжетные уплотнения с обеих сторон (Тип P — две шайбы из оцинкованной листовой стали с промежуточной частью из NBR. Кромка уплотнения предварительно нагружена в осевом направлении). Внутренний диаметр отличается от базового номера детали. |
| EN206DDR | ISO | Agricultural Seal. |
| AELS206-103 | ISO | 1.3/16. |
| AELS206N | ISO | Паз в корпусе для крепления защитных колпачков. |
| RAE30-NPP-FA125.1 | ISO | Манжетные уплотнения с обеих сторон (Тип P — две шайбы из оцинкованной листовой стали с промежуточной частью из NBR. Кромка уплотнения предварительно нагружена в осевом направлении). С покрытием Corrotect®, защищено от коррозии. |
| RAE30-XL-NPP-FA125.1 | ISO | Серия X-Life премиум-класс. увеличиный срок службы. Манжетные уплотнения с обеих сторон (Тип P — две шайбы из оцинкованной листовой стали с промежуточной частью из NBR. Кромка уплотнения предварительно нагружена в осевом направлении). С покрытием Corrotect®, защищено от коррозии. |
| UY206-103.2S.SHY | ISO | Outer Ring Modification. Одинарное уплотнение с лабиринтом между листовой частью и резиновой кромкой, обеспечивающей контактное уплотнение. 1.3/16. Cylindrical Outer Ring Without Lubrication Holes. |
| UY206-103.2S.Y | ISO | Outer Ring Modification. Одинарное уплотнение с лабиринтом между листовой частью и резиновой кромкой, обеспечивающей контактное уплотнение. 1.3/16. |
Аналог подшипника для корпуса GRA103-NPP-B-AS2/V — это подшипник такого же размера dx30,Dx62,Bx35, типа и конструкции.
| Обозначение | Конструктивные особенности | Внутренний (d) | Наружный (D) | Ширина (B) |
|---|---|---|---|---|
| 52207K | Подшипник шариковый упорный двойного направления. Коническое отверстие. конус 1/12. | 30.00 | 62.00 | 34.00 |
| 52207A | Подшипник шариковый упорный двойного направления. Двухрядный радиально-упорный шарикоподшипник без отверстия для смазки. | 30.00 | 62.00 | 34.00 |
| BA2B309854 | Подшипник шариковый двухрядный радиально-упорный. | 30.00 | 62.00 | 36.00 |
| RABR1.3/16 | Корпус подшипника. Размерные и геометрические допуски соответствуют классу точности P6. 01. | 30.16 | 62.38 | 35.72 |
| DLP35 | Подшипник шариковый упорный двойного направления. | 30.00 | 62.00 | 34.00 |
| 52207J9 | Подшипник шариковый упорный двойного направления. Прессованный стальной сепаратор. Вращающийся элемент по центру. Незакаленный. | 30.00 | 62.00 | 34.00 |
| 52207A P6 | Подшипник шариковый упорный двойного направления. Упорный шарикоподшипник с более высокой предельной скоростью. Размерные и геометрические допуски соответствуют классу точности P6. | 30.00 | 62.00 | 34.00 |
| 52207NF | Подшипник шариковый упорный двойного направления. Полированный подшипник и детали подшипника. | 30.00 | 62.00 | 34.00 |
| 780206-КНС17 | Шариковый радиальный однорядный подшипник. Смазка Литол-24. Детали из теплостойкой стали. | 30.00 | 62.00 | 35.70 |
| 780206-КС17 | Шариковый радиальный однорядный подшипник. Смазка Литол-24. | 30.00 | 62.00 | 35.70 |
| E2.YET 206 | Шариковый радиальный однорядный подшипник. | 30.00 | 62.00 | 35.60 |
| CES206-19 | Шариковый радиальный однорядный подшипник. 1.3/16. | 30.16 | 62.00 | 35.70 |
| CES206 | Шариковый радиальный однорядный подшипник. Сферический наружный диаметр. Контактное уплотнение с одной стороны. | 30.00 | 62.00 | 35.70 |
| ES206 | Шариковый радиальный однорядный подшипник. Сферический наружный диаметр. Контактное уплотнение с одной стороны. | 30.00 | 62.00 | 35.70 |
| ES206-19 | Шариковый радиальный однорядный подшипник. 1.3/16. | 30.16 | 62.00 | 35.70 |
Способы доставки
Отправка через ведущие транспортные и курьерские компании: ПЭК, Деловые Линии, СДЭК, Байкал-Сервис, Энергия, КИТ, ЖелДорЭкспедиция.
Самовывоз возможен напрямую со склада в Москве.
Сроки доставки
Срок зависит от региона и выбранной транспортной компании. Все заказы комплектуются и отправляются в кратчайшие сроки со склада в Москве.
Надёжность и сохранность
Вся продукция упаковывается с учётом требований транспортировки. Мы гарантируем, что подшипники и комплектующие прибудут к заказчику в полной сохранности.
Доставка в страны ЕАЭС
Мы работаем с проверенными логистическими партнёрами, что позволяет оперативно доставлять заказы в Беларусь, Казахстан, Армению и другие страны ЕАЭС.
Варианты оплаты:
Минимальная сумма заказа и скидки:
Документы и гарантии:
Да, конечно! Наши технические специалисты готовы помочь вам с подбором точного аналога или замены подшипника. Просто позвоните нам по телефону +7 (495) 104-99-04 или напишите на почту zakaz@podsnab.ru.
Для оперативной консультации подготовьте, пожалуйста, имеющиеся данные: маркировку, размеры, тип оборудования или артикул старого подшипника.
Да, конечно! Мы высоко ценим долгосрочное сотрудничество и доверие клиентов по всей России. Для постоянных клиентов действует персональная система скидок.
Условия формируются индивидуально и зависят от:
Чтобы узнать свои условия и получить максимально выгодное предложение, свяжитесь с персональным менеджером или напишите нам на почту zakaz@podsnab.ru.
Вы можете оформить заказ несколькими способами:
Для оформления заказа от юридического лица свяжитесь с нашим отделом по работе с корпоративными клиентами по телефону +7 (495) 104-99-04 или напишите на email zakaz@podsnab.ru, прикрепив реквизиты вашей организации.
Мы оперативно подготовим коммерческое предложение и выставим счет.
Возврат товара надлежащего качества возможен в течение 10 дней с момента получения, если товар не был в употреблении, сохранен товарный вид, упаковка не вскрывалась и присутствуют все сопроводительные документы.
Возврат денежных средств осуществляется в течение 10 рабочих дней после проверки товара складом.
В соответствии с законодательством возврату не подлежат подшипники надлежащего качества, если отсутствует оригинальная упаковка или имеются следы монтажа.
В случае выявления брака или гарантийного случая мы гарантируем возврат или обмен товара.
Да, гарантийный срок хранения устанавливается заводом-изготовителем и в среднем составляет 2 года при соблюдении условий хранения: сухое помещение, оригинальная упаковка и смазка.
Точный срок для конкретного типа подшипника уточняйте у наших менеджеров.
Пн–Пт: с 8:00 до 17:00 (МСК).
Сб–Вс: выходные дни.
Заказы на сайте принимаются круглосуточно. Заявки, поступившие после окончания рабочего дня, обрабатываются на следующий рабочий день.
Минимальная сумма заказа для доставки составляет 3000 рублей. Самовывоз со склада возможен на любую сумму при наличии товара.
ООО «УралТехГрупп»
ИНН: 7415093830
КПП: 772401001
ОГРН: 1167456069021
Банк: ПАО Сбербанк
Р/с: 40702810838000475273
К/с: 30101810400000000225
БИК: 044525225
У подшипника GRA103-NPP-B-AS2/V пока нет отзывов. Вы можете стать первым покупателем, поделившимся своим мнением.