Поиск подшипника
Статьи
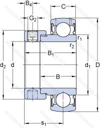
E2.YET 206 — Шариковый радиальный однорядный подшипник, основное исполнение, производство SKF.
Размер подшипника: 30x62x35 мм.
Международная стандартизации ISO
E2YET206
В наличии
| Обозначение | Гост | Конструктивные особенности |
|---|---|---|
| 780206-КНС17 | ГОСТ | Смазка Литол-24. Детали из теплостойкой стали. |
| 780206-КС17 | ГОСТ | Смазка Литол-24. |
| E2.YET 206-103 | ISO | Шариковый радиальный однорядный подшипник. |
| CES206-19 | ISO | 1.3/16. |
| CES206 | ISO | Сферический наружный диаметр. Контактное уплотнение с одной стороны. |
| ES206 | ISO | Сферический наружный диаметр. Контактное уплотнение с одной стороны. |
| ES206-19 | ISO | 1.3/16. |
Аналог шарикового подшипника E2.YET 206 — это подшипник такого же размера dx30,Dx62,Bx35, типа и конструкции.
| Обозначение | Конструктивные особенности | Внутренний (d) | Наружный (D) | Ширина (B) |
|---|---|---|---|---|
| RA103NPP | Подшипник для корпуса. Манжетные уплотнения с обеих сторон (Тип P — две шайбы из оцинкованной листовой стали с промежуточной частью из NBR. Кромка уплотнения предварительно нагружена в осевом направлении). | 30.16 | 62.00 | 35.80 |
| GRAE30NPPB FA107 | Подшипник для корпуса. Подшипник со сферическим наружным кольцом. Манжетные уплотнения с обеих сторон (Тип P — две шайбы из оцинкованной листовой стали с промежуточной частью из NBR. Кромка уплотнения предварительно нагружена в осевом направлении). Подшипник со смазочными отверстиями на опорной стороне. | 30.00 | 62.00 | 35.70 |
| AEL206W3 | Подшипник для корпуса. Корпусной подшипник с установочным винтом. | 30.00 | 62.00 | 35.70 |
| GRA103-NPP-B-AS2/V | Подшипник для корпуса. Подшипник со сферическим наружным кольцом. Манжетные уплотнения с обеих сторон (Тип P — две шайбы из оцинкованной листовой стали с промежуточной частью из NBR. Кромка уплотнения предварительно нагружена в осевом направлении). Наружное кольцо подшипника с двумя смазочными отверстиями в смещенных плоскостях. | 30.16 | 62.00 | 35.80 |
| 1230-1.3/16EC | Подшипник для корпуса. Эксцентриковая втулка с внутренним кольцом заподлицо с одной стороны. Размерные и геометрические допуски соответствуют классу точности P6. Number Of Carriages Per Rail Track. | 30.16 | 62.00 | 35.70 |
| YET206W/VT307 | Подшипник для корпуса. Y-Bearing Without Lubrication Hole(s) In Outer Ring. Специальная смазка. | 30.00 | 62.00 | 35.70 |
| RAE30NPPB FA140/170 | Подшипник для корпуса. Подшипник со сферическим наружным кольцом. Манжетные уплотнения с обеих сторон (Тип P — две шайбы из оцинкованной листовой стали с промежуточной частью из NBR. Кромка уплотнения предварительно нагружена в осевом направлении). Длина направляющей. | 30.00 | 62.00 | 35.80 |
| RA103NPP AH02 | Подшипник для корпуса. Манжетные уплотнения с обеих сторон (Тип P — две шайбы из оцинкованной листовой стали с промежуточной частью из NBR. Кромка уплотнения предварительно нагружена в осевом направлении). Внутренний диаметр отличается от базового номера детали. | 30.16 | 62.00 | 35.80 |
| EN206DDR | Подшипник для корпуса. Agricultural Seal. | 30.00 | 62.00 | 35.70 |
| AELS206-103 | Подшипник для корпуса. 1.3/16. | 30.16 | 62.00 | 35.71 |
| AELS206N | Подшипник для корпуса. Паз в корпусе для крепления защитных колпачков. | 30.00 | 62.00 | 35.70 |
| RAE30-NPP-FA125.1 | Подшипник для корпуса. Манжетные уплотнения с обеих сторон (Тип P — две шайбы из оцинкованной листовой стали с промежуточной частью из NBR. Кромка уплотнения предварительно нагружена в осевом направлении). С покрытием Corrotect®, защищено от коррозии. | 30.00 | 62.00 | 35.70 |
| RAE30-XL-NPP-FA125.1 | Подшипник для корпуса. Серия X-Life премиум-класс. увеличиный срок службы. Манжетные уплотнения с обеих сторон (Тип P — две шайбы из оцинкованной листовой стали с промежуточной частью из NBR. Кромка уплотнения предварительно нагружена в осевом направлении). С покрытием Corrotect®, защищено от коррозии. | 30.00 | 62.00 | 35.70 |
| UY206-103.2S.SHY | Подшипник для корпуса. Outer Ring Modification. Одинарное уплотнение с лабиринтом между листовой частью и резиновой кромкой, обеспечивающей контактное уплотнение. 1.3/16. Cylindrical Outer Ring Without Lubrication Holes. | 30.16 | 62.00 | 35.70 |
| UY206-103.2S.Y | Подшипник для корпуса. Outer Ring Modification. Одинарное уплотнение с лабиринтом между листовой частью и резиновой кромкой, обеспечивающей контактное уплотнение. 1.3/16. | 30.16 | 62.00 | 35.70 |
Способы доставки
Отправка через ведущие транспортные и курьерские компании: ПЭК, Деловые Линии, СДЭК, Байкал-Сервис, Энергия, КИТ, ЖелДорЭкспедиция.
Самовывоз возможен напрямую со склада в Москве.
Сроки доставки
Срок зависит от региона и выбранной транспортной компании. Все заказы комплектуются и отправляются в кратчайшие сроки со склада в Москве.
Надёжность и сохранность
Вся продукция упаковывается с учётом требований транспортировки. Мы гарантируем, что подшипники и комплектующие прибудут к заказчику в полной сохранности.
Доставка в страны ЕАЭС
Мы работаем с проверенными логистическими партнёрами, что позволяет оперативно доставлять заказы в Беларусь, Казахстан, Армению и другие страны ЕАЭС.
Варианты оплаты:
Минимальная сумма заказа и скидки:
Документы и гарантии:
Да, конечно! Наши технические специалисты готовы помочь вам с подбором точного аналога или замены подшипника. Просто позвоните нам по телефону +7 (495) 104-99-04 или напишите на почту zakaz@podsnab.ru.
Для оперативной консультации подготовьте, пожалуйста, имеющиеся данные: маркировку, размеры, тип оборудования или артикул старого подшипника.
Да, конечно! Мы высоко ценим долгосрочное сотрудничество и доверие клиентов по всей России. Для постоянных клиентов действует персональная система скидок.
Условия формируются индивидуально и зависят от:
Чтобы узнать свои условия и получить максимально выгодное предложение, свяжитесь с персональным менеджером или напишите нам на почту zakaz@podsnab.ru.
Вы можете оформить заказ несколькими способами:
Для оформления заказа от юридического лица свяжитесь с нашим отделом по работе с корпоративными клиентами по телефону +7 (495) 104-99-04 или напишите на email zakaz@podsnab.ru, прикрепив реквизиты вашей организации.
Мы оперативно подготовим коммерческое предложение и выставим счет.
Возврат товара надлежащего качества возможен в течение 10 дней с момента получения, если товар не был в употреблении, сохранен товарный вид, упаковка не вскрывалась и присутствуют все сопроводительные документы.
Возврат денежных средств осуществляется в течение 10 рабочих дней после проверки товара складом.
В соответствии с законодательством возврату не подлежат подшипники надлежащего качества, если отсутствует оригинальная упаковка или имеются следы монтажа.
В случае выявления брака или гарантийного случая мы гарантируем возврат или обмен товара.
Да, гарантийный срок хранения устанавливается заводом-изготовителем и в среднем составляет 2 года при соблюдении условий хранения: сухое помещение, оригинальная упаковка и смазка.
Точный срок для конкретного типа подшипника уточняйте у наших менеджеров.
Пн–Пт: с 8:00 до 17:00 (МСК).
Сб–Вс: выходные дни.
Заказы на сайте принимаются круглосуточно. Заявки, поступившие после окончания рабочего дня, обрабатываются на следующий рабочий день.
Минимальная сумма заказа для доставки составляет 3000 рублей. Самовывоз со склада возможен на любую сумму при наличии товара.
ООО «УралТехГрупп»
ИНН: 7415093830
КПП: 772401001
ОГРН: 1167456069021
Банк: ПАО Сбербанк
Р/с: 40702810838000475273
К/с: 30101810400000000225
БИК: 044525225
У подшипника E2.YET 206 пока нет отзывов. Вы можете стать первым покупателем, поделившимся своим мнением.