Поиск подшипника
Статьи
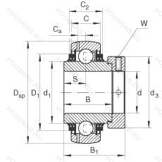
GE55-KTT-B — Подшипник для корпуса, модификация основного исполнения GE55, производство INA.
Размер подшипника: 55x100x71 мм.
Широкий подшипник с внутренним кольцом и метрическим отверстием, тройные манжетные уплотнения с обеих сторон подшипника (т-образное уплотнение), подшипник со сферическим наружным кольцом.
Альтернативное обозначение: GE55KPPB3.
Международная стандартизации ISO
GE55KTTB
В наличии
| Обозначение | Конструктивные изменения |
|---|---|
| GE55KRRB | Подшипник для корпуса. |
| GE55SX | Радиально-упорный сферический подшипник скольжения. требующий обслуживания по ISO 12 2402. Монтажные размеры как для конических роликоподшипников по DIN 720. 320X. Стальная скользящая контактная поверхность. Метрический радиальный сферический подшипник скольжения. |
| GE55KPPB3 | Conrad. Non-Filling Slot Type. Сферический внешний диаметр. Два трехслойных уплотнения. Эксцентриковая стопорная втулка. |
| GE55SW | Скользящая контактная поверхность из твердого хрома/Elgoglide®. Метрический радиальный сферический подшипник скольжения. |
| GE55-XL-KTT-B | Подшипник со сферическим наружным кольцом. Серия X-Life премиум-класс. увеличиный срок службы. Тройные манжетные уплотнения с обеих сторон подшипника (Т-образное уплотнение). |
| GE55-XL-KRR-B | Подшипник со сферическим наружным кольцом. Серия X-Life премиум-класс. увеличиный срок службы. Манжетные уплотнения с обеих сторон (уплотнение типа R - имеет оцинкованные внутреннюю и внешнюю крышки. Между крышками имеется уплотнительная кромка NBR. идущая по шлифованному буртику). |
| GE55ES | Разъемное наружное кольцо со смазочными отверстиями. |
| GE55DO | Стальная контактная поверхность скольжения. Внутреннее и наружное кольца закалены. |
| GE55-2RS | Манжетное уплотнение с двух сторон. |
| GE55KRR | Манжетные уплотнения с обеих сторон (уплотнение типа R - имеет оцинкованные внутреннюю и внешнюю крышки. Между крышками имеется уплотнительная кромка NBR. идущая по шлифованному буртику). |
| GE55KPPB4 | Подшипник для корпуса. |
| GE55ET/X-2RS | Резиновые уплотнения с каждой стороны подшипника. Измененные размеры границ. введенные пересмотренными стандартами ISO. Сквозная закалка и шлифовка стали с переломом в одной точке. |
| GE55ET-2RS | Резиновые уплотнения с каждой стороны подшипника. Сквозная закалка и шлифовка стали с переломом в одной точке. |
| GE55ET/X | Измененные размеры границ. введенные пересмотренными стандартами ISO. Сквозная закалка и шлифовка стали с переломом в одной точке. |
Модификации подшипника для корпуса GE55-KTT-B — это измененное основное конструктивное исполнение GE55, основные размеры (55x100x71) не отличаются.
| Обозначение | Гост | Конструктивные особенности |
|---|---|---|
| YEL211-2F | ISO | Стандартное контактное уплотнение с дополнительным маслоотражательным кольцом с обеих сторон. |
| UEL211-203D1W3 | ISO | Канавка и смазочные отверстия на наружном кольце. Корпусной подшипник с установочным винтом. 2.3/16. |
| 36211B | ISO | Сферическое внешнее кольцо. |
| REL211-203D1V19 | ISO | Не требующий обслуживания тип. 2.3/16. |
| GE55KRRB E55EB | ISO | Подшипник со сферическим наружным кольцом. Манжетные уплотнения с обеих сторон (уплотнение типа R - имеет оцинкованные внутреннюю и внешнюю крышки. Между крышками имеется уплотнительная кромка NBR. идущая по шлифованному буртику). |
| UG211-35 | ISO | 2.3/16. |
| GE55-KRR-B-CC | ISO | Подшипник со сферическим наружным кольцом. Манжетные уплотнения с обеих сторон (уплотнение типа R - имеет оцинкованные внутреннюю и внешнюю крышки. Между крышками имеется уплотнительная кромка NBR. идущая по шлифованному буртику). |
| YEL211-2RF | ISO | Стандартное контактное уплотнение с дополнительным прорезиненным кольцом с обеих сторон подшипника. |
| UELS211-203D1NRW3 | ISO | Не требующий обслуживания тип. Корпусной подшипник с установочным винтом. 2.3/16. |
| YEL211-2FF | ISO | Маслоотражательные кольца с ворсистым покрытием с обеих сторон. |
| HC211-35 | ISO | 2.3/16. |
| HC211-55MM | ISO | Миллиметры. |
| 1055-2.3/16DEC | ISO | Эксцентриковая втулка удлиненным внутренним кольцом. ISO Tolerance Class ABEC.9. Размерные и геометрические допуски соответствуют классу точности P6. |
| UEL211D1 | ISO | Не требующий обслуживания тип. |
| UEL211-203 | ISO | 2.3/16. |
| YEL211-203-2FCW | ISO | Стандартное контактное уплотнение с дополнительным маслоотражательным кольцом с обеих сторон. С цилиндрическим наружным диаметром. 2.3/16. |
| UELS211-203 | ISO | 2.3/16. |
| 1055-2.3/16DECG | ISO | Смазочные отверстия в распределительной канавке. Механически обработанные в наружном кольце для смазки. Эксцентриковая втулка с удлиненным внутренним кольцом. ISO Tolerance Class ABEC.9. Размерные и геометрические допуски соответствуют классу точности P6. |
| EX211AGR | ISO | AGR-Sealing (Three Lip Sealing). |
| G1203KRRB + COL | ISO | Conrad (Non-Filling Slot) Type. Сферический внешний диаметр. Резиновое уплотнение с двух сторон. Втулка. |
Аналог подшипника для корпуса GE55-KTT-B — это подшипник такого же размера dx55,Dx100,Bx71, типа и конструкции.
| Обозначение | Конструктивные особенности | Внутренний (d) | Наружный (D) | Ширина (B) |
|---|---|---|---|---|
| EX211G2 | Шариковый радиальный однорядный подшипник. Cистема повторного смазывания для корпусных подшипников. | 55.00 | 100.00 | 71.30 |
| EX211-35 | Шариковый радиальный однорядный подшипник. 2.3/16. | 55.56 | 100.00 | 71.30 |
| EX211 | Шариковый радиальный однорядный подшипник. Контактное уплотнение с одной стороны. | 55.00 | 100.00 | 71.30 |
Способы доставки
Отправка через ведущие транспортные и курьерские компании: ПЭК, Деловые Линии, СДЭК, Байкал-Сервис, Энергия, КИТ, ЖелДорЭкспедиция.
Самовывоз возможен напрямую со склада в Москве.
Сроки доставки
Срок зависит от региона и выбранной транспортной компании. Все заказы комплектуются и отправляются в кратчайшие сроки со склада в Москве.
Надёжность и сохранность
Вся продукция упаковывается с учётом требований транспортировки. Мы гарантируем, что подшипники и комплектующие прибудут к заказчику в полной сохранности.
Доставка в страны ЕАЭС
Мы работаем с проверенными логистическими партнёрами, что позволяет оперативно доставлять заказы в Беларусь, Казахстан, Армению и другие страны ЕАЭС.
Варианты оплаты:
Минимальная сумма заказа и скидки:
Документы и гарантии:
Да, конечно! Наши технические специалисты готовы помочь вам с подбором точного аналога или замены подшипника. Просто позвоните нам по телефону +7 (495) 104-99-04 или напишите на почту zakaz@podsnab.ru.
Для оперативной консультации подготовьте, пожалуйста, имеющиеся данные: маркировку, размеры, тип оборудования или артикул старого подшипника.
Да, конечно! Мы высоко ценим долгосрочное сотрудничество и доверие клиентов по всей России. Для постоянных клиентов действует персональная система скидок.
Условия формируются индивидуально и зависят от:
Чтобы узнать свои условия и получить максимально выгодное предложение, свяжитесь с персональным менеджером или напишите нам на почту zakaz@podsnab.ru.
Вы можете оформить заказ несколькими способами:
Для оформления заказа от юридического лица свяжитесь с нашим отделом по работе с корпоративными клиентами по телефону +7 (495) 104-99-04 или напишите на email zakaz@podsnab.ru, прикрепив реквизиты вашей организации.
Мы оперативно подготовим коммерческое предложение и выставим счет.
Возврат товара надлежащего качества возможен в течение 10 дней с момента получения, если товар не был в употреблении, сохранен товарный вид, упаковка не вскрывалась и присутствуют все сопроводительные документы.
Возврат денежных средств осуществляется в течение 10 рабочих дней после проверки товара складом.
В соответствии с законодательством возврату не подлежат подшипники надлежащего качества, если отсутствует оригинальная упаковка или имеются следы монтажа.
В случае выявления брака или гарантийного случая мы гарантируем возврат или обмен товара.
Да, гарантийный срок хранения устанавливается заводом-изготовителем и в среднем составляет 2 года при соблюдении условий хранения: сухое помещение, оригинальная упаковка и смазка.
Точный срок для конкретного типа подшипника уточняйте у наших менеджеров.
Пн–Пт: с 8:00 до 17:00 (МСК).
Сб–Вс: выходные дни.
Заказы на сайте принимаются круглосуточно. Заявки, поступившие после окончания рабочего дня, обрабатываются на следующий рабочий день.
Минимальная сумма заказа для доставки составляет 3000 рублей. Самовывоз со склада возможен на любую сумму при наличии товара.
ООО «УралТехГрупп»
ИНН: 7415093830
КПП: 772401001
ОГРН: 1167456069021
Банк: ПАО Сбербанк
Р/с: 40702810838000475273
К/с: 30101810400000000225
БИК: 044525225
У подшипника GE55-KTT-B пока нет отзывов. Вы можете стать первым покупателем, поделившимся своим мнением.