Поиск подшипника
Статьи
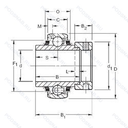
GE55KPPB4 — Шариковый радиальный однорядный подшипник, модификация основного исполнения GE55, производство TIMKEN.
Размер подшипника: 55x100x55 мм.
Широкий подшипник с внутренним кольцом и метрическим отверстием.
Международная стандартизации ISO
GE55KPPB4
В наличии
| Обозначение | Конструктивные изменения |
|---|---|
| GE55KRRB | Шариковый радиальный однорядный подшипник. |
| GE55SX | Радиально-упорный сферический подшипник скольжения. требующий обслуживания по ISO 12 2402. Монтажные размеры как для конических роликоподшипников по DIN 720. 320X. Стальная скользящая контактная поверхность. Метрический радиальный сферический подшипник скольжения. |
| GE55KPPB3 | Conrad. Non-Filling Slot Type. Сферический внешний диаметр. Два трехслойных уплотнения. Эксцентриковая стопорная втулка. |
| GE55SW | Скользящая контактная поверхность из твердого хрома/Elgoglide®. Метрический радиальный сферический подшипник скольжения. |
| GE55-XL-KTT-B | Подшипник со сферическим наружным кольцом. Серия X-Life премиум-класс. увеличиный срок службы. Тройные манжетные уплотнения с обеих сторон подшипника (Т-образное уплотнение). |
| GE55-XL-KRR-B | Подшипник со сферическим наружным кольцом. Серия X-Life премиум-класс. увеличиный срок службы. Манжетные уплотнения с обеих сторон (уплотнение типа R - имеет оцинкованные внутреннюю и внешнюю крышки. Между крышками имеется уплотнительная кромка NBR. идущая по шлифованному буртику). |
| GE55ES | Разъемное наружное кольцо со смазочными отверстиями. |
| GE55DO | Стальная контактная поверхность скольжения. Внутреннее и наружное кольца закалены. |
| GE55-2RS | Манжетное уплотнение с двух сторон. |
| GE55-KTT-B | Подшипник со сферическим наружным кольцом. Тройные манжетные уплотнения с обеих сторон подшипника (Т-образное уплотнение). |
| GE55KRR | Манжетные уплотнения с обеих сторон (уплотнение типа R - имеет оцинкованные внутреннюю и внешнюю крышки. Между крышками имеется уплотнительная кромка NBR. идущая по шлифованному буртику). |
| GE55ET/X-2RS | Резиновые уплотнения с каждой стороны подшипника. Измененные размеры границ. введенные пересмотренными стандартами ISO. Сквозная закалка и шлифовка стали с переломом в одной точке. |
| GE55ET-2RS | Резиновые уплотнения с каждой стороны подшипника. Сквозная закалка и шлифовка стали с переломом в одной точке. |
| GE55ET/X | Измененные размеры границ. введенные пересмотренными стандартами ISO. Сквозная закалка и шлифовка стали с переломом в одной точке. |
Модификации шарикового подшипника GE55KPPB4 — это измененное основное конструктивное исполнение GE55, основные размеры (55x100x55) не отличаются.
| Обозначение | Гост | Конструктивные особенности |
|---|---|---|
| UC-211 | ГОСТ | Смазка ЭРА. |
| W211PPB4 | ISO | Шариковый радиальный однорядный подшипник. |
| UC211-35L3 | ISO | Шариковый радиальный однорядный подшипник. |
| UCS211LD1N | ISO | Канавка для стопорного кольца на наружном кольце. |
| UELS211LD1N | ISO | Канавка для стопорного кольца на наружном кольце. |
| PAST627A | ISO | Двухрядный радиально-упорный шарикоподшипник без отверстия для смазки. |
| SM1203K | ISO | Коническое отверстие. Конусность 1/12. |
| SM1203KB | ISO | Материал контакта сталь на бронзе (S/B). |
| E55KRR | ISO | Манжетные уплотнения с обеих сторон (уплотнение типа R - имеет оцинкованные внутреннюю и внешнюю крышки. Между крышками имеется уплотнительная кромка NBR. идущая по шлифованному буртику). |
| E55KRRB | ISO | Шариковый радиальный однорядный подшипник. |
| G1203KLL | ISO | BALL BEARING. CONRAD TYPE. INDUSTRIAL POWER TRANSMISSION. DOUBLE MECHANI-SEAL. |
| G1203KLLB | ISO | Шариковый радиальный однорядный подшипник. |
| 1203KL | ISO | Flanged Type (2 Thru holes)-Medium Load. |
| 1203KLL | ISO | BALL BEARING. CONRAD TYPE. INDUSTRIAL POWER TRANSMISSION. DOUBLE MECHANI-SEAL. |
| 1203KLLB | ISO | Шариковый радиальный однорядный подшипник. |
| 1203KR | ISO | Single-Row. Counterbored Outer Ring. Radial Type. Ball Bearing. 15° Угол контакта. |
| 1203KRR | ISO | Манжетные уплотнения с обеих сторон (уплотнение типа R - имеет оцинкованные внутреннюю и внешнюю крышки. Между крышками имеется уплотнительная кромка NBR. идущая по шлифованному буртику). |
| 480211 | ГОСТ | Шариковый радиальный однорядный подшипник. |
| 480211К | ГОСТ | Шариковый радиальный однорядный подшипник. |
Аналог шарикового подшипника GE55KPPB4 — это подшипник такого же размера dx55,Dx100,Bx55, типа и конструкции.
| Обозначение | Конструктивные особенности | Внутренний (d) | Наружный (D) | Ширина (B) |
|---|---|---|---|---|
| YAR211-203-2F/AH | Подшипник для корпуса. Измененная или модифицированная внутренняя конструкция при неизменных основных размерах. Стандартное контактное уплотнение с дополнительным маслоотражательным кольцом с обеих сторон. Противовращающийся штырь. Массивные ножки и свободный момент выравнивания. 2.3/16. | 55.56 | 100.00 | 55.60 |
| UC.211.G2 | Подшипник для корпуса. Cистема повторного смазывания для корпусных подшипников. | 55.00 | 100.00 | 55.60 |
| UG211+ER | Подшипник для корпуса. Эксцентриковое кольцо. | 55.00 | 100.00 | 55.50 |
| UC211D1N | Подшипник для корпуса. Не требующий обслуживания тип. Проточка под стопорное кольцо. | 55.00 | 100.00 | 55.60 |
| G1203KRR | Подшипник для корпуса. Манжетные уплотнения с обеих сторон (уплотнение типа R - имеет оцинкованные внутреннюю и внешнюю крышки. Между крышками имеется уплотнительная кромка NBR. идущая по шлифованному буртику). | 55.56 | 100.00 | 55.56 |
| UC211AGR | Подшипник для корпуса. AGR-Sealing (Three Lip Sealing). | 55.00 | 100.00 | 55.60 |
| 1055-2.3/16 | Подшипник для корпуса. ISO Tolerance Class ABEC.9. Размерные и геометрические допуски соответствуют классу точности P6. 01. | 55.56 | 100.00 | 55.60 |
| GW211PPB15 | Подшипник для корпуса. Сферический снаружи. Манжетные уплотнения с обеих сторон подшипника. | 55.58 | 100.00 | 55.55 |
| GW211PPB15X1 | Подшипник для корпуса. Сферический снаружи. Манжетные уплотнения с обеих сторон подшипника. | 55.58 | 100.00 | 55.55 |
| UC.211-35.G2 | Подшипник для корпуса. Cистема повторного смазывания для корпусных подшипников. | 55.56 | 100.00 | 55.60 |
| 2-697711 ЛКУ | Роликовый радиальный-упорный двухрядный подшипник. Сепаратор из латуни.. Дополнительные технические требования. | 55.00 | 100.00 | 54.00 |
| 697711-ЛКУ | Роликовый радиальный-упорный двухрядный подшипник. Кольцевая проточка на середине цилиндрической наружной поверхности наружного кольца плюс три отверстия для смазки. Сепаратор из латуни.. Дополнительные технические требования. | 55.00 | 100.00 | 54.00 |
| BT2B441026D/Q | Роликовый радиальный-упорный двухрядный подшипник. Оптимизированная геометрия и специальная обработка контактных поверхностей. | 55.00 | 100.00 | 56.00 |
| X10D.32211.C | Роликовый радиальный-упорный двухрядный подшипник. 15° Угол контакта. Половина целого игольчатого валика. Применять суффикс 'D' в базовом номере. | 55.00 | 100.00 | 56.00 |
| GY1203-KRR-B-AS2/V | Шариковый радиальный подшипник. Конический роликовый подшипник. Угол контакта 20 градусов. Манжетные уплотнения с обеих сторон (уплотнение типа R - имеет оцинкованные внутреннюю и внешнюю крышки. Между крышками имеется уплотнительная кромка NBR. идущая по шлифованному буртику). Наружное кольцо подшипника с двумя смазочными отверстиями в смещенных плоскостях. | 55.56 | 100.00 | 55.60 |
Способы доставки
Отправка через ведущие транспортные и курьерские компании: ПЭК, Деловые Линии, СДЭК, Байкал-Сервис, Энергия, КИТ, ЖелДорЭкспедиция.
Самовывоз возможен напрямую со склада в Москве.
Сроки доставки
Срок зависит от региона и выбранной транспортной компании. Все заказы комплектуются и отправляются в кратчайшие сроки со склада в Москве.
Надёжность и сохранность
Вся продукция упаковывается с учётом требований транспортировки. Мы гарантируем, что подшипники и комплектующие прибудут к заказчику в полной сохранности.
Доставка в страны ЕАЭС
Мы работаем с проверенными логистическими партнёрами, что позволяет оперативно доставлять заказы в Беларусь, Казахстан, Армению и другие страны ЕАЭС.
Варианты оплаты:
Минимальная сумма заказа и скидки:
Документы и гарантии:
Да, конечно! Наши технические специалисты готовы помочь вам с подбором точного аналога или замены подшипника. Просто позвоните нам по телефону +7 (495) 104-99-04 или напишите на почту zakaz@podsnab.ru.
Для оперативной консультации подготовьте, пожалуйста, имеющиеся данные: маркировку, размеры, тип оборудования или артикул старого подшипника.
Да, конечно! Мы высоко ценим долгосрочное сотрудничество и доверие клиентов по всей России. Для постоянных клиентов действует персональная система скидок.
Условия формируются индивидуально и зависят от:
Чтобы узнать свои условия и получить максимально выгодное предложение, свяжитесь с персональным менеджером или напишите нам на почту zakaz@podsnab.ru.
Вы можете оформить заказ несколькими способами:
Для оформления заказа от юридического лица свяжитесь с нашим отделом по работе с корпоративными клиентами по телефону +7 (495) 104-99-04 или напишите на email zakaz@podsnab.ru, прикрепив реквизиты вашей организации.
Мы оперативно подготовим коммерческое предложение и выставим счет.
Возврат товара надлежащего качества возможен в течение 10 дней с момента получения, если товар не был в употреблении, сохранен товарный вид, упаковка не вскрывалась и присутствуют все сопроводительные документы.
Возврат денежных средств осуществляется в течение 10 рабочих дней после проверки товара складом.
В соответствии с законодательством возврату не подлежат подшипники надлежащего качества, если отсутствует оригинальная упаковка или имеются следы монтажа.
В случае выявления брака или гарантийного случая мы гарантируем возврат или обмен товара.
Да, гарантийный срок хранения устанавливается заводом-изготовителем и в среднем составляет 2 года при соблюдении условий хранения: сухое помещение, оригинальная упаковка и смазка.
Точный срок для конкретного типа подшипника уточняйте у наших менеджеров.
Пн–Пт: с 8:00 до 17:00 (МСК).
Сб–Вс: выходные дни.
Заказы на сайте принимаются круглосуточно. Заявки, поступившие после окончания рабочего дня, обрабатываются на следующий рабочий день.
Минимальная сумма заказа для доставки составляет 3000 рублей. Самовывоз со склада возможен на любую сумму при наличии товара.
ООО «УралТехГрупп»
ИНН: 7415093830
КПП: 772401001
ОГРН: 1167456069021
Банк: ПАО Сбербанк
Р/с: 40702810838000475273
К/с: 30101810400000000225
БИК: 044525225
У подшипника GE55KPPB4 пока нет отзывов. Вы можете стать первым покупателем, поделившимся своим мнением.