Поиск подшипника
Статьи
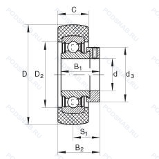
RABRA30/62-FA106 — Подшипник для корпуса, модификация основного исполнения RABRA3062, производство INA.
Размер подшипника: 30x62x30 мм.
Подшипник подвергается специальным испытаниям на шум.
Альтернативное обозначение: RABRA30/62-XL-FA106.
Международная стандартизации ISO
RABRA3062FA106
В наличии
| Обозначение | Конструктивные изменения |
|---|---|
| RABR-A30/62 | |
| RABRA30/62-XL-FA106 | Серия X-Life премиум-класс. увеличиный срок службы. Подшипник подвергается специальным испытаниям на шум. |
Модификации подшипника для корпуса RABRA30/62-FA106 — это измененное основное конструктивное исполнение RABRA3062, основные размеры (30x62x30) не отличаются.
| Обозначение | Гост | Конструктивные особенности |
|---|---|---|
| AY30-XL-NPP-B | ISO | Подшипник со сферическим наружным кольцом. Серия X-Life премиум-класс. увеличиный срок службы. Манжетные уплотнения с обеих сторон (Тип P — две шайбы из оцинкованной листовой стали с промежуточной частью из NBR. Кромка уплотнения предварительно нагружена в осевом направлении). |
| GAY30-XL-NPP-B | ISO | Подшипник со сферическим наружным кольцом. Серия X-Life премиум-класс. увеличиный срок службы. Манжетные уплотнения с обеих сторон (Тип P — две шайбы из оцинкованной листовой стали с промежуточной частью из NBR. Кромка уплотнения предварительно нагружена в осевом направлении). |
| SS-SB206-2RS | ISO | Резиновые уплотнения с каждой стороны подшипника. |
| GAY30-NPP-B-J-FA125.5 | ISO | Подшипник со сферическим наружным кольцом. Манжетные уплотнения с обеих сторон (Тип P — две шайбы из оцинкованной листовой стали с промежуточной частью из NBR. Кромка уплотнения предварительно нагружена в осевом направлении). С покрытием Corrotect®, защищено от коррозии. |
| B206V22 | ISO | Отверстия для смазки с обеих сторон наружного кольца подшипника. |
| 1230-30ZZ | ISO | Защитные металлические шайбы с обеих сторон. |
| GAY30NPPB AS2/V | ISO | Подшипник со сферическим наружным кольцом. Манжетные уплотнения с обеих сторон (Тип P — две шайбы из оцинкованной листовой стали с промежуточной частью из NBR. Кромка уплотнения предварительно нагружена в осевом направлении). Наружное кольцо подшипника с двумя смазочными отверстиями в смещенных плоскостях. |
| US206-19G2 | ISO | Cистема повторного смазывания для корпусных подшипников. 1.3/16. |
| AS206-103 | ISO | 1.3/16. |
| GAY30-NPP-B-FA107 | ISO | Конический роликовый подшипник. Угол контакта 20 градусов. Манжетные уплотнения с обеих сторон (Тип P — две шайбы из оцинкованной листовой стали с промежуточной частью из NBR. Кромка уплотнения предварительно нагружена в осевом направлении). Подшипник со смазочными отверстиями на опорной стороне. |
| YAT206-103 | ISO | 1.3/16. |
| AY30NPPB | ISO | Подшипник со сферическим наружным кольцом. Манжетные уплотнения с обеих сторон (Тип P — две шайбы из оцинкованной листовой стали с промежуточной частью из NBR. Кромка уплотнения предварительно нагружена в осевом направлении). |
| SB206 2RS C3 | ISO | Внутренний зазор больше нормального. Резиновые уплотнения с каждой стороны подшипника. |
| AY30NPP | ISO | Манжетные уплотнения с обеих сторон (Тип P — две шайбы из оцинкованной листовой стали с промежуточной частью из NBR. Кромка уплотнения предварительно нагружена в осевом направлении). |
| US206.G2 | ISO | Cистема повторного смазывания для корпусных подшипников. |
| RB206PPB | ISO | Подшипник со сферическим наружным кольцом. Манжетные уплотнения с обеих сторон (Тип P — две шайбы из оцинкованной листовой стали с промежуточной частью из NBR. Кромка уплотнения предварительно нагружена в осевом направлении). |
| RB206PP | ISO | Уплотнения на каждой стороне подшипника. |
| AS206D1 | ISO | Не требующий обслуживания тип. |
| ASS206N | ISO | Паз в корпусе для крепления защитных колпачков. |
| UE206.2S.Y | ISO | Outer Ring Modification. Одинарное уплотнение с лабиринтом между листовой частью и резиновой кромкой, обеспечивающей контактное уплотнение. |
Аналог подшипника для корпуса RABRA30/62-FA106 — это подшипник такого же размера dx30,Dx62,Bx30, типа и конструкции.
| Обозначение | Конструктивные особенности | Внутренний (d) | Наружный (D) | Ширина (B) |
|---|---|---|---|---|
| UB206-17S | Корпус подшипника. Стандартное заполнение. | 30.00 | 62.00 | 30.20 |
| BSB030062-T-DU | Шариковый радиально-упорный подшипник однонаправленный. Полиамидный сепаратор. Комплект из 2 универсальных подшипников. | 30.00 | 62.00 | 30.00 |
| BSB030062-T-DU-L055 | Шариковый радиально-упорный подшипник однонаправленный. Полиамидный сепаратор. Комплект из 2 универсальных подшипников. Подшипник смазан высокоэффективной смазкой Arcanol MULTITOP. | 30.00 | 62.00 | 30.00 |
| BSB030062DUMP3/SRIY | Шариковый радиально-упорный подшипник однонаправленный. Duplex Pairs Of Bearing. Medium Preload. Operating Temperature Range (Continuous) -30°C / 150°C. Maximum Temperature For Short-Term Exposure Is 175°C. Класс точности ниже. чем P2. но выше. чем P4. | 30.00 | 62.00 | 30.00 |
| 30TAB06DB/GMP4 | Подшипник шариковый однорядный радиально-упорный. Two Single Row Deep Groove Ball Bearings. Single Row Angular Contact Ball Bearings Or Single Row Tapered Roller Bearings Matched For Mounting In A Back-To-Back Arrangement. Класс точности. Средний предварительный натяг. | 30.00 | 62.00 | 30.00 |
| BS30M62/15P4A DUM | Шариковый радиально-упорный подшипник однонаправленный. Подшипник с чрезвычайно высокой точностью вращения (Abec9) и допуском формы (Abec7). Комплект из 2 универсальных подшипников. Средний преднатяг. | 30.00 | 62.00 | 30.00 |
| 30TAC62BDBC10PN7A | Шариковый радиально-упорный подшипник однонаправленный. High Capacity & Higher Speed (Replaces “A” Type). Комплект из двух подшипников. согласованных для установки по О-образной схеме. Метрическая серия. Класс ISO 4 (Abec 7) Модифицированный более строгий стандарт для осевого биения Uxx или Pss. специальный класс точности или особенности. | 30.00 | 62.00 | 30.00 |
| BSB030062DBLP3 | Шариковый радиально-упорный подшипник однонаправленный. BACK-TO-BACK ARRANGEMENT. Класс точности ниже. чем P2. но выше. чем P4. | 30.00 | 62.00 | 30.00 |
| BST30X62-1BDFP4 | Шариковый радиально-упорный подшипник однонаправленный. Класс точности Р4 по ISO (точнее. чем P5) - Abec.7. Два однорядных радиально-упорных шарикоподшипника. подобранных для установки лицом к лицу. Identification Code. | 30.00 | 62.00 | 30.00 |
| 30TAC62BDDGSUC10PN01 | Шариковый радиально-упорный подшипник однонаправленный. High Capacity & Higher Speed (Replaces “A” Type). Резиновые уплотнения с каждой стороны подшипника. Одиночный подшипник для универсального монтажа в произвольном порядке. Метрическая серия. Accuracy Code/ Normal Grade. | 30.00 | 62.00 | 30.00 |
| 30TAB06DB/P4 | Подшипник шариковый однорядный радиально-упорный. Two Single Row Deep Groove Ball Bearings. Single Row Angular Contact Ball Bearings Or Single Row Tapered Roller Bearings Matched For Mounting In A Back-To-Back Arrangement. Класс точности. | 30.00 | 62.00 | 30.00 |
| NURT30R | Опорный ролик. Коронка на наружном кольце. | 30.00 | 62.00 | 29.00 |
| BSCU30080QUH P3 | Шариковый радиально-упорный подшипник однонаправленный. Класс точности ниже. чем P2. но выше. чем P4. Комплект из четырех штук. Универсальная установка. Усиленный преднатяг. | 30.00 | 62.00 | 30.00 |
| PW30620030CS | Шариковый радиально-упорный двухрядный подшипник. Высокоуглеродистая сталь. | 30.00 | 62.00 | 30.00 |
| GAY103-NPP-B-AS2/V | Шариковый радиальный подшипник. Конический роликовый подшипник. Угол контакта 20 градусов. Манжетные уплотнения с обеих сторон (Тип P — две шайбы из оцинкованной листовой стали с промежуточной частью из NBR. Кромка уплотнения предварительно нагружена в осевом направлении). Наружное кольцо подшипника с двумя смазочными отверстиями в смещенных плоскостях. | 30.16 | 62.00 | 30.00 |
Способы доставки
Отправка через ведущие транспортные и курьерские компании: ПЭК, Деловые Линии, СДЭК, Байкал-Сервис, Энергия, КИТ, ЖелДорЭкспедиция.
Самовывоз возможен напрямую со склада в Москве.
Сроки доставки
Срок зависит от региона и выбранной транспортной компании. Все заказы комплектуются и отправляются в кратчайшие сроки со склада в Москве.
Надёжность и сохранность
Вся продукция упаковывается с учётом требований транспортировки. Мы гарантируем, что подшипники и комплектующие прибудут к заказчику в полной сохранности.
Доставка в страны ЕАЭС
Мы работаем с проверенными логистическими партнёрами, что позволяет оперативно доставлять заказы в Беларусь, Казахстан, Армению и другие страны ЕАЭС.
Варианты оплаты:
Минимальная сумма заказа и скидки:
Документы и гарантии:
Да, конечно! Наши технические специалисты готовы помочь вам с подбором точного аналога или замены подшипника. Просто позвоните нам по телефону +7 (495) 104-99-04 или напишите на почту zakaz@podsnab.ru.
Для оперативной консультации подготовьте, пожалуйста, имеющиеся данные: маркировку, размеры, тип оборудования или артикул старого подшипника.
Да, конечно! Мы высоко ценим долгосрочное сотрудничество и доверие клиентов по всей России. Для постоянных клиентов действует персональная система скидок.
Условия формируются индивидуально и зависят от:
Чтобы узнать свои условия и получить максимально выгодное предложение, свяжитесь с персональным менеджером или напишите нам на почту zakaz@podsnab.ru.
Вы можете оформить заказ несколькими способами:
Для оформления заказа от юридического лица свяжитесь с нашим отделом по работе с корпоративными клиентами по телефону +7 (495) 104-99-04 или напишите на email zakaz@podsnab.ru, прикрепив реквизиты вашей организации.
Мы оперативно подготовим коммерческое предложение и выставим счет.
Возврат товара надлежащего качества возможен в течение 10 дней с момента получения, если товар не был в употреблении, сохранен товарный вид, упаковка не вскрывалась и присутствуют все сопроводительные документы.
Возврат денежных средств осуществляется в течение 10 рабочих дней после проверки товара складом.
В соответствии с законодательством возврату не подлежат подшипники надлежащего качества, если отсутствует оригинальная упаковка или имеются следы монтажа.
В случае выявления брака или гарантийного случая мы гарантируем возврат или обмен товара.
Да, гарантийный срок хранения устанавливается заводом-изготовителем и в среднем составляет 2 года при соблюдении условий хранения: сухое помещение, оригинальная упаковка и смазка.
Точный срок для конкретного типа подшипника уточняйте у наших менеджеров.
Пн–Пт: с 8:00 до 17:00 (МСК).
Сб–Вс: выходные дни.
Заказы на сайте принимаются круглосуточно. Заявки, поступившие после окончания рабочего дня, обрабатываются на следующий рабочий день.
Минимальная сумма заказа для доставки составляет 3000 рублей. Самовывоз со склада возможен на любую сумму при наличии товара.
ООО «УралТехГрупп»
ИНН: 7415093830
КПП: 772401001
ОГРН: 1167456069021
Банк: ПАО Сбербанк
Р/с: 40702810838000475273
К/с: 30101810400000000225
БИК: 044525225
У подшипника RABRA30/62-FA106 пока нет отзывов. Вы можете стать первым покупателем, поделившимся своим мнением.