Поиск подшипника
Статьи
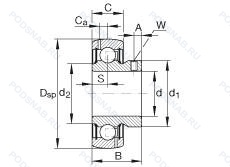
GAY103-NPP-B-AS2/V — Шариковый радиальный подшипник, модификация основного исполнения GAY103, производство INA.
Размер подшипника: 30x62x30 мм.
Наружное кольцо подшипника с двумя смазочными отверстиями в смещенных плоскостях, манжетные уплотнения с обеих сторон (тип p — две шайбы из оцинкованной листовой стали с промежуточной частью из nbr. кромка уплотнения предварительно нагружена в осевом направлении), конический роликовый подшипник. угол контакта 20 градусов.
Международная стандартизации ISO
GAY103NPPBAS2V
В наличии
| Обозначение | Конструктивные изменения |
|---|---|
| GAY103NPPB | Шариковый радиальный подшипник. |
Модификации шарикового подшипника GAY103-NPP-B-AS2/V — это измененное основное конструктивное исполнение GAY103, основные размеры (30x62x30) не отличаются.
| Обозначение | Конструктивные особенности | Внутренний (d) | Наружный (D) | Ширина (B) |
|---|---|---|---|---|
| GAY30-NPP-B-FA107 | Подшипник для корпуса. Конический роликовый подшипник. Угол контакта 20 градусов. Манжетные уплотнения с обеих сторон (Тип P — две шайбы из оцинкованной листовой стали с промежуточной частью из NBR. Кромка уплотнения предварительно нагружена в осевом направлении). Подшипник со смазочными отверстиями на опорной стороне. | 30.00 | 62.00 | 30.00 |
| NURT30R | Опорный ролик. Коронка на наружном кольце. | 30.00 | 62.00 | 29.00 |
| YAT206-103 | Подшипник для корпуса. 1.3/16. | 30.16 | 62.00 | 30.20 |
| AY30NPPB | Подшипник для корпуса. Подшипник со сферическим наружным кольцом. Манжетные уплотнения с обеих сторон (Тип P — две шайбы из оцинкованной листовой стали с промежуточной частью из NBR. Кромка уплотнения предварительно нагружена в осевом направлении). | 30.00 | 62.00 | 30.00 |
| BSCU30080QUH P3 | Шариковый радиально-упорный подшипник однонаправленный. Класс точности ниже. чем P2. но выше. чем P4. Комплект из четырех штук. Универсальная установка. Усиленный преднатяг. | 30.00 | 62.00 | 30.00 |
| SB206 2RS C3 | Подшипник для корпуса. Внутренний зазор больше нормального. Резиновые уплотнения с каждой стороны подшипника. | 30.00 | 62.00 | 30.20 |
| AY30NPP | Подшипник для корпуса. Манжетные уплотнения с обеих сторон (Тип P — две шайбы из оцинкованной листовой стали с промежуточной частью из NBR. Кромка уплотнения предварительно нагружена в осевом направлении). | 30.00 | 62.00 | 30.00 |
| US206.G2 | Подшипник для корпуса. Cистема повторного смазывания для корпусных подшипников. | 30.00 | 62.00 | 30.00 |
| RB206PPB | Подшипник для корпуса. Подшипник со сферическим наружным кольцом. Манжетные уплотнения с обеих сторон (Тип P — две шайбы из оцинкованной листовой стали с промежуточной частью из NBR. Кромка уплотнения предварительно нагружена в осевом направлении). | 30.00 | 62.00 | 30.00 |
| RB206PP | Подшипник для корпуса. Уплотнения на каждой стороне подшипника. | 30.00 | 62.00 | 30.00 |
| AS206D1 | Подшипник для корпуса. Не требующий обслуживания тип. | 30.00 | 62.00 | 29.00 |
| ASS206N | Подшипник для корпуса. Паз в корпусе для крепления защитных колпачков. | 30.00 | 62.00 | 29.00 |
| RABRA30/62-FA106 | Подшипник для корпуса. Подшипник подвергается специальным испытаниям на шум. | 30.00 | 62.20 | 30.40 |
| UE206.2S.Y | Подшипник для корпуса. Outer Ring Modification. Одинарное уплотнение с лабиринтом между листовой частью и резиновой кромкой, обеспечивающей контактное уплотнение. | 30.00 | 62.00 | 30.20 |
| PW30620030CS | Шариковый радиально-упорный двухрядный подшипник. Высокоуглеродистая сталь. | 30.00 | 62.00 | 30.00 |
Способы доставки
Отправка через ведущие транспортные и курьерские компании: ПЭК, Деловые Линии, СДЭК, Байкал-Сервис, Энергия, КИТ, ЖелДорЭкспедиция.
Самовывоз возможен напрямую со склада в Москве.
Сроки доставки
Срок зависит от региона и выбранной транспортной компании. Все заказы комплектуются и отправляются в кратчайшие сроки со склада в Москве.
Надёжность и сохранность
Вся продукция упаковывается с учётом требований транспортировки. Мы гарантируем, что подшипники и комплектующие прибудут к заказчику в полной сохранности.
Доставка в страны ЕАЭС
Мы работаем с проверенными логистическими партнёрами, что позволяет оперативно доставлять заказы в Беларусь, Казахстан, Армению и другие страны ЕАЭС.
Варианты оплаты:
Минимальная сумма заказа и скидки:
Документы и гарантии:
Да, конечно! Наши технические специалисты готовы помочь вам с подбором точного аналога или замены подшипника. Просто позвоните нам по телефону +7 (495) 104-99-04 или напишите на почту zakaz@podsnab.ru.
Для оперативной консультации подготовьте, пожалуйста, имеющиеся данные: маркировку, размеры, тип оборудования или артикул старого подшипника.
Да, конечно! Мы высоко ценим долгосрочное сотрудничество и доверие клиентов по всей России. Для постоянных клиентов действует персональная система скидок.
Условия формируются индивидуально и зависят от:
Чтобы узнать свои условия и получить максимально выгодное предложение, свяжитесь с персональным менеджером или напишите нам на почту zakaz@podsnab.ru.
Вы можете оформить заказ несколькими способами:
Для оформления заказа от юридического лица свяжитесь с нашим отделом по работе с корпоративными клиентами по телефону +7 (495) 104-99-04 или напишите на email zakaz@podsnab.ru, прикрепив реквизиты вашей организации.
Мы оперативно подготовим коммерческое предложение и выставим счет.
Возврат товара надлежащего качества возможен в течение 10 дней с момента получения, если товар не был в употреблении, сохранен товарный вид, упаковка не вскрывалась и присутствуют все сопроводительные документы.
Возврат денежных средств осуществляется в течение 10 рабочих дней после проверки товара складом.
В соответствии с законодательством возврату не подлежат подшипники надлежащего качества, если отсутствует оригинальная упаковка или имеются следы монтажа.
В случае выявления брака или гарантийного случая мы гарантируем возврат или обмен товара.
Да, гарантийный срок хранения устанавливается заводом-изготовителем и в среднем составляет 2 года при соблюдении условий хранения: сухое помещение, оригинальная упаковка и смазка.
Точный срок для конкретного типа подшипника уточняйте у наших менеджеров.
Пн–Пт: с 8:00 до 17:00 (МСК).
Сб–Вс: выходные дни.
Заказы на сайте принимаются круглосуточно. Заявки, поступившие после окончания рабочего дня, обрабатываются на следующий рабочий день.
Минимальная сумма заказа для доставки составляет 3000 рублей. Самовывоз со склада возможен на любую сумму при наличии товара.
ООО «УралТехГрупп»
ИНН: 7415093830
КПП: 772401001
ОГРН: 1167456069021
Банк: ПАО Сбербанк
Р/с: 40702810838000475273
К/с: 30101810400000000225
БИК: 044525225
У подшипника GAY103-NPP-B-AS2/V пока нет отзывов. Вы можете стать первым покупателем, поделившимся своим мнением.