Поиск подшипника
Статьи
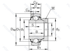
G1106-KRR-B-AS2/V — Подшипник для корпуса, модификация основного исполнения G1106, производство INA.
Размер подшипника: 35x72x51 мм.
Наружное кольцо подшипника с двумя смазочными отверстиями в смещенных плоскостях, манжетные уплотнения с обеих сторон (уплотнение типа r - имеет оцинкованные внутреннюю и внешнюю крышки. между крышками имеется уплотнительная кромка nbr. идущая по шлифованному буртику), подшипник со сферическим наружным кольцом.
Альтернативное обозначение: YEL207-106, YEL207-106-2F.
Международная стандартизации ISO
G1106KRRBAS2V
В наличии
| Обозначение | Конструктивные изменения |
|---|---|
| G1106KRRBC1 | Подшипник для корпуса. |
| G1106KRRB | Подшипник для корпуса. |
| G1106KRR+COL | Манжетные уплотнения с обеих сторон (уплотнение типа R - имеет оцинкованные внутреннюю и внешнюю крышки. Между крышками имеется уплотнительная кромка NBR. идущая по шлифованному буртику). Товар включает втулку. |
| G1106KRRBW | Подшипник со сферическим наружным кольцом. Эксцентриковая стопорная втулка. Манжетные уплотнения с обеих сторон (уплотнение типа R - имеет оцинкованные внутреннюю и внешнюю крышки. Между крышками имеется уплотнительная кромка NBR. идущая по шлифованному буртику). |
| G1106KRRB+COL | Conrad (Non-Filling Slot) Type. Сферический внешний диаметр. Резиновое уплотнение с двух сторон. Товар включает втулку. |
| G1106KLLB | Подшипник для корпуса. |
| G1106KRR | Манжетные уплотнения с обеих сторон (уплотнение типа R - имеет оцинкованные внутреннюю и внешнюю крышки. Между крышками имеется уплотнительная кромка NBR. идущая по шлифованному буртику). |
| G1106KLL | BALL BEARING. CONRAD TYPE. INDUSTRIAL POWER TRANSMISSION. DOUBLE MECHANI-SEAL. |
| G1106KPPB2 | Подшипник для корпуса. |
Модификации подшипника для корпуса G1106-KRR-B-AS2/V — это измененное основное конструктивное исполнение G1106, основные размеры (35x72x51) не отличаются.
| Обозначение | Гост | Конструктивные особенности |
|---|---|---|
| GE35-KRR-B-2C | ISO | Подшипник со сферическим наружным кольцом. Манжетные уплотнения с обеих сторон (уплотнение типа R - имеет оцинкованные внутреннюю и внешнюю крышки. Между крышками имеется уплотнительная кромка NBR. идущая по шлифованному буртику). Защитные щиты с обеих сторон. |
| GE35-KLL-B | ISO | Подшипник со сферическим наружным кольцом. BALL BEARING. CONRAD TYPE. INDUSTRIAL POWER TRANSMISSION. DOUBLE MECHANI-SEAL. |
| HC207-22 | ISO | 1.3/8. |
| HC207-22+CT5+T5 | ISO | Tolerance Class 5. 1.3/8. |
| GE35KRRB FA164.1 | ISO | Подшипник со сферическим наружным кольцом. Манжетные уплотнения с обеих сторон (уплотнение типа R - имеет оцинкованные внутреннюю и внешнюю крышки. Между крышками имеется уплотнительная кромка NBR. идущая по шлифованному буртику). Temperature Design From -20°C / +250°C. |
| 1106KLL+COL | ISO | Втулка. BALL BEARING. CONRAD TYPE. INDUSTRIAL POWER TRANSMISSION. DOUBLE MECHANI-SEAL. |
| UEL207D1 | ISO | Не требующий обслуживания тип. |
| UEL207D1W3 | ISO | Канавка и смазочные отверстия на наружном кольце. Корпусной подшипник с установочным винтом. |
| E35KLLH FA165 C4 | ISO | Внутренний зазор подшипника больше. чем C3. Pressed Snap-Type Steel Cage. Hardened. Лабиринтные уплотнения с обеих сторон (уплотнение типа L - все детали уплотнения типа L оцинкованы со всех сторон. чтобы улучшить защиту от коррозии - нет трения уплотнения). |
| G207KRRB | ISO | Подшипник со сферическим наружным кольцом. Манжетные уплотнения с обеих сторон (уплотнение типа R - имеет оцинкованные внутреннюю и внешнюю крышки. Между крышками имеется уплотнительная кромка NBR. идущая по шлифованному буртику). |
| E35-KRR-B | ISO | Подшипник со сферическим наружным кольцом. Манжетные уплотнения с обеих сторон (уплотнение типа R - имеет оцинкованные внутреннюю и внешнюю крышки. Между крышками имеется уплотнительная кромка NBR. идущая по шлифованному буртику). |
| GE35-KRR-B-FA164 | ISO | Подшипник со сферическим наружным кольцом. Манжетные уплотнения с обеих сторон (уплотнение типа R - имеет оцинкованные внутреннюю и внешнюю крышки. Между крышками имеется уплотнительная кромка NBR. идущая по шлифованному буртику). Высокотемпературная конструкция до +250°C. |
| YEL207-2RF | ISO | Стандартное контактное уплотнение с дополнительным прорезиненным кольцом с обеих сторон подшипника. |
| YEL207-105-2F | ISO | Стандартное контактное уплотнение с дополнительным маслоотражательным кольцом с обеих сторон. Осевой зазор в мкм. |
| YEL207-105-2FCW | ISO | Стандартное контактное уплотнение с дополнительным маслоотражательным кольцом с обеих сторон. С цилиндрическим наружным диаметром. Осевой зазор в мкм. |
| GE35KRRB FA125.5 | ISO | Подшипник со сферическим наружным кольцом. Манжетные уплотнения с обеих сторон (уплотнение типа R - имеет оцинкованные внутреннюю и внешнюю крышки. Между крышками имеется уплотнительная кромка NBR. идущая по шлифованному буртику). Distance Between Beginning Of The Rail And First Hole In MM. С покрытием Corrotect®, защищено от коррозии. |
| G207KRRB AH01 | ISO | Подшипник со сферическим наружным кольцом. Манжетные уплотнения с обеих сторон (уплотнение типа R - имеет оцинкованные внутреннюю и внешнюю крышки. Между крышками имеется уплотнительная кромка NBR. идущая по шлифованному буртику). Размеры могут отличаться от базового номера детали. Внутренний зазор равен C3 (больше обычного) и защищен от коррозии специальным покрытием Corrotect®. |
| 1135-35DEC-2ZFS | ISO | Эксцентриковая втулка удлиненным внутренним кольцом. Steel Shield And Flinger Seal. |
| GE35-XL-KRR-B-FA164 | ISO | Подшипник со сферическим наружным кольцом. Серия X-Life премиум-класс. увеличиный срок службы. Манжетные уплотнения с обеих сторон (уплотнение типа R - имеет оцинкованные внутреннюю и внешнюю крышки. Между крышками имеется уплотнительная кромка NBR. идущая по шлифованному буртику). Высокотемпературная конструкция до +250°C. |
| UEL207-105D1 | ISO | Не требующий обслуживания тип. 1.5/16. |
Аналог подшипника для корпуса G1106-KRR-B-AS2/V — это подшипник такого же размера dx35,Dx72,Bx51, типа и конструкции.
| Обозначение | Конструктивные особенности | Внутренний (d) | Наружный (D) | Ширина (B) |
|---|---|---|---|---|
| 7207T2TBLP4 | Подшипник шариковый однорядный радиально-упорный. Механически обработанный ламинированный фенольный сепаратор. Класс точности Р4 по ISO (точнее. чем P5) - Abec.7. Triple Set - Light Preload. | 35.00 | 72.00 | 51.00 |
| 11207TG | Подшипник шариковый двухрядный самоустанавливающийся. сепаратор из полиамида 6.6. армированного стекловолокном. | 35.00 | 72.00 | 52.00 |
| B7207-E-T-P4S-TUL | Подшипник шариковый однорядный радиально-упорный. 25° Угол контакта. Textile Laminated Phenolic Resin. Outer Ring Guided. The Cage Is Suitable For Long-Term Operation At Temperatures Up To 100°C. Класс точности. стандарт FAG лучше чем P4. Набор из 3-х универсальных подшипников. Легкая преднатяг. | 35.00 | 72.00 | 51.00 |
| 7207AC/P4TBTB | Подшипник шариковый однорядный радиально-упорный. Комплект из трех одинаковых однорядных радиальных или радиально-упорных шарикоподшипников. Средний преднатяг. Класс точности Р4 по ISO (точнее. чем P5) - Abec.7. 25° Угол контакта. | 35.00 | 72.00 | 51.00 |
| 11207G15 | Подшипник шариковый двухрядный самоустанавливающийся. Литой сепаратор из полиамида 6.6. армированного стекловолокном. Центрированный элемент качения.. | 35.00 | 72.00 | 52.00 |
| 11207TNH | Подшипник шариковый двухрядный самоустанавливающийся. Подшипник с защелкиваемым сепаратором из пластмассы. | 35.00 | 72.00 | 52.00 |
| 11207S EE | Подшипник шариковый двухрядный самоустанавливающийся. Сферический внешний диаметр. Два резиновых уплотнения. | 35.00 | 72.00 | 52.00 |
| YELAG 207 | Корпусный подшипник. Измененная или модифицированная внутренняя конструкция при неизменных основных размерах. | 35.00 | 72.00 | 51.10 |
| 266207-КЕУ12 | Шариковый радиально-упорный сдвоенный подшипник. «Замок» (скос) на внутреннем кольце плюс массивный сепаратор из текстолита. Сепаратор из текстолита.. Дополнительные технические требования. | 35.00 | 72.00 | 51.00 |
| 100034X/100072P | Роликовый радиальный-упорный однорядный подшипник. Сеаратор из литого полиамида 6.6. армированного стекловолокном. | 34.92 | 72.00 | 51.75 |
| CEX207-22 | Шариковый радиальный однорядный подшипник. 1.3/8. | 34.92 | 72.00 | 51.10 |
| CEX207 | Шариковый радиальный однорядный подшипник. Контактное уплотнение с одной стороны. | 35.00 | 72.00 | 51.10 |
| EX207 | Шариковый радиальный однорядный подшипник. Контактное уплотнение с одной стороны. | 35.00 | 72.00 | 51.10 |
| EX207G2 | Шариковый радиальный однорядный подшипник. Cистема повторного смазывания для корпусных подшипников. | 35.00 | 72.00 | 51.10 |
| EX207-22 | Шариковый радиальный однорядный подшипник. 1.3/8. | 34.92 | 72.00 | 51.10 |
Способы доставки
Отправка через ведущие транспортные и курьерские компании: ПЭК, Деловые Линии, СДЭК, Байкал-Сервис, Энергия, КИТ, ЖелДорЭкспедиция.
Самовывоз возможен напрямую со склада в Москве.
Сроки доставки
Срок зависит от региона и выбранной транспортной компании. Все заказы комплектуются и отправляются в кратчайшие сроки со склада в Москве.
Надёжность и сохранность
Вся продукция упаковывается с учётом требований транспортировки. Мы гарантируем, что подшипники и комплектующие прибудут к заказчику в полной сохранности.
Доставка в страны ЕАЭС
Мы работаем с проверенными логистическими партнёрами, что позволяет оперативно доставлять заказы в Беларусь, Казахстан, Армению и другие страны ЕАЭС.
Варианты оплаты:
Минимальная сумма заказа и скидки:
Документы и гарантии:
Да, конечно! Наши технические специалисты готовы помочь вам с подбором точного аналога или замены подшипника. Просто позвоните нам по телефону +7 (495) 104-99-04 или напишите на почту zakaz@podsnab.ru.
Для оперативной консультации подготовьте, пожалуйста, имеющиеся данные: маркировку, размеры, тип оборудования или артикул старого подшипника.
Да, конечно! Мы высоко ценим долгосрочное сотрудничество и доверие клиентов по всей России. Для постоянных клиентов действует персональная система скидок.
Условия формируются индивидуально и зависят от:
Чтобы узнать свои условия и получить максимально выгодное предложение, свяжитесь с персональным менеджером или напишите нам на почту zakaz@podsnab.ru.
Вы можете оформить заказ несколькими способами:
Для оформления заказа от юридического лица свяжитесь с нашим отделом по работе с корпоративными клиентами по телефону +7 (495) 104-99-04 или напишите на email zakaz@podsnab.ru, прикрепив реквизиты вашей организации.
Мы оперативно подготовим коммерческое предложение и выставим счет.
Возврат товара надлежащего качества возможен в течение 10 дней с момента получения, если товар не был в употреблении, сохранен товарный вид, упаковка не вскрывалась и присутствуют все сопроводительные документы.
Возврат денежных средств осуществляется в течение 10 рабочих дней после проверки товара складом.
В соответствии с законодательством возврату не подлежат подшипники надлежащего качества, если отсутствует оригинальная упаковка или имеются следы монтажа.
В случае выявления брака или гарантийного случая мы гарантируем возврат или обмен товара.
Да, гарантийный срок хранения устанавливается заводом-изготовителем и в среднем составляет 2 года при соблюдении условий хранения: сухое помещение, оригинальная упаковка и смазка.
Точный срок для конкретного типа подшипника уточняйте у наших менеджеров.
Пн–Пт: с 8:00 до 17:00 (МСК).
Сб–Вс: выходные дни.
Заказы на сайте принимаются круглосуточно. Заявки, поступившие после окончания рабочего дня, обрабатываются на следующий рабочий день.
Минимальная сумма заказа для доставки составляет 3000 рублей. Самовывоз со склада возможен на любую сумму при наличии товара.
ООО «УралТехГрупп»
ИНН: 7415093830
КПП: 772401001
ОГРН: 1167456069021
Банк: ПАО Сбербанк
Р/с: 40702810838000475273
К/с: 30101810400000000225
БИК: 044525225
У подшипника G1106-KRR-B-AS2/V пока нет отзывов. Вы можете стать первым покупателем, поделившимся своим мнением.