Поиск подшипника
Статьи
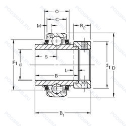
G1106KPPB2 — Шариковый радиальный однорядный подшипник, модификация основного исполнения G1106, производство TIMKEN.
Размер подшипника: 34x72x37 мм.
Международная стандартизации ISO
G1106KPPB2
В наличии
| Обозначение | Конструктивные изменения |
|---|---|
| G1106KRRBC1 | Шариковый радиальный однорядный подшипник. |
| G1106KRRB | Шариковый радиальный однорядный подшипник. |
| G1106KRR+COL | Манжетные уплотнения с обеих сторон (уплотнение типа R - имеет оцинкованные внутреннюю и внешнюю крышки. Между крышками имеется уплотнительная кромка NBR. идущая по шлифованному буртику). Товар включает втулку. |
| G1106KRRBW | Подшипник со сферическим наружным кольцом. Эксцентриковая стопорная втулка. Манжетные уплотнения с обеих сторон (уплотнение типа R - имеет оцинкованные внутреннюю и внешнюю крышки. Между крышками имеется уплотнительная кромка NBR. идущая по шлифованному буртику). |
| G1106KRRB+COL | Conrad (Non-Filling Slot) Type. Сферический внешний диаметр. Резиновое уплотнение с двух сторон. Товар включает втулку. |
| G1106-KRR-B-AS2/V | Подшипник со сферическим наружным кольцом. Манжетные уплотнения с обеих сторон (уплотнение типа R - имеет оцинкованные внутреннюю и внешнюю крышки. Между крышками имеется уплотнительная кромка NBR. идущая по шлифованному буртику). Наружное кольцо подшипника с двумя смазочными отверстиями в смещенных плоскостях. |
| G1106KLLB | Шариковый радиальный однорядный подшипник. |
| G1106KRR | Манжетные уплотнения с обеих сторон (уплотнение типа R - имеет оцинкованные внутреннюю и внешнюю крышки. Между крышками имеется уплотнительная кромка NBR. идущая по шлифованному буртику). |
| G1106KLL | BALL BEARING. CONRAD TYPE. INDUSTRIAL POWER TRANSMISSION. DOUBLE MECHANI-SEAL. |
Модификации шарикового подшипника G1106KPPB2 — это измененное основное конструктивное исполнение G1106, основные размеры (34x72x37) не отличаются.
| Обозначение | Гост | Конструктивные особенности |
|---|---|---|
| SM1106KB | ISO | Материал контакта сталь на бронзе (S/B). |
| SM1105K | ISO | Коническое отверстие. Конусность 1/12. |
| SM1105KB | ISO | Материал контакта сталь на бронзе (S/B). |
| SM1106K | ISO | Коническое отверстие. Конусность 1/12. |
| YA106RR | ISO | С выпуклыми асимметричными роликами. Обработанный сепаратор штыревого типа из медного сплава. С центральным ребром. С ребрами с двух сторон (для предотвращения падения роликов). |
| YA106RRB | ISO | Два резиновых уплотнения Land Riding со сферическим наружным диаметром (B). |
| YAE35RRB | ISO | Два резиновых уплотнения Land Riding со сферическим наружным диаметром (B). |
| YAE35RR | ISO | С выпуклыми асимметричными роликами. Обработанный сепаратор штыревого типа из медного сплава. С центральным ребром. С ребрами с двух сторон (для предотвращения падения роликов). |
| G1105KLLB | ISO | Шариковый радиальный однорядный подшипник. |
| GE35KRR | ISO | Манжетные уплотнения с обеих сторон (уплотнение типа R - имеет оцинкованные внутреннюю и внешнюю крышки. Между крышками имеется уплотнительная кромка NBR. идущая по шлифованному буртику). |
| GYAE35RR | ISO | С выпуклыми асимметричными роликами. Обработанный сепаратор штыревого типа из медного сплава. С центральным ребром. С ребрами с двух сторон (для предотвращения падения роликов). |
| GYAE35RRB | ISO | Два резиновых уплотнения Land Riding со сферическим наружным диаметром (B). |
| GYA106RR | ISO | С выпуклыми асимметричными роликами. Обработанный сепаратор штыревого типа из медного сплава. С центральным ребром. С ребрами с двух сторон (для предотвращения падения роликов). |
| 1105KLL | ISO | BALL BEARING. CONRAD TYPE. INDUSTRIAL POWER TRANSMISSION. DOUBLE MECHANI-SEAL. |
| 1105KLLB | ISO | Шариковый радиальный однорядный подшипник. |
| 1105KRRB | ISO | Шариковый радиальный однорядный подшипник. |
| 1106KL | ISO | Flanged Type (2 Thru holes)-Medium Load. |
| 1106KLL | ISO | BALL BEARING. CONRAD TYPE. INDUSTRIAL POWER TRANSMISSION. DOUBLE MECHANI-SEAL. |
| 1106KLLB | ISO | Шариковый радиальный однорядный подшипник. |
| 1106KRR | ISO | Манжетные уплотнения с обеих сторон (уплотнение типа R - имеет оцинкованные внутреннюю и внешнюю крышки. Между крышками имеется уплотнительная кромка NBR. идущая по шлифованному буртику). |
Аналог шарикового подшипника G1106KPPB2 — это подшипник такого же размера dx34,Dx72,Bx37, типа и конструкции.
| Обозначение | Конструктивные особенности | Внутренний (d) | Наружный (D) | Ширина (B) |
|---|---|---|---|---|
| E35-KTT-B-2C-OSE | Подшипник для корпуса. Подшипник со сферическим наружным кольцом. Защитные щиты с обеих сторон. Тройные манжетные уплотнения с обеих сторон подшипника (Т-образное уплотнение). Подшипник без стопорного элемента ( эксцентриковая стопорная втулка). | 35.00 | 72.00 | 37.70 |
| GE35-KTT-N-OSE | Подшипник для корпуса. Чугунный корпус с подрезной прорезью для торцевых колпачков. Тройные манжетные уплотнения с обеих сторон подшипника (Т-образное уплотнение). Подшипник без стопорного элемента ( эксцентриковая стопорная втулка). | 35.00 | 72.00 | 37.70 |
| 532615A | Подшипник шариковый двухрядный радиально-упорный. Модификация внутренней конструкции. | 35.00 | 73.00 | 36.00 |
| UELS207LD1N | Подшипник для корпуса. Не требующий обслуживания тип. Two Grooves In Outside Ring. | 35.00 | 72.00 | 37.60 |
| 1106KRRB | Подшипник для корпуса. Подшипник со сферическим наружным кольцом. Манжетные уплотнения с обеих сторон (уплотнение типа R - имеет оцинкованные внутреннюю и внешнюю крышки. Между крышками имеется уплотнительная кромка NBR. идущая по шлифованному буртику). | 34.92 | 72.00 | 37.70 |
| GLE35KRRB | Подшипник для корпуса. Подшипник со сферическим наружным кольцом. Манжетные уплотнения с обеих сторон (уплотнение типа R - имеет оцинкованные внутреннюю и внешнюю крышки. Между крышками имеется уплотнительная кромка NBR. идущая по шлифованному буртику). | 35.00 | 72.00 | 37.70 |
| GYA106RRB | Подшипник для корпуса. Два резиновых уплотнения Land Riding со сферическим наружным диаметром (B). | 34.92 | 72.00 | 36.50 |
| 207KPPB3 | Подшипник для корпуса. Conrad. Non-Filling Slot Type. Сферический внешний диаметр. Два трехслойных уплотнения. Эксцентриковая стопорная втулка. | 35.00 | 71.98 | 37.59 |
| 52209A | Подшипник шариковый упорный двойного направления. Двухрядный радиально-упорный шарикоподшипник без отверстия для смазки. | 35.00 | 73.00 | 37.00 |
| LN207.2F | Подшипник для корпуса. Двойное уплотнение. Защитная крышка, размещенная на внутреннем кольце. Используется с подшипниками типа Y. | 35.00 | 72.00 | 37.70 |
| DAC35720027 | Шариковый радиально-упорный двухрядный подшипник. Однорядный радиально-упорный шарикоподшипник с углом контакта 25°. | 35.00 | 72.00 | 37.00 |
| DAC35720037 | Шариковый радиально-упорный двухрядный подшипник. Однорядный радиально-упорный шарикоподшипник с углом контакта 25°. | 35.00 | 72.00 | 37.00 |
| 6-38209 Ю1Т | Шариковый упорный двойной подшипник. Температура отпуска. 160°. Все детали или часть деталей из нержавеющей стали.. | 35.00 | 73.00 | 37.00 |
| 38209-Е | Шариковый упорный двойной подшипник. Сепаратор из текстолита.. | 35.00 | 73.00 | 37.00 |
| 38209-Ю1Т | Шариковый упорный двойной подшипник. Температура отпуска. 160°. Все детали или часть деталей из нержавеющей стали.. | 35.00 | 73.00 | 37.00 |
Способы доставки
Отправка через ведущие транспортные и курьерские компании: ПЭК, Деловые Линии, СДЭК, Байкал-Сервис, Энергия, КИТ, ЖелДорЭкспедиция.
Самовывоз возможен напрямую со склада в Москве.
Сроки доставки
Срок зависит от региона и выбранной транспортной компании. Все заказы комплектуются и отправляются в кратчайшие сроки со склада в Москве.
Надёжность и сохранность
Вся продукция упаковывается с учётом требований транспортировки. Мы гарантируем, что подшипники и комплектующие прибудут к заказчику в полной сохранности.
Доставка в страны ЕАЭС
Мы работаем с проверенными логистическими партнёрами, что позволяет оперативно доставлять заказы в Беларусь, Казахстан, Армению и другие страны ЕАЭС.
Варианты оплаты:
Минимальная сумма заказа и скидки:
Документы и гарантии:
Да, конечно! Наши технические специалисты готовы помочь вам с подбором точного аналога или замены подшипника. Просто позвоните нам по телефону +7 (495) 104-99-04 или напишите на почту zakaz@podsnab.ru.
Для оперативной консультации подготовьте, пожалуйста, имеющиеся данные: маркировку, размеры, тип оборудования или артикул старого подшипника.
Да, конечно! Мы высоко ценим долгосрочное сотрудничество и доверие клиентов по всей России. Для постоянных клиентов действует персональная система скидок.
Условия формируются индивидуально и зависят от:
Чтобы узнать свои условия и получить максимально выгодное предложение, свяжитесь с персональным менеджером или напишите нам на почту zakaz@podsnab.ru.
Вы можете оформить заказ несколькими способами:
Для оформления заказа от юридического лица свяжитесь с нашим отделом по работе с корпоративными клиентами по телефону +7 (495) 104-99-04 или напишите на email zakaz@podsnab.ru, прикрепив реквизиты вашей организации.
Мы оперативно подготовим коммерческое предложение и выставим счет.
Возврат товара надлежащего качества возможен в течение 10 дней с момента получения, если товар не был в употреблении, сохранен товарный вид, упаковка не вскрывалась и присутствуют все сопроводительные документы.
Возврат денежных средств осуществляется в течение 10 рабочих дней после проверки товара складом.
В соответствии с законодательством возврату не подлежат подшипники надлежащего качества, если отсутствует оригинальная упаковка или имеются следы монтажа.
В случае выявления брака или гарантийного случая мы гарантируем возврат или обмен товара.
Да, гарантийный срок хранения устанавливается заводом-изготовителем и в среднем составляет 2 года при соблюдении условий хранения: сухое помещение, оригинальная упаковка и смазка.
Точный срок для конкретного типа подшипника уточняйте у наших менеджеров.
Пн–Пт: с 8:00 до 17:00 (МСК).
Сб–Вс: выходные дни.
Заказы на сайте принимаются круглосуточно. Заявки, поступившие после окончания рабочего дня, обрабатываются на следующий рабочий день.
Минимальная сумма заказа для доставки составляет 3000 рублей. Самовывоз со склада возможен на любую сумму при наличии товара.
ООО «УралТехГрупп»
ИНН: 7415093830
КПП: 772401001
ОГРН: 1167456069021
Банк: ПАО Сбербанк
Р/с: 40702810838000475273
К/с: 30101810400000000225
БИК: 044525225
У подшипника G1106KPPB2 пока нет отзывов. Вы можете стать первым покупателем, поделившимся своим мнением.