Поиск подшипника
Статьи
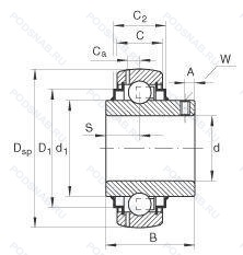
UC208D1 — Подшипник для корпуса, модификация основного исполнения UC208, выпускается производителями: GBM, NIS, NSK.
Размер подшипника: 40x80x49 мм.
Цилиндрическое отверстие внутреннего кольца, с установочными винтами, не требующий обслуживания тип.
Альтернативное обозначение: 56208, GYE40KRRB, YAR208-2F.
Аналоги: UC208 FAG,UC208 Timken,UC208 Asahi,UC208 FYH,UC208 KDF,UC208 FS,UC208 FHB,UC208 FK,UC208 ISB,UC208 EBS,UC208 MSB,UC208 TR,UC208 Challenge,UC208 CX,UC208 LDK,UC208 Neutral.
Международная стандартизации ISO
UC208D1
В наличии
| Обозначение | Конструктивные изменения |
|---|---|
| UC208-24 | 1.1/2. |
| UC208-108 | 1.1/2. |
| UC208L3 | Тройное манжетное уплотнение для вкладыша подшипника. |
| UC208S6 | Подшипник из нержавеющей стали. |
| UC208C4HR5 | Internal Clearance is C4 - Max Bearing Operating Temp = 392 ̊F (200℃). - Yukon Super-Lube No. 3 / Oil Research Industrial. Ltd. - Soap Based (Compound) - Max. Operating Temperatures Of The Grease..............+392 ̊F (+200℃). |
| UC208-270 | Resistant Up To 270°C. |
| UC208NR | Канавка под стопорное кольцо на наружном кольце с соответствующим стопорным кольцом. |
| UC208/POM | Polymer. |
| UC208V22 HT2 | Heat-Stabilized Up To 270°C. Отверстия для смазки с обеих сторон наружного кольца подшипника. |
| UC208-25L | Длина в мм. |
| UC208L | Одно механическое уплотнение. |
| UC208RT | Triple Lip Contact Seal. |
| UC208-24V22 | Отверстия для смазки с обеих сторон наружного кольца подшипника. 1.1/2. |
| UC208-24S | Шарикоподшипник со стандартным заполнением пластичной смазкой. 1.1/2. |
| UC208D1 X AS3S | Стандартное заполнение. Измененные размеры границ. введенные пересмотренными стандартами ISO. Relube Type.. |
| UC208G2L3 | Cистема повторного смазывания для корпусных подшипников. Тройное манжетное уплотнение для вкладыша подшипника. |
| UC208/L791 | Grease For Food Processing Machinery. |
| UC208D1LLJ | Не требующий обслуживания тип. Контактное. синтетические. резиновое уплотнение с двух сторон. |
| UC208-23S | Стандартное заполнение. |
| UC208-25J | Сепаратор из стали. |
| UC208G2 | Cистема повторного смазывания для корпусных подшипников. |
| UC208-108D1 | Стандартная консистентная смазка Alvania Grease 3. |
| UC208-109 | 1.9/16. |
| UC208-24.G2 | Cистема повторного смазывания для корпусных подшипников. 1.1/2. |
| UC208D1X | Стандартная консистентная смазка Alvania Grease 3. |
Модификации подшипника для корпуса UC208D1 — это измененное основное конструктивное исполнение UC208, основные размеры (40x80x49) не отличаются.
| Обозначение | Гост | Конструктивные особенности |
|---|---|---|
| GYE40KRRB | ISO | Подшипник для корпуса. |
| GYE40-KRR-B-FA107-VA | ISO | Подшипник со сферическим наружным кольцом. Коррозионно-стойкая конструкция из высоколегированной подшипниковой стали. Манжетные уплотнения с обеих сторон (уплотнение типа R - имеет оцинкованные внутреннюю и внешнюю крышки. Между крышками имеется уплотнительная кромка NBR. идущая по шлифованному буртику). Подшипник со смазочными отверстиями на опорной стороне. |
| 1040-40GFS/AR3P | ISO | Вкладыш подшипника с возможностью повторной смазки. Подшипниковый вкладыш с маслоотражательными уплотнениями. Designation = Alvania Grease R3. Base Oil = Mineral. Thickener = Lithium. Min. Temp = -34°C. Max. Temp = +135°C. |
| 56208 | ISO | Подшипник для корпуса. |
| 630308A | ISO | Without Lubrication Hole In The Outer Ring. |
| 630308B | ISO | With Lubrication Hole In The Outer Ring. |
| M-UC208D1 | ISO | Не требующий обслуживания тип. |
| J1040-40G | ISO | Вкладыш подшипника с возможностью повторной смазки. |
| 1040-40GFS ZZ | ISO | Защитные металлические шайбы с двух сторон подшипника. Вкладыш подшипника с возможностью повторной смазки. Подшипниковый вкладыш с маслоотражательными уплотнениями. |
| YAR208-2LPW/SS | ISO | Bearing Without Lubrication Hole(s). Bearing Components Of Stainless Steel_ Seals And Flingers With Food-Compatible Rubber_ Food-Grade Grease. Non-Contact Seal. Food-Compatible NBR. Additional Rubberized Stainless Steel Flinger. Concentric Gutters On The Seal And Flinger. On Both Sides. |
| YAR208-2LPW/ZM | ISO | Bearing Without Lubrication Hole(s). Non-Contact Seal. Food-Compatible NBR. Additional Rubberized Stainless Steel Flinger. Concentric Gutters On The Seal And Flinger. On Both Sides. Внутреннее и внешние кольца с цинковым покрытием. Уплотнения и фланцы со вставками из нержавеющей стали и пищевой резиной. Пищевая смазка. |
| YAR208-2F/VA201 | ISO | Стандартное контактное уплотнение с дополнительным маслоотражательным кольцом с обеих сторон. Подшипник для высокотемпературных применений (например. печных тележек). |
| YAR208-2RFGR/HV | ISO | Стандартное контактное уплотнение с дополнительным прорезиненным кольцом с обеих сторон подшипника. Подшипник или компонент подшипника из закаленной нержавеющей стали. Смазочная канавка на наружной поверхности, расположенная на стороне фиксирующего устройства. |
| GYE40-KRR-B-FA107 | ISO | Подшипник со сферическим наружным кольцом. Манжетные уплотнения с обеих сторон (уплотнение типа R - имеет оцинкованные внутреннюю и внешнюю крышки. Между крышками имеется уплотнительная кромка NBR. идущая по шлифованному буртику). Подшипник со смазочными отверстиями на опорной стороне. |
| 1040-40D3M | ISO | High/Low Temperature Insert (-55 ̊C Min) - Same As Suffix MS33. |
| YAR208-109-2F | ISO | Стандартное контактное уплотнение с дополнительным маслоотражательным кольцом с обеих сторон. 1.9/16. |
| 1040-1.9/16G | ISO | Largest Fill. Вкладыш подшипника с возможностью повторной смазки. Number Of Carriages Per Rail Track. |
| YAR208-2RF/HVA | ISO | Стандартное контактное уплотнение с дополнительным прорезиненным кольцом с обеих сторон подшипника. Подшипник или компонент подшипника из закаленной нержавеющей стали. |
| RB208PPB | ISO | Подшипник со сферическим наружным кольцом. Манжетные уплотнения с обеих сторон (Тип P — две шайбы из оцинкованной листовой стали с промежуточной частью из NBR. Кромка уплотнения предварительно нагружена в осевом направлении). |
| YAR208-2FW/VA201 | ISO | Измененная или модифицированная внутренняя конструкция при неизменных основных размерах. Стандартное контактное уплотнение с дополнительным плоским маслоотражателем на обеих сторонах подшипника без смазочных отверстий в наружном кольце. Подшипник для высокотемпературных применений (например. печных тележек). |
| YAR208-109-2F/AH | ISO | Стандартное контактное уплотнение с дополнительным маслоотражательным кольцом с обеих сторон. Противовращающийся штырь. Массивные ножки и свободный момент выравнивания. 1.9/16. |
| J1040-40GCR | ISO | Вкладыш подшипника с возможностью повторной смазки. Нержавеющая сталь. |
Аналог подшипника для корпуса UC208D1 — это подшипник такого же размера dx40,Dx80,Bx49, типа и конструкции.
| Обозначение | Конструктивные особенности | Внутренний (d) | Наружный (D) | Ширина (B) |
|---|---|---|---|---|
| YARAG208 | Корпусный подшипник однорядный. Измененная или модифицированная внутренняя конструкция при неизменных основных размерах. | 40.00 | 80.00 | 49.20 |
| RB208 | Шариковый радиальный однорядный подшипник. Угол контакта 40 градусов. | 40.00 | 80.00 | 49.20 |
| RB208-25 | Шариковый радиальный однорядный подшипник. Distance Between Beginning Of The Rail And First Hole In MM. | 39.69 | 80.00 | 49.20 |
| ER208-25 | Шариковый радиальный однорядный подшипник. Distance Between Beginning Of The Rail And First Hole In MM. | 39.69 | 80.00 | 49.20 |
| UCS208LD1N | Шариковый радиальный однорядный подшипник. Канавка для стопорного кольца на наружном кольце. | 40.00 | 80.00 | 49.20 |
| E2.YAR208-2F | Шариковый радиальный однорядный подшипник. | 40.00 | 80.00 | 49.20 |
| E2.YAR208-109-2F | Шариковый радиальный однорядный подшипник. | 39.69 | 80.00 | 49.20 |
| GY1109KRRB | Шариковый радиальный однорядный подшипник. | 39.69 | 80.00 | 49.22 |
| GYE40KRRB SGT | Шариковый радиальный однорядный подшипник. Shaft Guarding Technology™. | 40.00 | 80.00 | 49.22 |
| 480208К | Шариковый радиальный однорядный подшипник. | 40.00 | 80.00 | 49.20 |
Способы доставки
Отправка через ведущие транспортные и курьерские компании: ПЭК, Деловые Линии, СДЭК, Байкал-Сервис, Энергия, КИТ, ЖелДорЭкспедиция.
Самовывоз возможен напрямую со склада в Москве.
Сроки доставки
Срок зависит от региона и выбранной транспортной компании. Все заказы комплектуются и отправляются в кратчайшие сроки со склада в Москве.
Надёжность и сохранность
Вся продукция упаковывается с учётом требований транспортировки. Мы гарантируем, что подшипники и комплектующие прибудут к заказчику в полной сохранности.
Доставка в страны ЕАЭС
Мы работаем с проверенными логистическими партнёрами, что позволяет оперативно доставлять заказы в Беларусь, Казахстан, Армению и другие страны ЕАЭС.
Варианты оплаты:
Минимальная сумма заказа и скидки:
Документы и гарантии:
Да, конечно! Наши технические специалисты готовы помочь вам с подбором точного аналога или замены подшипника. Просто позвоните нам по телефону +7 (495) 104-99-04 или напишите на почту zakaz@podsnab.ru.
Для оперативной консультации подготовьте, пожалуйста, имеющиеся данные: маркировку, размеры, тип оборудования или артикул старого подшипника.
Да, конечно! Мы высоко ценим долгосрочное сотрудничество и доверие клиентов по всей России. Для постоянных клиентов действует персональная система скидок.
Условия формируются индивидуально и зависят от:
Чтобы узнать свои условия и получить максимально выгодное предложение, свяжитесь с персональным менеджером или напишите нам на почту zakaz@podsnab.ru.
Вы можете оформить заказ несколькими способами:
Для оформления заказа от юридического лица свяжитесь с нашим отделом по работе с корпоративными клиентами по телефону +7 (495) 104-99-04 или напишите на email zakaz@podsnab.ru, прикрепив реквизиты вашей организации.
Мы оперативно подготовим коммерческое предложение и выставим счет.
Возврат товара надлежащего качества возможен в течение 10 дней с момента получения, если товар не был в употреблении, сохранен товарный вид, упаковка не вскрывалась и присутствуют все сопроводительные документы.
Возврат денежных средств осуществляется в течение 10 рабочих дней после проверки товара складом.
В соответствии с законодательством возврату не подлежат подшипники надлежащего качества, если отсутствует оригинальная упаковка или имеются следы монтажа.
В случае выявления брака или гарантийного случая мы гарантируем возврат или обмен товара.
Да, гарантийный срок хранения устанавливается заводом-изготовителем и в среднем составляет 2 года при соблюдении условий хранения: сухое помещение, оригинальная упаковка и смазка.
Точный срок для конкретного типа подшипника уточняйте у наших менеджеров.
Пн–Пт: с 8:00 до 17:00 (МСК).
Сб–Вс: выходные дни.
Заказы на сайте принимаются круглосуточно. Заявки, поступившие после окончания рабочего дня, обрабатываются на следующий рабочий день.
Минимальная сумма заказа для доставки составляет 3000 рублей. Самовывоз со склада возможен на любую сумму при наличии товара.
ООО «УралТехГрупп»
ИНН: 7415093830
КПП: 772401001
ОГРН: 1167456069021
Банк: ПАО Сбербанк
Р/с: 40702810838000475273
К/с: 30101810400000000225
БИК: 044525225
У подшипника UC208D1 пока нет отзывов. Вы можете стать первым покупателем, поделившимся своим мнением.