Поиск подшипника
Статьи
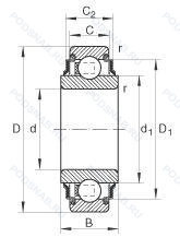
205KRR — Подшипник для корпуса, модификация основного исполнения 205, выпускается производителями: CHINA, FAFNIR, INA, KOK, NEUTRAL, NKE.
Размер подшипника: 25x52x21 мм.
Манжетные уплотнения с обеих сторон (уплотнение типа r - имеет оцинкованные внутреннюю и внешнюю крышки. между крышками имеется уплотнительная кромка nbr. идущая по шлифованному буртику).
Аналоги: 205-KRR INA.
Международная стандартизации ISO
205KRR
В наличии
| Обозначение | Конструктивные изменения |
|---|---|
| 205KLL2 | Conrad (Non-Filling Slot) Type. Different From Standard In One Respect Or Another. Two Mechani-Seals. Interchangeable with RR Series. But Have Non-Contact Labyrinth Seals And Steel Cages For Low Torque. High Speed And Higher Temperature Service. (Up to 350°F/176°C). |
| 205KLLG2 C3 | Internal Clearance Larger Than Normal Or Manufacturing Code - Fafnir Use Only. Conrad (Non-Filling Slot) Type. Wireloc (стопорное кольцо). Different From Standard In One Respect Or Another. Two Mechani-Seals. Interchangeable with RR Series. But Have Non-Contact Labyrinth Seals And Steel Cages For Low Torque. High Speed And Higher Temperature Service. (Up to 350°F/176°C). |
| 205KL | Flanged Type (2 Thru holes)-Medium Load. |
| 205SFFS | Two Felt Seals. Replaced By 88xxx. |
| NUP 205 ECML | Однорядный цилиндрический роликовый подшипник. |
| NJ 205 ECML | Однорядный цилиндрический роликовый подшипник. |
| NU 205 ECPHA | Измененная или модифицированная внутренняя конструкция при неизменных основных размерах. Однорядный цилиндрический роликовый подшипник. |
| NU 205 ECML | Однорядный цилиндрический роликовый подшипник. |
| NU 205 EW | Однорядный. |
| NUP 205 EW | Однорядный. |
| CRBT 205 A | Двухрядный радиально-упорный шарикоподшипник без отверстия для смазки. |
| QJ 205 MA | Механически обработанный латунный сепаратор. Центрирование по внешнему кольцу. Шариковый подшипник с четырехточечным контактом. |
| QJ 205 N2 M | Подшипник с латунным сепаратором. центрированный по телам качения. Два установочных паза (выемки), расположенных под углом 180° друг от друга в одной боковой поверхности наружного кольца или шайбе корпуса.. |
| YARAG 205-100 | 1. |
| YSP 205-100 SB-2F | Стандартное контактное уплотнение с дополнительным маслоотражательным кольцом с обеих сторон. Double Row. Angular Contact. Non-Filling Notch Bearing. With Outwardly Convergent Угол контактаs. Rigid Design. 1. |
| YSP 205 SB-2F | Стандартное контактное уплотнение с дополнительным маслоотражательным кольцом с обеих сторон. Double Row. Angular Contact. Non-Filling Notch Bearing. With Outwardly Convergent Угол контактаs. Rigid Design. |
| YSA 205-2FK + H 2305 | Pressed Snap-Type Steel Cage. Hardened. |
| BL 205 Z | щит из листовой прессованной стали с одной стороны подшипника. |
| BSA 205 C | 15° Угол контакта. |
| FBSA 205/DB | Two Single Row Deep Groove Ball Bearings. Single Row Angular Contact Ball Bearings Or Single Row Tapered Roller Bearings Matched For Mounting In A Back-To-Back Arrangement. |
| FBSA 205/DF | Комплект из двух подшипников. согласованных для установки по Х-образной схеме. Число. следующее непосредственно после букв DF. обозначает конструкцию промежуточного кольца. |
| FBSA 205/QBC | Четыре подшипника в O-образной компоновке. |
| BSA 205 CG-2RZ | Шарикоподшипник. С уплотнением и низким коэффициентом трения с обеих сторон. Уплотнение состоит из шайбы из листовой стали с вулканизированной резиной. Резьбовой винт со стопором и защелкой. |
| BSA 205 CG | Резьбовой винт со стопором и защелкой. |
| NJ 205 ECPH | Однорядный цилиндрический роликовый подшипник. |
Модификации подшипника для корпуса 205KRR — это измененное основное конструктивное исполнение 205, основные размеры (25x52x21) не отличаются.
| Обозначение | Гост | Конструктивные особенности |
|---|---|---|
| GRA100RR+COL | ISO | С выпуклыми асимметричными роликами. Обработанный сепаратор штыревого типа из медного сплава. С центральным ребром. С ребрами с двух сторон (для предотвращения падения роликов). Товар включает втулку. |
| SA205 | ISO | Подшипник для корпуса. |
| YET205 | ISO | Подшипник для корпуса. |
| SA205-16 | ISO | 01. |
| SA205F | ISO | Сепаратор из обработанной стали или специального чугуна. |
| KH205AE | ISO | Без суффикса. но с обозначением типа. |
| HPS014GP | ISO | Special Outer Diameter. |
| RA100RRB | ISO | Два резиновых уплотнения Land Riding со сферическим наружным диаметром (B). |
| NPC100RPC | ISO | Указывает на наличие эксцентрикового стопорного кольца в комплекте с подшипником. Подшипники с установочным винтом не имеют втулки. Narrow Single Lip Seal. Многоразовая смазка. |
| FD205 | ISO | Подшипник для корпуса. |
| GRAE25RRB | ISO | Два резиновых уплотнения Land Riding со сферическим наружным диаметром (B). |
Аналог подшипника для корпуса 205KRR — это подшипник такого же размера dx25,Dx52,Bx21, типа и конструкции.
| Обозначение | Конструктивные особенности | Внутренний (d) | Наружный (D) | Ширина (B) |
|---|---|---|---|---|
| 617546A | Шариковый радиально-упорный двухрядный подшипник. Измененная или модифицированная внутренняя конструкция при неизменных основных размерах. | 25.00 | 52.00 | 20.60 |
| 617546A/HT22 | Шариковый радиально-упорный двухрядный подшипник. Измененная или модифицированная внутренняя конструкция при неизменных основных размерах. Grease Fill For High Temperatures (e.g. -20°C/+130°C). HT Or A Two Figure Number Following HT Identifies The Actual Grease. | 25.00 | 52.00 | 20.60 |
| BMO-6205/048S2/UA008A | Шариковый радиальный подшипник. Измененная или модифицированная внутренняя конструкция при неизменных основных размерах. | 25.00 | 52.00 | 21.20 |
| BMO-6205/048S2/UA108A | Шариковый радиальный подшипник. Измененная или модифицированная внутренняя конструкция при неизменных основных размерах. | 25.00 | 52.00 | 21.20 |
| 63205-2RS | Шариковый радиальный однорядный подшипник. Резиновые уплотнения с каждой стороны подшипника. | 25.00 | 52.00 | 20.60 |
| 63205ZZ | Шариковый радиальный однорядный подшипник. Защитные металлические шайбы (бесконтактные уплотнения) с обеих сторон подшипника. | 25.00 | 52.00 | 20.60 |
| 6-3056205 У | Шариковый радиально-упорный двухрядный подшипник. Дополнительные технические требования. | 25.00 | 52.00 | 20.60 |
| 63205LLB | Шариковый радиальный однорядный подшипник. Уплотнение бесконтактного типа из синтетического каучука. | 25.00 | 52.00 | 20.60 |
| AEL205D1 | Шариковый радиальный однорядный подшипник. Не требующий обслуживания тип. | 25.00 | 52.00 | 21.50 |
| RAE25RR | Шариковый радиальный однорядный подшипник. С выпуклыми асимметричными роликами. Обработанный сепаратор штыревого типа из медного сплава. С центральным ребром. С ребрами с двух сторон (для предотвращения падения роликов). | 25.00 | 52.00 | 21.44 |
| GRAE25RR | Шариковый радиальный однорядный подшипник. С выпуклыми асимметричными роликами. Обработанный сепаратор штыревого типа из медного сплава. С центральным ребром. С ребрами с двух сторон (для предотвращения падения роликов). | 25.00 | 52.00 | 21.44 |
| GRA100RR | Шариковый радиальный однорядный подшипник. С выпуклыми асимметричными роликами. Обработанный сепаратор штыревого типа из медного сплава. С центральным ребром. С ребрами с двух сторон (для предотвращения падения роликов). | 25.40 | 52.00 | 21.44 |
| GRA100RRB | Шариковый радиальный однорядный подшипник. Два резиновых уплотнения Land Riding со сферическим наружным диаметром (B). | 25.40 | 52.00 | 21.44 |
| 3TM-DF05A35NX16RX3W3-5CS25 | Шариковый радиальный двухрядный подшипник. Механически обработанный сепаратор. | 25.00 | 52.00 | 20.60 |
| 53305U+U305 | Шариковый упорный однорядный подшипник. Универсальный одиночный подшипник. | 25.00 | 52.00 | 22.00 |
Способы доставки
Отправка через ведущие транспортные и курьерские компании: ПЭК, Деловые Линии, СДЭК, Байкал-Сервис, Энергия, КИТ, ЖелДорЭкспедиция.
Самовывоз возможен напрямую со склада в Москве.
Сроки доставки
Срок зависит от региона и выбранной транспортной компании. Все заказы комплектуются и отправляются в кратчайшие сроки со склада в Москве.
Надёжность и сохранность
Вся продукция упаковывается с учётом требований транспортировки. Мы гарантируем, что подшипники и комплектующие прибудут к заказчику в полной сохранности.
Доставка в страны ЕАЭС
Мы работаем с проверенными логистическими партнёрами, что позволяет оперативно доставлять заказы в Беларусь, Казахстан, Армению и другие страны ЕАЭС.
Варианты оплаты:
Минимальная сумма заказа и скидки:
Документы и гарантии:
Да, конечно! Наши технические специалисты готовы помочь вам с подбором точного аналога или замены подшипника. Просто позвоните нам по телефону +7 (495) 104-99-04 или напишите на почту zakaz@podsnab.ru.
Для оперативной консультации подготовьте, пожалуйста, имеющиеся данные: маркировку, размеры, тип оборудования или артикул старого подшипника.
Да, конечно! Мы высоко ценим долгосрочное сотрудничество и доверие клиентов по всей России. Для постоянных клиентов действует персональная система скидок.
Условия формируются индивидуально и зависят от:
Чтобы узнать свои условия и получить максимально выгодное предложение, свяжитесь с персональным менеджером или напишите нам на почту zakaz@podsnab.ru.
Вы можете оформить заказ несколькими способами:
Для оформления заказа от юридического лица свяжитесь с нашим отделом по работе с корпоративными клиентами по телефону +7 (495) 104-99-04 или напишите на email zakaz@podsnab.ru, прикрепив реквизиты вашей организации.
Мы оперативно подготовим коммерческое предложение и выставим счет.
Возврат товара надлежащего качества возможен в течение 10 дней с момента получения, если товар не был в употреблении, сохранен товарный вид, упаковка не вскрывалась и присутствуют все сопроводительные документы.
Возврат денежных средств осуществляется в течение 10 рабочих дней после проверки товара складом.
В соответствии с законодательством возврату не подлежат подшипники надлежащего качества, если отсутствует оригинальная упаковка или имеются следы монтажа.
В случае выявления брака или гарантийного случая мы гарантируем возврат или обмен товара.
Да, гарантийный срок хранения устанавливается заводом-изготовителем и в среднем составляет 2 года при соблюдении условий хранения: сухое помещение, оригинальная упаковка и смазка.
Точный срок для конкретного типа подшипника уточняйте у наших менеджеров.
Пн–Пт: с 8:00 до 17:00 (МСК).
Сб–Вс: выходные дни.
Заказы на сайте принимаются круглосуточно. Заявки, поступившие после окончания рабочего дня, обрабатываются на следующий рабочий день.
Минимальная сумма заказа для доставки составляет 3000 рублей. Самовывоз со склада возможен на любую сумму при наличии товара.
ООО «УралТехГрупп»
ИНН: 7415093830
КПП: 772401001
ОГРН: 1167456069021
Банк: ПАО Сбербанк
Р/с: 40702810838000475273
К/с: 30101810400000000225
БИК: 044525225
У подшипника 205KRR пока нет отзывов. Вы можете стать первым покупателем, поделившимся своим мнением.