Поиск подшипника
Статьи
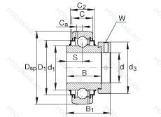
G1112KRRB AS2/V — Подшипник для корпуса, модификация основного исполнения G1112, производство INA.
Размер подшипника: 44x85x56 мм.
Наружное кольцо подшипника с двумя смазочными отверстиями в смещенных плоскостях, манжетные уплотнения с обеих сторон (уплотнение типа r - имеет оцинкованные внутреннюю и внешнюю крышки. между крышками имеется уплотнительная кромка nbr. идущая по шлифованному буртику), подшипник со сферическим наружным кольцом.
Альтернативное обозначение: YEL209-112-2F.
Аналоги: 36209.112 FAG,G1112-KRR-B-AS2/V INA.
Международная стандартизации ISO
G1112KRRBAS2V
В наличии
| Обозначение | Конструктивные изменения |
|---|---|
| G1112KLLB+COL | Товар включает втулку. |
| G1112KRRB | Подшипник для корпуса. |
| G1112KRRB+COL | Товар включает втулку. |
| G1112KRR | Манжетные уплотнения с обеих сторон (уплотнение типа R - имеет оцинкованные внутреннюю и внешнюю крышки. Между крышками имеется уплотнительная кромка NBR. идущая по шлифованному буртику). |
| G1112KRRBW | Подшипник со сферическим наружным кольцом. Эксцентриковая стопорная втулка. Манжетные уплотнения с обеих сторон (уплотнение типа R - имеет оцинкованные внутреннюю и внешнюю крышки. Между крышками имеется уплотнительная кромка NBR. идущая по шлифованному буртику). |
| G1112KLLB | Подшипник для корпуса. |
| G1112KLL | BALL BEARING. CONRAD TYPE. INDUSTRIAL POWER TRANSMISSION. DOUBLE MECHANI-SEAL. |
| G1112KPPB4 | Подшипник для корпуса. |
Модификации подшипника для корпуса G1112KRRB AS2/V — это измененное основное конструктивное исполнение G1112, основные размеры (44x85x56) не отличаются.
| Обозначение | Гост | Конструктивные особенности |
|---|---|---|
| 36209.112 | ISO | 1.3/4. |
| M-UEL209D1 | ISO | Не требующий обслуживания тип. |
| 36209B | ISO | Сферическое внешнее кольцо. |
| REL209-112D1V19 | ISO | Не требующий обслуживания тип. 1.3/4. |
| GE45-KLL-B | ISO | Подшипник со сферическим наружным кольцом. BALL BEARING. CONRAD TYPE. INDUSTRIAL POWER TRANSMISSION. DOUBLE MECHANI-SEAL. |
| GE45-KTT-B | ISO | Подшипник со сферическим наружным кольцом. Тройные манжетные уплотнения с обеих сторон подшипника (Т-образное уплотнение). |
| EX209-28G2 | ISO | Cистема повторного смазывания для корпусных подшипников. 1.3/4. |
| 1045-45DECGFS | ISO | Смазочные отверстия в распределительной канавке. Механически обработанные в наружном кольце для смазки. Подшипниковый вкладыш с маслоотражательными уплотнениями. Эксцентриковая втулка с удлиненным внутренним кольцом. |
| GE45-KRR-B-FA164 | ISO | Подшипник со сферическим наружным кольцом. Манжетные уплотнения с обеих сторон (уплотнение типа R - имеет оцинкованные внутреннюю и внешнюю крышки. Между крышками имеется уплотнительная кромка NBR. идущая по шлифованному буртику). Высокотемпературная конструкция до +250°C. |
| GE45-KRR-B-FA125.5 | ISO | Подшипник со сферическим наружным кольцом. Манжетные уплотнения с обеих сторон (уплотнение типа R - имеет оцинкованные внутреннюю и внешнюю крышки. Между крышками имеется уплотнительная кромка NBR. идущая по шлифованному буртику). С покрытием Corrotect®, защищено от коррозии. |
| G209V22 | ISO | Отверстия для смазки с обеих сторон наружного кольца подшипника. |
| G209-28 | ISO | 1.3/4. |
| UELS209-112LD1 | ISO | Не требующий обслуживания тип. 1.3/4. |
| E45-KLL | ISO | BALL BEARING. CONRAD TYPE. INDUSTRIAL POWER TRANSMISSION. DOUBLE MECHANI-SEAL. |
| HC209-28 | ISO | 1.3/4. |
| UELS209-112D1 | ISO | Не требующий обслуживания тип. 1.3/4. |
| 1045-1.3/4DECG | ISO | Смазочные отверстия в распределительной канавке. Механически обработанные в наружном кольце для смазки. Эксцентриковая втулка с удлиненным внутренним кольцом. Размерные и геометрические допуски соответствуют классу точности P6. Number Of Carriages Per Rail Track. |
| YEL209-112-2FCW | ISO | Стандартное контактное уплотнение с дополнительным маслоотражательным кольцом с обеих сторон. С цилиндрическим наружным диаметром. 1.3/4. |
| EX.209.G2.L3 | ISO | Cистема повторного смазывания для корпусных подшипников. Тройное манжетное уплотнение для вкладыша подшипника. |
| EX209AGR | ISO | AGR-Sealing (Three Lip Sealing). |
| UEL209-112D1 | ISO | Не требующий обслуживания тип. 1.3/4. |
Аналог подшипника для корпуса G1112KRRB AS2/V — это подшипник такого же размера dx44,Dx85,Bx56, типа и конструкции.
| Обозначение | Конструктивные особенности | Внутренний (d) | Наружный (D) | Ширина (B) |
|---|---|---|---|---|
| HR45KBE52X+L | Роликовый радиальный-упорный двухрядный подшипник. Одно механическое уплотнение. Для конических роликоподшипников и радиальных шарикоподшипников. | 45.00 | 85.00 | 55.00 |
| 432209U | Роликовый радиальный-упорный двухрядный подшипник. Универсальный одиночный подшипник. | 45.00 | 85.00 | 55.00 |
| 4T-432209 | Роликовый радиальный-упорный конический двухрядный подшипник. Цементованная сталь. | 45.00 | 85.00 | 55.00 |
| HUB030-20 | Шариковый радиально-упорный двухрядный подшипник. Distance Between Beginning Of The Rail And First Hole In MM. | 43.00 | 84.00 | 56.00 |
| 112044X/112085H | Роликовый радиальный-упорный конический двухрядный подшипник. Pressed Snap-Type Steel Cage. Hardened. | 44.45 | 85.00 | 55.00 |
| 112045/112085G | Роликовый радиальный-упорный конический двухрядный подшипник. Устройство повторного смазывания со смазочной канавкой и отверстием на внешнем кольце. | 45.00 | 85.00 | 55.00 |
| 112044X/112085G | Роликовый радиальный-упорный конический двухрядный подшипник. Устройство повторного смазывания со смазочной канавкой и отверстием на внешнем кольце. | 44.45 | 85.00 | 55.00 |
| UEL209D1 | Шариковый радиальный однорядный подшипник. Не требующий обслуживания тип. | 45.00 | 85.00 | 56.30 |
| CEX209 | Шариковый радиальный однорядный подшипник. Контактное уплотнение с одной стороны. | 45.00 | 85.00 | 56.30 |
| CEX209-28 | Шариковый радиальный однорядный подшипник. 1.3/4. | 44.45 | 85.00 | 56.30 |
| EX209G2 | Шариковый радиальный однорядный подшипник. Cистема повторного смазывания для корпусных подшипников. | 45.00 | 85.00 | 56.30 |
| EX209-28 | Шариковый радиальный однорядный подшипник. 1.3/4. | 44.45 | 85.00 | 56.30 |
| 2ШЛТ45 | Шарнирный подшипник. Без отверстий и канавок для смазки. | 45.00 | 85.00 | 55.00 |
| 2ШЛТ45 Ю | Шарнирный подшипник. Одно или два кольца из нержавеющей стали.. Без отверстий и канавок для смазки. | 45.00 | 85.00 | 55.00 |
| 2ШЛТ45 Ю1Т | Шарнирный подшипник. Температура отпуска. 160°. Одно или два кольца из нержавеющей стали.. Без отверстий и канавок для смазки. | 45.00 | 85.00 | 55.00 |
Способы доставки
Отправка через ведущие транспортные и курьерские компании: ПЭК, Деловые Линии, СДЭК, Байкал-Сервис, Энергия, КИТ, ЖелДорЭкспедиция.
Самовывоз возможен напрямую со склада в Москве.
Сроки доставки
Срок зависит от региона и выбранной транспортной компании. Все заказы комплектуются и отправляются в кратчайшие сроки со склада в Москве.
Надёжность и сохранность
Вся продукция упаковывается с учётом требований транспортировки. Мы гарантируем, что подшипники и комплектующие прибудут к заказчику в полной сохранности.
Доставка в страны ЕАЭС
Мы работаем с проверенными логистическими партнёрами, что позволяет оперативно доставлять заказы в Беларусь, Казахстан, Армению и другие страны ЕАЭС.
Варианты оплаты:
Минимальная сумма заказа и скидки:
Документы и гарантии:
Да, конечно! Наши технические специалисты готовы помочь вам с подбором точного аналога или замены подшипника. Просто позвоните нам по телефону +7 (495) 104-99-04 или напишите на почту zakaz@podsnab.ru.
Для оперативной консультации подготовьте, пожалуйста, имеющиеся данные: маркировку, размеры, тип оборудования или артикул старого подшипника.
Да, конечно! Мы высоко ценим долгосрочное сотрудничество и доверие клиентов по всей России. Для постоянных клиентов действует персональная система скидок.
Условия формируются индивидуально и зависят от:
Чтобы узнать свои условия и получить максимально выгодное предложение, свяжитесь с персональным менеджером или напишите нам на почту zakaz@podsnab.ru.
Вы можете оформить заказ несколькими способами:
Для оформления заказа от юридического лица свяжитесь с нашим отделом по работе с корпоративными клиентами по телефону +7 (495) 104-99-04 или напишите на email zakaz@podsnab.ru, прикрепив реквизиты вашей организации.
Мы оперативно подготовим коммерческое предложение и выставим счет.
Возврат товара надлежащего качества возможен в течение 10 дней с момента получения, если товар не был в употреблении, сохранен товарный вид, упаковка не вскрывалась и присутствуют все сопроводительные документы.
Возврат денежных средств осуществляется в течение 10 рабочих дней после проверки товара складом.
В соответствии с законодательством возврату не подлежат подшипники надлежащего качества, если отсутствует оригинальная упаковка или имеются следы монтажа.
В случае выявления брака или гарантийного случая мы гарантируем возврат или обмен товара.
Да, гарантийный срок хранения устанавливается заводом-изготовителем и в среднем составляет 2 года при соблюдении условий хранения: сухое помещение, оригинальная упаковка и смазка.
Точный срок для конкретного типа подшипника уточняйте у наших менеджеров.
Пн–Пт: с 8:00 до 17:00 (МСК).
Сб–Вс: выходные дни.
Заказы на сайте принимаются круглосуточно. Заявки, поступившие после окончания рабочего дня, обрабатываются на следующий рабочий день.
Минимальная сумма заказа для доставки составляет 3000 рублей. Самовывоз со склада возможен на любую сумму при наличии товара.
ООО «УралТехГрупп»
ИНН: 7415093830
КПП: 772401001
ОГРН: 1167456069021
Банк: ПАО Сбербанк
Р/с: 40702810838000475273
К/с: 30101810400000000225
БИК: 044525225
У подшипника G1112KRRB AS2/V пока нет отзывов. Вы можете стать первым покупателем, поделившимся своим мнением.