Поиск подшипника
Статьи
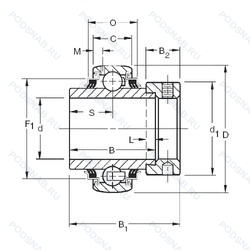
G1112KPPB4 — Шариковый радиальный однорядный подшипник, модификация основного исполнения G1112, производство TIMKEN.
Размер подшипника: 44x85x42 мм.
Международная стандартизации ISO
G1112KPPB4
В наличии
| Обозначение | Конструктивные изменения |
|---|---|
| G1112KLLB+COL | Товар включает втулку. |
| G1112KRRB | Шариковый радиальный однорядный подшипник. |
| G1112KRRB+COL | Товар включает втулку. |
| G1112KRR | Манжетные уплотнения с обеих сторон (уплотнение типа R - имеет оцинкованные внутреннюю и внешнюю крышки. Между крышками имеется уплотнительная кромка NBR. идущая по шлифованному буртику). |
| G1112KRRB AS2/V | Подшипник со сферическим наружным кольцом. Манжетные уплотнения с обеих сторон (уплотнение типа R - имеет оцинкованные внутреннюю и внешнюю крышки. Между крышками имеется уплотнительная кромка NBR. идущая по шлифованному буртику). Наружное кольцо подшипника с двумя смазочными отверстиями в смещенных плоскостях. |
| G1112KRRBW | Подшипник со сферическим наружным кольцом. Эксцентриковая стопорная втулка. Манжетные уплотнения с обеих сторон (уплотнение типа R - имеет оцинкованные внутреннюю и внешнюю крышки. Между крышками имеется уплотнительная кромка NBR. идущая по шлифованному буртику). |
| G1112KLLB | Шариковый радиальный однорядный подшипник. |
| G1112KLL | BALL BEARING. CONRAD TYPE. INDUSTRIAL POWER TRANSMISSION. DOUBLE MECHANI-SEAL. |
Модификации шарикового подшипника G1112KPPB4 — это измененное основное конструктивное исполнение G1112, основные размеры (44x85x42) не отличаются.
| Обозначение | Гост | Конструктивные особенности |
|---|---|---|
| UELS209LD1N | ISO | Канавка для стопорного кольца на наружном кольце. |
| YELAG209 | ISO | Измененная или модифицированная внутренняя конструкция при неизменных основных размерах. |
| SM1112K | ISO | Коническое отверстие. Конусность 1/12. |
| SM1112KB | ISO | Материал контакта сталь на бронзе (S/B). |
| YAE45RRB | ISO | Два резиновых уплотнения Land Riding со сферическим наружным диаметром (B). |
| YA112RR | ISO | С выпуклыми асимметричными роликами. Обработанный сепаратор штыревого типа из медного сплава. С центральным ребром. С ребрами с двух сторон (для предотвращения падения роликов). |
| YAE45RR | ISO | С выпуклыми асимметричными роликами. Обработанный сепаратор штыревого типа из медного сплава. С центральным ребром. С ребрами с двух сторон (для предотвращения падения роликов). |
| YA112RRB | ISO | Два резиновых уплотнения Land Riding со сферическим наружным диаметром (B). |
| E45KRRB | ISO | Шариковый радиальный однорядный подшипник. |
| GE45KPPB4 | ISO | Шариковый радиальный однорядный подшипник. |
| GE45KRR | ISO | Манжетные уплотнения с обеих сторон (уплотнение типа R - имеет оцинкованные внутреннюю и внешнюю крышки. Между крышками имеется уплотнительная кромка NBR. идущая по шлифованному буртику). |
| GYA112RR | ISO | С выпуклыми асимметричными роликами. Обработанный сепаратор штыревого типа из медного сплава. С центральным ребром. С ребрами с двух сторон (для предотвращения падения роликов). |
| GYAE45RRB | ISO | Два резиновых уплотнения Land Riding со сферическим наружным диаметром (B). |
| GYAE45RR | ISO | С выпуклыми асимметричными роликами. Обработанный сепаратор штыревого типа из медного сплава. С центральным ребром. С ребрами с двух сторон (для предотвращения падения роликов). |
| GYA112RRB | ISO | Два резиновых уплотнения Land Riding со сферическим наружным диаметром (B). |
| 1112KL | ISO | Flanged Type (2 Thru holes)-Medium Load. |
| 1112KLLB | ISO | Шариковый радиальный однорядный подшипник. |
| 1112KR | ISO | Single-Row. Counterbored Outer Ring. Radial Type. Ball Bearing. 15° Угол контакта. |
| 1112KRR | ISO | Манжетные уплотнения с обеих сторон (уплотнение типа R - имеет оцинкованные внутреннюю и внешнюю крышки. Между крышками имеется уплотнительная кромка NBR. идущая по шлифованному буртику). |
| 1112KRRB | ISO | Шариковый радиальный однорядный подшипник. |
Аналог шарикового подшипника G1112KPPB4 — это подшипник такого же размера dx44,Dx85,Bx42, типа и конструкции.
| Обозначение | Конструктивные особенности | Внутренний (d) | Наружный (D) | Ширина (B) |
|---|---|---|---|---|
| BAH-0204E | Подшипник шариковый двухрядный радиально-упорный. Подшипник с заправочным пазом для ввода тел качений. | 45.00 | 84.00 | 41.00 |
| US209G2 | Подшипник для корпуса. Cистема повторного смазывания для корпусных подшипников. | 45.00 | 85.00 | 41.20 |
| YELAG209-112 | Корпусный подшипник однорядный. 1.3/4. | 44.45 | 85.00 | 42.80 |
| 4T-30209DF | Роликовый радиальный-упорный конический двухрядный подшипник. Комплект из двух подшипников. согласованных для установки по Х-образной схеме. Число. следующее непосредственно после букв DF. обозначает конструкцию промежуточного кольца. Цементованная сталь. | 45.00 | 85.00 | 41.50 |
| AU0901-12LL/L260 | Шариковый радиально-упорный двухрядный подшипник. Grease Code. | 45.00 | 84.00 | 42.00 |
| AU0901-4LXL/L260 | Шариковый радиально-упорный двухрядный подшипник. Grease Code. | 45.00 | 84.00 | 42.00 |
| DE0962LLCS70PX2/5A | Шариковый радиально-упорный двухрядный подшипник. Угол контакта 15°. | 44.00 | 84.00 | 42.00 |
| DE0978LLCS64PX1/L260 | Шариковый радиально-упорный двухрядный подшипник. Угол контакта 15°. Grease Code. | 44.00 | 84.00 | 42.00 |
| PW45850441CS | Шариковый радиально-упорный двухрядный подшипник. Высокоуглеродистая сталь. | 45.00 | 85.04 | 41.00 |
| BAH-0160A | Шариковый радиально-упорный двухрядный подшипник. Измененная или модифицированная внутренняя конструкция при неизменных основных размерах. | 45.00 | 84.00 | 41.00 |
| BAHB633960 | Шариковый радиально-упорный двухрядный подшипник. Измененная или модифицированная внутренняя конструкция при неизменных основных размерах. | 45.00 | 85.00 | 41.00 |
| DAC45840041/39 | Шариковый радиально-упорный двухрядный подшипник. Distance Between Beginning Of The Rail And First Hole In MM. | 45.00 | 84.00 | 41.00 |
| DAC45850041 | Шариковый радиально-упорный двухрядный подшипник. Однорядный радиально-упорный шарикоподшипник с углом контакта 25°. | 45.00 | 85.00 | 41.00 |
| DAC45840042/40 | Шариковый радиально-упорный двухрядный подшипник. 2.1/2. | 45.00 | 84.00 | 42.00 |
| DAC4584DWCS76 | Шариковый радиально-упорный двухрядный подшипник. Угол контакта 15 градусов. | 45.00 | 84.00 | 41.00 |
Способы доставки
Отправка через ведущие транспортные и курьерские компании: ПЭК, Деловые Линии, СДЭК, Байкал-Сервис, Энергия, КИТ, ЖелДорЭкспедиция.
Самовывоз возможен напрямую со склада в Москве.
Сроки доставки
Срок зависит от региона и выбранной транспортной компании. Все заказы комплектуются и отправляются в кратчайшие сроки со склада в Москве.
Надёжность и сохранность
Вся продукция упаковывается с учётом требований транспортировки. Мы гарантируем, что подшипники и комплектующие прибудут к заказчику в полной сохранности.
Доставка в страны ЕАЭС
Мы работаем с проверенными логистическими партнёрами, что позволяет оперативно доставлять заказы в Беларусь, Казахстан, Армению и другие страны ЕАЭС.
Варианты оплаты:
Минимальная сумма заказа и скидки:
Документы и гарантии:
Да, конечно! Наши технические специалисты готовы помочь вам с подбором точного аналога или замены подшипника. Просто позвоните нам по телефону +7 (495) 104-99-04 или напишите на почту zakaz@podsnab.ru.
Для оперативной консультации подготовьте, пожалуйста, имеющиеся данные: маркировку, размеры, тип оборудования или артикул старого подшипника.
Да, конечно! Мы высоко ценим долгосрочное сотрудничество и доверие клиентов по всей России. Для постоянных клиентов действует персональная система скидок.
Условия формируются индивидуально и зависят от:
Чтобы узнать свои условия и получить максимально выгодное предложение, свяжитесь с персональным менеджером или напишите нам на почту zakaz@podsnab.ru.
Вы можете оформить заказ несколькими способами:
Для оформления заказа от юридического лица свяжитесь с нашим отделом по работе с корпоративными клиентами по телефону +7 (495) 104-99-04 или напишите на email zakaz@podsnab.ru, прикрепив реквизиты вашей организации.
Мы оперативно подготовим коммерческое предложение и выставим счет.
Возврат товара надлежащего качества возможен в течение 10 дней с момента получения, если товар не был в употреблении, сохранен товарный вид, упаковка не вскрывалась и присутствуют все сопроводительные документы.
Возврат денежных средств осуществляется в течение 10 рабочих дней после проверки товара складом.
В соответствии с законодательством возврату не подлежат подшипники надлежащего качества, если отсутствует оригинальная упаковка или имеются следы монтажа.
В случае выявления брака или гарантийного случая мы гарантируем возврат или обмен товара.
Да, гарантийный срок хранения устанавливается заводом-изготовителем и в среднем составляет 2 года при соблюдении условий хранения: сухое помещение, оригинальная упаковка и смазка.
Точный срок для конкретного типа подшипника уточняйте у наших менеджеров.
Пн–Пт: с 8:00 до 17:00 (МСК).
Сб–Вс: выходные дни.
Заказы на сайте принимаются круглосуточно. Заявки, поступившие после окончания рабочего дня, обрабатываются на следующий рабочий день.
Минимальная сумма заказа для доставки составляет 3000 рублей. Самовывоз со склада возможен на любую сумму при наличии товара.
ООО «УралТехГрупп»
ИНН: 7415093830
КПП: 772401001
ОГРН: 1167456069021
Банк: ПАО Сбербанк
Р/с: 40702810838000475273
К/с: 30101810400000000225
БИК: 044525225
У подшипника G1112KPPB4 пока нет отзывов. Вы можете стать первым покупателем, поделившимся своим мнением.