Поиск подшипника
Статьи
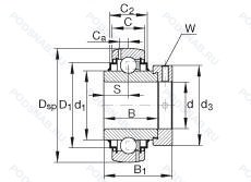
G1104-KRR-B-AS2/V — Подшипник для корпуса, модификация основного исполнения G1104, производство INA.
Размер подшипника: 31x72x51 мм.
Наружное кольцо подшипника с двумя смазочными отверстиями в смещенных плоскостях, манжетные уплотнения с обеих сторон (уплотнение типа r - имеет оцинкованные внутреннюю и внешнюю крышки. между крышками имеется уплотнительная кромка nbr. идущая по шлифованному буртику), конический роликовый подшипник. угол контакта 20 градусов.
Альтернативное обозначение: YEL207-104, YEL207-104-2F.
Аналоги: 36207.104 FAG,G1104KRRBW INA,YEL207-104-2F SKF,HC207-20 KML.
Международная стандартизации ISO
G1104KRRBAS2V
В наличии
| Обозначение | Конструктивные изменения |
|---|---|
| G1104KRRB+COL | Товар включает втулку. |
| G1104KRRB | Подшипник для корпуса. |
| G1104KRRB W206 | Подшипник со сферическим наружным кольцом. Эксцентриковая стопорная втулка. Манжетные уплотнения с обеих сторон (уплотнение типа R - имеет оцинкованные внутреннюю и внешнюю крышки. Между крышками имеется уплотнительная кромка NBR. идущая по шлифованному буртику). |
| G1104KLLB C2 | Внутренний зазор подшипника меньше нормального. |
| G1104KRR+COL | Манжетные уплотнения с обеих сторон (уплотнение типа R - имеет оцинкованные внутреннюю и внешнюю крышки. Между крышками имеется уплотнительная кромка NBR. идущая по шлифованному буртику). Втулка. |
| G1104KRRB-206 | Подшипник со сферическим наружным кольцом. Манжетные уплотнения с обеих сторон (уплотнение типа R - имеет оцинкованные внутреннюю и внешнюю крышки. Между крышками имеется уплотнительная кромка NBR. идущая по шлифованному буртику). 2.3/8. |
| G1104KLL | BALL BEARING. CONRAD TYPE. INDUSTRIAL POWER TRANSMISSION. DOUBLE MECHANI-SEAL. |
| G1104-206-KRR-B-AS2/V | Подшипник со сферическим наружным кольцом. Манжетные уплотнения с обеих сторон (уплотнение типа R - имеет оцинкованные внутреннюю и внешнюю крышки. Между крышками имеется уплотнительная кромка NBR. идущая по шлифованному буртику). Наружное кольцо подшипника с двумя смазочными отверстиями в смещенных плоскостях. 2.3/8. |
| G1104KRRB+COLTD | Conrad (Non-Filling Slot) Type. Сферический внешний диаметр. Резиновое уплотнение с двух сторон. Thin Dense Chrome Plate. Втулка. |
| G1104KRRBW | Подшипник со сферическим наружным кольцом. Эксцентриковая стопорная втулка. Манжетные уплотнения с обеих сторон (уплотнение типа R - имеет оцинкованные внутреннюю и внешнюю крышки. Между крышками имеется уплотнительная кромка NBR. идущая по шлифованному буртику). |
| G1104KRR | Манжетные уплотнения с обеих сторон (уплотнение типа R - имеет оцинкованные внутреннюю и внешнюю крышки. Между крышками имеется уплотнительная кромка NBR. идущая по шлифованному буртику). |
| G1104KLLB | Подшипник для корпуса. |
| G1104KPPB2 | Подшипник для корпуса. |
Модификации подшипника для корпуса G1104-KRR-B-AS2/V — это измененное основное конструктивное исполнение G1104, основные размеры (31x72x51) не отличаются.
| Обозначение | Гост | Конструктивные особенности |
|---|---|---|
| HC207-20 | ISO | Distance Between Beginning Of The Rail And First Hole In MM. |
| YEL207-104-2F | ISO | Стандартное контактное уплотнение с дополнительным маслоотражательным кольцом с обеих сторон. 1.1/4. |
| UELS207-104 | ISO | 1.1/4. |
| 36207.104 | ISO | 1.1/4. |
| GNE30-XL-KRR-B | ISO | Подшипник со сферическим наружным кольцом. Серия X-Life премиум-класс. увеличиный срок службы. Манжетные уплотнения с обеих сторон (уплотнение типа R - имеет оцинкованные внутреннюю и внешнюю крышки. Между крышками имеется уплотнительная кромка NBR. идущая по шлифованному буртику). |
| YB220NL | ISO | Уплотнения типа LS с двух сторон подшипника. |
| EX207-20G2 | ISO | Cистема повторного смазывания для корпусных подшипников. 1.1/4. |
| REL207-104W3 | ISO | Корпусной подшипник с установочным винтом. |
| YEL207-104 | ISO | 1.1/4. |
| REL207-104D1W3 | ISO | Не требующий обслуживания тип. Корпусной подшипник с установочным винтом. 1.1/4. |
| UEL207-104D1W3 | ISO | Не требующий обслуживания тип. Корпусной подшипник с установочным винтом. 1.1/4. |
| YELAG207-104 | ISO | 1.1/4. |
| UEL207-104D1W3V22 | ISO | Не требующий обслуживания тип. Корпусной подшипник с установочным винтом. Отверстия для смазки с обеих сторон наружного кольца подшипника. |
| NA306-19A | ISO | 1.3/16. |
| G207-20 | ISO | 1.1/4. |
| UELS207-104LD1NR | ISO | Канавка под стопорное кольцо на наружном кольце с соответствующим стопорным кольцом. Не требующий обслуживания тип. Легкое наполнение. |
| UEL306D1W3 | ISO | Не требующий обслуживания тип. Корпусной подшипник с установочным винтом. |
| GNE30KRRB | ISO | Подшипник со сферическим наружным кольцом. Манжетные уплотнения с обеих сторон (уплотнение типа R - имеет оцинкованные внутреннюю и внешнюю крышки. Между крышками имеется уплотнительная кромка NBR. идущая по шлифованному буртику). |
| YEL207-104-2FCW | ISO | Стандартное контактное уплотнение с дополнительным маслоотражательным кольцом с обеих сторон. С цилиндрическим наружным диаметром. 1.1/4. |
| UELS207-104D1 | ISO | Не требующий обслуживания тип. 1.1/4. |
| LY306.2F | ISO | Двойное уплотнение. Защитная крышка, размещенная на внутреннем кольце. Используется с подшипниками типа Y. |
| UEL207-104D1 | ISO | Не требующий обслуживания тип. 1.1/4. |
Аналог подшипника для корпуса G1104-KRR-B-AS2/V — это подшипник такого же размера dx31,Dx72,Bx51, типа и конструкции.
| Обозначение | Конструктивные особенности | Внутренний (d) | Наружный (D) | Ширина (B) |
|---|---|---|---|---|
| BLRB366746A | Сферический подшипник скольжения. Двухрядный радиально-упорный шарикоподшипник без отверстия для смазки. | 31.75 | 71.48 | 50.93 |
| 100031X/100072P | Роликовый радиальный-упорный однорядный подшипник. Сеаратор из литого полиамида 6.6. армированного стекловолокном. | 31.75 | 72.00 | 51.75 |
| UEL306D1 | Шариковый радиальный однорядный подшипник. Не требующий обслуживания тип. | 30.00 | 72.00 | 50.00 |
| EX306-19 | Шариковый радиальный однорядный подшипник. 1.3/16. | 30.16 | 72.00 | 50.00 |
| EX306 | Шариковый радиальный однорядный подшипник. Контактное уплотнение с одной стороны. | 30.00 | 72.00 | 50.00 |
| EX306G2 | Шариковый радиальный однорядный подшипник. Cистема повторного смазывания для корпусных подшипников. | 30.00 | 72.00 | 50.00 |
| 11306G15 | Шариковый сферический двухрядный подшипник. Литой сепаратор из полиамида 6.6. армированного стекловолокном. Элемент качения по центру. | 30.00 | 72.00 | 52.00 |
| 54307 + U 307 | Шариковый упорный двухрядный подшипник. Универсальный одиночный подшипник. 3.7/16. | 30.00 | 72.00 | 52.00 |
Способы доставки
Отправка через ведущие транспортные и курьерские компании: ПЭК, Деловые Линии, СДЭК, Байкал-Сервис, Энергия, КИТ, ЖелДорЭкспедиция.
Самовывоз возможен напрямую со склада в Москве.
Сроки доставки
Срок зависит от региона и выбранной транспортной компании. Все заказы комплектуются и отправляются в кратчайшие сроки со склада в Москве.
Надёжность и сохранность
Вся продукция упаковывается с учётом требований транспортировки. Мы гарантируем, что подшипники и комплектующие прибудут к заказчику в полной сохранности.
Доставка в страны ЕАЭС
Мы работаем с проверенными логистическими партнёрами, что позволяет оперативно доставлять заказы в Беларусь, Казахстан, Армению и другие страны ЕАЭС.
Варианты оплаты:
Минимальная сумма заказа и скидки:
Документы и гарантии:
Да, конечно! Наши технические специалисты готовы помочь вам с подбором точного аналога или замены подшипника. Просто позвоните нам по телефону +7 (495) 104-99-04 или напишите на почту zakaz@podsnab.ru.
Для оперативной консультации подготовьте, пожалуйста, имеющиеся данные: маркировку, размеры, тип оборудования или артикул старого подшипника.
Да, конечно! Мы высоко ценим долгосрочное сотрудничество и доверие клиентов по всей России. Для постоянных клиентов действует персональная система скидок.
Условия формируются индивидуально и зависят от:
Чтобы узнать свои условия и получить максимально выгодное предложение, свяжитесь с персональным менеджером или напишите нам на почту zakaz@podsnab.ru.
Вы можете оформить заказ несколькими способами:
Для оформления заказа от юридического лица свяжитесь с нашим отделом по работе с корпоративными клиентами по телефону +7 (495) 104-99-04 или напишите на email zakaz@podsnab.ru, прикрепив реквизиты вашей организации.
Мы оперативно подготовим коммерческое предложение и выставим счет.
Возврат товара надлежащего качества возможен в течение 10 дней с момента получения, если товар не был в употреблении, сохранен товарный вид, упаковка не вскрывалась и присутствуют все сопроводительные документы.
Возврат денежных средств осуществляется в течение 10 рабочих дней после проверки товара складом.
В соответствии с законодательством возврату не подлежат подшипники надлежащего качества, если отсутствует оригинальная упаковка или имеются следы монтажа.
В случае выявления брака или гарантийного случая мы гарантируем возврат или обмен товара.
Да, гарантийный срок хранения устанавливается заводом-изготовителем и в среднем составляет 2 года при соблюдении условий хранения: сухое помещение, оригинальная упаковка и смазка.
Точный срок для конкретного типа подшипника уточняйте у наших менеджеров.
Пн–Пт: с 8:00 до 17:00 (МСК).
Сб–Вс: выходные дни.
Заказы на сайте принимаются круглосуточно. Заявки, поступившие после окончания рабочего дня, обрабатываются на следующий рабочий день.
Минимальная сумма заказа для доставки составляет 3000 рублей. Самовывоз со склада возможен на любую сумму при наличии товара.
ООО «УралТехГрупп»
ИНН: 7415093830
КПП: 772401001
ОГРН: 1167456069021
Банк: ПАО Сбербанк
Р/с: 40702810838000475273
К/с: 30101810400000000225
БИК: 044525225
У подшипника G1104-KRR-B-AS2/V пока нет отзывов. Вы можете стать первым покупателем, поделившимся своим мнением.