Поиск подшипника
Статьи
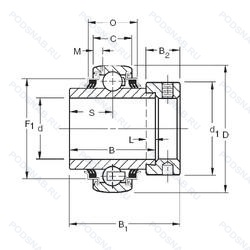
G1104KPPB2 — Шариковый радиальный однорядный подшипник, модификация основного исполнения G1104, производство TIMKEN.
Размер подшипника: 31x72x37 мм.
Международная стандартизации ISO
G1104KPPB2
В наличии
| Обозначение | Конструктивные изменения |
|---|---|
| G1104KRRB+COL | Товар включает втулку. |
| G1104KRRB | Шариковый радиальный однорядный подшипник. |
| G1104-KRR-B-AS2/V | Конический роликовый подшипник. Угол контакта 20 градусов. Манжетные уплотнения с обеих сторон (уплотнение типа R - имеет оцинкованные внутреннюю и внешнюю крышки. Между крышками имеется уплотнительная кромка NBR. идущая по шлифованному буртику). Наружное кольцо подшипника с двумя смазочными отверстиями в смещенных плоскостях. |
| G1104KRRB W206 | Подшипник со сферическим наружным кольцом. Эксцентриковая стопорная втулка. Манжетные уплотнения с обеих сторон (уплотнение типа R - имеет оцинкованные внутреннюю и внешнюю крышки. Между крышками имеется уплотнительная кромка NBR. идущая по шлифованному буртику). |
| G1104KLLB C2 | Внутренний зазор подшипника меньше нормального. |
| G1104KRR+COL | Манжетные уплотнения с обеих сторон (уплотнение типа R - имеет оцинкованные внутреннюю и внешнюю крышки. Между крышками имеется уплотнительная кромка NBR. идущая по шлифованному буртику). Втулка. |
| G1104KRRB-206 | Подшипник со сферическим наружным кольцом. Манжетные уплотнения с обеих сторон (уплотнение типа R - имеет оцинкованные внутреннюю и внешнюю крышки. Между крышками имеется уплотнительная кромка NBR. идущая по шлифованному буртику). 2.3/8. |
| G1104KLL | BALL BEARING. CONRAD TYPE. INDUSTRIAL POWER TRANSMISSION. DOUBLE MECHANI-SEAL. |
| G1104-206-KRR-B-AS2/V | Подшипник со сферическим наружным кольцом. Манжетные уплотнения с обеих сторон (уплотнение типа R - имеет оцинкованные внутреннюю и внешнюю крышки. Между крышками имеется уплотнительная кромка NBR. идущая по шлифованному буртику). Наружное кольцо подшипника с двумя смазочными отверстиями в смещенных плоскостях. 2.3/8. |
| G1104KRRB+COLTD | Conrad (Non-Filling Slot) Type. Сферический внешний диаметр. Резиновое уплотнение с двух сторон. Thin Dense Chrome Plate. Втулка. |
| G1104KRRBW | Подшипник со сферическим наружным кольцом. Эксцентриковая стопорная втулка. Манжетные уплотнения с обеих сторон (уплотнение типа R - имеет оцинкованные внутреннюю и внешнюю крышки. Между крышками имеется уплотнительная кромка NBR. идущая по шлифованному буртику). |
| G1104KRR | Манжетные уплотнения с обеих сторон (уплотнение типа R - имеет оцинкованные внутреннюю и внешнюю крышки. Между крышками имеется уплотнительная кромка NBR. идущая по шлифованному буртику). |
| G1104KLLB | Шариковый радиальный однорядный подшипник. |
Модификации шарикового подшипника G1104KPPB2 — это измененное основное конструктивное исполнение G1104, основные размеры (31x72x37) не отличаются.
| Обозначение | Гост | Конструктивные особенности |
|---|---|---|
| SBX07A60LMLSQ1 | ISO | Механически обработанный сепаратор. Уплотнение из полиакрила. |
| UELS306D1N | ISO | Канавка для стопорного кольца на наружном кольце. |
| 6306D2 | ISO | Два одинаковых парных подшипника. |
| 6306ZZD2 | ISO | Стальная шайба. |
| N103KLL | ISO | BALL BEARING. CONRAD TYPE. INDUSTRIAL POWER TRANSMISSION. DOUBLE MECHANI-SEAL. |
| SM1104KB | ISO | Материал контакта сталь на бронзе (S/B). |
| SM1104K | ISO | Коническое отверстие. Конусность 1/12. |
| SMN103K | ISO | Коническое отверстие. Конусность 1/12. |
| SMN103KB | ISO | Материал контакта сталь на бронзе (S/B). |
| YA104RR | ISO | С выпуклыми асимметричными роликами. Обработанный сепаратор штыревого типа из медного сплава. С центральным ребром. С ребрами с двух сторон (для предотвращения падения роликов). |
| YA104RRB | ISO | Два резиновых уплотнения Land Riding со сферическим наружным диаметром (B). |
| GYA104RR | ISO | С выпуклыми асимметричными роликами. Обработанный сепаратор штыревого типа из медного сплава. С центральным ребром. С ребрами с двух сторон (для предотвращения падения роликов). |
| GYA104RRB | ISO | Два резиновых уплотнения Land Riding со сферическим наружным диаметром (B). |
| 1104KL | ISO | Flanged Type (2 Thru holes)-Medium Load. |
| 1104KLL | ISO | BALL BEARING. CONRAD TYPE. INDUSTRIAL POWER TRANSMISSION. DOUBLE MECHANI-SEAL. |
| 1104KLLB | ISO | Шариковый радиальный однорядный подшипник. |
| 1104KR | ISO | Single-Row. Counterbored Outer Ring. Radial Type. Ball Bearing. 15° Угол контакта. |
Аналог шарикового подшипника G1104KPPB2 — это подшипник такого же размера dx31,Dx72,Bx37, типа и конструкции.
| Обозначение | Конструктивные особенности | Внутренний (d) | Наружный (D) | Ширина (B) |
|---|---|---|---|---|
| 4-446306 АЛ | Шариковый радиально-упорный сдвоенный подшипник. Сепаратор из латуни.. Повышенная грузоподъемность. | 30.00 | 72.00 | 38.00 |
| 5-446306 Е5 | Шариковый радиально-упорный сдвоенный подшипник. Сепаратор из текстолита.. | 30.00 | 72.00 | 38.00 |
| 6-246306-АЛ | Шариковый радиально-упорный сдвоенный подшипник. Сепаратор из латуни.. Повышенная грузоподъемность. | 30.00 | 72.00 | 38.00 |
| 8-446306 Е2 | Шариковый радиально-упорный сдвоенный подшипник. Сепаратор из пластических материалов.. | 30.00 | 72.00 | 38.00 |
| 4-446306 Е5 | Шариковый радиально-упорный сдвоенный подшипник. Сепаратор из текстолита.. | 30.00 | 72.00 | 38.00 |
| 4-446306 Л | Шариковый радиально-упорный сдвоенный подшипник. Сепаратор из латуни.. | 30.00 | 72.00 | 38.00 |
| 6-246306-Е2 | Шариковый радиально-упорный сдвоенный подшипник. Сепаратор из пластических материалов.. | 30.00 | 72.00 | 38.00 |
| 6-246306-Е5 | Шариковый радиально-упорный сдвоенный подшипник. Сепаратор из текстолита.. | 30.00 | 72.00 | 38.00 |
| 6-246306 Л | Шариковый радиально-упорный сдвоенный подшипник. Сепаратор из латуни.. | 30.00 | 72.00 | 38.00 |
| 6-446306-АЕ5 | Шариковый радиально-упорный сдвоенный подшипник. Сепаратор из текстолита.. Повышенная грузоподъемность. | 30.00 | 72.00 | 38.00 |
| 6-446306-АЛ | Шариковый радиально-упорный сдвоенный подшипник. Сепаратор из латуни.. Повышенная грузоподъемность. | 30.00 | 72.00 | 38.00 |
| 6-446306-Е2 | Шариковый радиально-упорный сдвоенный подшипник. Сепаратор из пластических материалов.. | 30.00 | 72.00 | 38.00 |
| 6-446306-Е5 | Шариковый радиально-упорный сдвоенный подшипник. Сепаратор из текстолита.. | 30.00 | 72.00 | 38.00 |
| 6-446306-Л | Шариковый радиально-упорный сдвоенный подшипник. Сепаратор из латуни.. | 30.00 | 72.00 | 38.00 |
| ZKLN3072-2Z | Шариковый упорный двухрядный подшипник. Защитные металлические шайбы с обеих сторон подшипника. | 30.00 | 72.00 | 38.00 |
Способы доставки
Отправка через ведущие транспортные и курьерские компании: ПЭК, Деловые Линии, СДЭК, Байкал-Сервис, Энергия, КИТ, ЖелДорЭкспедиция.
Самовывоз возможен напрямую со склада в Москве.
Сроки доставки
Срок зависит от региона и выбранной транспортной компании. Все заказы комплектуются и отправляются в кратчайшие сроки со склада в Москве.
Надёжность и сохранность
Вся продукция упаковывается с учётом требований транспортировки. Мы гарантируем, что подшипники и комплектующие прибудут к заказчику в полной сохранности.
Доставка в страны ЕАЭС
Мы работаем с проверенными логистическими партнёрами, что позволяет оперативно доставлять заказы в Беларусь, Казахстан, Армению и другие страны ЕАЭС.
Варианты оплаты:
Минимальная сумма заказа и скидки:
Документы и гарантии:
Да, конечно! Наши технические специалисты готовы помочь вам с подбором точного аналога или замены подшипника. Просто позвоните нам по телефону +7 (495) 104-99-04 или напишите на почту zakaz@podsnab.ru.
Для оперативной консультации подготовьте, пожалуйста, имеющиеся данные: маркировку, размеры, тип оборудования или артикул старого подшипника.
Да, конечно! Мы высоко ценим долгосрочное сотрудничество и доверие клиентов по всей России. Для постоянных клиентов действует персональная система скидок.
Условия формируются индивидуально и зависят от:
Чтобы узнать свои условия и получить максимально выгодное предложение, свяжитесь с персональным менеджером или напишите нам на почту zakaz@podsnab.ru.
Вы можете оформить заказ несколькими способами:
Для оформления заказа от юридического лица свяжитесь с нашим отделом по работе с корпоративными клиентами по телефону +7 (495) 104-99-04 или напишите на email zakaz@podsnab.ru, прикрепив реквизиты вашей организации.
Мы оперативно подготовим коммерческое предложение и выставим счет.
Возврат товара надлежащего качества возможен в течение 10 дней с момента получения, если товар не был в употреблении, сохранен товарный вид, упаковка не вскрывалась и присутствуют все сопроводительные документы.
Возврат денежных средств осуществляется в течение 10 рабочих дней после проверки товара складом.
В соответствии с законодательством возврату не подлежат подшипники надлежащего качества, если отсутствует оригинальная упаковка или имеются следы монтажа.
В случае выявления брака или гарантийного случая мы гарантируем возврат или обмен товара.
Да, гарантийный срок хранения устанавливается заводом-изготовителем и в среднем составляет 2 года при соблюдении условий хранения: сухое помещение, оригинальная упаковка и смазка.
Точный срок для конкретного типа подшипника уточняйте у наших менеджеров.
Пн–Пт: с 8:00 до 17:00 (МСК).
Сб–Вс: выходные дни.
Заказы на сайте принимаются круглосуточно. Заявки, поступившие после окончания рабочего дня, обрабатываются на следующий рабочий день.
Минимальная сумма заказа для доставки составляет 3000 рублей. Самовывоз со склада возможен на любую сумму при наличии товара.
ООО «УралТехГрупп»
ИНН: 7415093830
КПП: 772401001
ОГРН: 1167456069021
Банк: ПАО Сбербанк
Р/с: 40702810838000475273
К/с: 30101810400000000225
БИК: 044525225
У подшипника G1104KPPB2 пока нет отзывов. Вы можете стать первым покупателем, поделившимся своим мнением.