Поиск подшипника
Статьи
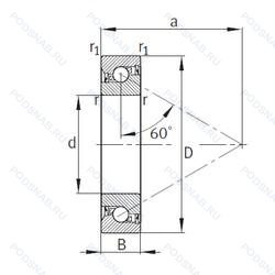
BSB025062-2RS-T — Шариковый радиально-упорный подшипник однонаправленный, модификация основного исполнения BSB025062, производство FAG.
Размер подшипника: 25x62x15 мм.
Резиновые уплотнения с каждой стороны подшипника, полиамидный сепаратор.
Альтернативное обозначение: BSD2562-2RS.
Международная стандартизации ISO
BSB0250622RST
В наличии
| Обозначение | Конструктивные изменения |
|---|---|
| BSB025062DUM P3/SRIY | 2 bearings. Universal Matching - Medium Preload. Класс точности ниже. чем P2. но выше. чем P4. |
| BSB025062SUHP3 | Шариковый радиально-упорный подшипник однонаправленный. |
| BSB025062T | Textile Laminated Phenolic Resin. Outer Ring Guided. The Cage Is Suitable For Long-Term Operation At Temperatures Up To 100°C. |
| BSB025062-T-DU-L055 | Полиамидный сепаратор. Комплект из 2 универсальных подшипников. Подшипник смазан высокоэффективной смазкой Arcanol MULTITOP. |
| BSB025062-T-L055 | Полиамидный сепаратор. Подшипник смазан высокоэффективной смазкой Arcanol MULTITOP. |
| BSB025062QUMP3/SRIY | Operating Temperature Range (Continuous) -30°C / 150°C. Maximum Temperature For Short-Term Exposure Is 175°C. Класс точности ниже. чем P2. но выше. чем P4. Комплект из четырех штук. Универсальное монтаж. Средний преднатяг. |
| BSB025062DULP3 | Duplex Pairs Of Bearing. Light Preload. Класс точности ниже. чем P2. но выше. чем P4. |
| BSB025062DUHP3 | Дуплексная пара подшипников. Высокий преднатяг. Класс точности ниже. чем P2. но выше. чем P4. |
| BSB025062-T-QU | Полиамидный сепаратор. Set Of 4 Universal Bearings. |
| BSB025062-T-DU | Полиамидный сепаратор. Комплект из 2 универсальных подшипников. |
| BSB025062 3UM P3/SRIY | Operating Temperature Range (Continuous) -30°C / 150°C. Maximum Temperature For Short-Term Exposure Is 175°C. Класс точности ниже. чем P2. но выше. чем P4. Triple Set. Universally Faced Bearing. Medium Preload. |
| BSB025062 3UH P3/SRIY | Operating Temperature Range (Continuous) -30°C / 150°C. Maximum Temperature For Short-Term Exposure Is 175°C. Класс точности ниже. чем P2. но выше. чем P4. Triple Set. Universally Faced Bearing. High Preload. |
| BSB025062DUM P3 | Комплект из 2 универсальных подшипников. Средний преднатяг. Класс точности ниже. чем P2. но выше. чем P4. |
| BSB025062QUH P3/SRIY | Operating Temperature Range (Continuous) -30°C / 150°C. Maximum Temperature For Short-Term Exposure Is 175°C. Класс точности ниже. чем P2. но выше. чем P4. Комплект из четырех штук. Универсальная установка. Усиленный преднатяг. |
| BSB025062QUMP3 | Класс точности ниже. чем P2. но выше. чем P4. Комплект из четырех штук. Универсальное монтаж. Средний преднатяг. |
| BSB025062DUH EP3 | Дуплексная пара подшипников. Высокий преднатяг. Класс точности ниже. чем P2. но выше. чем P4. |
Модификации шарикового подшипника BSB025062-2RS-T — это измененное основное конструктивное исполнение BSB025062, основные размеры (25x62x15) не отличаются.
| Обозначение | Гост | Конструктивные особенности |
|---|---|---|
| BSB2562-SU-L055 | ISO | Одиночный подшипник. Подшипник смазан высокоэффективной смазкой Arcanol MULTITOP. |
| 25TAC62CSUHPN7C | ISO | 60° Угол контакта. Одиночный универсальный подшипник. Большой преднатяг. Стандартная точность NSK Класс точности 7C (эквивалентно осевому биению Класс 2). |
| BS25M62.P4A | ISO | Подшипник с чрезвычайно высокой точностью вращения (Abec9) и допуском формы (Abec7). |
| BSB2562-2Z-SU | ISO | Защитные металлические шайбы с обеих сторон подшипника. Одиночный подшипник. |
| BSD2562CGA | ISO | Внутренние изменения в конструкции. Небольшая предварительная нагрузка. Подшипник для универсального монтажа. |
| 25TAB06DU/GMP4 | ISO | Комплект из 2 универсальных подшипников. Класс точности Р4 по ISO (точнее. чем P5) - Abec.7. Центральный преднатяг. |
| BS25M62/15 2RSZ P4A | ISO | Подшипник с чрезвычайно высокой точностью вращения (Abec9) и допуском формы (Abec7). Distance Between Beginning Of The Rail And First Hole In MM. Бесконтактное уплотнение с обеих сторон подшипника. |
| 25TAB06 U/GMP4 | ISO | Радиально-упорный одиночный подшипник - шлифованный для универсального дуплексирования. Класс точности. Средний предварительный натяг. |
| 2A-BST25X62-1BLXLP4/L588 | ISO | Класс точности Р4 по ISO (точнее. чем P5) - Abec.7. Легкоконтактные резиновые уплотнения. Специальная смазка. Identification Code. |
| BS25/62 7 P62 U | ISO | Сочетание P6 (размерная точность и точность хода в соответствии с классом допуска ISO 6 (лучше. чем обычно)) и C2 (внутренний зазор подшипника меньше. чем обычно). P4 (SKF)=Abec.7. Подшипник для универсального монтажа. 62° Угол контакта. Высокая осевая жесткость и грузоподъемность.. |
| BSD2562CGA-2RS1 | ISO | Внутренние изменения в конструкции. Небольшая предварительная нагрузка. Резиновые уплотнения с каждой стороны подшипника. Подшипник для универсального монтажа. |
| BS25/62 7 P62 UM | ISO | Сочетание P6 (размерная точность и точность хода в соответствии с классом допуска ISO 6 (лучше. чем обычно)) и C2 (внутренний зазор подшипника меньше. чем обычно). P4 (SKF)=Abec.7. Однорядный. Универсальный. Средний преднатяг. 62° Угол контакта. |
| BS25/62.7 P62DU360 | ISO | Небольшая предварительная нагрузка. 3.7/8. |
| 25TAC62BDFDC10PN7A | ISO | High Capacity & Higher Speed (Replaces “A” Type). Метрическая серия. Класс ISO 4 (Abec 7) Модифицированный более строгий стандарт для осевого биения Uxx или Pss. специальный класс точности или особенности. Triplex Set Of Bearings In A Combined Tandem/Face-To-Face Configuration. |
| 25TAB06U | ISO | Радиально-упорный одиночный подшипник - шлифованный для универсального дуплексирования. |
| BSB2562-SU-XL | ISO | Серия X-Life премиум-класс. увеличиный срок службы. Одиночный подшипник. |
| BSB2562-2Z-SU-XL | ISO | Серия X-Life премиум-класс. увеличиный срок службы. Защитные металлические шайбы с обеих сторон подшипника. Одиночный подшипник. |
| BSB2562SU | ISO | Одиночный подшипник. |
Аналог шарикового подшипника BSB025062-2RS-T — это подшипник такого же размера dx25,Dx62,Bx15, типа и конструкции.
| Обозначение | Конструктивные особенности | Внутренний (d) | Наружный (D) | Ширина (B) |
|---|---|---|---|---|
| 8-11205 К | Шариковый радиальный двухрядный подшипник. «Замок» (скос) на внутреннем кольце плюс массивный сепаратор из текстолита. | 25.00 | 62.00 | 16.00 |
| 11205-К | Шариковый радиальный двухрядный подшипник. «Замок» (скос) на внутреннем кольце плюс массивный сепаратор из текстолита. | 25.00 | 62.00 | 16.00 |
| 6305R1SH29TCS35 | Шариковый радиальный однорядный подшипник. Угол контакта 20 градусов. | 25.00 | 62.00 | 16.00 |
| B25-214 | Шариковый радиальный однорядный подшипник. Подшипник со специальными размерами. 7/8. | 25.00 | 62.00 | 16.00 |
| B25-224 | Шариковый радиальный однорядный подшипник. Подшипник со специальными размерами. 1.1/2. | 25.00 | 62.00 | 16.00 |
| 6-7305 А | Роликовый радиальный-упорный однорядный подшипник. Повышенная грузоподъемность. | 25.00 | 62.00 | 15.00 |
| SC05B27 | Шариковый радиальный однорядный подшипник. Угол контакта 40°. | 25.00 | 62.00 | 15.00 |
| SC05B76 | Шариковый радиальный однорядный подшипник. Угол контакта 40°. | 26.00 | 62.00 | 14.00 |
| 6206/25 | Шариковый радиальный однорядный подшипник. Distance Between Beginning Of The Rail And First Hole In MM. | 25.00 | 62.00 | 16.00 |
| 1206-K-TVH-C3 + H206 | Шариковый сферический двухрядный подшипник. Внутренний зазор больше нормального. Коническое отверстие. Конусность 1/12. Твердая клетка из полиамида. | 25.00 | 62.00 | 16.00 |
| BSD 2562 C | Шариковый упорный подшипник. 15° Угол контакта. | 25.00 | 62.00 | 15.00 |
| BSD 2562 CG-2RZ | Шариковый упорный однорядный подшипник. Шарикоподшипник. С уплотнением и низким коэффициентом трения с обеих сторон. Уплотнение состоит из шайбы из листовой стали с вулканизированной резиной. Резьбовой винт со стопором и защелкой. | 25.00 | 62.00 | 15.00 |
| BSD 2562 CG | Шариковый упорный однорядный подшипник. Резьбовой винт со стопором и защелкой. | 25.00 | 62.00 | 15.00 |
| BS 25/62/S 7P62U | Шариковый упорный однорядный подшипник. Высокая осевая жесткость и грузоподъемность.. | 25.00 | 62.00 | 15.00 |
| 43305ЕК | Роликовый радиальный сферический однорядный подшипник. Сепаратор из текстолита.. | 25.00 | 62.00 | 16.00 |
Способы доставки
Отправка через ведущие транспортные и курьерские компании: ПЭК, Деловые Линии, СДЭК, Байкал-Сервис, Энергия, КИТ, ЖелДорЭкспедиция.
Самовывоз возможен напрямую со склада в Москве.
Сроки доставки
Срок зависит от региона и выбранной транспортной компании. Все заказы комплектуются и отправляются в кратчайшие сроки со склада в Москве.
Надёжность и сохранность
Вся продукция упаковывается с учётом требований транспортировки. Мы гарантируем, что подшипники и комплектующие прибудут к заказчику в полной сохранности.
Доставка в страны ЕАЭС
Мы работаем с проверенными логистическими партнёрами, что позволяет оперативно доставлять заказы в Беларусь, Казахстан, Армению и другие страны ЕАЭС.
Варианты оплаты:
Минимальная сумма заказа и скидки:
Документы и гарантии:
Да, конечно! Наши технические специалисты готовы помочь вам с подбором точного аналога или замены подшипника. Просто позвоните нам по телефону +7 (495) 104-99-04 или напишите на почту zakaz@podsnab.ru.
Для оперативной консультации подготовьте, пожалуйста, имеющиеся данные: маркировку, размеры, тип оборудования или артикул старого подшипника.
Да, конечно! Мы высоко ценим долгосрочное сотрудничество и доверие клиентов по всей России. Для постоянных клиентов действует персональная система скидок.
Условия формируются индивидуально и зависят от:
Чтобы узнать свои условия и получить максимально выгодное предложение, свяжитесь с персональным менеджером или напишите нам на почту zakaz@podsnab.ru.
Вы можете оформить заказ несколькими способами:
Для оформления заказа от юридического лица свяжитесь с нашим отделом по работе с корпоративными клиентами по телефону +7 (495) 104-99-04 или напишите на email zakaz@podsnab.ru, прикрепив реквизиты вашей организации.
Мы оперативно подготовим коммерческое предложение и выставим счет.
Возврат товара надлежащего качества возможен в течение 10 дней с момента получения, если товар не был в употреблении, сохранен товарный вид, упаковка не вскрывалась и присутствуют все сопроводительные документы.
Возврат денежных средств осуществляется в течение 10 рабочих дней после проверки товара складом.
В соответствии с законодательством возврату не подлежат подшипники надлежащего качества, если отсутствует оригинальная упаковка или имеются следы монтажа.
В случае выявления брака или гарантийного случая мы гарантируем возврат или обмен товара.
Да, гарантийный срок хранения устанавливается заводом-изготовителем и в среднем составляет 2 года при соблюдении условий хранения: сухое помещение, оригинальная упаковка и смазка.
Точный срок для конкретного типа подшипника уточняйте у наших менеджеров.
Пн–Пт: с 8:00 до 17:00 (МСК).
Сб–Вс: выходные дни.
Заказы на сайте принимаются круглосуточно. Заявки, поступившие после окончания рабочего дня, обрабатываются на следующий рабочий день.
Минимальная сумма заказа для доставки составляет 3000 рублей. Самовывоз со склада возможен на любую сумму при наличии товара.
ООО «УралТехГрупп»
ИНН: 7415093830
КПП: 772401001
ОГРН: 1167456069021
Банк: ПАО Сбербанк
Р/с: 40702810838000475273
К/с: 30101810400000000225
БИК: 044525225
У подшипника BSB025062-2RS-T пока нет отзывов. Вы можете стать первым покупателем, поделившимся своим мнением.