Поиск подшипника
Статьи
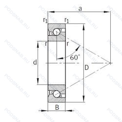
BSB045075-T — Шариковый радиально-упорный подшипник однонаправленный, модификация основного исполнения BSB045075, производство FAG.
Размер подшипника: 45x75x15 мм.
Полиамидный сепаратор.
Альтернативное обозначение: 45TAC75DB, BSD4575DB, MM45BS75DUH.
Международная стандартизации ISO
BSB045075T
В наличии
| Обозначение | Конструктивные изменения |
|---|---|
| BSB045075DUHP3 | Дуплексная пара подшипников. Высокий преднатяг. Класс точности ниже. чем P2. но выше. чем P4. |
| BSB045075DUMP3 | Duplex Pairs Of Bearing. Medium Preload. Класс точности ниже. чем P2. но выше. чем P4. |
Модификации шарикового подшипника BSB045075-T — это измененное основное конструктивное исполнение BSB045075, основные размеры (45x75x15) не отличаются.
| Обозначение | Гост | Конструктивные особенности |
|---|---|---|
| MM45BS75DH | ISO | Шариковый радиально-упорный подшипник однонаправленный. |
| 45TAC75BS | ISO | Запечатанная версия кулачкового ролика. |
| BST45X75-1BP4 | ISO | Класс точности Р4 по ISO (точнее. чем P5) - Abec.7. Identification Code. Обозначает длину в миллиметрах. |
| 45TAC75B | ISO | High Capacity & Higher Speed (Replaces “A” Type). |
| MM45BS75SH | ISO | Шариковый радиально-упорный подшипник однонаправленный. |
| BS45M75P2H | ISO | Подшипник с чрезвычайно высокой точностью вращения (Abec9) и допуском формы (Abec7). |
| 45TAC75CSUHPN7C | ISO | 60° Угол контакта. Одиночный универсальный подшипник. Большой преднатяг. Стандартная точность NSK Класс точности 7C (эквивалентно осевому биению Класс 2). |
Аналог шарикового подшипника BSB045075-T — это подшипник такого же размера dx45,Dx75,Bx15, типа и конструкции.
| Обозначение | Конструктивные особенности | Внутренний (d) | Наружный (D) | Ширина (B) |
|---|---|---|---|---|
| 46109-Е5 | Шариковый радиально-упорный однорядный подшипник. Сепаратор из текстолита.. | 45.00 | 75.00 | 16.00 |
| 46109-Л | Шариковый радиально-упорный однорядный подшипник. Сепаратор из латуни.. | 45.00 | 75.00 | 16.00 |
| 46109E5 | Шариковый радиально-упорный однорядный подшипник. Смазочные отверстия и канавки во внутреннем кольце. | 45.00 | 75.00 | 16.00 |
| 46109К | Шариковый радиально-упорный однорядный подшипник. «Замок» (скос) на внутреннем кольце плюс массивный сепаратор из текстолита. | 45.00 | 75.00 | 16.00 |
| 5-36109 К | Шариковый радиально-упорный однорядный подшипник. «Замок» (скос) на внутреннем кольце плюс массивный сепаратор из текстолита. | 45.00 | 75.00 | 16.00 |
| 5-46109 Е | Шариковый радиально-упорный однорядный подшипник. Сепаратор из текстолита.. | 45.00 | 75.00 | 16.00 |
| 5-46109 Е2 | Шариковый радиально-упорный однорядный подшипник. Сепаратор из пластических материалов.. | 45.00 | 75.00 | 16.00 |
| 5-46109 Е5 | Шариковый радиально-упорный однорядный подшипник. Сепаратор из текстолита.. | 45.00 | 75.00 | 16.00 |
| 5-46109 ЕУ | Шариковый радиально-упорный однорядный подшипник. Сепаратор из текстолита.. Дополнительные технические требования. | 45.00 | 75.00 | 16.00 |
| 5-46109 К | Шариковый радиально-упорный однорядный подшипник. «Замок» (скос) на внутреннем кольце плюс массивный сепаратор из текстолита. | 45.00 | 75.00 | 16.00 |
| 50109-А | Шариковый радиальный однорядный подшипник. Повышенная грузоподъемность. | 45.00 | 75.00 | 16.00 |
| 56-32109 Б1Т2 | Роликовый радиальный однорядный подшипник. 200°. Температура отпуска. Сепаратор из безоловянистой бронзы.. | 45.00 | 75.00 | 16.00 |
| 6-109 БТ2 | Шариковый радиальный однорядный подшипник. 200°. Температура отпуска. Сепаратор из безоловянистой бронзы.. | 45.00 | 75.00 | 16.00 |
| 6-109 Ю | Шариковый радиальный однорядный подшипник. Все детали или часть деталей из нержавеющей стали.. | 45.00 | 75.00 | 16.00 |
| 6-180109 С17 | Шариковый радиальный однорядный подшипник. Смазка Литол-24. | 45.00 | 75.00 | 16.00 |
Способы доставки
Отправка через ведущие транспортные и курьерские компании: ПЭК, Деловые Линии, СДЭК, Байкал-Сервис, Энергия, КИТ, ЖелДорЭкспедиция.
Самовывоз возможен напрямую со склада в Москве.
Сроки доставки
Срок зависит от региона и выбранной транспортной компании. Все заказы комплектуются и отправляются в кратчайшие сроки со склада в Москве.
Надёжность и сохранность
Вся продукция упаковывается с учётом требований транспортировки. Мы гарантируем, что подшипники и комплектующие прибудут к заказчику в полной сохранности.
Доставка в страны ЕАЭС
Мы работаем с проверенными логистическими партнёрами, что позволяет оперативно доставлять заказы в Беларусь, Казахстан, Армению и другие страны ЕАЭС.
Варианты оплаты:
Минимальная сумма заказа и скидки:
Документы и гарантии:
Да, конечно! Наши технические специалисты готовы помочь вам с подбором точного аналога или замены подшипника. Просто позвоните нам по телефону +7 (495) 104-99-04 или напишите на почту zakaz@podsnab.ru.
Для оперативной консультации подготовьте, пожалуйста, имеющиеся данные: маркировку, размеры, тип оборудования или артикул старого подшипника.
Да, конечно! Мы высоко ценим долгосрочное сотрудничество и доверие клиентов по всей России. Для постоянных клиентов действует персональная система скидок.
Условия формируются индивидуально и зависят от:
Чтобы узнать свои условия и получить максимально выгодное предложение, свяжитесь с персональным менеджером или напишите нам на почту zakaz@podsnab.ru.
Вы можете оформить заказ несколькими способами:
Для оформления заказа от юридического лица свяжитесь с нашим отделом по работе с корпоративными клиентами по телефону +7 (495) 104-99-04 или напишите на email zakaz@podsnab.ru, прикрепив реквизиты вашей организации.
Мы оперативно подготовим коммерческое предложение и выставим счет.
Возврат товара надлежащего качества возможен в течение 10 дней с момента получения, если товар не был в употреблении, сохранен товарный вид, упаковка не вскрывалась и присутствуют все сопроводительные документы.
Возврат денежных средств осуществляется в течение 10 рабочих дней после проверки товара складом.
В соответствии с законодательством возврату не подлежат подшипники надлежащего качества, если отсутствует оригинальная упаковка или имеются следы монтажа.
В случае выявления брака или гарантийного случая мы гарантируем возврат или обмен товара.
Да, гарантийный срок хранения устанавливается заводом-изготовителем и в среднем составляет 2 года при соблюдении условий хранения: сухое помещение, оригинальная упаковка и смазка.
Точный срок для конкретного типа подшипника уточняйте у наших менеджеров.
Пн–Пт: с 8:00 до 17:00 (МСК).
Сб–Вс: выходные дни.
Заказы на сайте принимаются круглосуточно. Заявки, поступившие после окончания рабочего дня, обрабатываются на следующий рабочий день.
Минимальная сумма заказа для доставки составляет 3000 рублей. Самовывоз со склада возможен на любую сумму при наличии товара.
ООО «УралТехГрупп»
ИНН: 7415093830
КПП: 772401001
ОГРН: 1167456069021
Банк: ПАО Сбербанк
Р/с: 40702810838000475273
К/с: 30101810400000000225
БИК: 044525225
У подшипника BSB045075-T пока нет отзывов. Вы можете стать первым покупателем, поделившимся своим мнением.