Поиск подшипника
Статьи
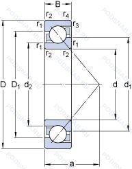
7072 BGM — Шариковый радиально-упорный подшипник, модификация основного исполнения 7072, производство SKF.
Размер подшипника: 360x540x82 мм.
Международная стандартизации ISO
7072BGM
В наличии
| Обозначение | Конструктивные изменения |
|---|---|
| 7072-MP-N10BA-A150-200 | Механически обработанный латунный сепаратор оконного типа. Осевой зазор в мкм. Angular Contact Ball Bearing Matched In Pairs In O-Arrangement. |
| 7072-MP-P5 | Размерная и рабочая точность соответствует классу допуска ISO 5. Механически обработанный латунный сепаратор оконного типа. |
| 7072-MP-N10BA-A150-20 | Distance Between Beginning Of The Rail And First Hole In MM. Механически обработанный латунный сепаратор оконного типа. Angular Contact Ball Bearing Matched In Pairs In O-Arrangement. |
| 7072-MP-UA | Механически обработанный латунный сепаратор оконного типа. Универсальный монтаж. В конфигурациях O и X пара подшипников имеет малый осевой зазор. |
| 7072-B-MP-UA | 40° Угол контакта. Механически обработанный латунный сепаратор оконного типа. Универсальный монтаж. В конфигурациях O и X пара подшипников имеет малый осевой зазор. |
| 7072 AGM | Измененная или модифицированная внутренняя конструкция при неизменных основных размерах. |
| 7072 A-UX | Двухрядный радиально-упорный шарикоподшипник без отверстия для смазки. Универсальный монтаж, сверхлегкая предварительная нагрузка.. |
| 7072 B-UD | Конический роликовый подшипник. Угол контакта 20 градусов. |
| 7072 A-UD | Двухрядный радиально-упорный шарикоподшипник без отверстия для смазки. |
| 7072 A-UO | Двухрядный радиально-упорный шарикоподшипник без отверстия для смазки. Универсальный монтаж. Для установки по O- и X- образной схеме - беззазорные.. |
| 7072 B-UO | Конический роликовый подшипник. Угол контакта 20 градусов. Универсальный монтаж. Для установки по O- и X- образной схеме - беззазорные.. |
| 7072 B-UX | Конический роликовый подшипник. Угол контакта 20 градусов. Универсальный монтаж, сверхлегкая предварительная нагрузка.. |
| 7072 ADB | Modified Snap Ring Grooves In The Outer Ring_ Two-Piece Inner Ring Held Together By A Retaining Ring. |
| 7072 ADF | Механически обработанный сепаратор из стали или специального чугуна. |
| 7072 BDF | Механически обработанный сепаратор из стали или специального чугуна. |
| 7072 ADT | Механически обработанный сепаратор из текстолита. |
| 7072 BDT | Механически обработанный сепаратор из текстолита. |
| 7072 BDB | Шариковый радиально-упорный подшипник. |
| 7072A | Двухрядный радиально-упорный шарикоподшипник без отверстия для смазки. |
| 7072B | Угол контакта 40 градусов. |
| 7072 | Шариковый радиально-упорный подшипник. Основное конструктивное исполнение. |
Модификации шарикового подшипника 7072 BGM — это измененное основное конструктивное исполнение 7072, основные размеры (360x540x82) не отличаются.
| Обозначение | Гост | Конструктивные особенности |
|---|---|---|
| QJ 1072 N2MA | ISO | Измененная или модифицированная внутренняя конструкция при неизменных основных размерах. Шариковый подшипник с четырехточечным контактом. |
Аналог шарикового подшипника 7072 BGM — это подшипник такого же размера dx360,Dx540,Bx82, типа и конструкции.
| Обозначение | Конструктивные особенности | Внутренний (d) | Наружный (D) | Ширина (B) |
|---|---|---|---|---|
| NUP1072 | Роликовый радиальный однорядный подшипник. Сталь сквозной закалки SUJ2 (японская) и взаимозаменяемость (только для метрических серий). Канавка под стопорное кольцо на наружном кольце подшипника. Точность размеров примерно соответствует классу точности Р4. Однорядный цилиндрический роликовый подшипник. Наружное кольцо имеет два борта. | 360.00 | 540.00 | 82.00 |
| NU1072-M6+HJ1072 | Роликовый радиальный однорядный подшипник. 20-28 UM (C3 & C4). | 360.00 | 540.00 | 82.00 |
| NU1072-MA6+HJ1072 | Роликовый радиальный однорядный подшипник. Изготовленный из двух частей латунный сепаратор. Центрирование по внешнему кольцу. Различные конструкции или сорта материалов обозначаются цифрой или буквой.. | 360.00 | 540.00 | 82.00 |
| NU1072-M6 | Роликовый радиальный однорядный подшипник. 20-28 UM (C3 & C4). | 360.00 | 540.00 | 82.00 |
| NU1072-M6E-MA6 | Роликовый радиальный однорядный подшипник. Изготовленный из двух частей латунный сепаратор. Центрирование по внешнему кольцу. Различные конструкции или сорта материалов обозначаются цифрой или буквой.. | 360.00 | 540.00 | 82.00 |
| QJ1072 | Шариковый радиально-упорный однорядный подшипник. Штампованный сепаратор из стального листа. Шариковый подшипник с четырех-точечным контактом. | 360.00 | 540.00 | 82.00 |
| AC725482B | Шариковый радиально-упорный однорядный подшипник. Угол контакта 40 градусов. | 360.00 | 539.50 | 82.00 |
| 146172-Г | Шариковый радиально-упорный однорядный подшипник. Сепаратор из черных металлов.. | 360.00 | 540.00 | 82.00 |
| 76-172 Л | Шариковый радиальный однорядный подшипник. Сепаратор из латуни.. | 360.00 | 540.00 | 82.00 |
| 70-172 Л | Шариковый радиальный однорядный подшипник. Сепаратор из латуни.. | 360.00 | 540.00 | 82.00 |
| 7172М | Роликовый радиальный-упорный однорядный подшипник. Модифицированный контакт.. | 360.00 | 540.00 | 82.00 |
| 172-Л | Шариковый радиальный однорядный подшипник. Сепаратор из латуни.. | 360.00 | 540.00 | 82.00 |
| 42172-Л | Роликовый радиальный однорядный подшипник. Сепаратор из латуни.. | 360.00 | 540.00 | 82.00 |
| 6-146172 Г | Шариковый радиально-упорный однорядный подшипник. Сепаратор из черных металлов.. | 360.00 | 540.00 | 82.00 |
| 6-172 Л | Шариковый радиальный однорядный подшипник. Сепаратор из латуни.. | 360.00 | 540.00 | 82.00 |
Способы доставки
Отправка через ведущие транспортные и курьерские компании: ПЭК, Деловые Линии, СДЭК, Байкал-Сервис, Энергия, КИТ, ЖелДорЭкспедиция.
Самовывоз возможен напрямую со склада в Москве.
Сроки доставки
Срок зависит от региона и выбранной транспортной компании. Все заказы комплектуются и отправляются в кратчайшие сроки со склада в Москве.
Надёжность и сохранность
Вся продукция упаковывается с учётом требований транспортировки. Мы гарантируем, что подшипники и комплектующие прибудут к заказчику в полной сохранности.
Доставка в страны ЕАЭС
Мы работаем с проверенными логистическими партнёрами, что позволяет оперативно доставлять заказы в Беларусь, Казахстан, Армению и другие страны ЕАЭС.
Варианты оплаты:
Минимальная сумма заказа и скидки:
Документы и гарантии:
Да, конечно! Наши технические специалисты готовы помочь вам с подбором точного аналога или замены подшипника. Просто позвоните нам по телефону +7 (495) 104-99-04 или напишите на почту zakaz@podsnab.ru.
Для оперативной консультации подготовьте, пожалуйста, имеющиеся данные: маркировку, размеры, тип оборудования или артикул старого подшипника.
Да, конечно! Мы высоко ценим долгосрочное сотрудничество и доверие клиентов по всей России. Для постоянных клиентов действует персональная система скидок.
Условия формируются индивидуально и зависят от:
Чтобы узнать свои условия и получить максимально выгодное предложение, свяжитесь с персональным менеджером или напишите нам на почту zakaz@podsnab.ru.
Вы можете оформить заказ несколькими способами:
Для оформления заказа от юридического лица свяжитесь с нашим отделом по работе с корпоративными клиентами по телефону +7 (495) 104-99-04 или напишите на email zakaz@podsnab.ru, прикрепив реквизиты вашей организации.
Мы оперативно подготовим коммерческое предложение и выставим счет.
Возврат товара надлежащего качества возможен в течение 10 дней с момента получения, если товар не был в употреблении, сохранен товарный вид, упаковка не вскрывалась и присутствуют все сопроводительные документы.
Возврат денежных средств осуществляется в течение 10 рабочих дней после проверки товара складом.
В соответствии с законодательством возврату не подлежат подшипники надлежащего качества, если отсутствует оригинальная упаковка или имеются следы монтажа.
В случае выявления брака или гарантийного случая мы гарантируем возврат или обмен товара.
Да, гарантийный срок хранения устанавливается заводом-изготовителем и в среднем составляет 2 года при соблюдении условий хранения: сухое помещение, оригинальная упаковка и смазка.
Точный срок для конкретного типа подшипника уточняйте у наших менеджеров.
Пн–Пт: с 8:00 до 17:00 (МСК).
Сб–Вс: выходные дни.
Заказы на сайте принимаются круглосуточно. Заявки, поступившие после окончания рабочего дня, обрабатываются на следующий рабочий день.
Минимальная сумма заказа для доставки составляет 3000 рублей. Самовывоз со склада возможен на любую сумму при наличии товара.
ООО «УралТехГрупп»
ИНН: 7415093830
КПП: 772401001
ОГРН: 1167456069021
Банк: ПАО Сбербанк
Р/с: 40702810838000475273
К/с: 30101810400000000225
БИК: 044525225
У подшипника 7072 BGM пока нет отзывов. Вы можете стать первым покупателем, поделившимся своим мнением.