Поиск подшипника
Статьи
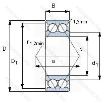
3316 DMA — Шариковый радиально-упорный однорядный подшипник, модификация основного исполнения 3316, производство SKF.
Размер подшипника: 80x170x68 мм.
Измененная или модифицированная внутренняя конструкция при неизменных основных размерах.
Международная стандартизации ISO
3316DMA
В наличии
| Обозначение | Конструктивные изменения |
|---|---|
| 3316A | Измененная или модифицированная внутренняя конструкция при неизменных основных размерах. |
| 3316C3 | Внутренний зазор больше нормального. |
| 3316C.M.L61 | 15° Угол контакта. Твердый латунный сепаратор. Шариковые направляющие. Normal Temperature Grease -10°C/+130°C. Aeroshell Grease No. 5. |
| 3316 | Шариковый радиально-упорный однорядный подшипник. Основное конструктивное исполнение. |
| 3316M | Подшипник с латунным сепаратором. центрированный по телам качения. |
| 3316A/C3 | Внутренний зазор больше нормального. Двухрядный радиально-упорный шарикоподшипник без отверстия для смазки. |
| 3316C.M.C3 | 15° Угол контакта. Внутренний зазор больше нормального. Твердый латунный сепаратор. Шариковые направляющие. |
| 3316C.M | 15° Угол контакта. Твердый латунный сепаратор. Шариковые направляющие. |
| 3316-BD-2HRS-TVH | Формованный полиамидный сепаратор защелкивающегося типа. Манжетные уплотнения с обеих сторон изготовлены из нитрил-бутадиенового каучука. Эти конструкции смазываются на весь срок службы высококачественной смазкой и подходят для умеренных скоростей. Момент трения и тепловыделение ниже, чем при использовании предыдущего уплотнения RSR.. Модифицированная внутренняя конструкция. угол контакта α=30. без отверстия для заполнения. |
| 3316-DA-MA | Механически обработанный латунный сепаратор. Центрирование по внешнему кольцу. Шарикоподшипник двухрядный с разъемным внутренним кольцом. |
| 3316S | Запечатанная версия кулачкового ролика. |
| 3316-BD-XL-TVH-C3 | Внутренний зазор больше нормального. Серия X-Life премиум-класс. увеличиный срок службы. Литой полиамидный сепаратор (PA66). защелкивающийся. Модифицированная внутренняя конструкция. угол контакта α=30. без отверстия для заполнения. |
| 3316E | Подшипник с заправочным пазом для ввода тел качений. |
| 3316S C3 | Прессованный стальной сепаратор. Внутренний зазор больше нормального. |
| 3316ANR | Двухрядный радиально-упорный шарикоподшипник без отверстия для смазки. Канавка под стопорное кольцо на наружном кольце с соответствующим стопорным кольцом. |
| 3316-BD-XL | Серия X-Life премиум-класс. увеличиный срок службы. Модифицированная внутренняя конструкция. угол контакта α=30. без отверстия для заполнения. |
| 3316FY | Обработанный латунный сепаратор. |
| 3316E/C3 | Внутренний зазор больше нормального. Подшипник с заправочным пазом для ввода тел качений. |
| 3316.C4 | Внутренний зазор подшипника больше. чем C3. |
| 3316M C3 | Внутренний зазор больше нормального. Механически обработанный латунный сепаратор .Расположенный на элементах качения. |
| 3316-BD-XL-2HRS-TVH | Серия X-Life премиум-класс. увеличиный срок службы. Формованный полиамидный сепаратор защелкивающегося типа. Манжетные уплотнения с обеих сторон изготовлены из нитрил-бутадиенового каучука. Эти конструкции смазываются на весь срок службы высококачественной смазкой и подходят для умеренных скоростей. Момент трения и тепловыделение ниже, чем при использовании предыдущего уплотнения RSR.. Модифицированная внутренняя конструкция. угол контакта α=30. без отверстия для заполнения. |
| BHA 3316 Z | щит из листовой прессованной стали с одной стороны подшипника. |
| 3316-2RS | Резиновые уплотнения с каждой стороны подшипника. |
| 3316 ZZ | Защитные металлические шайбы (бесконтактные уплотнения) с обеих сторон подшипника. |
| 3316 D | Половина целого игольчатого валика. Применять суффикс 'D' в базовом номере. |
Модификации шарикового подшипника 3316 DMA — это измененное основное конструктивное исполнение 3316, основные размеры (80x170x68) не отличаются.
| Обозначение | Конструктивные особенности | Внутренний (d) | Наружный (D) | Ширина (B) |
|---|---|---|---|---|
| NJ3316 | Роликовый радиальный однорядный подшипник. Штампованный сепаратор из стального листа. Канавка под стопорное кольцо на наружном кольце подшипника. Однорядный цилиндрический роликовый подшипник. Наружное кольцо имеет два борта. | 80.00 | 170.00 | 68.30 |
| NU3316 | Роликовый радиальный однорядный подшипник. Канавка под стопорное кольцо на наружном кольце подшипника. Однорядные цилиндрические роликоподшипники. Наружное кольцо подшипника имеет два борта. | 80.00 | 170.00 | 68.30 |
| NUP3316 | Роликовый радиальный однорядный подшипник. Канавка под стопорное кольцо на наружном кольце подшипника. Точность размеров примерно соответствует классу точности Р4. Однорядный цилиндрический роликовый подшипник. Наружное кольцо имеет два борта. | 80.00 | 170.00 | 68.30 |
| 8416Н | Шариковый упорный однорядный подшипник. Детали из теплостойкой стали. | 80.00 | 170.00 | 68.00 |
| BS2-2316-2RS/VT143 | Роликовый радиальный-упорный подшипник. Резиновые уплотнения с каждой стороны подшипника. Заполнение пластичной смазкой SKF LGEP 2 на 25–35 %. Высокая осевая жесткость и грузоподъемность.. | 80.00 | 170.00 | 67.00 |
| 5316 E | Шариковый радиально-упорный подшипник. Повышенная грузоподъемность. | 80.00 | 170.00 | 68.30 |
| 5316-2RS | Шариковый радиально-упорный подшипник. Резиновые уплотнения с каждой стороны подшипника. | 80.00 | 170.00 | 68.26 |
| 5316ZZ | Шариковый радиально-упорный подшипник. Защитные металлические шайбы с обеих сторон. | 80.00 | 170.00 | 68.26 |
| 76-3056316 Л1Ш1 | Шариковый радиально-упорный двухрядный подшипник. Сепаратор из латуни.. Нормы шумности. | 80.00 | 170.00 | 68.30 |
| 5316W | Шариковый радиально-упорный двухрядный подшипник. Максимальная грузоподъемность. | 80.00 | 170.00 | 68.28 |
| 5316NR | Шариковый радиально-упорный двухрядный подшипник. Канавка под стопорное кольцо на наружном кольце с соответствующим стопорным кольцом. | 80.00 | 170.00 | 68.30 |
| 5316N | Шариковый радиально-упорный двухрядный подшипник. Канавка под стопорное кольцо на внешнем кольце. | 80.00 | 170.00 | 68.30 |
| 63316ZZ | Шариковый радиальный однорядный подшипник. Защитные металлические шайбы (бесконтактные уплотнения) с обеих сторон подшипника. | 80.00 | 170.00 | 68.30 |
| 63316-2RS | Шариковый радиальный однорядный подшипник. Резиновые уплотнения с каждой стороны подшипника. | 80.00 | 170.00 | 68.30 |
| 63316LLU | Шариковый радиальный однорядный подшипник. Контактное резиновое уплотнение с двух сторон. | 80.00 | 170.00 | 68.30 |
Способы доставки
Отправка через ведущие транспортные и курьерские компании: ПЭК, Деловые Линии, СДЭК, Байкал-Сервис, Энергия, КИТ, ЖелДорЭкспедиция.
Самовывоз возможен напрямую со склада в Москве.
Сроки доставки
Срок зависит от региона и выбранной транспортной компании. Все заказы комплектуются и отправляются в кратчайшие сроки со склада в Москве.
Надёжность и сохранность
Вся продукция упаковывается с учётом требований транспортировки. Мы гарантируем, что подшипники и комплектующие прибудут к заказчику в полной сохранности.
Доставка в страны ЕАЭС
Мы работаем с проверенными логистическими партнёрами, что позволяет оперативно доставлять заказы в Беларусь, Казахстан, Армению и другие страны ЕАЭС.
Варианты оплаты:
Минимальная сумма заказа и скидки:
Документы и гарантии:
Да, конечно! Наши технические специалисты готовы помочь вам с подбором точного аналога или замены подшипника. Просто позвоните нам по телефону +7 (495) 104-99-04 или напишите на почту zakaz@podsnab.ru.
Для оперативной консультации подготовьте, пожалуйста, имеющиеся данные: маркировку, размеры, тип оборудования или артикул старого подшипника.
Да, конечно! Мы высоко ценим долгосрочное сотрудничество и доверие клиентов по всей России. Для постоянных клиентов действует персональная система скидок.
Условия формируются индивидуально и зависят от:
Чтобы узнать свои условия и получить максимально выгодное предложение, свяжитесь с персональным менеджером или напишите нам на почту zakaz@podsnab.ru.
Вы можете оформить заказ несколькими способами:
Для оформления заказа от юридического лица свяжитесь с нашим отделом по работе с корпоративными клиентами по телефону +7 (495) 104-99-04 или напишите на email zakaz@podsnab.ru, прикрепив реквизиты вашей организации.
Мы оперативно подготовим коммерческое предложение и выставим счет.
Возврат товара надлежащего качества возможен в течение 10 дней с момента получения, если товар не был в употреблении, сохранен товарный вид, упаковка не вскрывалась и присутствуют все сопроводительные документы.
Возврат денежных средств осуществляется в течение 10 рабочих дней после проверки товара складом.
В соответствии с законодательством возврату не подлежат подшипники надлежащего качества, если отсутствует оригинальная упаковка или имеются следы монтажа.
В случае выявления брака или гарантийного случая мы гарантируем возврат или обмен товара.
Да, гарантийный срок хранения устанавливается заводом-изготовителем и в среднем составляет 2 года при соблюдении условий хранения: сухое помещение, оригинальная упаковка и смазка.
Точный срок для конкретного типа подшипника уточняйте у наших менеджеров.
Пн–Пт: с 8:00 до 17:00 (МСК).
Сб–Вс: выходные дни.
Заказы на сайте принимаются круглосуточно. Заявки, поступившие после окончания рабочего дня, обрабатываются на следующий рабочий день.
Минимальная сумма заказа для доставки составляет 3000 рублей. Самовывоз со склада возможен на любую сумму при наличии товара.
ООО «УралТехГрупп»
ИНН: 7415093830
КПП: 772401001
ОГРН: 1167456069021
Банк: ПАО Сбербанк
Р/с: 40702810838000475273
К/с: 30101810400000000225
БИК: 044525225
У подшипника 3316 DMA пока нет отзывов. Вы можете стать первым покупателем, поделившимся своим мнением.