Поиск подшипника
Статьи
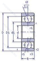
6-46307 ЛШ — Шариковый радиально-упорный однорядный подшипник, модификация основного исполнения 46307, производство ГПЗ.
Размер подшипника: 35x80x21 мм.
Сепаратор из латуни, нормы шумности.
Государственный стандарт ГОСТ
646307ЛШ
В наличии
| Обозначение | Конструктивные изменения |
|---|---|
| 8-46307 Л | Сепаратор из латуни.. |
| 46307-Е5 | Сепаратор из текстолита.. |
| 5-46307 Е5 | Сепаратор из текстолита.. |
| 8-46307 Б | Сепаратор из безоловянистой бронзы.. |
| 46307-АЕ4 | Повышенная грузоподъемность. Сепаратор из пластических материалов.. |
| 6-46307 АЕ4 | Повышенная грузоподъемность. Сепаратор из пластических материалов.. |
| 7-46307-АЛ | Сепаратор из латуни.. Повышенная грузоподъемность. |
| 4-46307-Л | Сепаратор из латуни.. |
| 6-46307 АК | Повышенная грузоподъемность. |
| 6-46307 АЛ | Сепаратор из латуни.. Повышенная грузоподъемность. |
| 6-46307 Б | Сепаратор из безоловянистой бронзы.. |
| 6-46307 Е | Сепаратор из текстолита.. |
| 6-46307 Е5 | Сепаратор из текстолита.. |
| 6-46307 Л | Сепаратор из латуни.. |
| 6-46307 Р1 | Детали из теплоустойчивой (быстрорежущие) стали.. |
| 46307-АЕ1 | Сепаратор из текстолита.. Повышенная грузоподъемность. |
| 46307-АЛ | Сепаратор из латуни.. Повышенная грузоподъемность. |
| 46307-Б | Сепаратор из безоловянистой бронзы.. |
| 46307-Е | Сепаратор из текстолита.. |
| 46307-Л | Сепаратор из латуни.. |
| 46307К | «Замок» (скос) на внутреннем кольце плюс массивный сепаратор из текстолита. |
| 5-46307 АЛ | Сепаратор из латуни.. Повышенная грузоподъемность. |
| 5-46307 АЛШ2 | Сепаратор из латуни.. Нормы шумности. Повышенная грузоподъемность. |
| 5-46307 ЕШ2 | Сепаратор из текстолита.. Нормы шумности. |
| 5-46307 Л | Сепаратор из латуни.. |
Модификации шарикового подшипника 6-46307 ЛШ — это измененное основное конструктивное исполнение 46307, основные размеры (35x80x21) не отличаются.
| Обозначение | Гост | Конструктивные особенности |
|---|---|---|
| 5-66307 А1ЛШ2 | ГОСТ | Сепаратор из латуни.. Нормы шумности. Повышенная грузоподъемность. |
| 6-66307 А1Е3Ш1 | ГОСТ | Повышенная грузоподъемность. Сепаратор из пластических материалов.. Нормы шумности. |
| 6-66307 А1ЛШ1 | ГОСТ | Сепаратор из латуни.. Повышенная грузоподъемность. Нормы шумности. |
| 6-66307 А1ЛШ | ГОСТ | Сепаратор из латуни.. Повышенная грузоподъемность. Нормы шумности. |
| QJ 307 N2MA | ISO | Измененная или модифицированная внутренняя конструкция при неизменных основных размерах. Шариковый подшипник с четырехточечным контактом. |
| 7307B-2RS | ISO | Резиновые уплотнения с каждой стороны подшипника. Конический роликовый подшипник. Угол контакта 20 градусов. |
| S7307B | ISO | Конический роликовый подшипник. Угол контакта 20 градусов. |
| 7307AC | ISO | Суффикс для радиально-упорного шарикоподшипника. |
| QJ 307 N2 M | ISO | Подшипник с латунным сепаратором. центрированный по телам качения. Два установочных паза (выемки), расположенных под углом 180° друг от друга в одной боковой поверхности наружного кольца или шайбе корпуса.. |
| 6307BI | ISO | Угол контакта 40 градусов. |
| 7307-BE-TVP | ISO | Molded Snap-Type Cage Of Glass Fibre Reinforced Polyamide. Rolling Element Riding. Single Row Angular Contact Ball Bearing With A 40° Угол контакта And Optimized Internal Design. |
| 7307-BE-MP | ISO | Single Row Angular Contact Ball Bearing With A 40° Угол контакта And Optimized Internal Design. Массивный латунный сепаратор. центрированный по телам качения. |
| 7307BEA | ISO | 40° Угол контакта. High Capacity. All Four Corners Equal. |
| 26307К | ГОСТ | «Замок» (скос) на внутреннем кольце плюс массивный сепаратор из текстолита. |
| 326307-Е8 | ГОСТ | Сепаратор из пластических материалов.. |
| 36307К | ГОСТ | «Замок» (скос) на внутреннем кольце плюс массивный сепаратор из текстолита. |
| 66307-АЛ1 | ГОСТ | Сепаратор из латуни.. Повышенная грузоподъемность. |
| 66307К | ГОСТ | «Замок» (скос) на внутреннем кольце плюс массивный сепаратор из текстолита. |
| 45-176307 ЕШ2 | ГОСТ | Сепаратор из текстолита.. Нормы шумности. |
| 6-176307 Л | ГОСТ | Сепаратор из латуни.. |
Аналог шарикового подшипника 6-46307 ЛШ — это подшипник такого же размера dx35,Dx80,Bx21, типа и конструкции.
| Обозначение | Конструктивные особенности | Внутренний (d) | Наружный (D) | Ширина (B) |
|---|---|---|---|---|
| NU 307 ECPH | Роликовый радиальный однорядный подшипник. Однорядный цилиндрический роликовый подшипник. | 35.00 | 80.00 | 21.00 |
| BS 335/S 7P62U | Шариковый упорный однорядный подшипник. Запечатанная версия кулачкового ролика. | 35.00 | 80.00 | 21.00 |
| NJ 307 ECPH | Роликовый радиальный однорядный подшипник. Однорядный цилиндрический роликовый подшипник. | 35.00 | 80.00 | 21.00 |
| 42307-КМ | Роликовый радиальный однорядный подшипник. Кольцевая проточка на середине цилиндрической наружной поверхности наружного кольца плюс три отверстия для смазки. Модифицированный контакт.. | 35.00 | 80.00 | 21.00 |
| 42307-Л | Роликовый радиальный однорядный подшипник. Сепаратор из латуни.. | 35.00 | 80.00 | 21.00 |
| 42307-ЛМ | Роликовый радиальный однорядный подшипник. Сепаратор из латуни.. Модифицированный контакт.. | 35.00 | 80.00 | 21.00 |
| 42307KM | Роликовый радиальный однорядный подшипник. Type Of Model. | 35.00 | 80.00 | 21.00 |
| 42307M | Роликовый радиальный однорядный подшипник. Подшипник с латунным сепаратором. центрированный по телам качения. | 35.00 | 80.00 | 21.00 |
| 42307ЛM | Роликовый радиальный однорядный подшипник. Подшипник с латунным сепаратором. центрированный по телам качения. Сепаратор из латуни.. | 35.00 | 80.00 | 21.00 |
| 50307-А | Шариковый радиальный однорядный подшипник. Повышенная грузоподъемность. | 35.00 | 80.00 | 21.00 |
| 50307-А1 | Шариковый радиальный однорядный подшипник. Повышенная грузоподъемность. | 35.00 | 80.00 | 21.00 |
| 50307-АК | Шариковый радиальный однорядный подшипник. Повышенная грузоподъемность. | 35.00 | 80.00 | 21.00 |
| 50307-АКШ | Шариковый радиальный однорядный подшипник. Повышенная грузоподъемность. Нормы шумности. | 35.00 | 80.00 | 21.00 |
| 6-180307 АКС9 | Шариковый радиальный однорядный подшипник. Повышенная грузоподъемность. Смазка ЛЗ-31. | 35.00 | 80.00 | 21.00 |
| 6-180307 Ш | Шариковый радиальный однорядный подшипник. Нормы шумности. | 35.00 | 80.00 | 21.00 |
Способы доставки
Отправка через ведущие транспортные и курьерские компании: ПЭК, Деловые Линии, СДЭК, Байкал-Сервис, Энергия, КИТ, ЖелДорЭкспедиция.
Самовывоз возможен напрямую со склада в Москве.
Сроки доставки
Срок зависит от региона и выбранной транспортной компании. Все заказы комплектуются и отправляются в кратчайшие сроки со склада в Москве.
Надёжность и сохранность
Вся продукция упаковывается с учётом требований транспортировки. Мы гарантируем, что подшипники и комплектующие прибудут к заказчику в полной сохранности.
Доставка в страны ЕАЭС
Мы работаем с проверенными логистическими партнёрами, что позволяет оперативно доставлять заказы в Беларусь, Казахстан, Армению и другие страны ЕАЭС.
Варианты оплаты:
Минимальная сумма заказа и скидки:
Документы и гарантии:
Да, конечно! Наши технические специалисты готовы помочь вам с подбором точного аналога или замены подшипника. Просто позвоните нам по телефону +7 (495) 104-99-04 или напишите на почту zakaz@podsnab.ru.
Для оперативной консультации подготовьте, пожалуйста, имеющиеся данные: маркировку, размеры, тип оборудования или артикул старого подшипника.
Да, конечно! Мы высоко ценим долгосрочное сотрудничество и доверие клиентов по всей России. Для постоянных клиентов действует персональная система скидок.
Условия формируются индивидуально и зависят от:
Чтобы узнать свои условия и получить максимально выгодное предложение, свяжитесь с персональным менеджером или напишите нам на почту zakaz@podsnab.ru.
Вы можете оформить заказ несколькими способами:
Для оформления заказа от юридического лица свяжитесь с нашим отделом по работе с корпоративными клиентами по телефону +7 (495) 104-99-04 или напишите на email zakaz@podsnab.ru, прикрепив реквизиты вашей организации.
Мы оперативно подготовим коммерческое предложение и выставим счет.
Возврат товара надлежащего качества возможен в течение 10 дней с момента получения, если товар не был в употреблении, сохранен товарный вид, упаковка не вскрывалась и присутствуют все сопроводительные документы.
Возврат денежных средств осуществляется в течение 10 рабочих дней после проверки товара складом.
В соответствии с законодательством возврату не подлежат подшипники надлежащего качества, если отсутствует оригинальная упаковка или имеются следы монтажа.
В случае выявления брака или гарантийного случая мы гарантируем возврат или обмен товара.
Да, гарантийный срок хранения устанавливается заводом-изготовителем и в среднем составляет 2 года при соблюдении условий хранения: сухое помещение, оригинальная упаковка и смазка.
Точный срок для конкретного типа подшипника уточняйте у наших менеджеров.
Пн–Пт: с 8:00 до 17:00 (МСК).
Сб–Вс: выходные дни.
Заказы на сайте принимаются круглосуточно. Заявки, поступившие после окончания рабочего дня, обрабатываются на следующий рабочий день.
Минимальная сумма заказа для доставки составляет 3000 рублей. Самовывоз со склада возможен на любую сумму при наличии товара.
ООО «УралТехГрупп»
ИНН: 7415093830
КПП: 772401001
ОГРН: 1167456069021
Банк: ПАО Сбербанк
Р/с: 40702810838000475273
К/с: 30101810400000000225
БИК: 044525225
У подшипника 6-46307 ЛШ пока нет отзывов. Вы можете стать первым покупателем, поделившимся своим мнением.