Поиск подшипника
Статьи
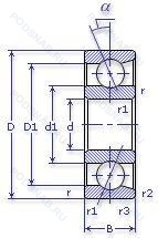
6-66315 А1ЕШ — Шариковый радиально-упорный однорядный подшипник, модификация основного исполнения 66315, производство ГПЗ.
Размер подшипника: 75x160x37 мм.
Сепаратор из текстолита, повышенная грузоподъемность, нормы шумности.
Государственный стандарт ГОСТ
666315А1ЕШ
В наличии
| Обозначение | Конструктивные изменения |
|---|---|
| 6-66315 А1ЕШ1 | Сепаратор из текстолита.. Повышенная грузоподъемность. Нормы шумности. |
| 6-66315 А1ЛШ1 | Сепаратор из латуни.. Повышенная грузоподъемность. Нормы шумности. |
| 6-66315 А1ЛШ | Сепаратор из латуни.. Повышенная грузоподъемность. Нормы шумности. |
| 66315-А1Е | Сепаратор из текстолита.. Повышенная грузоподъемность. |
| 66315-А1Л | Сепаратор из латуни.. Повышенная грузоподъемность. |
| 66315 | Шариковый радиально-упорный однорядный подшипник. Основное конструктивное исполнение. |
| 2В0-66315 Л | Сепаратор из латуни.. |
| 66315-АЕ2 | Повышенная грузоподъемность. Сепаратор из пластических материалов.. |
| 66315-АЛ1 | Сепаратор из латуни.. Повышенная грузоподъемность. |
| 66315-Л | Сепаратор из латуни.. |
| 66315К | «Замок» (скос) на внутреннем кольце плюс массивный сепаратор из текстолита. |
Модификации шарикового подшипника 6-66315 А1ЕШ — это измененное основное конструктивное исполнение 66315, основные размеры (75x160x37) не отличаются.
| Обозначение | Гост | Конструктивные особенности |
|---|---|---|
| 7315BBG | ISO | Универсальный подшипник. |
| 7315WN | ISO | Sizes 7201K Through 7203WN Have A 20° Угол контакта And A Nylon Cage. Sizes 7204WN through 7218WN have a 40° Угол контакта And A One-Piece. Ball Piloted. Pressed Brass Cage. Larger Sizes 7219WN Through 7230WN Have A 40° Угол контакта And A One-Piece. Outer Ring Piloted High-Strength Machined Bronze Cage. |
| 7603075-TVP | ISO | Твердая клетка из полиамида. |
| 7315C | ISO | Угол контакта 15°. |
| 7315AC | ISO | Суффикс для радиально-упорного шарикоподшипника. |
| QJ 315 | ISO | Штампованный сепаратор из стального листа. Шариковый подшипник с четырех-точечным контактом. |
| QJ 315 N2 M | ISO | Подшипник с латунным сепаратором. центрированный по телам качения. Два установочных паза (выемки), расположенных под углом 180° друг от друга в одной боковой поверхности наружного кольца или шайбе корпуса.. |
| 6315BI | ISO | Угол контакта 40 градусов. |
| 7315-BECB-MP | ISO | Массивный латунный сепаратор. центрированный по телам качения. |
| 7315-BE-J | ISO | Дорожки качения наружного кольца. угол контакта и ширина наружного кольца в соответствии с ISO. Single Row Angular Contact Ball Bearing With A 40° Угол контакта And Optimized Internal Design. |
| 7315-BE-MP | ISO | Single Row Angular Contact Ball Bearing With A 40° Угол контакта And Optimized Internal Design. Массивный латунный сепаратор. центрированный по телам качения. |
| 7315BEA | ISO | 40° Угол контакта. High Capacity. All Four Corners Equal. |
| 26315-Л | ГОСТ | Сепаратор из латуни.. |
| 26315К | ГОСТ | «Замок» (скос) на внутреннем кольце плюс массивный сепаратор из текстолита. |
| 2В0-26315 Л | ГОСТ | Сепаратор из латуни.. |
| 36315К | ГОСТ | «Замок» (скос) на внутреннем кольце плюс массивный сепаратор из текстолита. |
| 6-46315 Е | ГОСТ | Сепаратор из текстолита.. |
| 46315-E | ГОСТ | Повышенная грузоподъемность. |
| 46315-Л | ГОСТ | Сепаратор из латуни.. |
| 46315К | ГОСТ | «Замок» (скос) на внутреннем кольце плюс массивный сепаратор из текстолита. |
Аналог шарикового подшипника 6-66315 А1ЕШ — это подшипник такого же размера dx75,Dx160,Bx37, типа и конструкции.
| Обозначение | Конструктивные особенности | Внутренний (d) | Наружный (D) | Ширина (B) |
|---|---|---|---|---|
| 315-АЕ1 | Шариковый радиальный однорядный подшипник. Сепаратор из текстолита.. Повышенная грузоподъемность. | 75.00 | 160.00 | 37.00 |
| 315-Е | Шариковый радиальный однорядный подшипник. Сепаратор из текстолита.. | 75.00 | 160.00 | 37.00 |
| 315-К5 | Шариковый радиальный однорядный подшипник. Повышенная грузоподъемность. | 75.00 | 160.00 | 37.00 |
| 315-Ш | Шариковый радиальный однорядный подшипник. Нормы шумности. | 75.00 | 160.00 | 37.00 |
| 315-Ш1 | Шариковый радиальный однорядный подшипник. Нормы шумности. | 75.00 | 160.00 | 37.00 |
| 315-Ш2У | Шариковый радиальный однорядный подшипник. Дополнительные технические требования. Нормы шумности. | 75.00 | 160.00 | 37.00 |
| 1315 K + H 315 | Шариковый сферический двухрядный подшипник. Коническое внутреннее отверстие. Pressed Snap-Type Steel Cage. Hardened. 75mm. | 75.00 | 160.00 | 37.00 |
| 42315-К1М | Роликовый радиальный однорядный подшипник. Кольцевая проточка на середине цилиндрической наружной поверхности наружного кольца плюс три отверстия для смазки. Модифицированный контакт.. | 75.00 | 160.00 | 37.00 |
| 42315-К3М | Роликовый радиальный однорядный подшипник. Кольцевая проточка на середине цилиндрической наружной поверхности наружного кольца плюс три отверстия для смазки. Модифицированный контакт.. | 75.00 | 160.00 | 37.00 |
| 42315-КМ | Роликовый радиальный однорядный подшипник. Кольцевая проточка на середине цилиндрической наружной поверхности наружного кольца плюс три отверстия для смазки. Модифицированный контакт.. | 75.00 | 160.00 | 37.00 |
| 42315-Л | Роликовый радиальный однорядный подшипник. Сепаратор из латуни.. | 75.00 | 160.00 | 37.00 |
| 42315-ЛМ | Роликовый радиальный однорядный подшипник. Сепаратор из латуни.. Модифицированный контакт.. | 75.00 | 160.00 | 37.00 |
| 42315-М | Роликовый радиальный однорядный подшипник. Модифицированный контакт.. | 75.00 | 160.00 | 37.00 |
| 42315KM | Роликовый радиальный однорядный подшипник. Type Of Model. | 75.00 | 160.00 | 37.00 |
| 50315-А | Шариковый радиальный однорядный подшипник. Повышенная грузоподъемность. | 75.00 | 160.00 | 37.00 |
Способы доставки
Отправка через ведущие транспортные и курьерские компании: ПЭК, Деловые Линии, СДЭК, Байкал-Сервис, Энергия, КИТ, ЖелДорЭкспедиция.
Самовывоз возможен напрямую со склада в Москве.
Сроки доставки
Срок зависит от региона и выбранной транспортной компании. Все заказы комплектуются и отправляются в кратчайшие сроки со склада в Москве.
Надёжность и сохранность
Вся продукция упаковывается с учётом требований транспортировки. Мы гарантируем, что подшипники и комплектующие прибудут к заказчику в полной сохранности.
Доставка в страны ЕАЭС
Мы работаем с проверенными логистическими партнёрами, что позволяет оперативно доставлять заказы в Беларусь, Казахстан, Армению и другие страны ЕАЭС.
Варианты оплаты:
Минимальная сумма заказа и скидки:
Документы и гарантии:
Да, конечно! Наши технические специалисты готовы помочь вам с подбором точного аналога или замены подшипника. Просто позвоните нам по телефону +7 (495) 104-99-04 или напишите на почту zakaz@podsnab.ru.
Для оперативной консультации подготовьте, пожалуйста, имеющиеся данные: маркировку, размеры, тип оборудования или артикул старого подшипника.
Да, конечно! Мы высоко ценим долгосрочное сотрудничество и доверие клиентов по всей России. Для постоянных клиентов действует персональная система скидок.
Условия формируются индивидуально и зависят от:
Чтобы узнать свои условия и получить максимально выгодное предложение, свяжитесь с персональным менеджером или напишите нам на почту zakaz@podsnab.ru.
Вы можете оформить заказ несколькими способами:
Для оформления заказа от юридического лица свяжитесь с нашим отделом по работе с корпоративными клиентами по телефону +7 (495) 104-99-04 или напишите на email zakaz@podsnab.ru, прикрепив реквизиты вашей организации.
Мы оперативно подготовим коммерческое предложение и выставим счет.
Возврат товара надлежащего качества возможен в течение 10 дней с момента получения, если товар не был в употреблении, сохранен товарный вид, упаковка не вскрывалась и присутствуют все сопроводительные документы.
Возврат денежных средств осуществляется в течение 10 рабочих дней после проверки товара складом.
В соответствии с законодательством возврату не подлежат подшипники надлежащего качества, если отсутствует оригинальная упаковка или имеются следы монтажа.
В случае выявления брака или гарантийного случая мы гарантируем возврат или обмен товара.
Да, гарантийный срок хранения устанавливается заводом-изготовителем и в среднем составляет 2 года при соблюдении условий хранения: сухое помещение, оригинальная упаковка и смазка.
Точный срок для конкретного типа подшипника уточняйте у наших менеджеров.
Пн–Пт: с 8:00 до 17:00 (МСК).
Сб–Вс: выходные дни.
Заказы на сайте принимаются круглосуточно. Заявки, поступившие после окончания рабочего дня, обрабатываются на следующий рабочий день.
Минимальная сумма заказа для доставки составляет 3000 рублей. Самовывоз со склада возможен на любую сумму при наличии товара.
ООО «УралТехГрупп»
ИНН: 7415093830
КПП: 772401001
ОГРН: 1167456069021
Банк: ПАО Сбербанк
Р/с: 40702810838000475273
К/с: 30101810400000000225
БИК: 044525225
У подшипника 6-66315 А1ЕШ пока нет отзывов. Вы можете стать первым покупателем, поделившимся своим мнением.