Поиск подшипника
Статьи
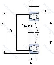
71917 CD/HCP4A — Шариковый радиально-упорный однорядный подшипник, модификация основного исполнения 71917, производство SKF.
Размер подшипника: 85x120x18 мм.
Двухкомпонентный штампованный стальной сепаратор с направляющим кольцом, измененная или модифицированная внутренняя конструкция при неизменных основных размерах.
Международная стандартизации ISO
71917CDHCP4A
В наличии
| Обозначение | Конструктивные изменения |
|---|---|
| 71917 CB/HCP4AL | Измененная или модифицированная внутренняя конструкция при неизменных основных размерах. Подшипник для универсального монтажа. Два подшипника. установленные по О-образной или Х-образной схеме. имеют нормальный осевой внутренний зазор. |
| 71917 CD/HCP4AL | Измененная или модифицированная внутренняя конструкция при неизменных основных размерах. Двухкомпонентный штампованный стальной сепаратор с направляющим кольцом. |
| 71917 ACD/HCP4A | Измененная или модифицированная внутренняя конструкция при неизменных основных размерах. Однорядный с улучшенной конструкцией и углом контакта 25°. |
| 71917 ACE/P4AH1 | Измененная или модифицированная внутренняя конструкция при неизменных основных размерах. 25° Угол контакта And (E) Small Size Steel Balls. |
| 71917 ACD/P4AH1 | Измененная или модифицированная внутренняя конструкция при неизменных основных размерах. Однорядный с улучшенной конструкцией и углом контакта 25°. |
| 71917 ACD/P4AL | Измененная или модифицированная внутренняя конструкция при неизменных основных размерах. Однорядный с улучшенной конструкцией и углом контакта 25°. |
| 71917 ACB/HCP4A | Измененная или модифицированная внутренняя конструкция при неизменных основных размерах. 25° Угол контакта. High-Speed B Design. |
| 71917 CE/P4AH1 | Измененная или модифицированная внутренняя конструкция при неизменных основных размерах. 15° Угол контакта And (E) Small Size Steel Balls. |
| 71917 CB/P4A | Точность размеров в соответствии с классом допуска ISO 4. точность вращения лучше чем класс допуска ISO 4. Подшипник для универсального монтажа. Два подшипника. установленные по О-образной или Х-образной схеме. имеют нормальный осевой внутренний зазор. |
| 71917 ACE/P4A | Точность размеров в соответствии с классом допуска ISO 4. точность вращения лучше чем класс допуска ISO 4. 25° Угол контакта And (E) Small Size Steel Balls. |
| 71917 CD/P4AH1 | Измененная или модифицированная внутренняя конструкция при неизменных основных размерах. Двухкомпонентный штампованный стальной сепаратор с направляющим кольцом. |
| 71917HVDUJ74 | Угол контакта 25°. Преднатяг (Лёгкий. Комплекты из 2. |
| 71917CVDUJ74 | Угол контакта 15°. Преднатяг (Лёгкий. Комплекты из 2. |
| 71917HVUJ74 | Угол контакта 25°. Преднатяг (Лёгкий. Универсальные подшпники. |
| 71917 C | 15° Угол контакта. |
| 71917 C-UO | 15° Угол контакта. Универсальный монтаж. Для установки по O- и X- образной схеме - беззазорные.. |
| 71917 C-UX | 15° Угол контакта. Универсальный монтаж, сверхлегкая предварительная нагрузка.. |
| 71917 C-UD | 15° Угол контакта. |
| 71917 A | Двухрядный радиально-упорный шарикоподшипник без отверстия для смазки. |
| 71917 CDB | Однорядный радиально-упорный шарикоподшипник улучшенной конструкции с углом контакта 15°. |
| 71917 CDF | Механически обработанный сепаратор из стали или специального чугуна. Однорядный радиально-упорный шарикоподшипник улучшенной конструкции с углом контакта 15°. |
| 71917 CDT | Механически обработанный сепаратор из текстолита. Однорядный радиально-упорный шарикоподшипник улучшенной конструкции с углом контакта 15°. |
| 71917AC | Суффикс для радиально-упорного шарикоподшипника. |
| 71917 DB/P7 | Two Single Row Deep Groove Ball Bearings. Single Row Angular Contact Ball Bearings Or Single Row Tapered Roller Bearings Matched For Mounting In A Back-To-Back Arrangement. Точность размеров соответствует классу ISO 4. Точность хода лучше. чем ISO Class 4. |
| 71917 FB/P7 | Точность размеров соответствует классу ISO 4. Точность хода лучше. чем ISO Class 4. 18° Угол контакта. High Speed Design. |
Модификации шарикового подшипника 71917 CD/HCP4A — это измененное основное конструктивное исполнение 71917, основные размеры (85x120x18) не отличаются.
| Обозначение | Гост | Конструктивные особенности |
|---|---|---|
| HSB917C | ISO | Угол контакта 15°. |
| HB85/S 7CE3 | ISO | Запечатанная версия кулачкового ролика. |
| HB85/S 7CE1 | ISO | Запечатанная версия кулачкового ролика. |
| HB85/S/NS 7CE3 | ISO | Запечатанная версия кулачкового ролика. Шарики из нитрида кремния Si3N4 (гибридные подшипники). Керамические шарики. |
| HB85/S/NS 7CE1 | ISO | Запечатанная версия кулачкового ролика. Шарики из нитрида кремния Si3N4 (гибридные подшипники). Керамические шарики. |
| ML71917CVUJ74S | ISO | Угол контакта 15°. Универсальные подшпники. Высокопрецизионные радиально-упорные подшипники с высокой скоростью вращения. Преднатяг (Лёгкий. |
| ML71917HVUJ74S | ISO | Угол контакта 25°. Универсальные подшпники. Высокопрецизионные радиально-упорные подшипники с высокой скоростью вращения. Преднатяг (Лёгкий. |
| 7917C | ISO | Угол контакта 15°. |
| 7917CPA | ISO | Угол контакта 15 градусов. |
| HAR917CA | ISO | Латунный сепаратор с симметричными роликами. |
| HAR917C | ISO | Угол контакта 15 градусов. |
| 7917 A5 | ISO | 25° Угол контакта. |
| 5S-2LA-BNS917LLBG/GNP42 | ISO | Универсальный подшипник. Нитриловое бесконтактное уплотнение (-25 to +120°C). Класс точности JIS4 для размеров и JIS 2 для точности вращения. Гибридный подшипник. |
| 5S-2LA-BNS917ADLLBG/GNP42 | ISO | Универсальный подшипник. Нитриловое бесконтактное уплотнение (-25 to +120°C). Класс точности JIS4 для размеров и JIS 2 для точности вращения. Угол контакта 25°. Гибридный подшипник. |
| 5S-2LA-BNS917CLLBG/GNP42 | ISO | Угол контакта 15°. Универсальный подшипник. Нитриловое бесконтактное уплотнение (-25 to +120°C). Класс точности JIS4 для размеров и JIS 2 для точности вращения. Гибридный подшипник. |
| 5S-2LA-HSE917CG/GNP42 | ISO | Угол контакта 15°. Универсальный подшипник. Класс точности JIS4 для размеров и JIS 2 для точности вращения. Гибридный подшипник. |
| 5S-2LA-HSE917ADG/GNP42 | ISO | Универсальный подшипник. Класс точности JIS4 для размеров и JIS 2 для точности вращения. Угол контакта 25°. Гибридный подшипник. |
| 5S-2LA-HSE917G/GNP42 | ISO | Универсальный подшипник. Класс точности JIS4 для размеров и JIS 2 для точности вращения. Гибридный подшипник. |
| 1036917К | ГОСТ | «Замок» (скос) на внутреннем кольце плюс массивный сепаратор из текстолита. |
| 1046917К | ГОСТ | «Замок» (скос) на внутреннем кольце плюс массивный сепаратор из текстолита. |
Аналог шарикового подшипника 71917 CD/HCP4A — это подшипник такого же размера dx85,Dx120,Bx18, типа и конструкции.
| Обозначение | Конструктивные особенности | Внутренний (d) | Наружный (D) | Ширина (B) |
|---|---|---|---|---|
| 3NC HAR917C FT | Шариковый радиальный однорядный подшипник. Угол контакта 20 градусов. REINFORCED PHENOLIC CAGE. | 85.00 | 120.00 | 18.00 |
| 3NCHAC917C | Шариковый радиальный однорядный подшипник. Угол контакта 20 градусов. | 85.00 | 120.00 | 18.00 |
| 3NCHAC917CA | Шариковый радиальный однорядный подшипник. Угол контакта 20 градусов. Латунный сепаратор с симметричными роликами. | 85.00 | 120.00 | 18.00 |
| 3NCHAF917CA | Шариковый радиальный однорядный подшипник. Угол контакта 20 градусов. Латунный сепаратор с симметричными роликами. | 85.00 | 120.00 | 18.00 |
| 3NCHAR917 | Шариковый радиальный однорядный подшипник. Угол контакта 20 градусов. | 85.00 | 120.00 | 18.00 |
| 3NCHAR917CA | Шариковый радиальный однорядный подшипник. Угол контакта 20 градусов. Латунный сепаратор с симметричными роликами. | 85.00 | 120.00 | 18.00 |
| 3NCHAR917C | Шариковый радиальный однорядный подшипник. Угол контакта 20 градусов. | 85.00 | 120.00 | 18.00 |
| 1000917-Л | Шариковый радиальный однорядный подшипник. Сепаратор из латуни.. | 85.00 | 120.00 | 18.00 |
| 35-1000917 БТ2 | Шариковый радиальный однорядный подшипник. 200°. Температура отпуска. Сепаратор из безоловянистой бронзы.. | 85.00 | 120.00 | 18.00 |
| 4-1000917 Ю | Шариковый радиальный однорядный подшипник. Все детали или часть деталей из нержавеющей стали.. | 85.00 | 120.00 | 18.00 |
| 5-1000917 Б | Шариковый радиальный однорядный подшипник. Сепаратор из безоловянистой бронзы.. | 85.00 | 120.00 | 18.00 |
| 5-1000917 Л | Шариковый радиальный однорядный подшипник. Сепаратор из латуни.. | 85.00 | 120.00 | 18.00 |
| 56-1032917 Б2Т2 | Роликовый радиальный однорядный подшипник. 200°. Температура отпуска. Сепаратор из безоловянистой бронзы.. | 85.00 | 120.00 | 18.00 |
| 6-1000917 Л | Шариковый радиальный однорядный подшипник. Сепаратор из латуни.. | 85.00 | 120.00 | 18.00 |
| 6-1032917 Б2Т2 | Роликовый радиальный однорядный подшипник. 200°. Температура отпуска. Сепаратор из безоловянистой бронзы.. | 85.00 | 120.00 | 18.00 |
Способы доставки
Отправка через ведущие транспортные и курьерские компании: ПЭК, Деловые Линии, СДЭК, Байкал-Сервис, Энергия, КИТ, ЖелДорЭкспедиция.
Самовывоз возможен напрямую со склада в Москве.
Сроки доставки
Срок зависит от региона и выбранной транспортной компании. Все заказы комплектуются и отправляются в кратчайшие сроки со склада в Москве.
Надёжность и сохранность
Вся продукция упаковывается с учётом требований транспортировки. Мы гарантируем, что подшипники и комплектующие прибудут к заказчику в полной сохранности.
Доставка в страны ЕАЭС
Мы работаем с проверенными логистическими партнёрами, что позволяет оперативно доставлять заказы в Беларусь, Казахстан, Армению и другие страны ЕАЭС.
Варианты оплаты:
Минимальная сумма заказа и скидки:
Документы и гарантии:
Да, конечно! Наши технические специалисты готовы помочь вам с подбором точного аналога или замены подшипника. Просто позвоните нам по телефону +7 (495) 104-99-04 или напишите на почту zakaz@podsnab.ru.
Для оперативной консультации подготовьте, пожалуйста, имеющиеся данные: маркировку, размеры, тип оборудования или артикул старого подшипника.
Да, конечно! Мы высоко ценим долгосрочное сотрудничество и доверие клиентов по всей России. Для постоянных клиентов действует персональная система скидок.
Условия формируются индивидуально и зависят от:
Чтобы узнать свои условия и получить максимально выгодное предложение, свяжитесь с персональным менеджером или напишите нам на почту zakaz@podsnab.ru.
Вы можете оформить заказ несколькими способами:
Для оформления заказа от юридического лица свяжитесь с нашим отделом по работе с корпоративными клиентами по телефону +7 (495) 104-99-04 или напишите на email zakaz@podsnab.ru, прикрепив реквизиты вашей организации.
Мы оперативно подготовим коммерческое предложение и выставим счет.
Возврат товара надлежащего качества возможен в течение 10 дней с момента получения, если товар не был в употреблении, сохранен товарный вид, упаковка не вскрывалась и присутствуют все сопроводительные документы.
Возврат денежных средств осуществляется в течение 10 рабочих дней после проверки товара складом.
В соответствии с законодательством возврату не подлежат подшипники надлежащего качества, если отсутствует оригинальная упаковка или имеются следы монтажа.
В случае выявления брака или гарантийного случая мы гарантируем возврат или обмен товара.
Да, гарантийный срок хранения устанавливается заводом-изготовителем и в среднем составляет 2 года при соблюдении условий хранения: сухое помещение, оригинальная упаковка и смазка.
Точный срок для конкретного типа подшипника уточняйте у наших менеджеров.
Пн–Пт: с 8:00 до 17:00 (МСК).
Сб–Вс: выходные дни.
Заказы на сайте принимаются круглосуточно. Заявки, поступившие после окончания рабочего дня, обрабатываются на следующий рабочий день.
Минимальная сумма заказа для доставки составляет 3000 рублей. Самовывоз со склада возможен на любую сумму при наличии товара.
ООО «УралТехГрупп»
ИНН: 7415093830
КПП: 772401001
ОГРН: 1167456069021
Банк: ПАО Сбербанк
Р/с: 40702810838000475273
К/с: 30101810400000000225
БИК: 044525225
У подшипника 71917 CD/HCP4A пока нет отзывов. Вы можете стать первым покупателем, поделившимся своим мнением.